GM Service Manual Online
For 1990-2009 cars only
Figure 1:

Battery Feeds


Object Number: 576422  Size: FS
Power and Grounding Components
G307
Power to Underhood Fuse Block
Power to Underhood Fuse Block
Figure 2:

Power to Underhood Fuse Block


Object Number: 576430  Size: FS
Power and Grounding Components
IGN SW, HTDST LR, HTDST RR, and HTDST RF Fuses
Battery Feeds
Battery Feeds
Figure 3:

IGN SW, HTDST LR, HTDST RR, and HTDST RF Fuses


Object Number: 576432  Size: FS
Power and Grounding Components
Ignition Switch
Power to Underhood Fuse Block
Handling ESD Sensitive Parts Notice
Ignition Switch
Figure 4:

Ignition Switch


Object Number: 576438  Size: FS
Power and Grounding Components
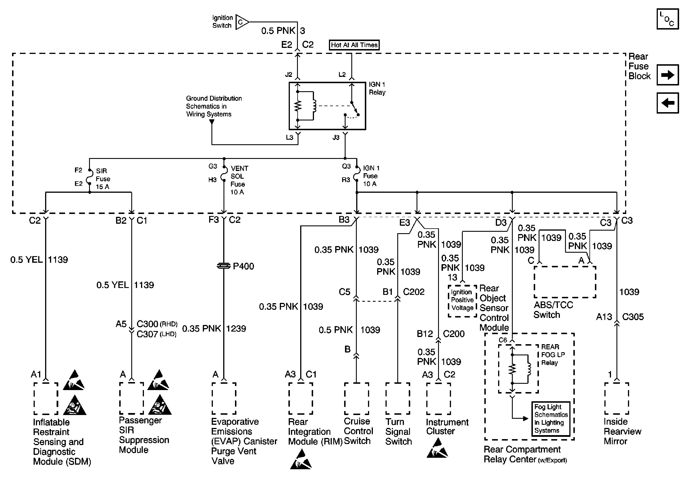
IGN 1 Relay and SIR, Vent SOL, IGN 1 Fuses
IGN SW, HTDST LR, HTDST RR, and HTDST RF Fuses
Handling ESD Sensitive Parts Notice
IGN SW, HTDST LR, HTDST RR, and HTDST RF Fuses
IGN 1 Relay and SIR, Vent SOL, IGN 1 Fuses
A/C CLU, FOG/DRL, INJR 1 and INJR 2 Fuses
Start Circuit Breaker and ACC, WSW Fuses
IGN 2 Relay and HVAC, ABS Fuses
Figure 5:

IGN 1 Relay and SIR, Vent SOL, IGN 1 Fuses


Object Number: 576444  Size: FS
Power and Grounding Components
Start Circuit Breaker and ACC, WSW Fuses
Ignition Switch
Handling ESD Sensitive Parts Notice
SIR Handling Caution
Handling ESD Sensitive Parts Notice
Ignition Switch
G301
Handling ESD Sensitive Parts Notice
SIR Handling Caution
Handling ESD Sensitive Parts Notice
Fog Lights Schematics
Figure 6:

Start Circuit Breaker and ACC, WSW Fuses


Object Number: 576285  Size: FS
Power and Grounding Components
IGN 2 Relay and HVAC, ABS Fuses
IGN 1 Relay and SIR, Vent SOL, IGN 1 Fuses
Ignition Switch
G104
Figure 7:

IGN 2 Relay and HVAC, ABS Fuses


Object Number: 576447  Size: FS
Power and Grounding Components
IGN 3 RR Fuses
Start Circuit Breaker and ACC, WSW Fuses
Handling ESD Sensitive Parts Notice
Ignition Switch
RR Blo, RR Defog, PRK BRK, ELC Fuses
G301
IGN 3 RR Fuses
Figure 8:

IGN 3 RR Fuses


Object Number: 576449  Size: FS
Power and Grounding Components
OXYSENA, OXYSENB, DIS and CRCONT Fuses
IGN 2 Relay and HVAC, ABS Fuses
Handling ESD Sensitive Parts Notice
Handling ESD Sensitive Parts Notice
Handling ESD Sensitive Parts Notice
Handling ESD Sensitive Parts Notice
Handling ESD Sensitive Parts Notice
Handling ESD Sensitive Parts Notice
Handling ESD Sensitive Parts Notice
Handling ESD Sensitive Parts Notice
IGN 2 Relay and HVAC, ABS Fuses
Figure 9:

OXYSENA, OXYSENB, DIS and CRCONT Fuses


Object Number: 576453  Size: FS
Power and Grounding Components
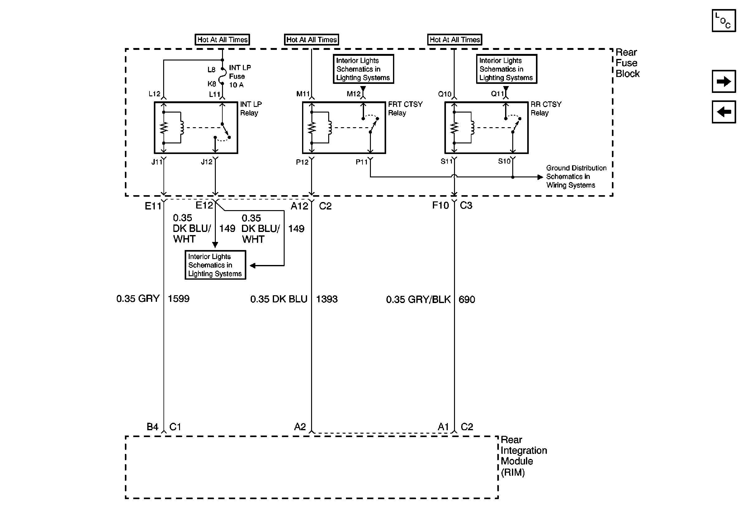
INT LP Fuse and Relay
IGN 3 RR Fuses
Handling ESD Sensitive Parts Notice
Handling ESD Sensitive Parts Notice
A/C CLU, FOG/DRL, INJR 1 and INJR 2 Fuses
IGN 1 and PCM IGN Fuses
Figure 10:

INT LP Fuse and Relay


Object Number: 576457  Size: FS
Power and Grounding Components
LP PK L Fuse
OXYSENA, OXYSENB, DIS and CRCONT Fuses
Interior Lamp Relays
Interior Lamp Relays
Interior Lamp Relays
Figure 11:

LP PK L Fuse


Object Number: 576459  Size: FS
Power and Grounding Components
LP PK R Fuse
INT LP Fuse and Relay
LP PK R Fuse
Figure 12:

LP PK R Fuse


Object Number: 361517  Size: FS
Power and Grounding Components
DIM R Fuse
LP PK L Fuse
LP PK L Fuse
DIM R Fuse
Figure 13:

DIM R Fuse


Object Number: 576463  Size: FS
Power and Grounding Components
HDHI BML, HDHI BMR, HDLO BML, and HDLO BMR Fuses
LP PK R Fuse
LP PK R Fuse
Figure 14:

HDHI BML, HDHI BMR, HDLO BML, and HDLO BMR Fuses


Object Number: 576465  Size: FS
Power and Grounding Components
NAV Fuse
DIM R Fuse
Figure 15:

NAV Fuse


Object Number: 576466  Size: FS
Power and Grounding Components
RR Blo, RR Defog, PRK BRK, ELC Fuses
HDHI BML, HDHI BMR, HDLO BML, and HDLO BMR Fuses
Handling ESD Sensitive Parts Notice
Handling ESD Sensitive Parts Notice
Figure 16:

RR Blo, RR Defog, PRK BRK, ELC Fuses


Object Number: 576468  Size: FS
Power and Grounding Components
A/C CLU, FOG/DRL, INJR 1 and INJR 2 Fuses
NAV Fuse
Handling ESD Sensitive Parts Notice
IGN 2 Relay and HVAC, ABS Fuses
NSBU, F/PMP, CVRTD and BODY Fuses
Figure 17:

A/C CLU, FOG/DRL, INJR 1 and INJR 2 Fuses


Object Number: 576470  Size: FS
Power and Grounding Components
Aux Pwr, C/LTR, Stop LP, Cigar and BLO Fuses
RR Blo, RR Defog, PRK BRK, ELC Fuses
Handling ESD Sensitive Parts Notice
Ignition Switch
OXYSENA, OXYSENB, DIS and CRCONT Fuses
DRL, High Beam Headlamps, Headlamp Dimmer Switch
G104
Fog Lights Schematics
G104
Figure 18:

Aux Pwr, C/LTR, Stop LP, Cigar and BLO Fuses


Object Number: 576479  Size: FS
Power and Grounding Components
MEM T/T, PWR T/T and TSIG/HAZ Fuse
A/C CLU, FOG/DRL, INJR 1 and INJR 2 Fuses
Handling ESD Sensitive Parts Notice
Handling ESD Sensitive Parts Notice
Figure 19:

MEM T/T, PWR T/T and TSIG//HAZ Fuse


Object Number: 576482  Size: FS
Power and Grounding Components
RAP and Export LGT Fuses
Aux Pwr, C/LTR, Stop LP, Cigar and BLO Fuses
Handling ESD Sensitive Parts Notice
Handling ESD Sensitive Parts Notice
Handling ESD Sensitive Parts Notice
Handling ESD Sensitive Parts Notice
Figure 20:

RAP and Export LGT Fuses


Object Number: 576483  Size: FS
Power and Grounding Components
Audio, Audio Amp and DIM Fuses
MEM T/T, PWR T/T and TSIG/HAZ Fuse
DIM Inputs
Position Lamps
Fog Lights Schematics
DRL, Low Beam Headlamps
Figure 21:

Audio, Audio Amp and DIM Fuses


Object Number: 576282  Size: FS
Power and Grounding Components
PWR WDO Circuit Breaker
RAP and Export LGT Fuses
Handling ESD Sensitive Parts Notice
Handling ESD Sensitive Parts Notice
Handling ESD Sensitive Parts Notice
Handling ESD Sensitive Parts Notice
Handling ESD Sensitive Parts Notice
Figure 22:

PWR WDO Circuit Breaker


Object Number: 576486  Size: FS
Power and Grounding Components
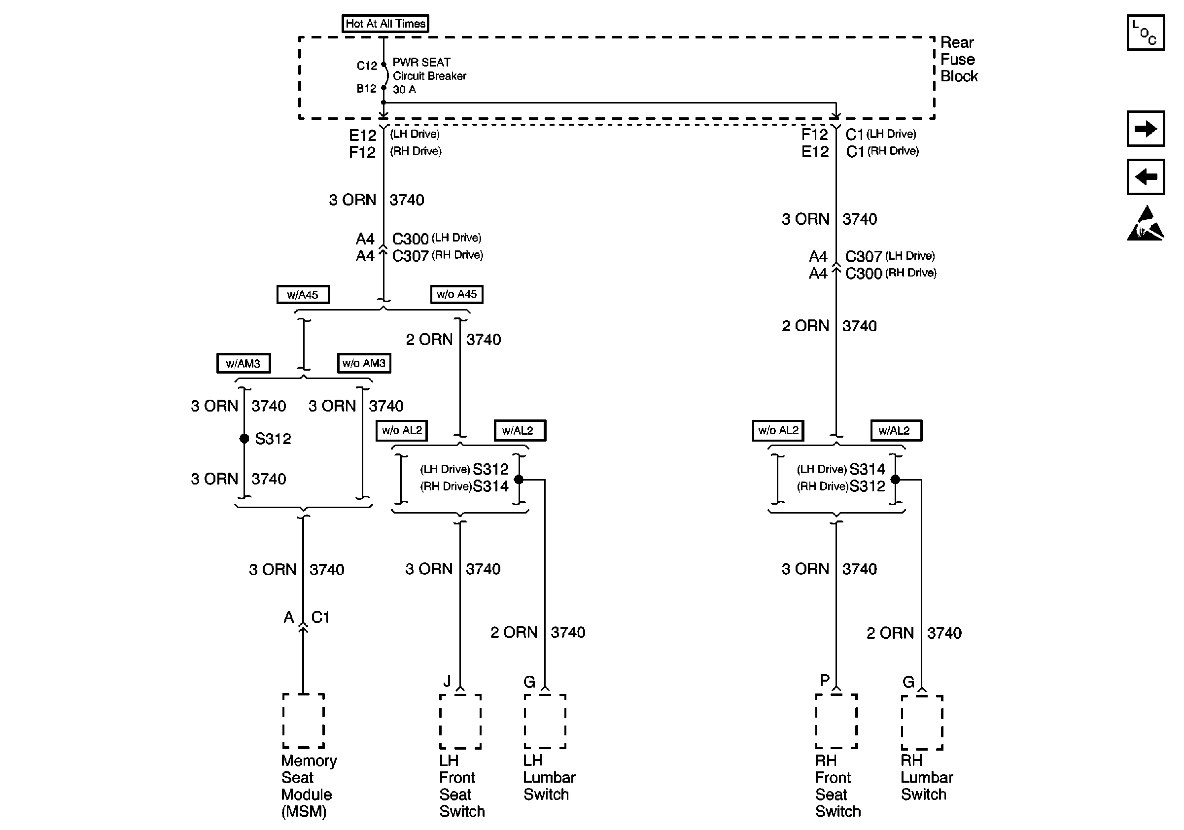
PWR Seat Fuse
Audio, Audio Amp and DIM Fuses
Handling ESD Sensitive Parts Notice
Figure 23:

PWR Seat Fuse


Object Number: 576490  Size: FS
Power and Grounding Components
DRV MDL, PASS MDL, RRDR MDL and DLC Fuses
PWR WDO Circuit Breaker
Handling ESD Sensitive Parts Notice
Figure 24:

DRV MDL, PASS MDL, RRDR MDL and DLC Fuses


Object Number: 576492  Size: FS
Power and Grounding Components
NSBU, F/PMP, CVRTD and BODY Fuses
PWR Seat Fuse
Handling ESD Sensitive Parts Notice
Figure 25:

NSBU, F/PMP, CVRTD and BODY Fuses


Object Number: 576494  Size: FS
Power and Grounding Components
PCM BATT, EXPORT BRK, IP, ABS Sol, and ABS MOT Fuses
DRV MDL, PASS MDL, RRDR MDL and DLC Fuses
Release Systems Schematics
RR Blo, RR Defog, PRK BRK, ELC Fuses
Headlamp Switch, PRK LP Relay
Backup Lights Schematics
Fuel Pump and Engine Oil Pressure Switch
Handling ESD Sensitive Parts Notice
Figure 26:

PCM BATT, EXPORT BRK, IP, ABS Sol, and ABS MOT Fuses


Object Number: 576507  Size: FS
Power and Grounding Components
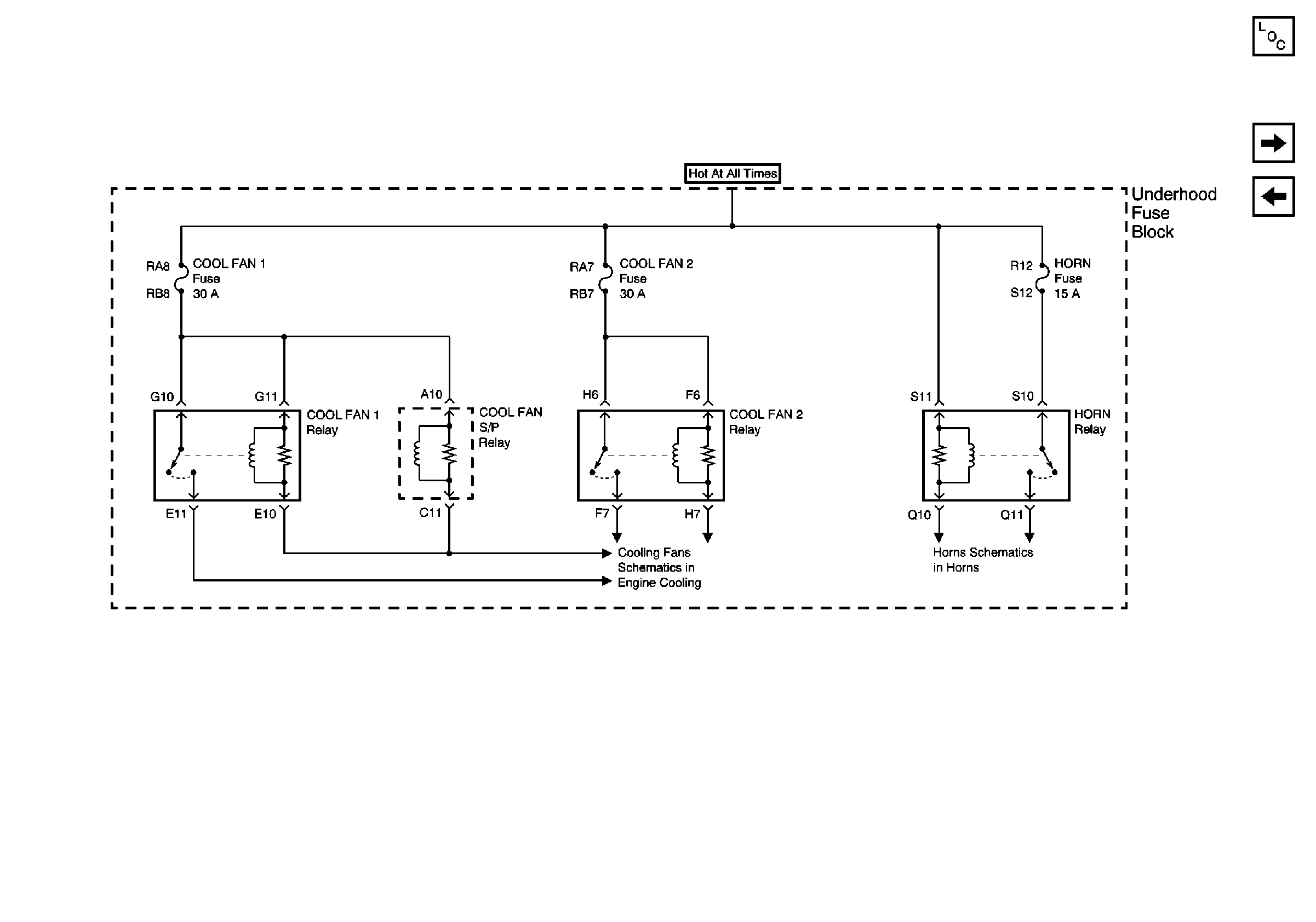
Cool Fan 1, Cool Fan 2, and Horn Fuses
NSBU, F/PMP, CVRTD and BODY Fuses
Handling ESD Sensitive Parts Notice
Figure 27:

Cool Fan 1, Cool Fan 2, and Horn Fuses


Object Number: 576511  Size: FS
Power and Grounding Components
IGN 1 and PCM IGN Fuses
PCM BATT, EXPORT BRK, IP, ABS Sol, and ABS MOT Fuses
Cooling Fan Schematics
Horns Schematic
Figure 28:

IGN 1 and PCM IGN Fuses


Object Number: 576516  Size: FS
Power and Grounding Components
Cool Fan 1, Cool Fan 2, and Horn Fuses
OXYSENA, OXYSENB, DIS and CRCONT Fuses
Handling ESD Sensitive Parts Notice