GM Service Manual Online
For 1990-2009 cars only
Figure 1:

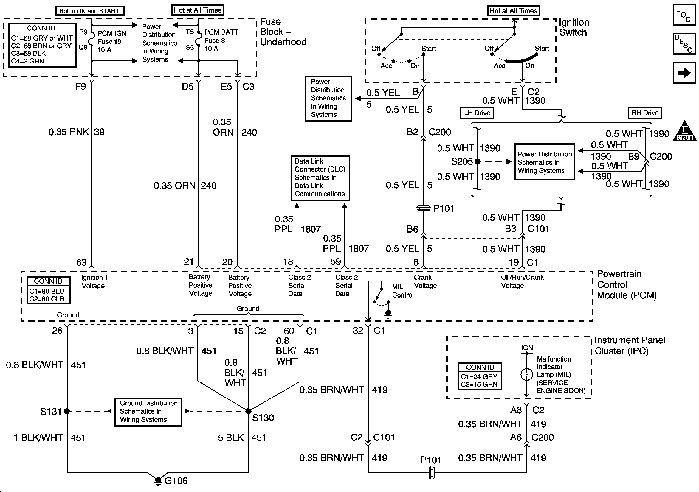
Module Power, Ground, Serial Data, and MIL


Object Number: 879737  Size: FS
Master Electrical Component List
Powertrain Control Module Description
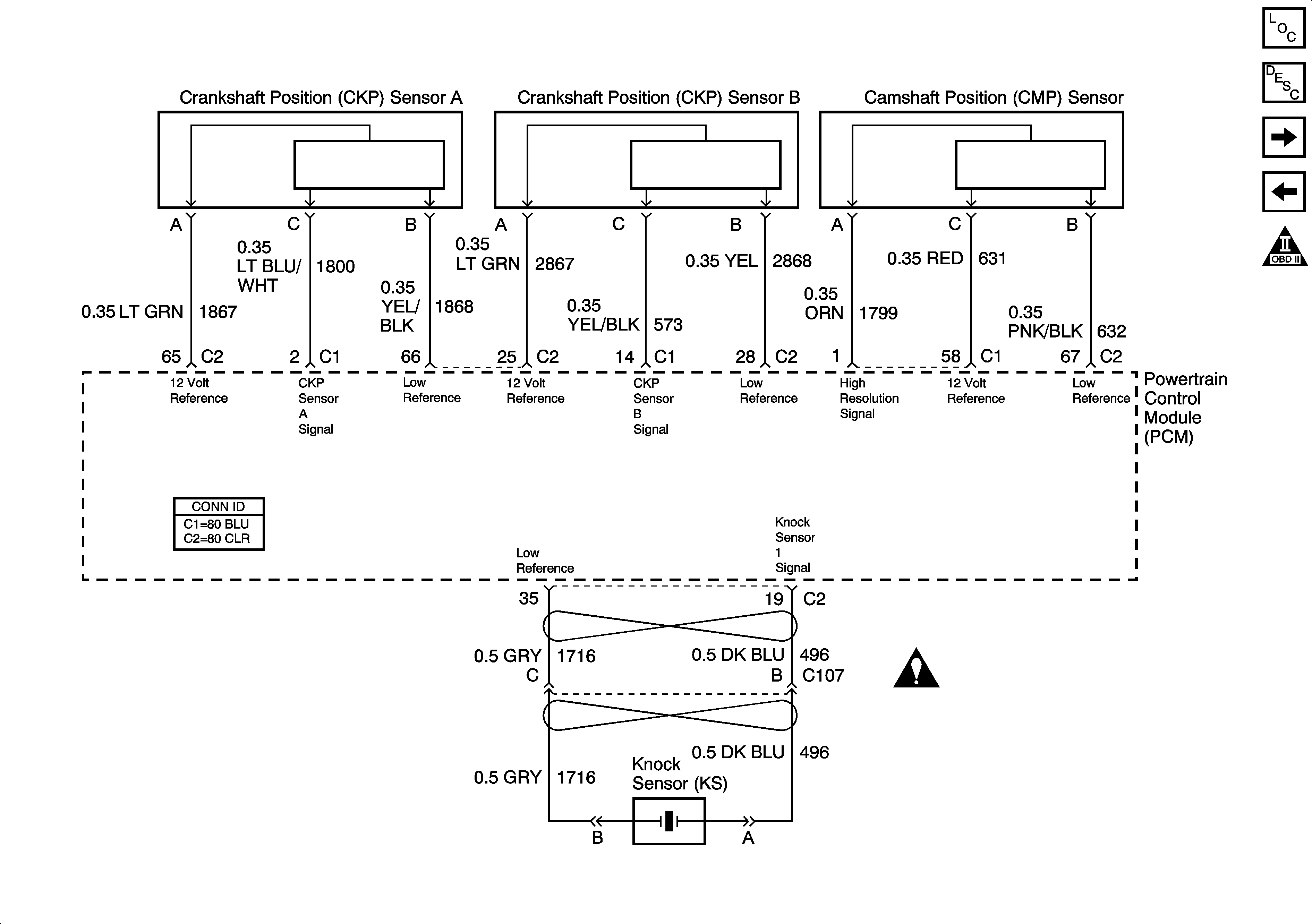
Engine Data Sensors - 5 Volt and Low Reference
OBD II Symbol Description Notice
Battery Feed to Fuse Block - Underhood
Ignition Switch Supply
Serial Data Line (RH Drive) (2 of 2)
Ignition Switch Supply
G106
Figure 2:

Engine Data Sensors -- 5 Volt and Low Reference


Object Number: 783599  Size: FS
Master Electrical Component List
Electronic Ignition (EI) System Description
Engine Data Sensors - Pressure and Temperature
Module Power, Ground, Serial Data, and MIL
OBD II Symbol Description Notice
Figure 3:

Engine Data Sensors -- Pressure and Temperature


Object Number: 879739  Size: FS
Master Electrical Component List
Air Intake System Description
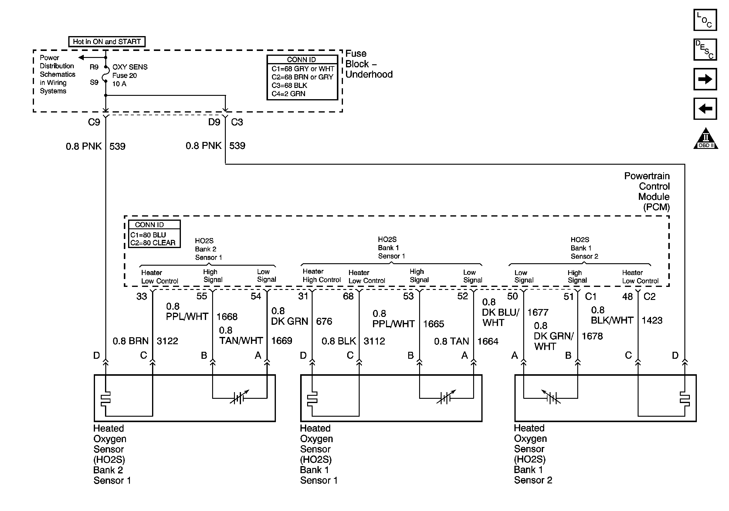
Engine Data Sensors - HO2S
Engine Data Sensors - 5 Volt and Low Reference
OBD II Symbol Description Notice
Battery Feed to Fuse Block - Underhood
IMS, and VSS
G106
TCC/Cruise Release Switch
PCM Signals
Figure 4:

Engine Data Sensors -- HO2S


Object Number: 879742  Size: FS
Master Electrical Component List
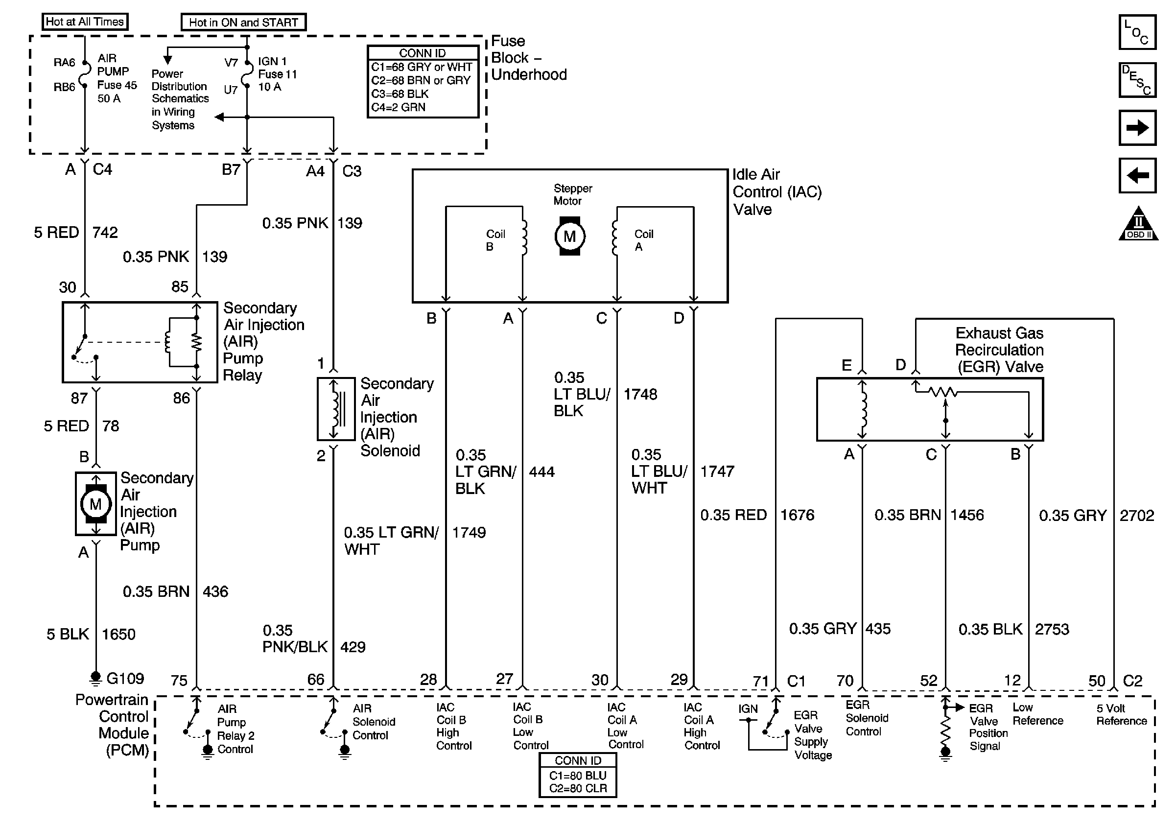
Secondary Air Injection System Description
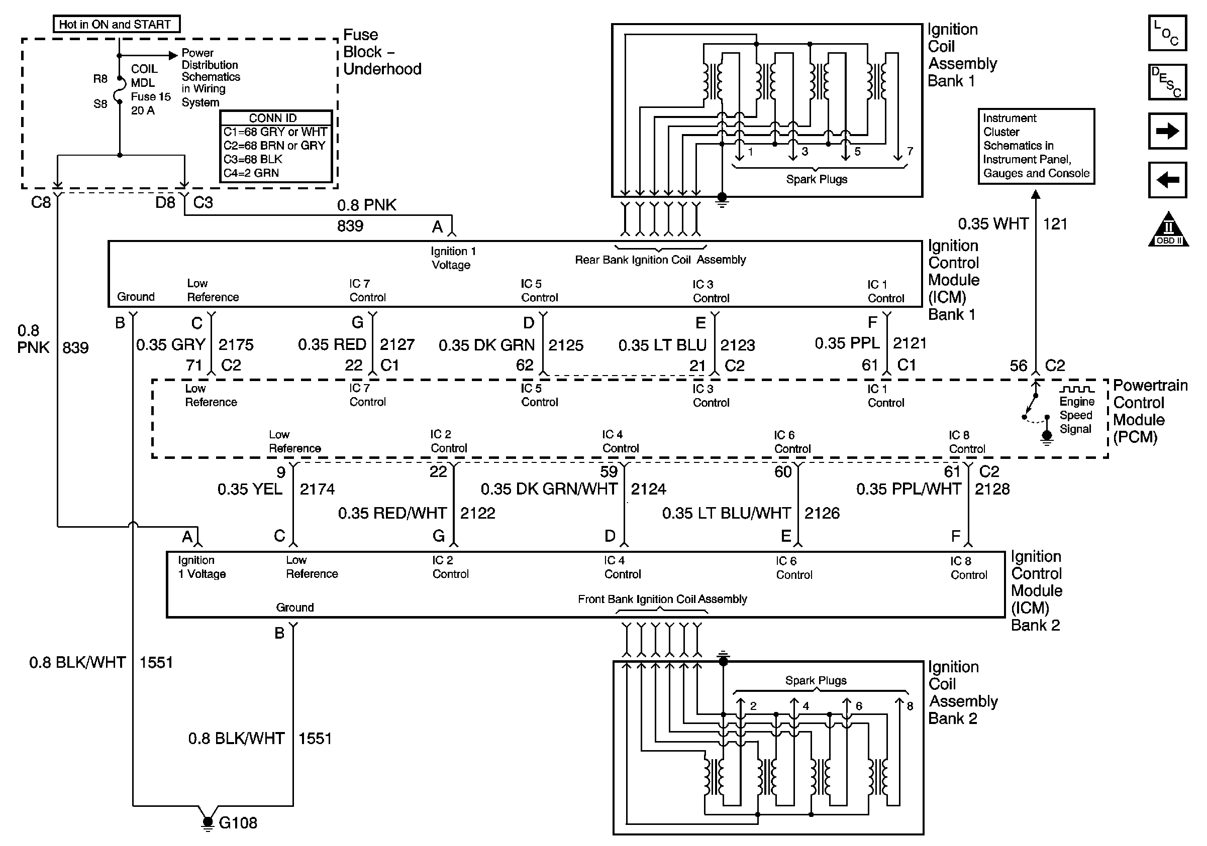
Ignition Controls - Ignition System
Engine Data Sensors - Pressure and Temperature
OBD II Symbol Description Notice
Battery Feed to Fuse Block - Underhood
Figure 5:

Ignition Controls -- Ignition System


Object Number: 879747  Size: FS
Master Electrical Component List
Electronic Ignition (EI) System Description
Ignition Controls - Sensors
Engine Data Sensors - HO2S
OBD II Symbol Description Notice
Battery Feed to Fuse Block - Underhood
PCM Signals
Figure 6:

Ignition Controls -- Sensors


Object Number: 786251  Size: FS
Master Electrical Component List
Electronic Ignition (EI) System Description
Fuel Controls - Fuel Pump and EVAP Controls
Ignition Controls - Ignition System
OBD II Symbol Description Notice
Figure 7:

Fuel Controls -- Fuel Pump and EVAP Controls


Object Number: 879748  Size: FS
Master Electrical Component List
Evaporative Emission Control System Description
Fuel Controls - Fuel Injectors
Ignition Controls - Sensors
OBD II Symbol Description Notice
Battery Feed to Fuse Block - Rear
Battery Feed to Fuse Block - Rear
Battery Feed to Fuse Block - Underhood
G401 (1 of 3)
G301
PCM Signals
Figure 8:

Fuel Controls -- Fuel Injectors


Object Number: 879753  Size: FS
Master Electrical Component List
Fuel System Description
Device Controls
Fuel Controls - Fuel Pump and EVAP Controls
OBD II Symbol Description Notice
Battery Feed to Fuse Block - Underhood
Figure 9:

Device Controls


Object Number: 879757  Size: FS
Master Electrical Component List
Secondary Air Injection System Description
Controlled/Monitored Subsystem References
Fuel Controls - Fuel Injectors
OBD II Symbol Description Notice
Battery Feed to Fuse Block - Underhood
Figure 10:

Controlled/Monitored Subsystem References


Object Number: 786257  Size: FS
Master Electrical Component List
Powertrain Control Module Description
Transmission Controls - A/T
Device Controls
OBD II Symbol Description Notice
A/C Compressor Clutch
Cooling Fans
Suspension Inputs (w/F45 or F55), Class 2, and Variable Effort Steering
Power and Ground
PCM and IPM Signals
Start Controls
Generator Controls
PCM Controls and Class 2
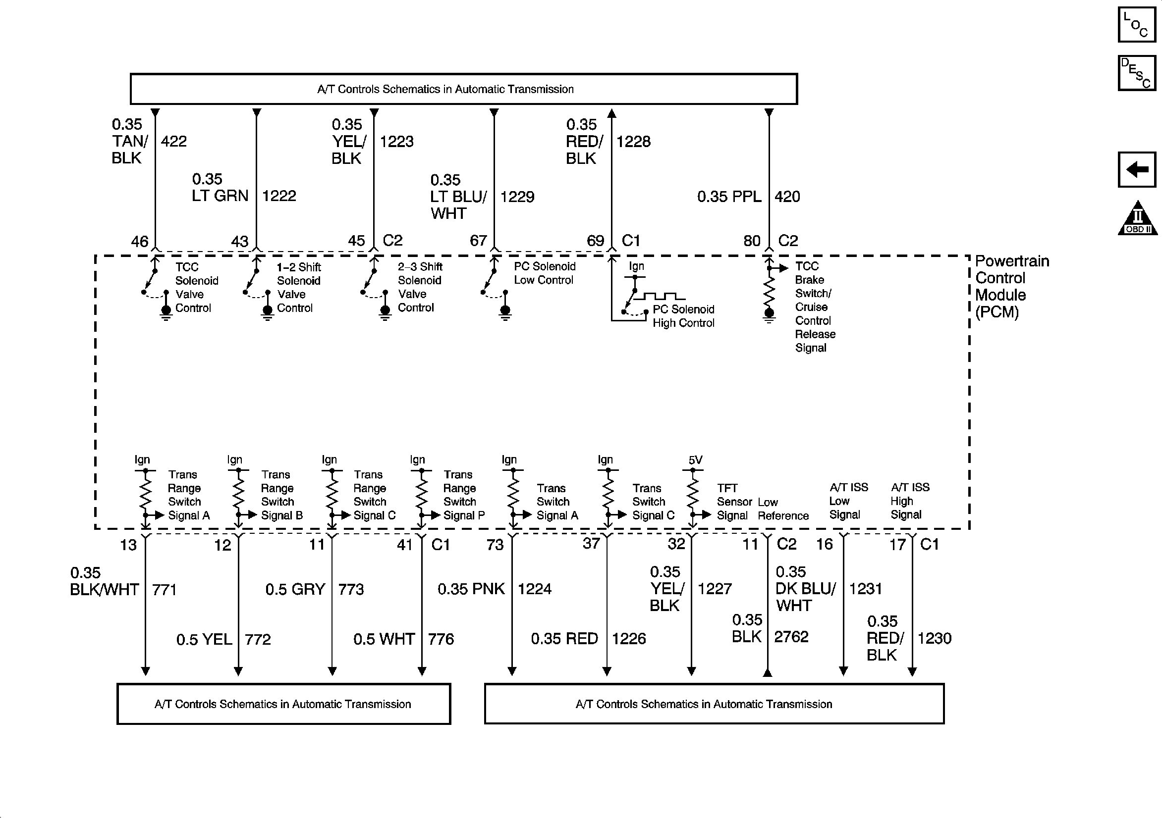
Figure 11:

Transmission Controls -- A/T


Object Number: 786259  Size: FS
Master Electrical Component List
Electronic Ignition (EI) System Description
Controlled/Monitored Subsystem References
OBD II Symbol Description Notice
TCC/Cruise Release Switch
IMS, and VSS
Transaxle Sensors