GM Service Manual Online
For 1990-2009 cars only
Makes
🢒
Cadillac
🢒
2006
🢒
XLR
🢒
Accessories
🢒
Cellular Communication
🢒 OnStar Schematics
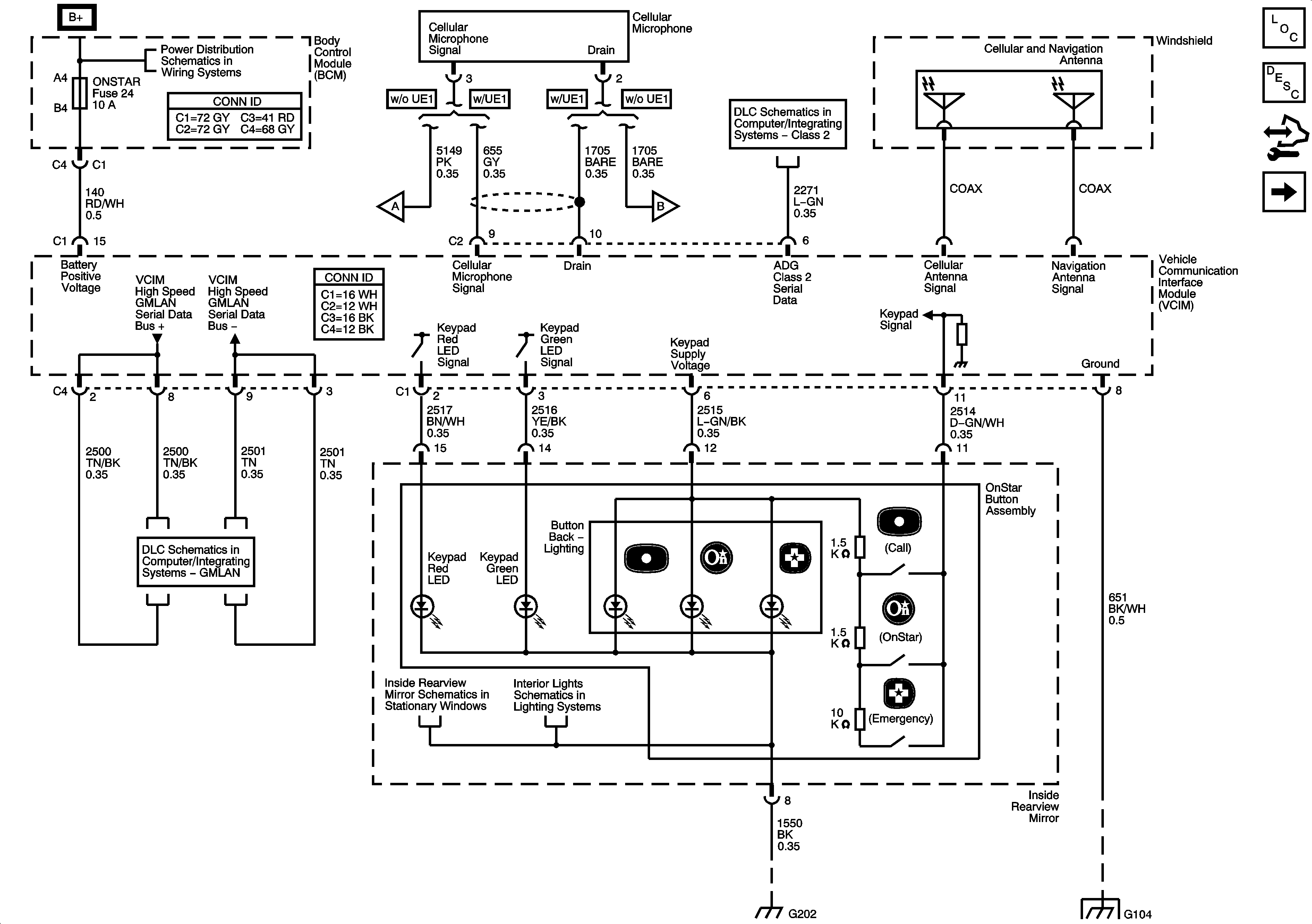
Figure
1:
Antenna, DLC, Ground, Power, and User Inputs
Master Electrical Component List
OnStar Description and Operation
Control Module References
Audio Output
Fuse Block Underhood Fuses - BATT5, BCM Fuses - ACCA/DRIV DRSW, IGNITION SW/INTR SENS, ONSTAR, PARK BRAKE SOL A, TILT/TELE SW/MEM SEAT MOD
Audio Output
Audio Output
Class 2
GM LAN
Inside Rearview Mirror Schematics
Courtesy, Underhood, I/P Compartment, Vanity Mirrors, Inside Rearview Mirror and Lamp Controls
G202 - 1 of 2
G104 and G106
Figure
2:
Audio Output
Master Electrical Component List
OnStar Description and Operation
Control Module References
Antenna, DLC, Ground, Power and Uer Inputs
Cellular Communication Schematic Icons
Antenna, DLC, Ground, Power and Uer Inputs
Antenna, DLC, Ground, Power and Uer Inputs
Cellular Communication Schematic Icons