GM Service Manual Online
For 1990-2009 cars only
Makes
🢒
Cadillac
🢒
2006
🢒
XLR
🢒
Transmission/Transaxle
🢒
Automatic Transmission - 6L80E
🢒 Automatic Transmission Controls Schematics
Figure
1:
DLC, Ground, MIL, and Power
Master Electrical Component List
Transmission General Description
Control Module References
IMS, ISS, SOLENOIDS, TFT and OSS
Automatic Transmission Schematic Icons
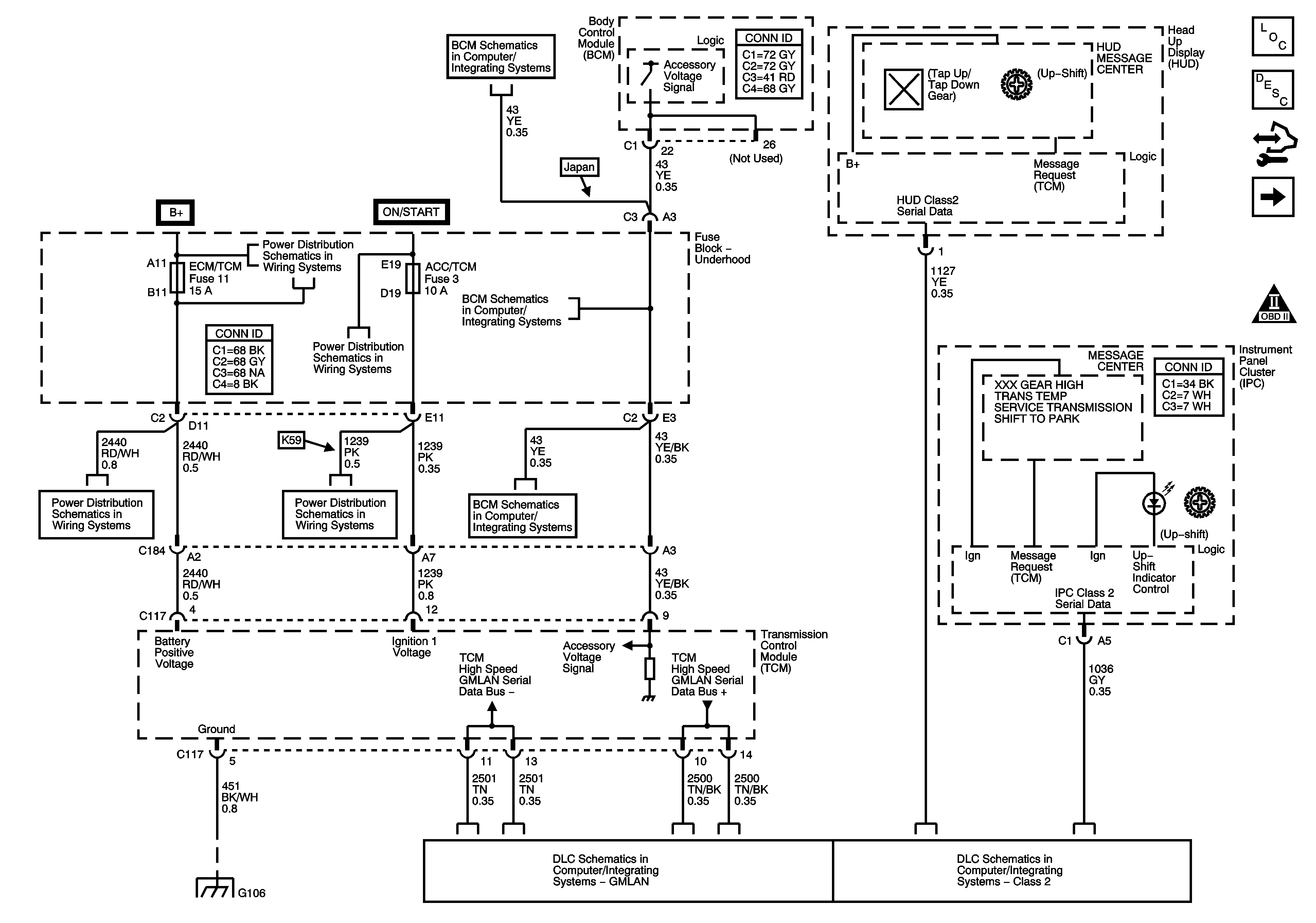
06 XLR Body Control System Schematics - DLC, Power, and Ground
Fuse Block Underhood Fuses: ABS, AMP, BATT2, COOLFAN, ECM/TCM, HORN, HVAC, MRRTD, W/S WASH
BCM Fuses: ECM, GMLAN Devices, RPA/H/C SEAT and SDM/PSIR SW, Fuse Block Underhood Fuses - ABS/MRRTD, and ACC/TCM
06 XLR Body Control System Schematics - DLC, Power, and Ground
Fuse Block Underhood Fuses: ABS, AMP, BATT2, COOLFAN, ECM/TCM, HORN, HVAC, MRRTD, W/S WASH
06 XLR Body Control System Schematics - DLC, Power, and Ground
06 XLR Body Control System Schematics - DLC, Power, and Ground
G104 and G106
GM LAN
Class 2
Figure
2:
IMS, ISS, Solenoids, TFT, and VSS
Master Electrical Component List
Transmission General Description
Control Module References
Shift Lever
DLC, GROUND, MIL and Power
Automatic Transmission Schematic Icons
Starting and Charging - Cranking Schematics (LC3)
Automatic Transmission Schematic Icons
G302, G401, and G402
Figure
3:
Shift Lever
Master Electrical Component List
Transmission General Description
Control Module References
IMS, ISS, SOLENOIDS, TFT and OSS
Automatic Transmission Schematic Icons
Fuse Block Underhood Fuses: BATT3, STOP/BULPS, BCM Fuses: BTSI SOL/COL LOCK, PWR FLDG MIR-EXT/RET, RADIO/ANT/VICS, REAR FOG/ALDL TOPSW, REVERSE LPS
BCM Fuses: AC LATCH/PK BRK B, CLUSTER, DOOR LOCKS, HVAC/PWR SND, INTERIOR LIGHTS, ISRVM/HVAC, and TUTD SW/STRG COL SW
Stop Lamps
BCM Fuses: AC LATCH/PK BRK B, CLUSTER, DOOR LOCKS, HVAC/PWR SND, INTERIOR LIGHTS, ISRVM/HVAC, and TUTD SW/STRG COL SW
Shift Lever
DLC, HVAC Control Module, Radio and Switches
G202 - 1 of 2