GM Service Manual Online
For 1990-2009 cars only
Figure 1:

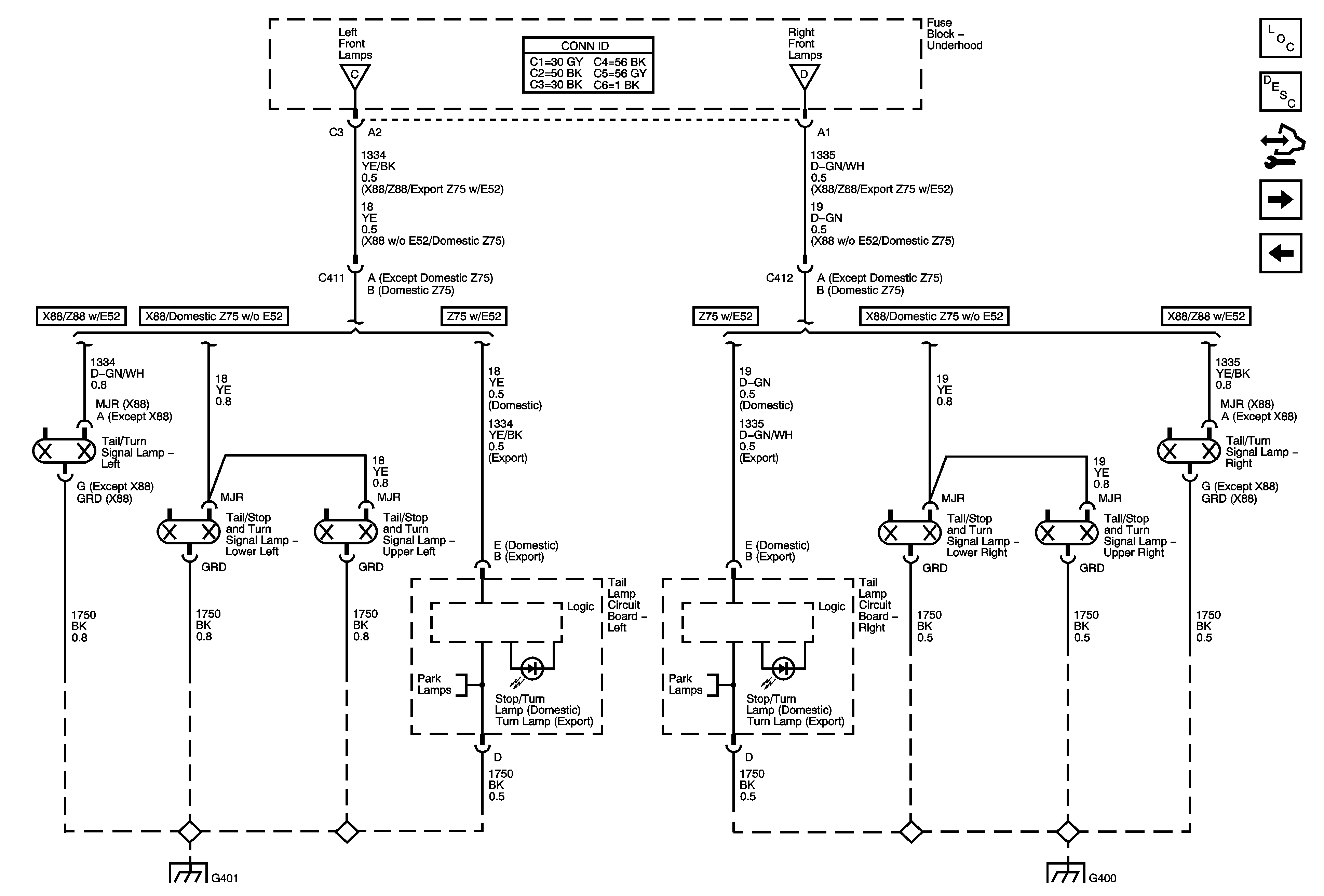
Park Lamp Controls and Front Park Lamps


Object Number: 1704917  Size: FS
Master Electrical Component List
Exterior Lighting Systems Description and Operation
Control Module References
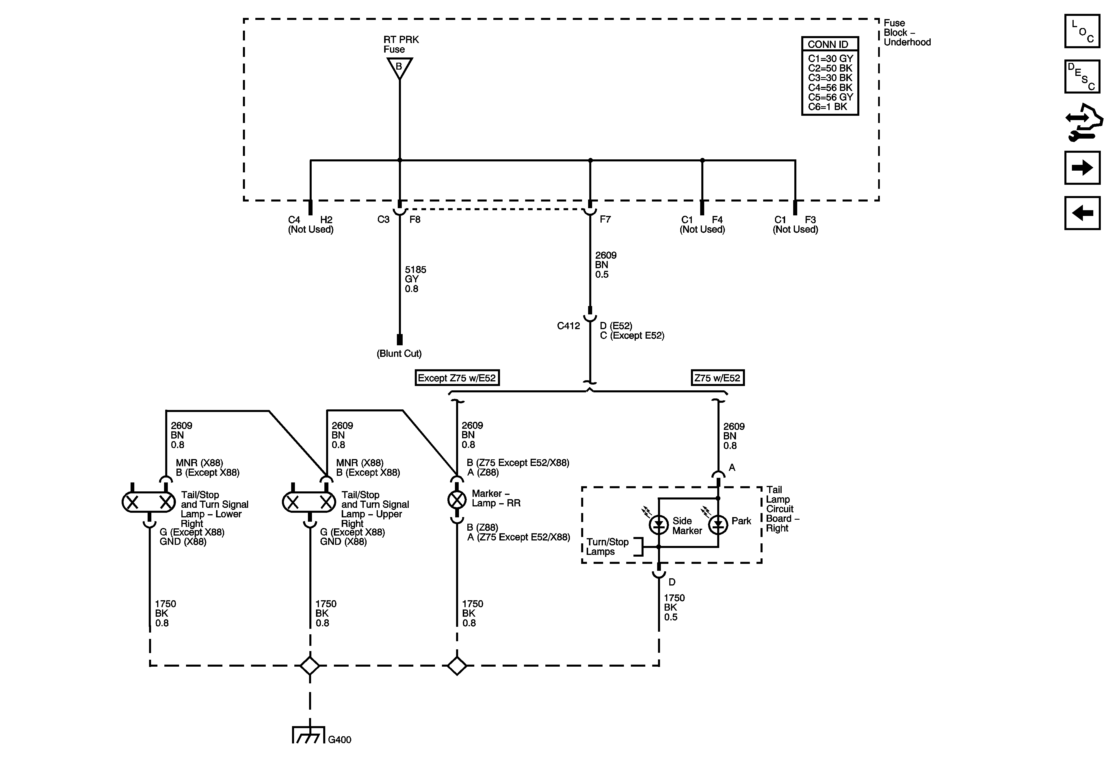
Left Rear Park Lamps
B+ Bus - 1 of 3
Left Rear Park Lamps
Right Rear Park Lamps
Trailer Lighting Control - Export 1 of 2 and all Domestic
Headlamp and Daytime Running Lamp Controls
G201
G101
G100
G101
G100
Figure 2:

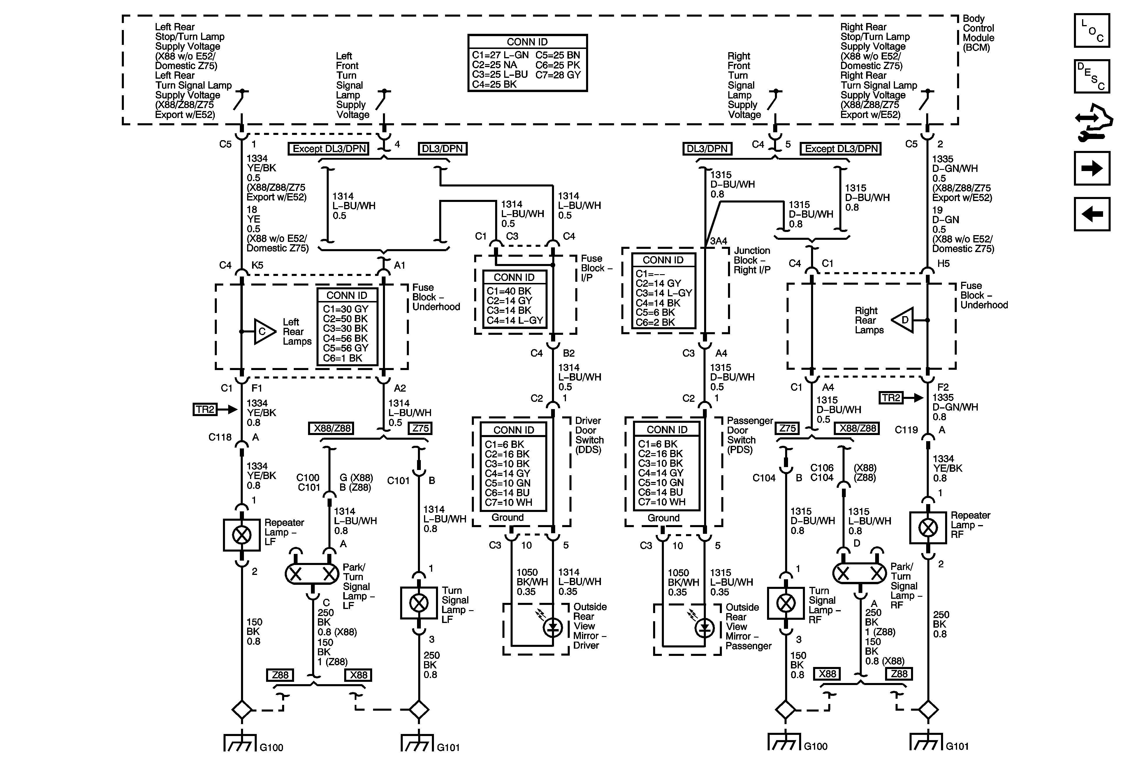
Left Rear Park Lamps


Object Number: 1704918  Size: FS
Master Electrical Component List
Exterior Lighting Systems Description and Operation
Control Module References
Right Rear Park Lamps
Park Lamp Controls and Front Park Lamps
Park Lamp Controls and Front Park Lamps
G401
G402 - E52
Figure 3:

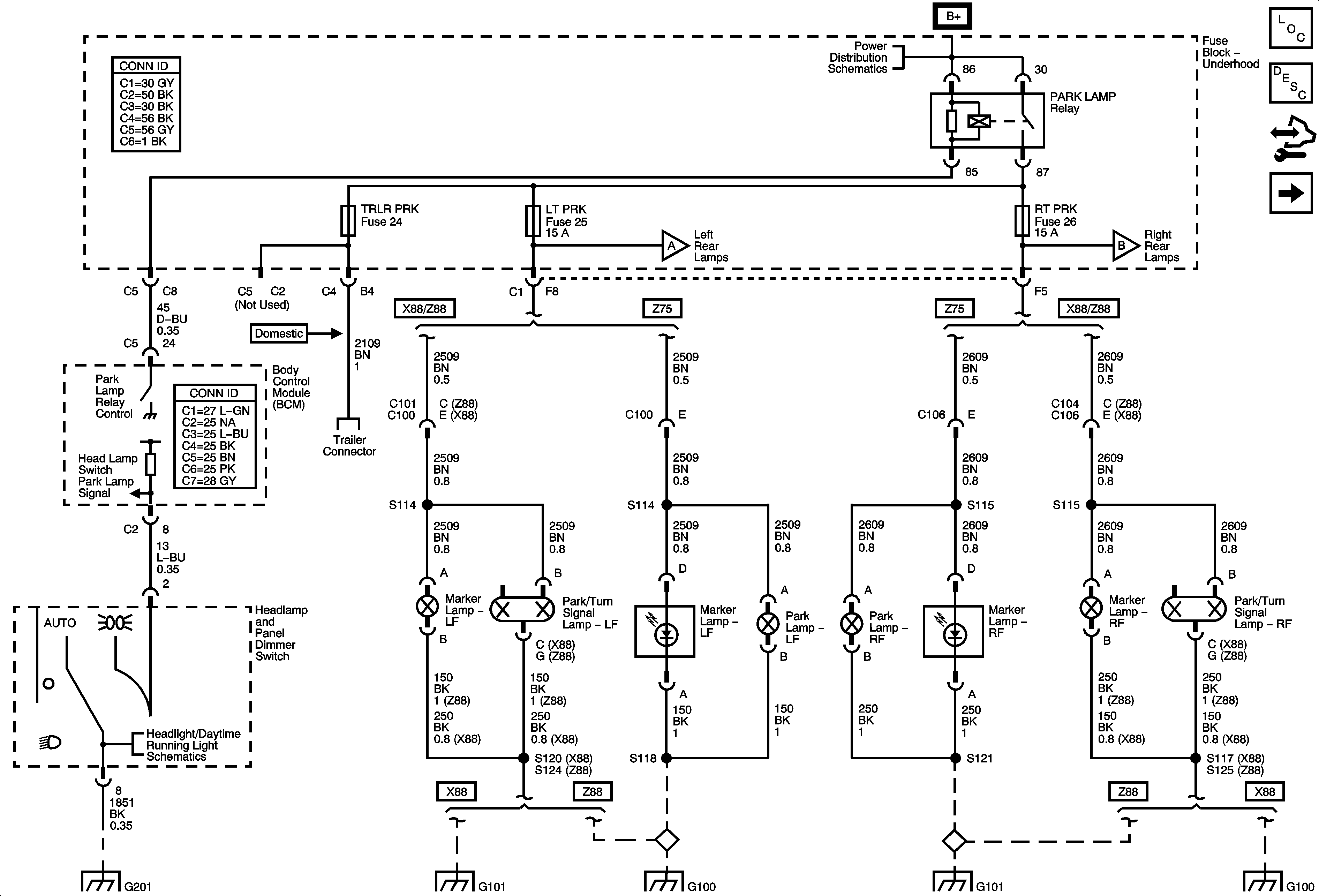
Right Rear Park Lamps


Object Number: 1704919  Size: FS
Master Electrical Component List
Exterior Lighting Systems Description and Operation
Control Module References
Exterior Illumination Lamps
Left Rear Park Lamps
Park Lamp Controls and Front Park Lamps
G400
Rear Turn Signal Lamps
Figure 4:

Exterior Illumination Lamps


Object Number: 1704920  Size: FS
Master Electrical Component List
Exterior Lighting Systems Description and Operation
Control Module References
Turn Signal Lamp Power and Control
Right Rear Park Lamps
Low Speed Bus - SP 200 - 2 of 3
Low Speed Bus - SP200 - 1 of 3
Figure 5:

Turn Signal Power and Control


Object Number: 1889872  Size: FS
Master Electrical Component List
Exterior Lighting Systems Description and Operation
Control Module References
Front Turn Signal Lamps
Exterior Illumination Lamps
B+ Bus - 1 of 3
B+ Bus - 1 of 3
G201
Figure 6:

Front Turn Lamps


Object Number: 1705146  Size: FS
Master Electrical Component List
Exterior Lighting Systems Description and Operation
Control Module References
Rear Turn Signal Lamps
Turn Signal Lamp Power and Control
Rear Turn Signal Lamps
Rear Turn Signal Lamps
G100
G101
G100
G101
Figure 7:

Rear Turn Signal Lamps


Object Number: 1705149  Size: FS
Master Electrical Component List
Exterior Lighting Systems Description and Operation
Control Module References
Stop Lamp Controls and CHMSL
Front Turn Signal Lamps
Front Turn Signal Lamps
Front Turn Signal Lamps
G401
Left Rear Park Lamps
Left Rear Park Lamps
G400
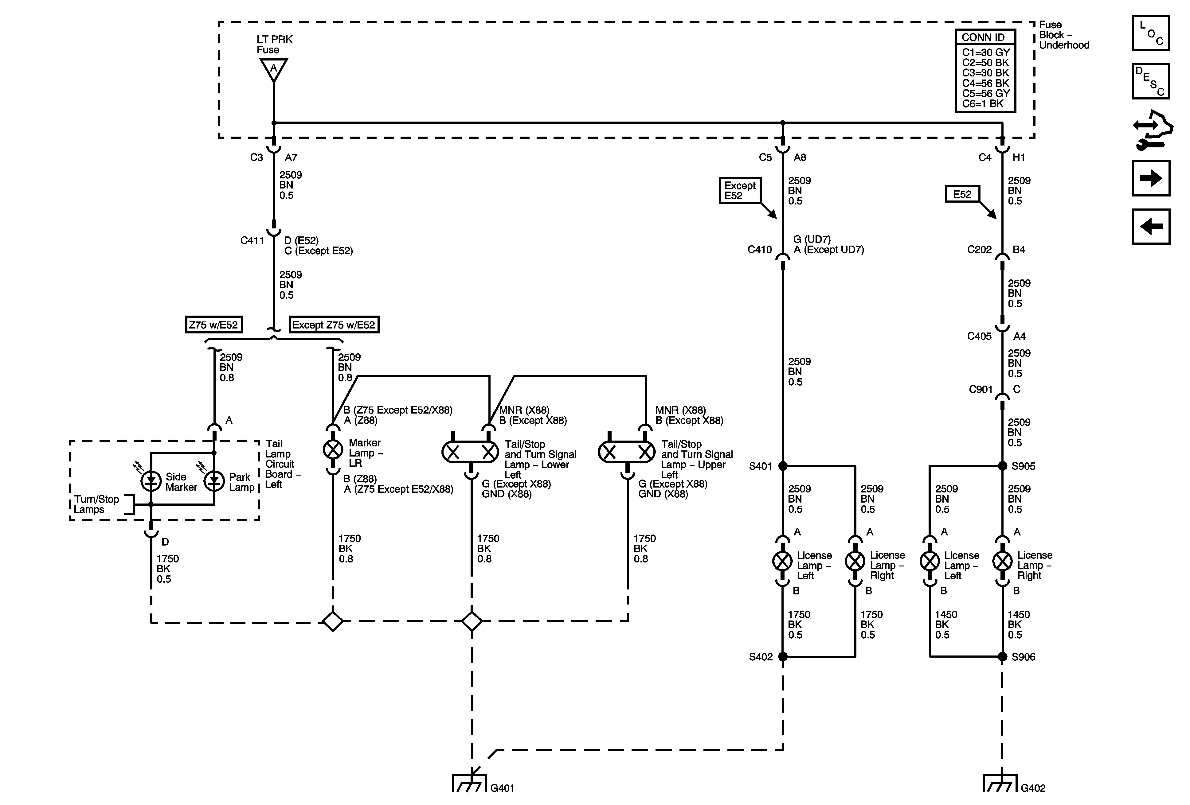
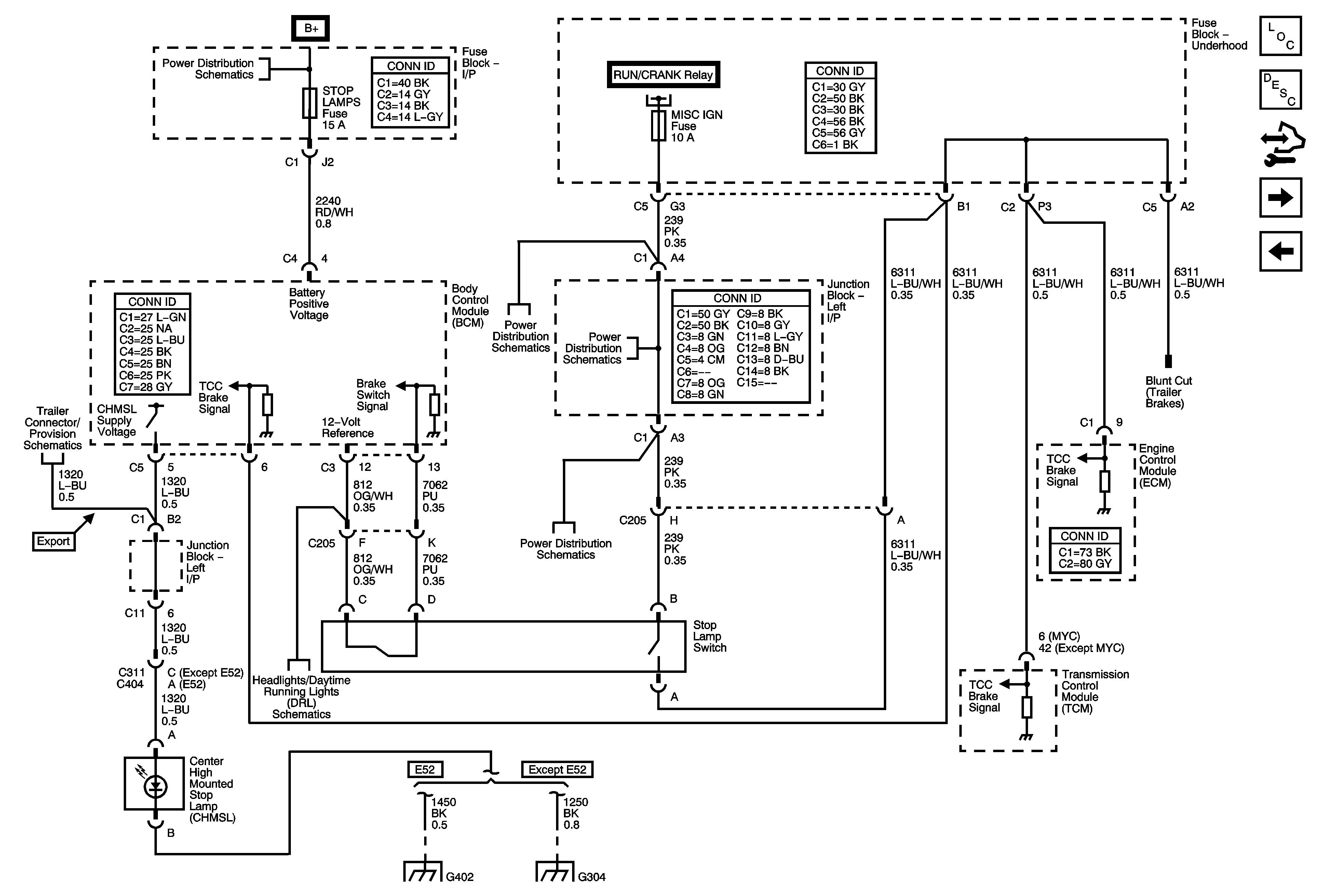
Figure 8:

Stop Lamp Control and CHMSL


Object Number: 1705631  Size: FS
Master Electrical Component List
Exterior Lighting Systems Description and Operation
Control Module References
Stop Lamps - X88/Z88 and Export Z75
Rear Turn Signal Lamps
B+ Bus - 1 of 3
Export Trailer Wiring - 2 of 2
Dimming Control and LED Dimming - 1 of 3
G402 - E52
G303, G304, and G305
RUN/CRANK Bus - AIRBAG IGN, MISC IGN, ans SEO/ALC Fuses
RUN/CRANK Bus - AIRBAG IGN, MISC IGN, ans SEO/ALC Fuses
RUN/CRANK Bus - AIRBAG IGN, MISC IGN, ans SEO/ALC Fuses
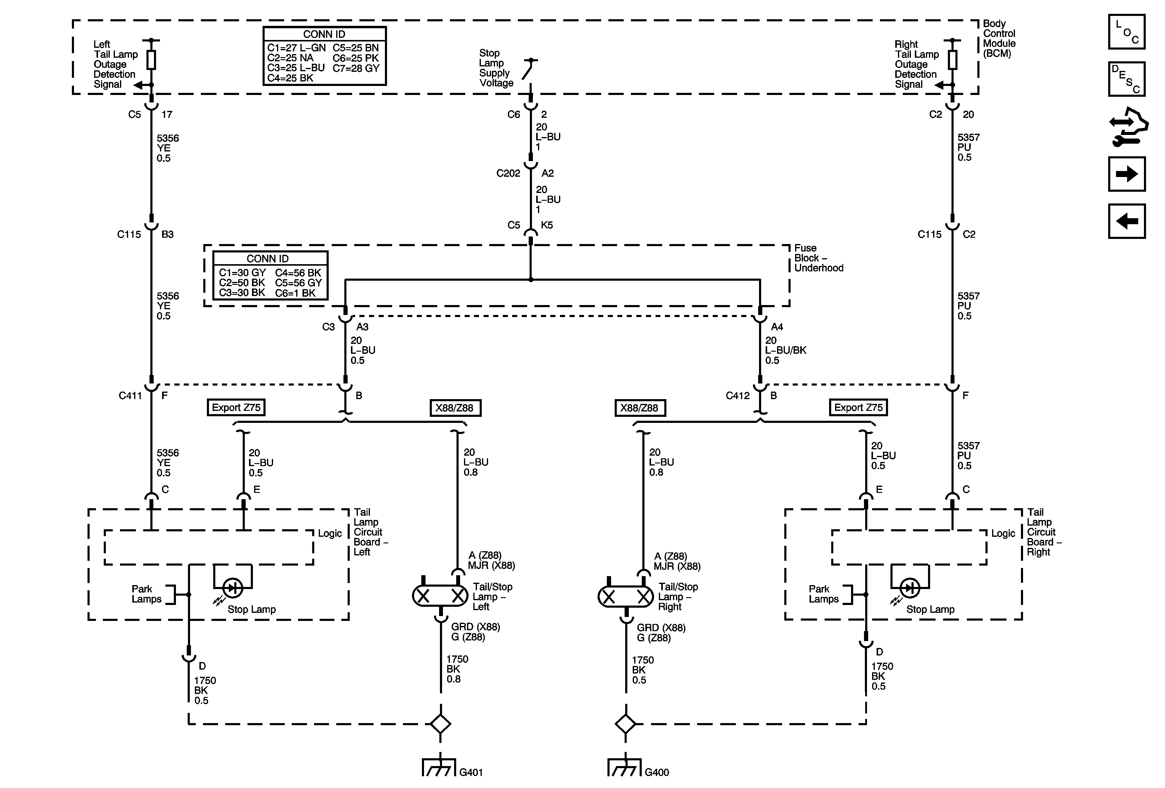
Figure 9:

Stop Lamps - X88/Z88 and Export Z75


Object Number: 1705632  Size: FS
Master Electrical Component List
Exterior Lighting Systems Description and Operation
Control Module References
Stop Lamps - Domestic Z75
Stop Lamp Controls and CHMSL
Left Rear Park Lamps
G401
G400
Left Rear Park Lamps
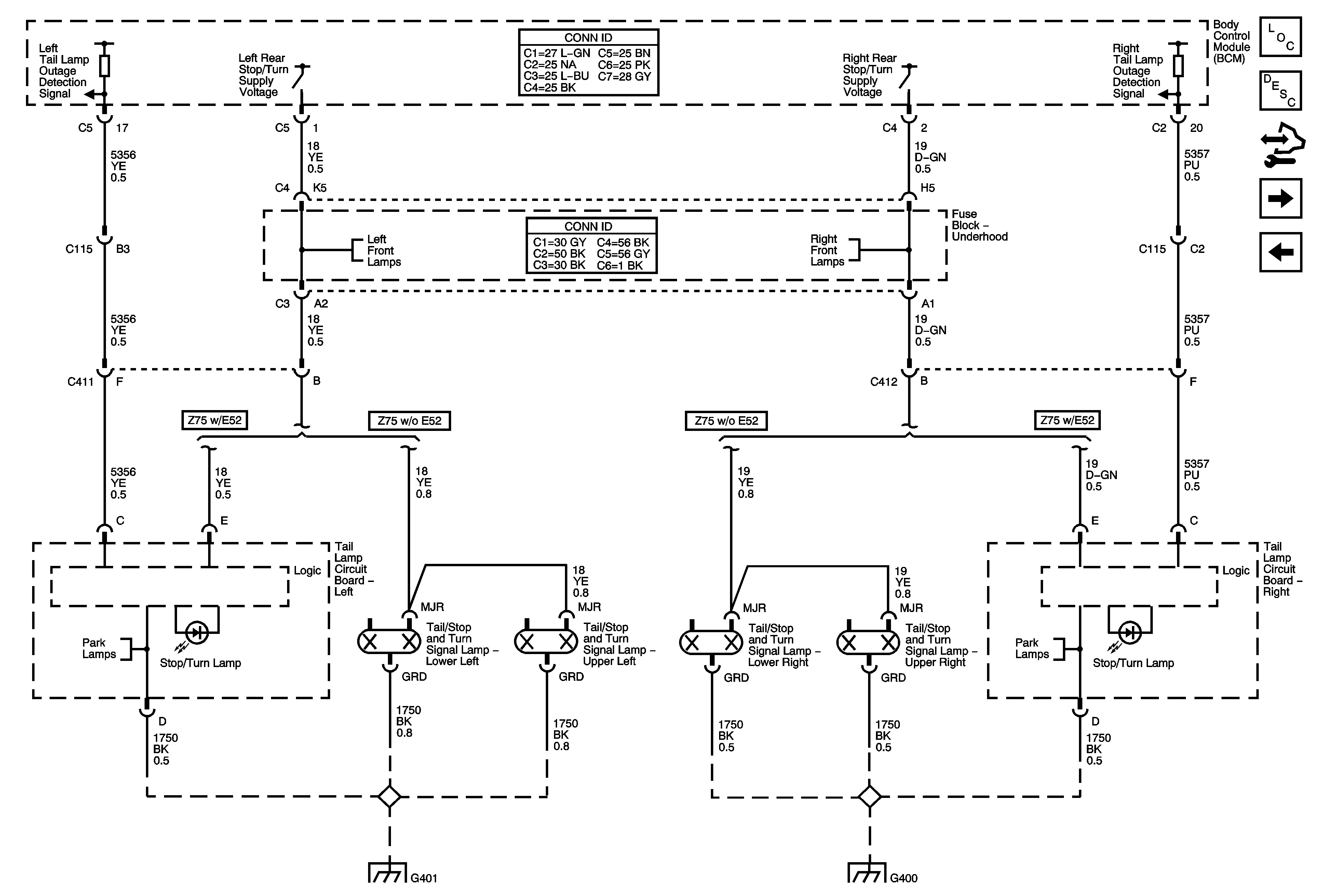
Figure 10:

Stop Lamps - Domestic Z75


Object Number: 1705633  Size: FS
Master Electrical Component List
Exterior Lighting Systems Description and Operation
Control Module References
Backup Lamps
Stop Lamps - X88/Z88 and Export Z75
Front Turn Signal Lamps
Front Turn Signal Lamps
Left Rear Park Lamps
G401
G400
Left Rear Park Lamps
Figure 11:

Backup Lamps


Object Number: 1705752  Size: FS
Master Electrical Component List
Exterior Lighting Systems Description and Operation
Control Module References
Stop Lamps - Domestic Z75
G102 and G108
B+ Bus - 1 of 3
TRLR BCK/UP, TRLR STOP LT, TRLR STOP RT, and VEH BCK/UP Fuses
G102 and G108
G401
G400
High Speed Bus - 1 of 2
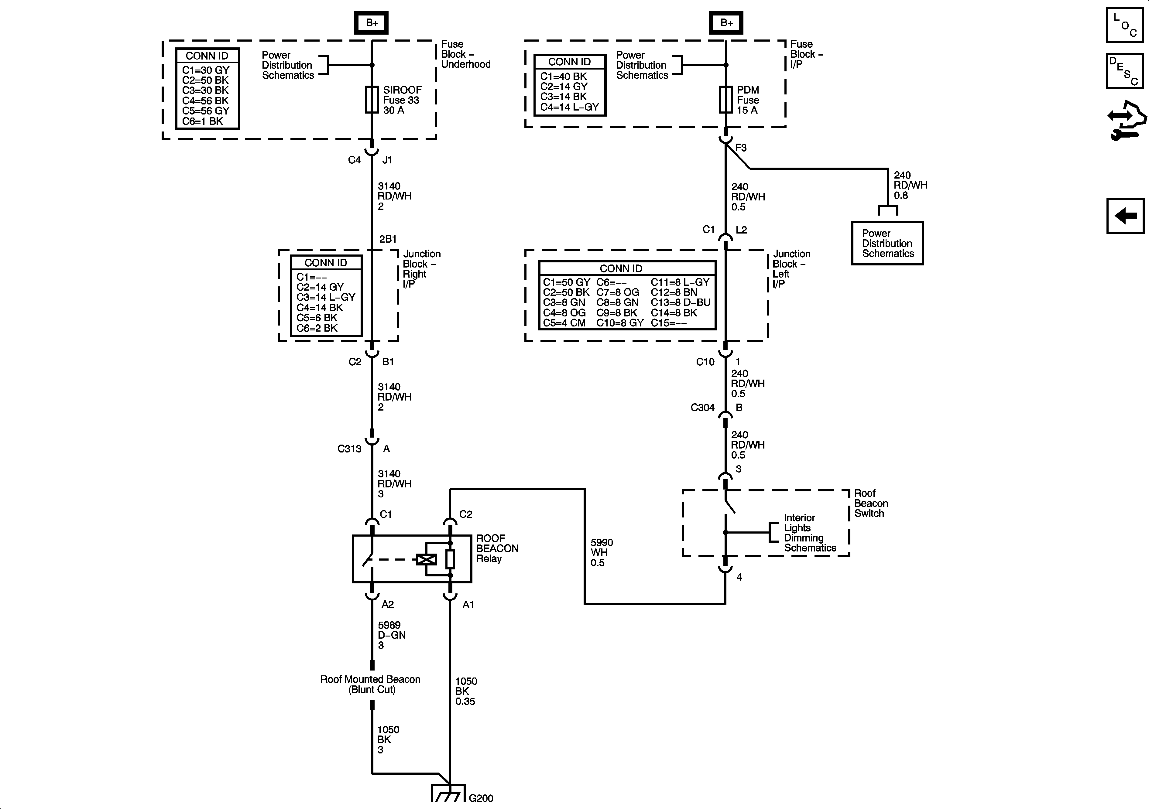
Figure 12:

Roof Beacon - TRW/5G4


Object Number: 1707062  Size: FS
Master Electrical Component List
Exterior Lighting Systems Description and Operation
Control Module References
Backup Lamps