GM Service Manual Online
For 1990-2009 cars only
Makes
🢒
Chevrolet
🢒
2007
🢒
Aveo HB
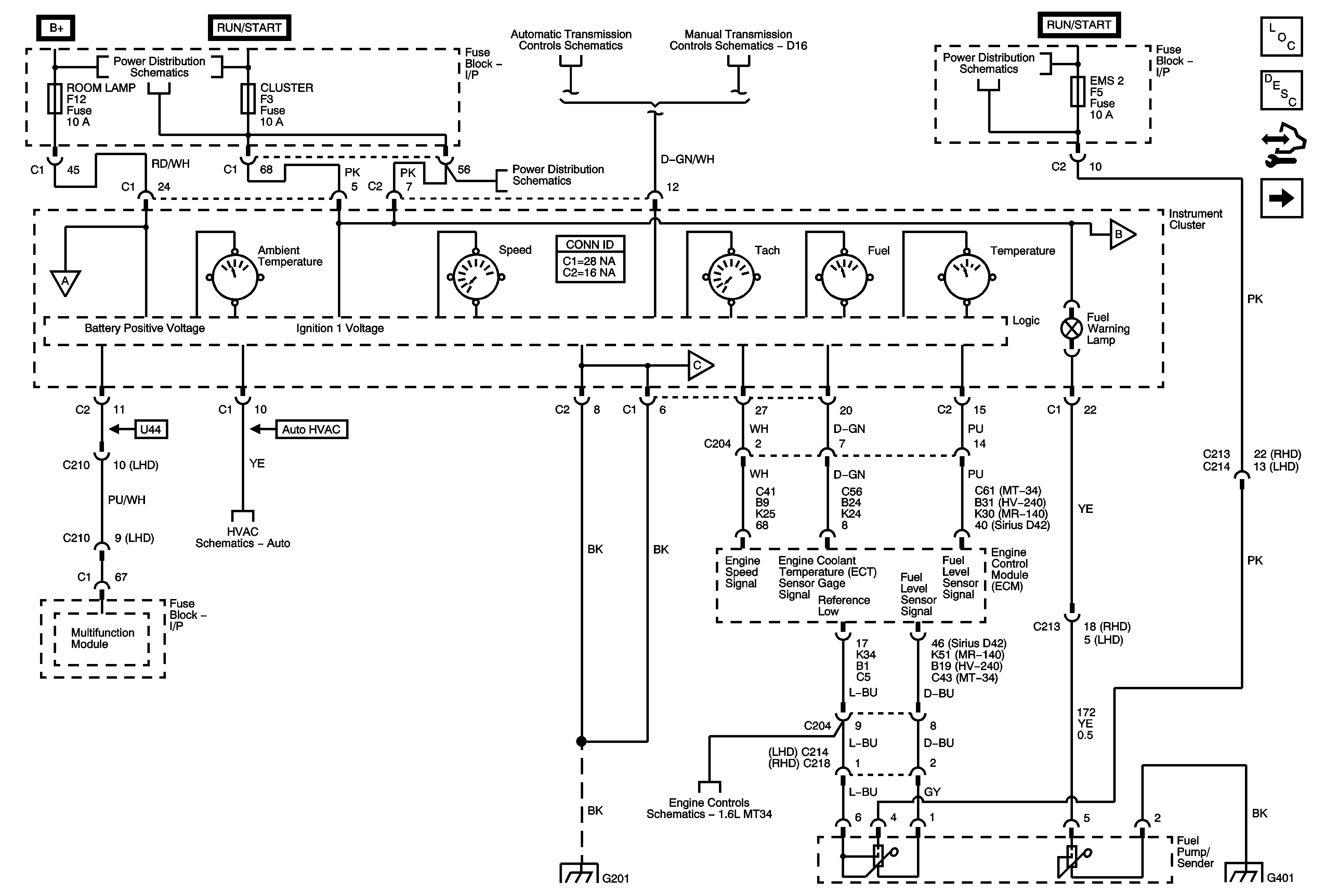
🢒 Instrument Cluster Power and Ground, Ambient Temperature, Engine Temperature, Fuel, Speed Gages
Instrument Cluster Power and Ground, Ambient Temperature, Engine Temperature, Fuel, Speed Gages
Instrument Cluster Power and Ground, Ambient Temperature, Engine Temperature, Fuel, Speed Gages
Master Electrical Component List Notchback
Instrument Panel Description
Control Module References
Turn, High Beam, Fog Indicators, Instrument Cluster Illumination
IGN 2/ST Fuse, Ignition Switch, CIGAR, AUDIO/CLOCK, CLUSTER, T/SIG Fuses
Transmission Control Module (TCM) Power and Ground Distribution, Serial Data and Shift Program Switch
Manual Transaxle Schematics
SDM, EMS 1, EMS 2 Fuses
IGN 2/ST Fuse, Ignition Switch, CIGAR, AUDIO/CLOCK, CLUSTER, T/SIG Fuses
Charge, Brake, MIL, Seat Belt, Air Bag, Oil Pressure, HOLD, ABS, Door Open Indicators
Charge, Brake, MIL, Seat Belt, Air Bag, Oil Pressure, HOLD, ABS, Door Open Indicators
Turn, High Beam, Fog Indicators, Instrument Cluster Illumination
HVAC Control, HVAC Sensors
Power, Ground, MIL, Serial Data
G201 - 1 of 3
G401, G402