GM Service Manual Online
For 1990-2009 cars only
Makes
🢒
Chevrolet
🢒
2005
🢒
Blazer - 4WD
🢒 Engine Data Sensors - Pressure, Temperature and VSS
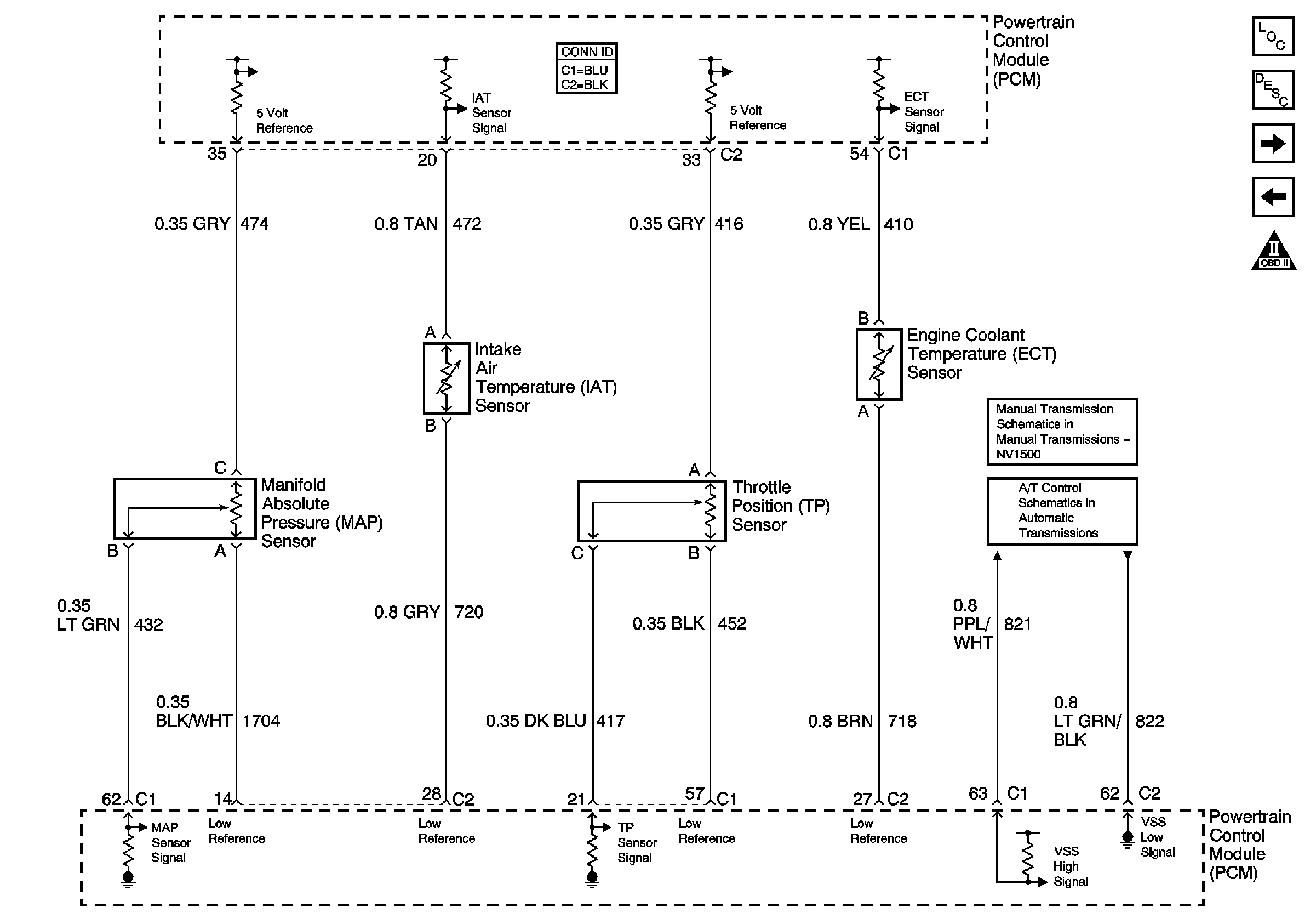
Engine Data Sensors - Pressure, Temperature and VSS
Engine Data Sensors - Pressure, Temperature and VSS
Master Electrical Component List
Air Intake System Description
Oxygen Sensors
Module Power, Ground, Serial Data and MIL
OBD II Symbol Description Notice
Vehicle Speed Sensor - VSS
Brake Switch, VSS Inputs - 2.2L