GM Service Manual Online
For 1990-2009 cars only
Makes
🢒
Chevrolet
🢒
2000
🢒
Blazer - 4WD - RHD
🢒
Engine
🢒
Engine Electrical
🢒 Starting and Charging Schematics
Figure
1:
Starting System
Engine Electrical Components
Starting System Circuit Description
Charging System
B+ Bus Bar
Power and Grounding Connector End Views
Ign RUN and START Bus Bar
Front Drive Axle Clutch Solenoid, 4WD Indicator Switch and Speed Sensors
Shift Lock Control Connector End Views
G102
B+ Bus Bar
G102
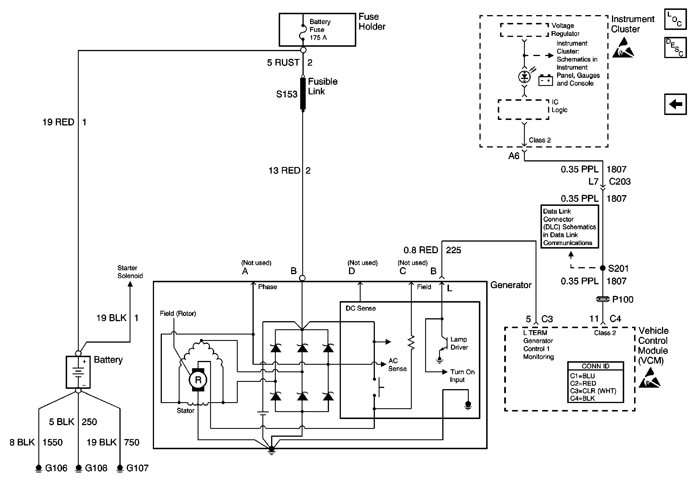
Figure
2:
Charging System
Engine Electrical Components
Charging System Description
Starting System
Power
Handling ESD Sensitive Parts Notice
S201
VCM Connector End Views
Handling ESD Sensitive Parts Notice