GM Service Manual Online
For 1990-2009 cars only
Makes
🢒
Chevrolet
🢒
2000
🢒
Blazer - 4WD - RHD
🢒 Power
Power
Power
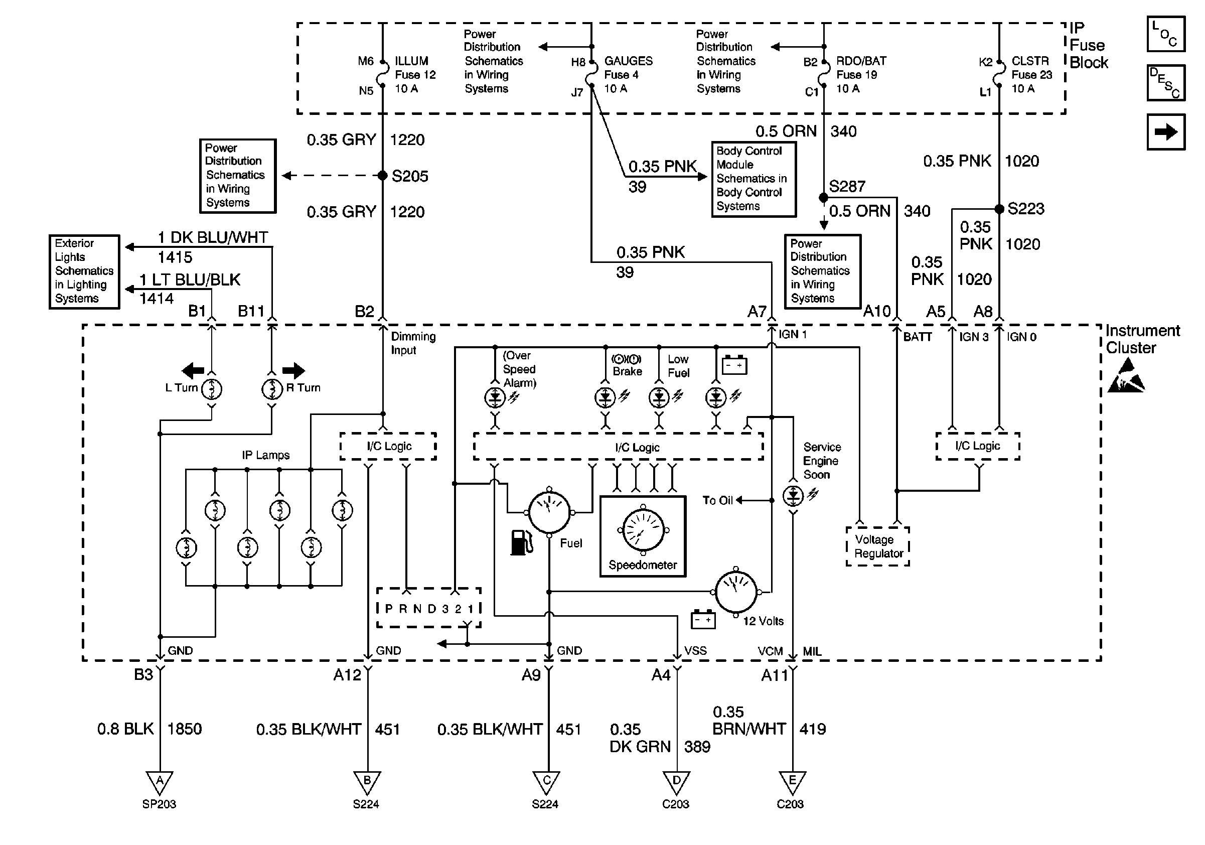
Instrument Cluster Components
Instrument Cluster Description
Data Link Connector (DLC), VCM and Engine Oil Pressure Gauge Sensor
Ign START, RUN and ACC Bus Bar
RDO BAT and AUX PWR Fuses
ILLUM and PARK LP Fuses
Hazard Switch, TURN, and HAZ LP Fuses
Power and Ground
RDO BAT and AUX PWR Fuses
Handling ESD Sensitive Parts Notice
Ground and VCM
Ground and VCM
Ground and VCM
Ground and VCM
Ground and VCM