GM Service Manual Online
For 1990-2009 cars only
Figure 1:

Body Control Module, Ignition Switch and Instrument Cluster


Object Number: 506888  Size: FS
Body Control Module Components
Body Control System Circuit Description
Body Control Module and RAP Components
Handling ESD Sensitive Parts Notice
Fusible Links, CIG/ACCY, ENG CTRL, IGN, I/P-1, I/P-2, and PWR ACCY Fuses
Power Distribution Schematics
Power Distribution Schematics
Body Control Module (BCM) and Ignition Switch
Instrument Cluster Indicators
G200 Splice S220
G400 Splice S470
Figure 2:

Body Control Module and RAP Components


Object Number: 506893  Size: FS
Body Control Module Components
Body Control System Circuit Description
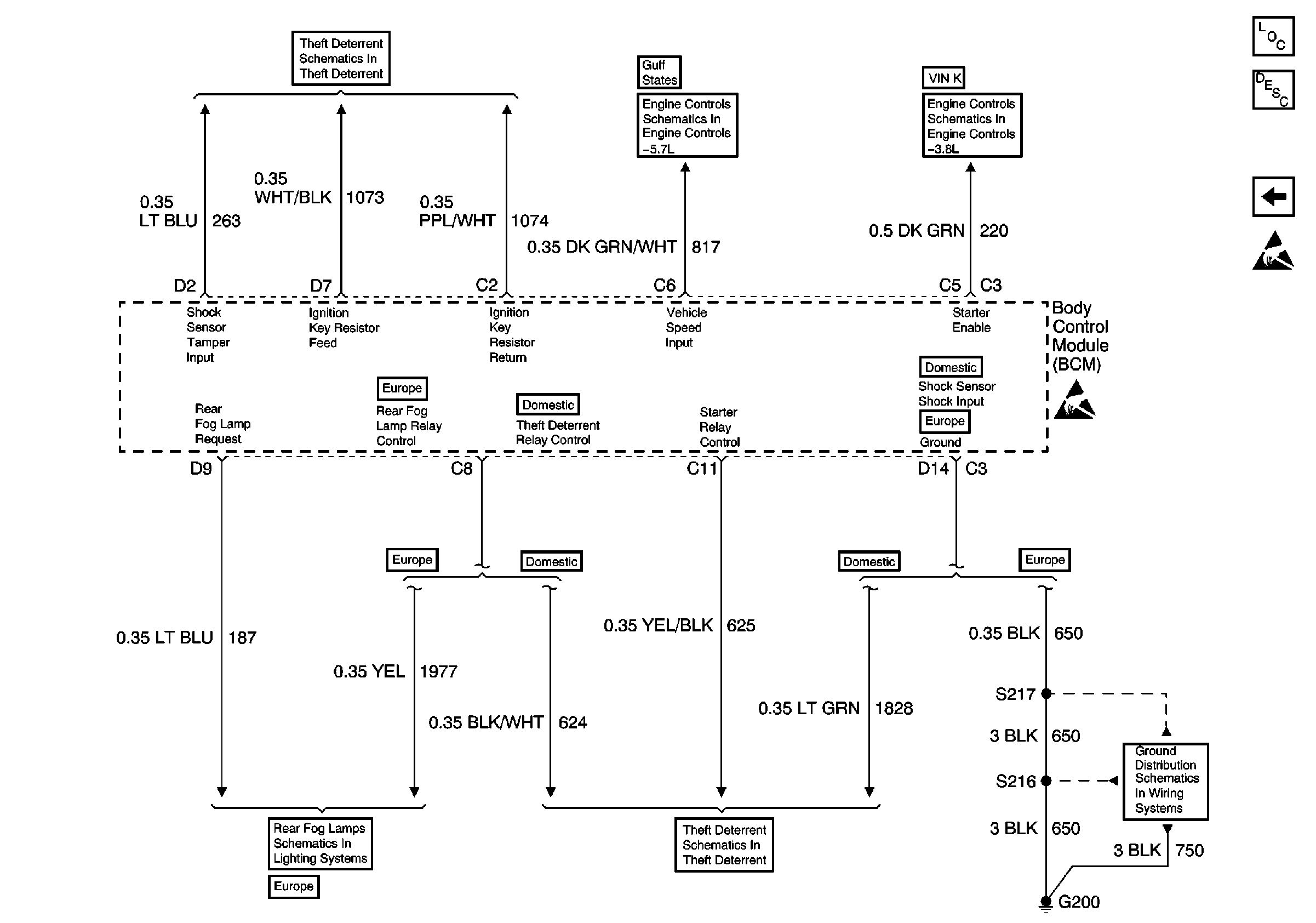
Body Control Module and Switch Inputs
Body Control Module, Ignition Switch and Instrument Cluster
Handling ESD Sensitive Parts Notice
SIR Handling Caution
Figure 3:

Body Control Module and Switch Inputs


Object Number: 506895  Size: FS
Body Control Module Components
Body Control System Circuit Description
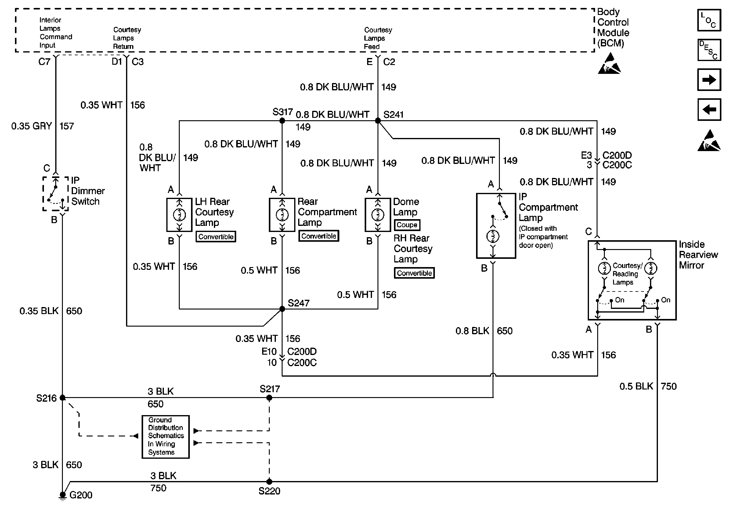
Body Control Module and Courtesy Lamps
Body Control Module and RAP Components
Handling ESD Sensitive Parts Notice
Instrument Cluster Illumination and Indicators
G200 Splice S216
G200 Splice S220
Figure 4:

Body Control Module and Courtesy Lamps


Object Number: 506900  Size: FS
Body Control Module Components
Body Control System Circuit Description
Body Control Module System Outputs
Body Control Module and Switch Inputs
Handling ESD Sensitive Parts Notice
G200 Splice S220
Figure 5:

Body Control Module System Outputs


Object Number: 506902  Size: FS
Body Control Module Components
Body Control System Circuit Description
Body Control Module System Inputs and Outputs
Body Control Module and Courtesy Lamps
Handling ESD Sensitive Parts Notice
BCM and Fuel Pump
Fuel Pump Controls
Horn Schematics
Taillamps, Tail/Stop Lamps, Tail/Stop/Turn Lamps, Side Marker Lamps, License Lamp
Chevrolet
Chevrolet: Taillamps, License Lamp, Tail/Stop Lamps
Body Control Module, Rear Release Actuator, Relay, and Switch
Body Control Module and Switch Inputs
Body Control Module and Door Lock Switches
Figure 6:

Body Control Module System Inputs and Outputs


Object Number: 506906  Size: FS
Body Control Module Components
Body Control System Circuit Description
Body Control Module System Outputs
Handling ESD Sensitive Parts Notice
Theft Deterrent System Schematics
BCM, Cruise Control Module, EBCM, IPC, Radio, and VSS
Fuel Pump Controls
Chevrolet: Rear Fog Lamps
Theft Deterrent System Schematics
G200 Splice S220