GM Service Manual Online
For 1990-2009 cars only
Makes
🢒
Chevrolet
🢒
2000
🢒
Camaro
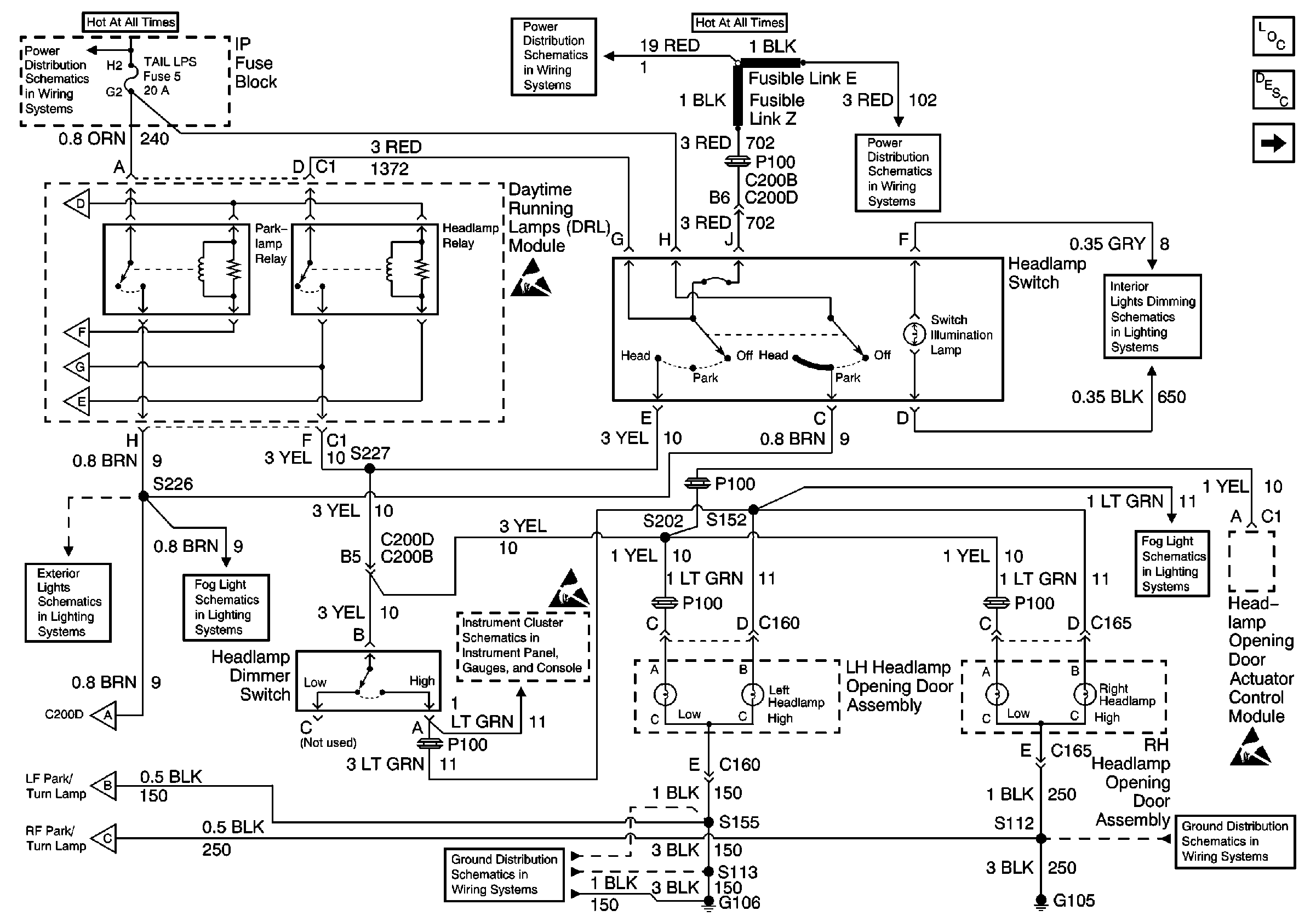
🢒 DRL Module, Headlamp Opening Door Assembly
DRL Module, Headlamp Opening Door Assembly
DRL Module, Headlamp Opening Door Assembly
Lighting Systems Components
Headlights/Daytime Running Lights (DRL) Circuit Description Pontiac Domestic
DRL Module, Park/Turn Lamps
Headlamp Switch and IP Dimmer Switch
Fog Lamp Switch, Fog Lamps
G105
Fusible Links, CIG/ACCY, ENG CTRL, IGN, I/P-1, I/P-2, and PWR ACCY Fuses
Fusible Links, CIG/ACCY, ENG CTRL, IGN, I/P-1, I/P-2, and PWR ACCY Fuses
Instrument Cluster Illumination and Indicators
G106
Turn/Hazard Switch, Turn Indicators
Turn/Hazard Switch, Turn Indicators
DRL Module, Park/Turn Lamps
DRL Module, Side Marker Lamps, Park/Turn Lamps, Fog Lamp Relay
Fog Lamp Switch, Fog Lamps
DRL Module, Park/Turn Lamps
DRL Module, Park/Turn Lamps
DRL Module, Park/Turn Lamps
DRL Module, Park/Turn Lamps
TAIL LPS and STOP/HAZARD Fuses