GM Service Manual Online
For 1990-2009 cars only
Makes
🢒
Chevrolet
🢒
2000
🢒
Camaro
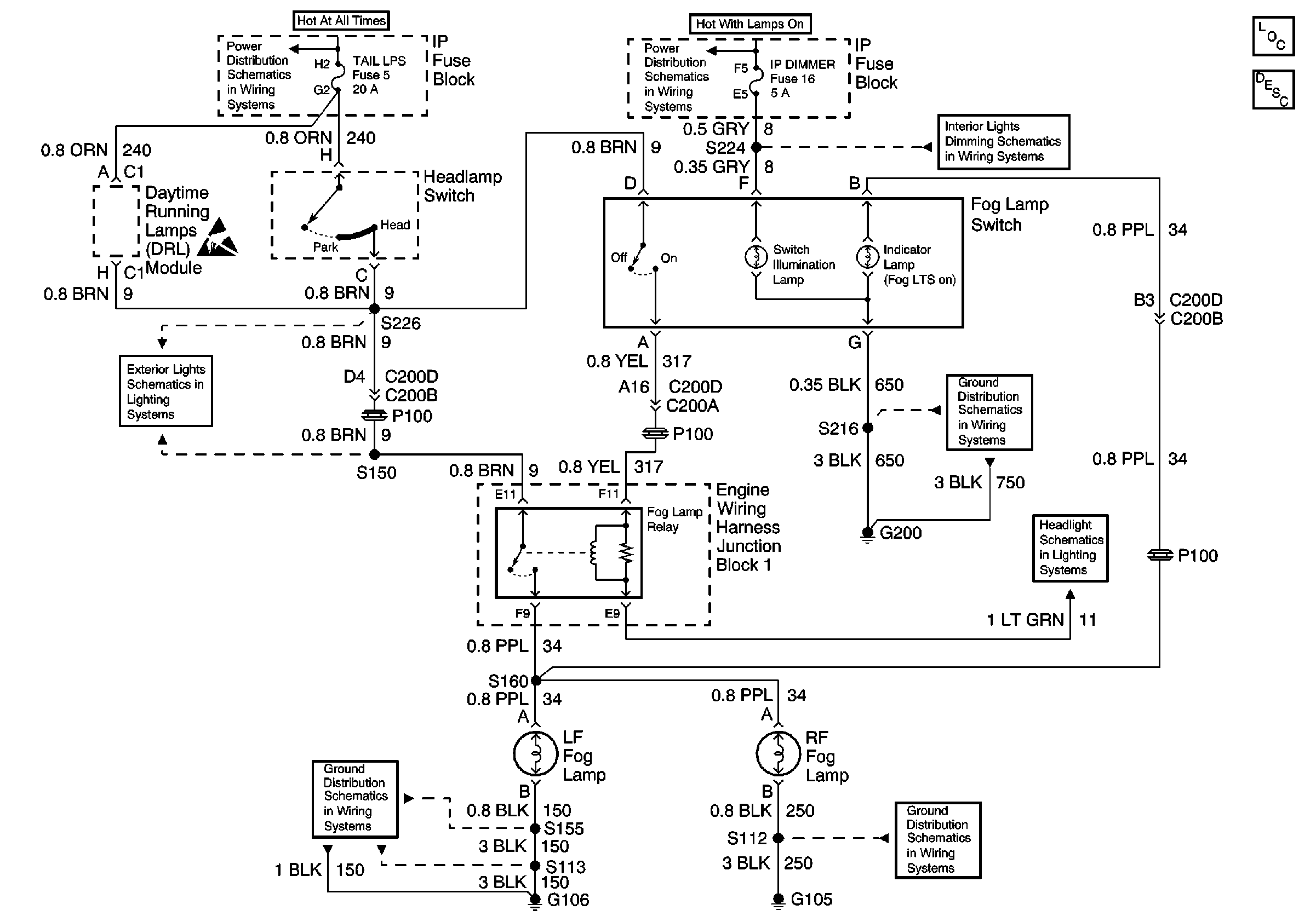
🢒 Fog Lamp Switch, Fog Lamps
Fog Lamp Switch, Fog Lamps
Fog Lamp Switch, Fog Lamps
Lighting Systems Components
Fog Lights Circuit Description
Interior Illumination Lamps 1 of 2
G200 Splice S216
DRL Module, Headlamp Opening Door Assembly
G105
IP DIMMER and STG WHL CNTRL Fuses
G106
DRL Module, Side Marker Lamps, Park/Turn Lamps, Fog Lamp Relay
Handling ESD Sensitive Parts Notice
TAIL LPS and STOP/HAZARD Fuses