GM Service Manual Online
For 1990-2009 cars only
Makes
🢒
Chevrolet
🢒
2000
🢒
Chevrolet C-Series Medium Duty Truck B7
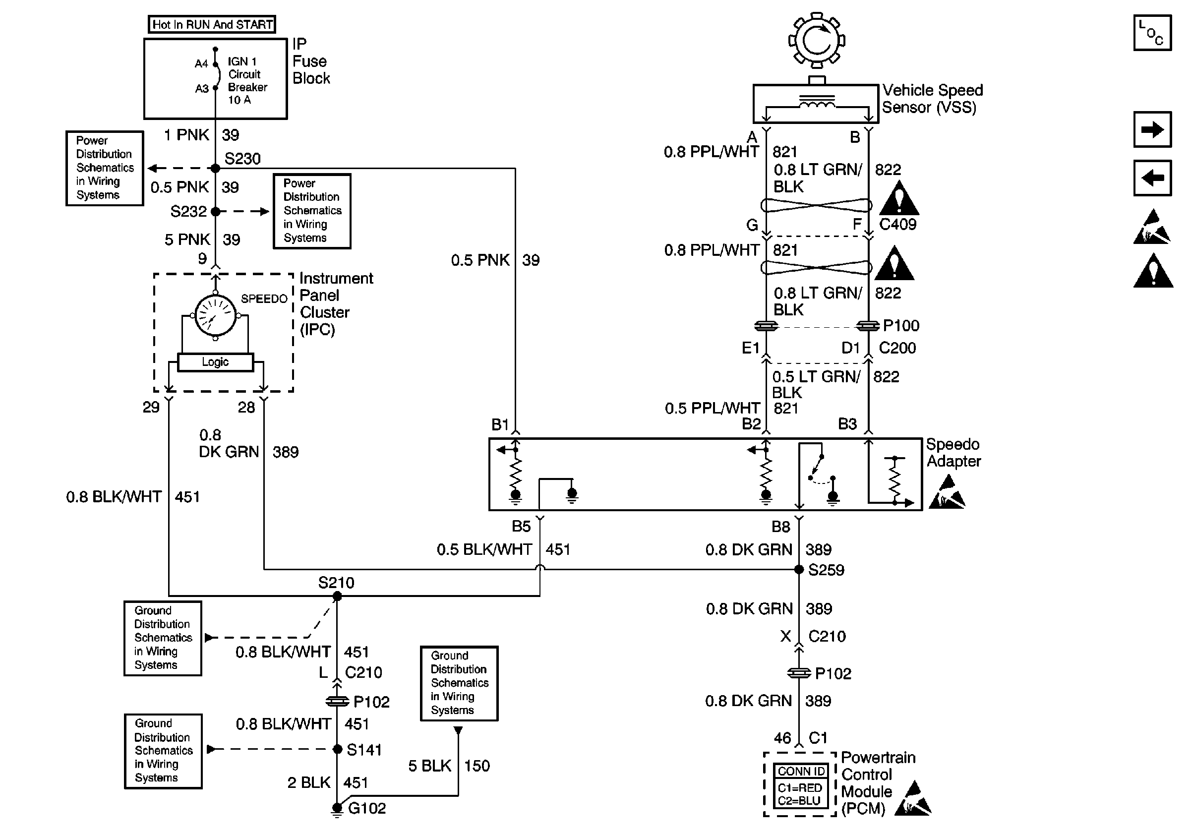
🢒 VSS
VSS
VSS
Engine Controls Components
EGR and EVAP Valves
HO2S and MAF Sensor
Handling ESD Sensitive Parts Notice
Splicing Twisted or Shielded Cable
IGN 1 Circuit Breaker (1 of 2)
IGN 1 Circuit Breaker (2 of 2)
Splicing Twisted or Shielded Cable
Splicing Twisted or Shielded Cable
Handling ESD Sensitive Parts Notice
Gasoline Engine, S141 and S210
Gasoline Engine, S141 and S210
Gasoline Engine, G102
Powertrain Control Module Connector End Views
Handling ESD Sensitive Parts Notice