GM Service Manual Online
For 1990-2009 cars only
Makes
🢒
Chevrolet
🢒
2002
🢒
Chevrolet C-Series Medium Duty Truck B7
🢒
Brakes
🢒
Air Brakes
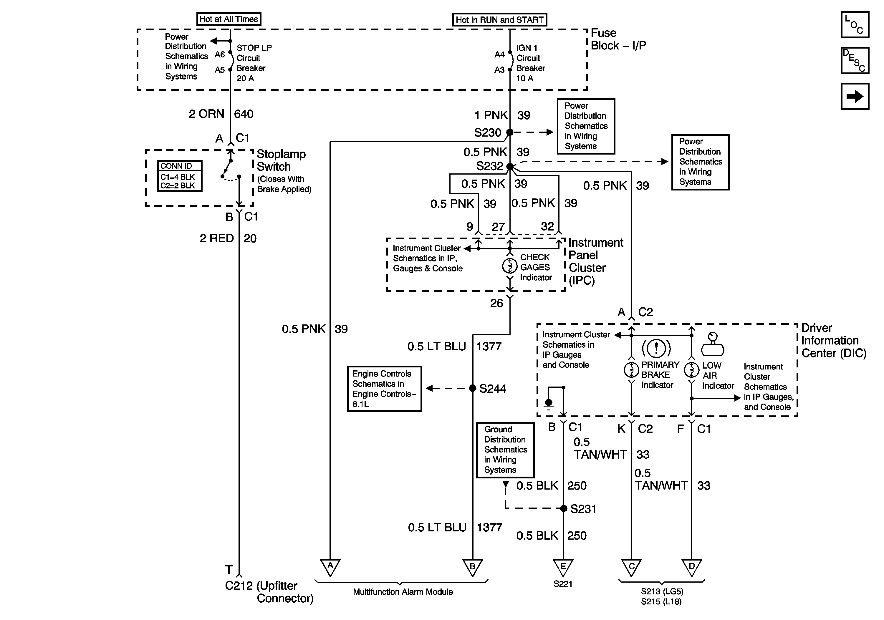
🢒 Air Brake Warning System Schematics
Figure
1:
Driver Information Center (DIC), IPC, Fuse Block -- I/P, Stop Lamp Switch
Battery and BRK, HORNS, and STOP LP Circuit Breakers, HD LP SW, HORN/STOP and IGN SW 1 Fuses
Instrument Cluster Schematics - IPC, Check Ind, ECT, and EOP Gages
Power Distribution Schematics - IGN 1 Circuit Breaker, S225, S226, S230
Master Electrical Component List
Brake Warning System Description and Operation
Air Brake Warning System Schematics - DIC, IPC, Fuse Block - I/P, St/LP02 MD-B7 Air Brake Warning System Schematics - LAP SW, Multifunction Alarm Mod.
Power Distribution Schematics - IGN 1 Circuit Breaker, S232, S243
Engine Controls Schematics - Automatic Engine Shutdown and Warning
Instrument Cluster Schematics - DIC, ABS, CHG OIL, DRL, EOS and HI Ind.
Instrument Cluster Schematics - DIC, ABS, CHG OIL, DRL, EOS and HI Ind.
Ground Distribution Schematics - S105, S261, and S231
Air Brake Warning System Schematics - DIC, IPC, Fuse Block - I/P, St/LP02 MD-B7 Air Brake Warning System Schematics - LAP SW, Multifunction Alarm Mod.
Air Brake Warning System Schematics - DIC, IPC, Fuse Block - I/P, St/LP02 MD-B7 Air Brake Warning System Schematics - LAP SW, Multifunction Alarm Mod.
Air Brake Warning System Schematics - DIC, IPC, Fuse Block - I/P, St/LP02 MD-B7 Air Brake Warning System Schematics - LAP SW, Multifunction Alarm Mod.
Air Brake Warning System Schematics - DIC, IPC, Fuse Block - I/P, St/LP02 MD-B7 Air Brake Warning System Schematics - LAP SW, Multifunction Alarm Mod.
Air Brake Warning System Schematics - DIC, IPC, Fuse Block - I/P, St/LP02 MD-B7 Air Brake Warning System Schematics - LAP SW, Multifunction Alarm Mod.
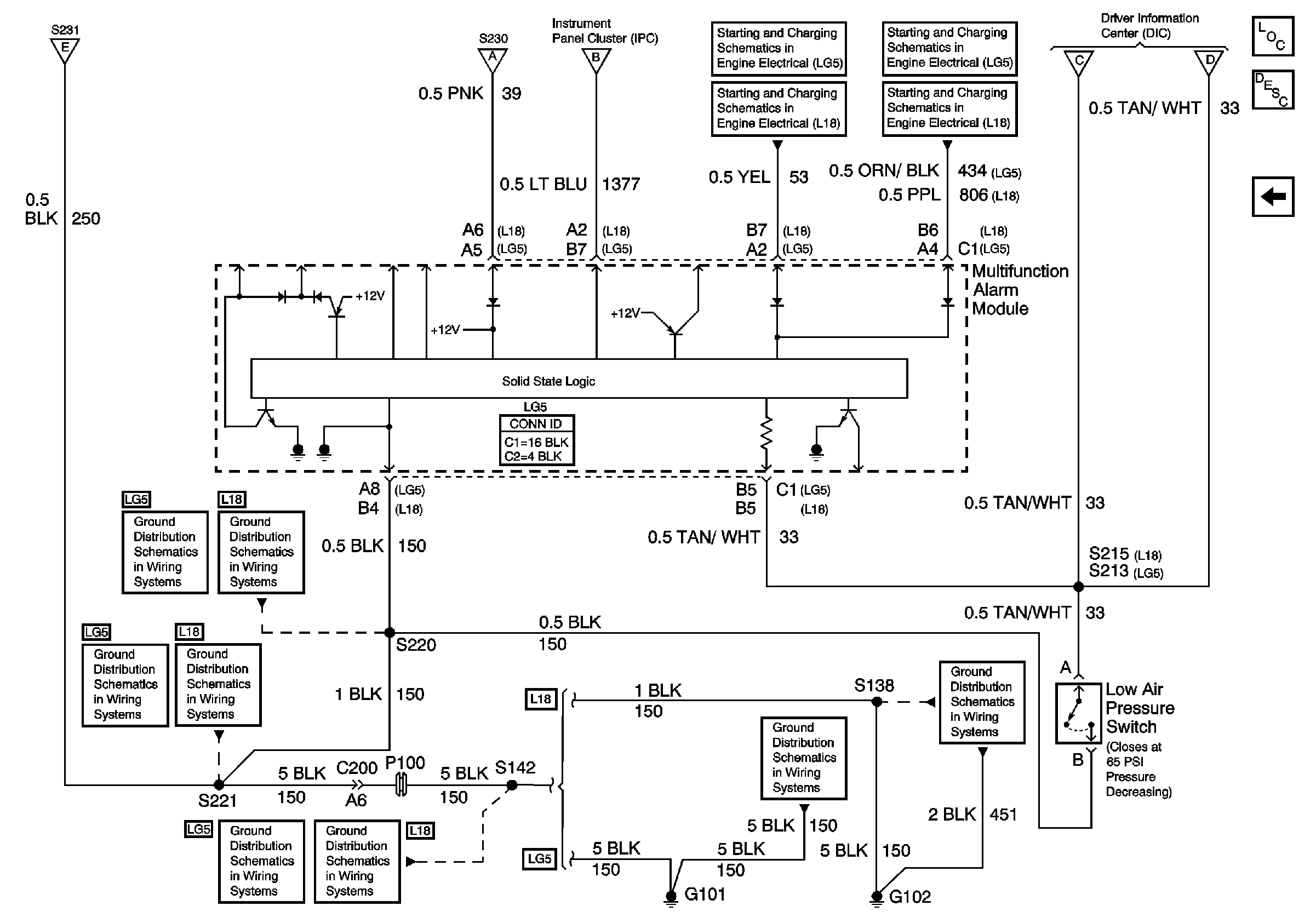
Figure
2:
Low Air Pressure Switch, Multifunction Alarm Module
Air Brake Warning System Schematics -DIC, IPC, Fuse Block- I/P, Stoplamp Switch
Air Brake Warning System Schematics -DIC, IPC, Fuse Block- I/P, Stoplamp Switch
Air Brake Warning System Schematics -DIC, IPC, Fuse Block- I/P, Stoplamp Switch
Starting and Charging Schematics - LG5 Charging Circuit
Starting and Charging Schematics - L18 Charging Circuit
Starting and Charging Schematics - LG5 Charging Circuit
Starting and Charging Schematics - L18 Starting Circuit
Air Brake Warning System Schematics -DIC, IPC, Fuse Block- I/P, Stoplamp Switch
Air Brake Warning System Schematics -DIC, IPC, Fuse Block- I/P, Stoplamp Switch
Master Electrical Component List
Brake Warning System Description and Operation
Air Brake Warning System Schematics -DIC, IPC, Fuse Block- I/P, Stoplamp Switch
Ground Distribution Schematics - S220, S229 LG5
02Ground Distribution Schematics - G108, and S220 L18
Ground Distribution Schematics - G108, G207, G208 and S221 LG5
Ground Distribution Schematics - S142, S178, S179, S405 and S409 L18
Ground Distribution Schematics - S142 and S241 LG5
Ground Distribution Schematics - S142, S178, S179, S405 and S409 L18
Ground Distribution Schematics - G101, S138, S405 and S409 L18
Ground Distribution Schematics - G102, and S138 L18