GM Service Manual Online
For 1990-2009 cars only
Makes
🢒
Chevrolet
🢒
2002
🢒
Chevrolet C-Series Medium Duty Truck B7
🢒 Terminals 6, 7, 12 and 15 (LG5)
Terminals 6, 7, 12 and 15 (LG5)
Terminals 6, 7, 12 and 15 (LG5)
Master Electrical Component List
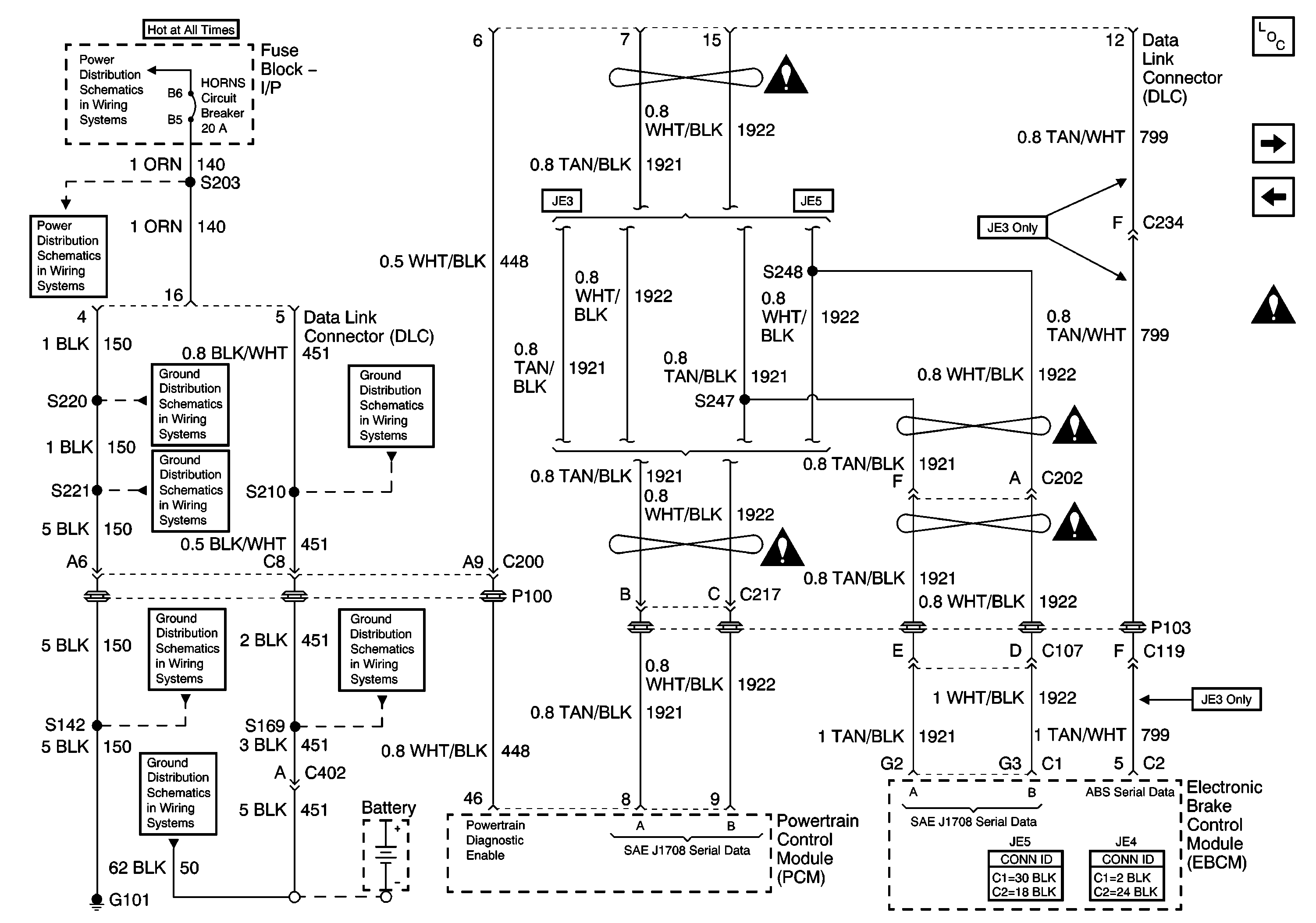
Data Link Communications Description and Operation
Terminal 2 (LG5)
L18
Data Link Communications Schematic Icons
HAZ, HORNS, PNL, STOP LP and TL/MKR Circuit Breakers
HAZ, HORNS, PNL, STOP LP and TL/MKR Circuit Breakers
S220, S229 (LG5 - Late)
G108, G207, G208 and S221 (LG5)
G100, G101, G103, G107, G117, G119, G120, G121, G124, G400, G401, G405,G412, G413 and G414, S170
S169, S210, S411 and S 414 (LG5)
S169, S210, S411 and S 414 (LG5)
Data Link Communications Schematic Icons
Data Link Communications Schematic Icons
Data Link Communications Schematic Icons
Data Link Communications Schematic Icons
S142 and S241 (LG5)