GM Service Manual Online
For 1990-2009 cars only
Makes
🢒
Chevrolet
🢒
2002
🢒
Chevrolet C-Series Medium Duty Truck B7
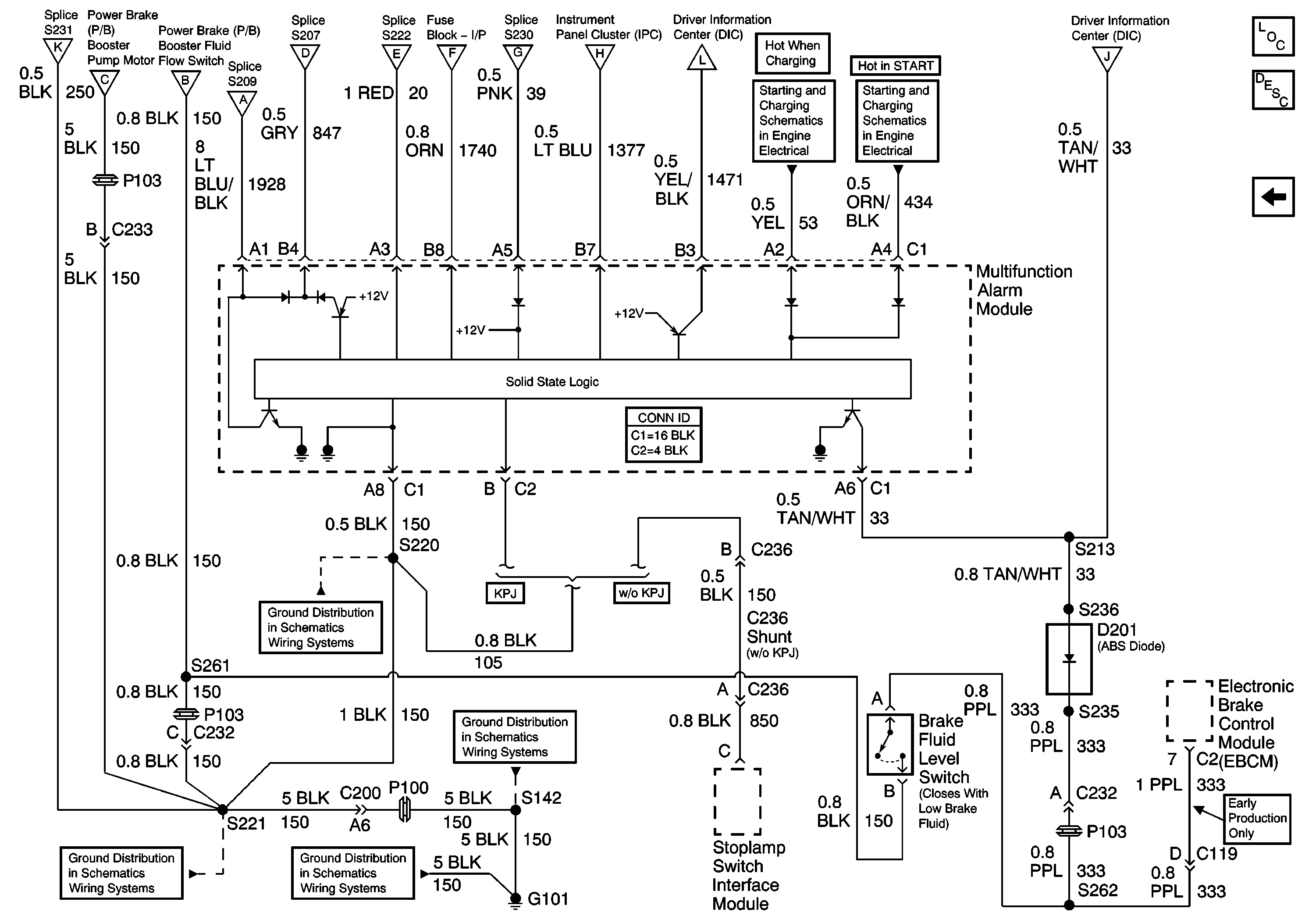
🢒 Brake Fluid Level Switch, D201 (ABS Diode), Electronic Brake Control Module (EBCM), Multifunction Alarm Module, Stoplamp Switch Interface Module (LG5)
Brake Fluid Level Switch, D201 (ABS Diode), Electronic Brake Control Module (EBCM), Multifunction Alarm Module, Stoplamp Switch Interface Module (LG5)
Brake Fluid Level Switch, D201 (ABS Diode), Electronic Brake Control Module (EBCM), Multifunction Alarm Module, Stoplamp Switch Interface Module (LG5)
Master Electrical Component List
Brake Warning System Description and Operation
Driver Information Center, IPC, Fuse Block - I/P, Power Brake(P/B) Booster Fluid Flow Switch, P/B Booster Pump and Motor, P/B Booster Pump Relay, Stoplamp Switch (LG5)
Driver Information Center, IPC, Fuse Block - I/P, Power Brake(P/B) Booster Fluid Flow Switch, P/B Booster Pump and Motor, P/B Booster Pump Relay, Stoplamp Switch (LG5)
Driver Information Center, IPC, Fuse Block - I/P, Power Brake(P/B) Booster Fluid Flow Switch, P/B Booster Pump and Motor, P/B Booster Pump Relay, Stoplamp Switch (LG5)
Driver Information Center, IPC, Fuse Block - I/P, Power Brake(P/B) Booster Fluid Flow Switch, P/B Booster Pump and Motor, P/B Booster Pump Relay, Stoplamp Switch (LG5)
Driver Information Center, IPC, Fuse Block - I/P, Power Brake(P/B) Booster Fluid Flow Switch, P/B Booster Pump and Motor, P/B Booster Pump Relay, Stoplamp Switch (LG5)
Driver Information Center, IPC, Fuse Block - I/P, Power Brake(P/B) Booster Fluid Flow Switch, P/B Booster Pump and Motor, P/B Booster Pump Relay, Stoplamp Switch (LG5)
Driver Information Center, IPC, Fuse Block - I/P, Power Brake(P/B) Booster Fluid Flow Switch, P/B Booster Pump and Motor, P/B Booster Pump Relay, Stoplamp Switch (LG5)
Driver Information Center, IPC, Fuse Block - I/P, Power Brake(P/B) Booster Fluid Flow Switch, P/B Booster Pump and Motor, P/B Booster Pump Relay, Stoplamp Switch (LG5)
Driver Information Center, IPC, Fuse Block - I/P, Power Brake(P/B) Booster Fluid Flow Switch, P/B Booster Pump and Motor, P/B Booster Pump Relay, Stoplamp Switch (LG5)
Driver Information Center, IPC, Fuse Block - I/P, Power Brake(P/B) Booster Fluid Flow Switch, P/B Booster Pump and Motor, P/B Booster Pump Relay, Stoplamp Switch (LG5)
Driver Information Center, IPC, Fuse Block - I/P, Power Brake(P/B) Booster Fluid Flow Switch, P/B Booster Pump and Motor, P/B Booster Pump Relay, Stoplamp Switch (LG5)
Charging Circuit
Starting Circuit (2 of 2)
Driver Information Center, IPC, Fuse Block - I/P, Power Brake(P/B) Booster Fluid Flow Switch, P/B Booster Pump and Motor, P/B Booster Pump Relay, Stoplamp Switch (LG5)
S220, S229 (LG5 - Late)
S142 and S241 (LG5)
G108, G207, G208 and S221 (LG5)
G101, S138, and S405 (LG5)