GM Service Manual Online
For 1990-2009 cars only
Makes
🢒
Chevrolet
🢒
2002
🢒
Chevrolet C-Series Medium Duty Truck B7
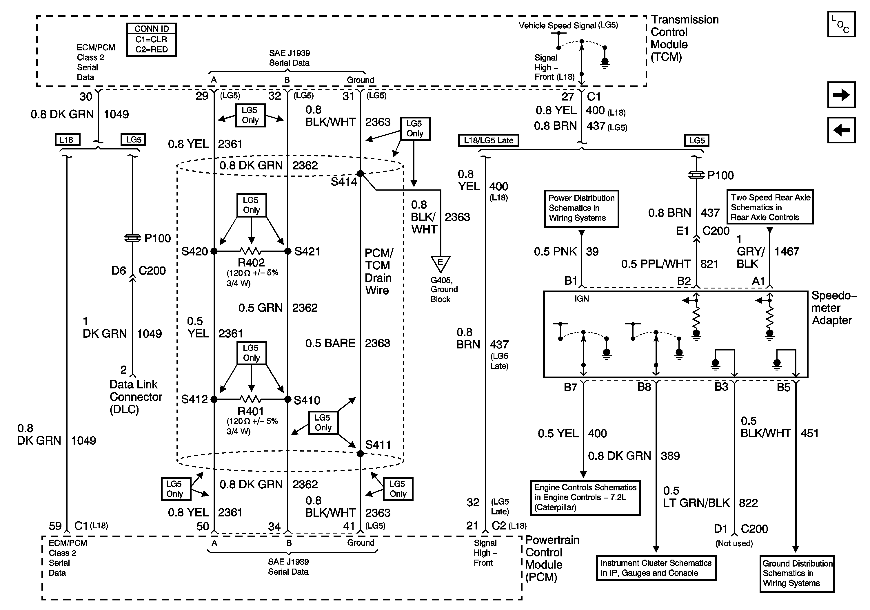
🢒 Data Link Connector (DLC), Powertrain Control Module (PCM) and Speedometer Adapter (MX4/MTW)
Data Link Connector (DLC), Powertrain Control Module (PCM) and Speedometer Adapter (MX4/MTW)
Data Link Connector (DLC), Powertrain Control Module (PCM) and Speedometer Adapter (MX4/MTW)
Master Electrical Component List
Speed and Sump Temperature Sensors and Trans I.D. (MX4/MTW)
Power and Ground, MIL (MX4/MTW)
Power and Ground, MIL (MX4/MTW)
IGN 1 Circuit Breaker, S225, S226, S230
2001 GMT530 b7 Cell 37 Two Speed Rear Axle
Powertrain Control Module (PCM), Speedometer Adapter, Speedometer and Vehicle Speed Sensor (VSS)
Instrument Panel Cluster (IPC), Fuel Gauge, Generator Charge Indicator, Speedometer and Tachometer
S169, S210, S411 and S 414 (LG5)