GM Service Manual Online
For 1990-2009 cars only
Makes
🢒
Chevrolet
🢒
2000
🢒
Chevrolet C-Series Medium Duty Truck C6/C7/C8
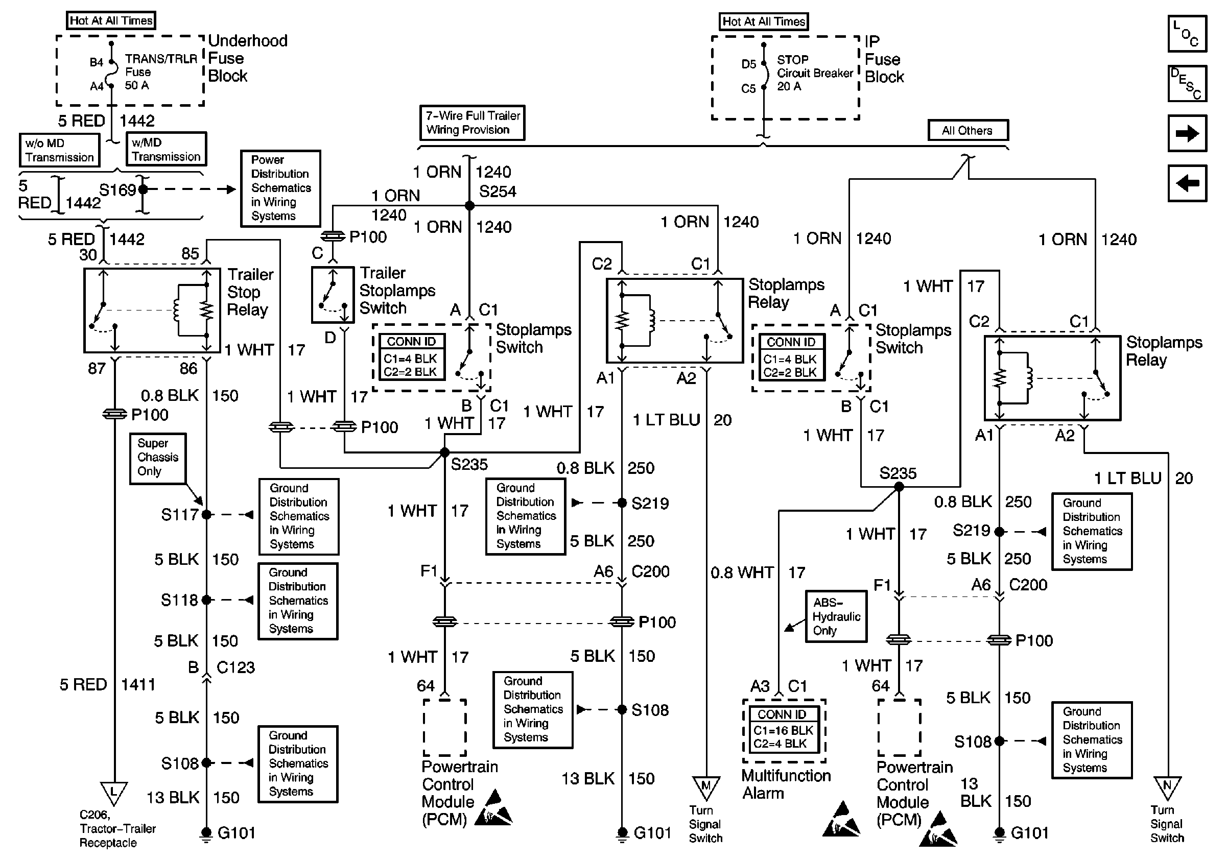
🢒 Stoplamp Relays, Trailer Stop Relay (Diesel)
Stoplamp Relays, Trailer Stop Relay (Diesel)
Stoplamp Relays, Trailer Stop Relay (Diesel)
Lighting Systems Components
Exterior Lights Circuit Description
Stoplamp Relays, Trailer Stop Relay (Gasoline)
Circuit Power, Relays
Trailer Lighting
Trailer Lighting
Trailer Lighting
PARK BRAKE, TRANS/TRLR, POWER WDO/LKS, ABS Fuses
S117, S118
S117, S118
G111 (Gasoline), G101 (Diesel)
S216, S219
G111 (Gasoline), G101 (Diesel)
S216, S219
G111 (Gasoline), G101 (Diesel)
Lighting Systems Connector End Views
Lighting Systems Connector End Views
Handling ESD Sensitive Parts Notice
Handling ESD Sensitive Parts Notice
Handling ESD Sensitive Parts Notice
Hydraulic Brake Connector End Views