GM Service Manual Online
For 1990-2009 cars only
Makes
🢒
Chevrolet
🢒
2000
🢒
Chevrolet C-Series Medium Duty Truck C6/C7/C8
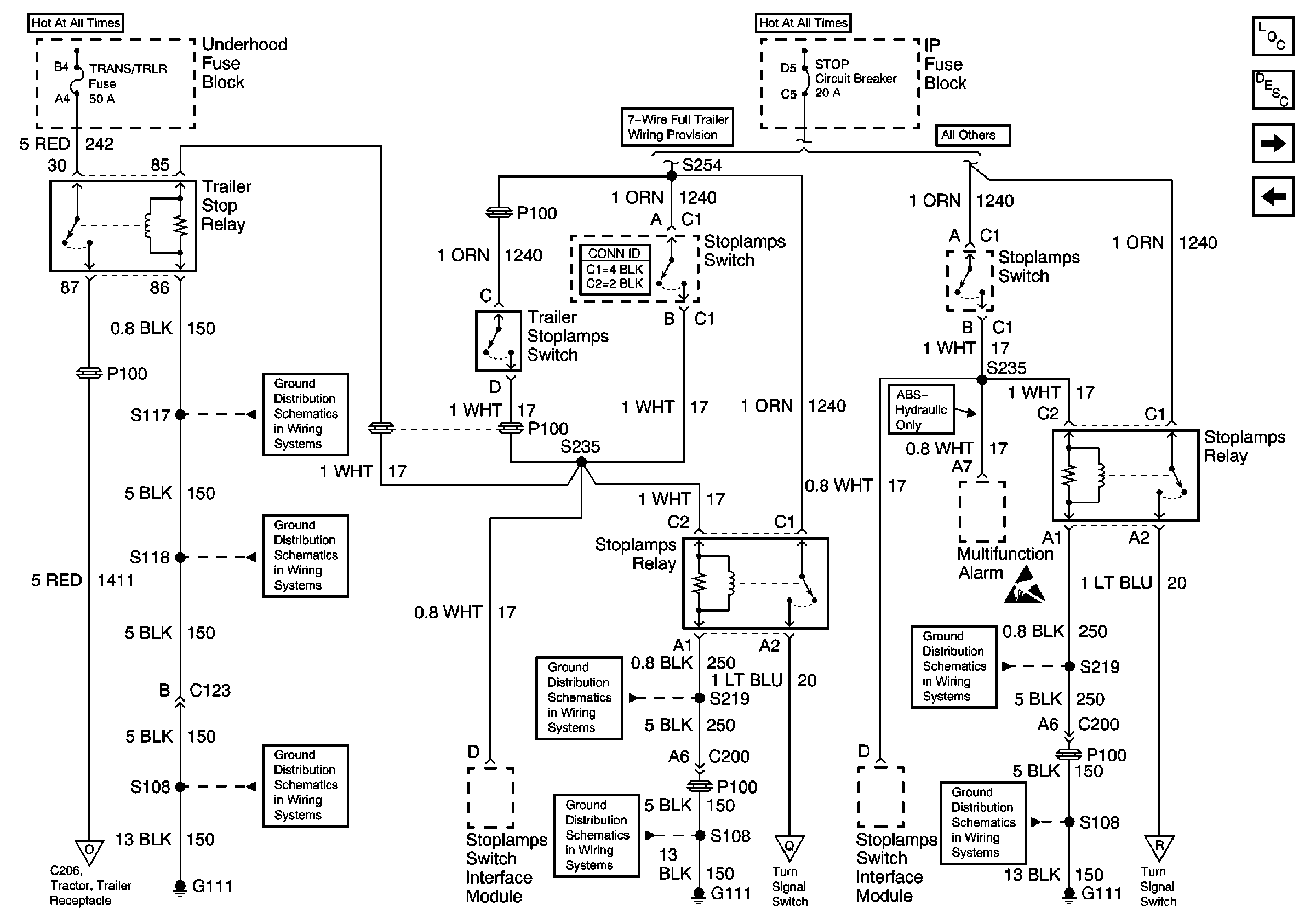
🢒 Stoplamp Relays, Trailer Stop Relay (Gasoline)
Stoplamp Relays, Trailer Stop Relay (Gasoline)
Stoplamp Relays, Trailer Stop Relay (Gasoline)
Lighting Systems Components
Exterior Lights Circuit Description
Turn Signal Switch, Hazard Warning Switch
Stoplamp Relays, Trailer Stop Relay (Diesel)
Trailer Lighting
Turn Signal Switch, Hazard Warning Switch
Trailer Lighting
S117, S118
S117, S118
G111 (Gasoline), G101 (Diesel)
S216, S219
G111 (Gasoline), G101 (Diesel)
S216, S219
G111 (Gasoline), G101 (Diesel)
Lighting Systems Connector End Views
Handling ESD Sensitive Parts Notice