GM Service Manual Online
For 1990-2009 cars only
Makes
🢒
Chevrolet
🢒
2000
🢒
Chevrolet C-Series Medium Duty Truck C6/C7/C8
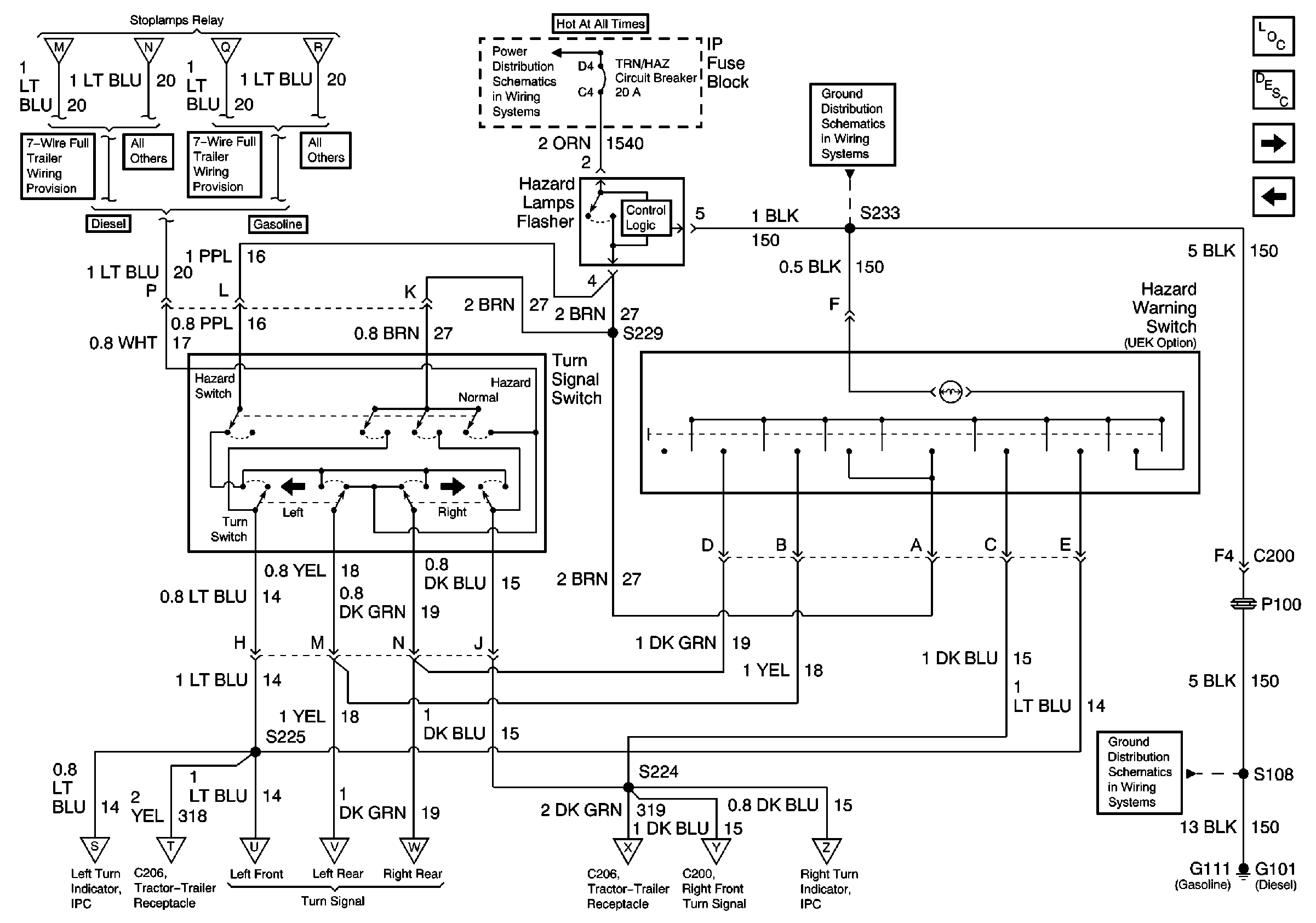
🢒 Turn Signal Switch, Hazard Warning Switch
Turn Signal Switch, Hazard Warning Switch
Turn Signal Switch, Hazard Warning Switch
Lighting Systems Components
Exterior Lights Circuit Description
Park and Turn Signal Lamps, Tail and Stop/Turn Signal Lamps, IP Indicators
Stoplamp Relays, Trailer Stop Relay (Gasoline)
Stoplamp Relays, Trailer Stop Relay (Diesel)
Stoplamp Relays, Trailer Stop Relay (Diesel)
Stoplamp Relays, Trailer Stop Relay (Gasoline)
Stoplamp Relays, Trailer Stop Relay (Gasoline)
Park and Turn Signal Lamps, Tail and Stop/Turn Signal Lamps, IP Indicators
Trailer Lighting
Park and Turn Signal Lamps, Tail and Stop/Turn Signal Lamps, IP Indicators
Park and Turn Signal Lamps, Tail and Stop/Turn Signal Lamps, IP Indicators
Park and Turn Signal Lamps, Tail and Stop/Turn Signal Lamps, IP Indicators
Trailer Lighting
Park and Turn Signal Lamps, Tail and Stop/Turn Signal Lamps, IP Indicators
Park and Turn Signal Lamps, Tail and Stop/Turn Signal Lamps, IP Indicators
STOP, TRN/HAZ, FUEL, IGN RLY/VIM Circuit Breakers
G208, S233, S501
G111 (Gasoline), G101 (Diesel)