GM Service Manual Online
For 1990-2009 cars only
Figure 1:

VCM,ECMB,ECM1 and IGN1 Fuses, IPC, G103


Object Number: 488921  Size: FS
Engine Controls Components
Evaporative Emission Control System Operation Description Enhanced
DLC, CIGAR Fuse, G103, G203, BCM, VCM
OBD II Symbol Description Notice
Handling ESD Sensitive Parts Notice
Power Distribution Schematics
Power Distribution Schematics
Power Distribution Schematics
Power Distribution Schematics
Power Distribution Schematics
Power Distribution Schematics
Power Distribution Schematics
Instrument Cluster: Analog Schematics
Power Distribution Schematics
Ground Distribution Schematics
Figure 2:

DLC, CIGAR Fuse, G103, G203, BCM, VCM


Object Number: 488928  Size: FS
Power Distribution Schematics
Power Distribution Schematics
Ground Distribution Schematics
Data Link Connector Schematics
Ground Distribution Schematics
Ground Distribution Schematics
Ground Distribution Schematics
Ground Distribution Schematics
Ground Distribution Schematics
Engine Controls Components
Evaporative Emission Control System Operation Description Enhanced
ENG1, INJ B, INJ A Fuses, ICM, CKP, CMP, IPC
VCM,ECMB,ECM1 and IGN1 Fuses, IPC, G103
OBD II Symbol Description Notice
Handling ESD Sensitive Parts Notice
Figure 3:

ENG1, INJ B, INJ A Fuses, ICM, CKP, CMP, IPC


Object Number: 488932  Size: FS
Power Distribution Schematics
Power Distribution Schematics
Handling ESD Sensitive Parts Notice
Power Distribution Schematics
Power Distribution Schematics
Ground Distribution Schematics
Handling ESD Sensitive Parts Notice
Engine Controls Components
Evaporative Emission Control System Operation Description Enhanced
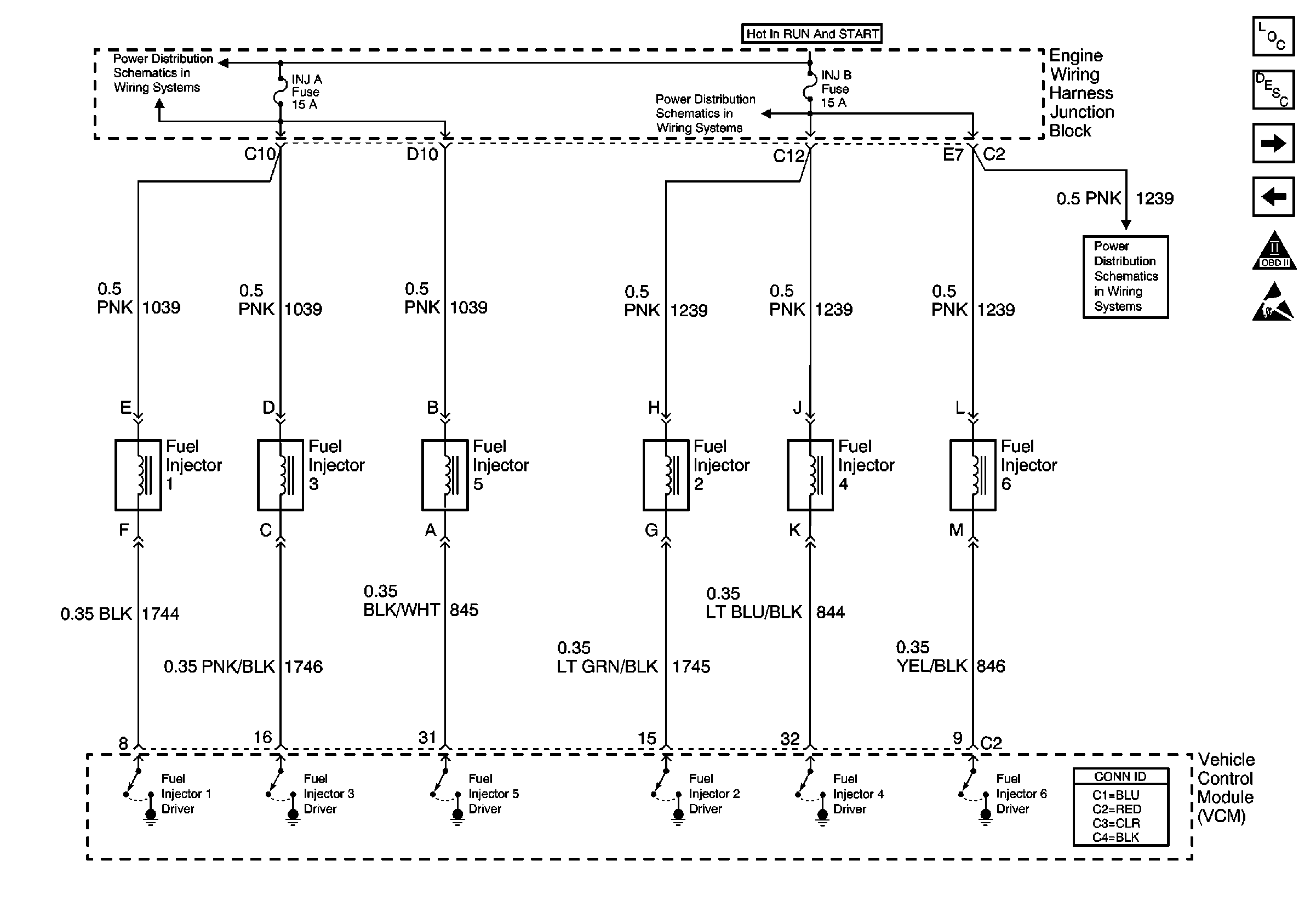
Fuel Injectors, VCM, INJ A, INJ B Fuses
DLC, CIGAR Fuse, G103, G203, BCM, VCM
OBD II Symbol Description Notice
Handling ESD Sensitive Parts Notice
Figure 4:

Fuel Injectors, VCM, INJ A, INJ B Fuses


Object Number: 488936  Size: FS
Power Distribution Schematics
Power Distribution Schematics
Power Distribution Schematics
Engine Controls Components
Evaporative Emission Control System Operation Description Enhanced
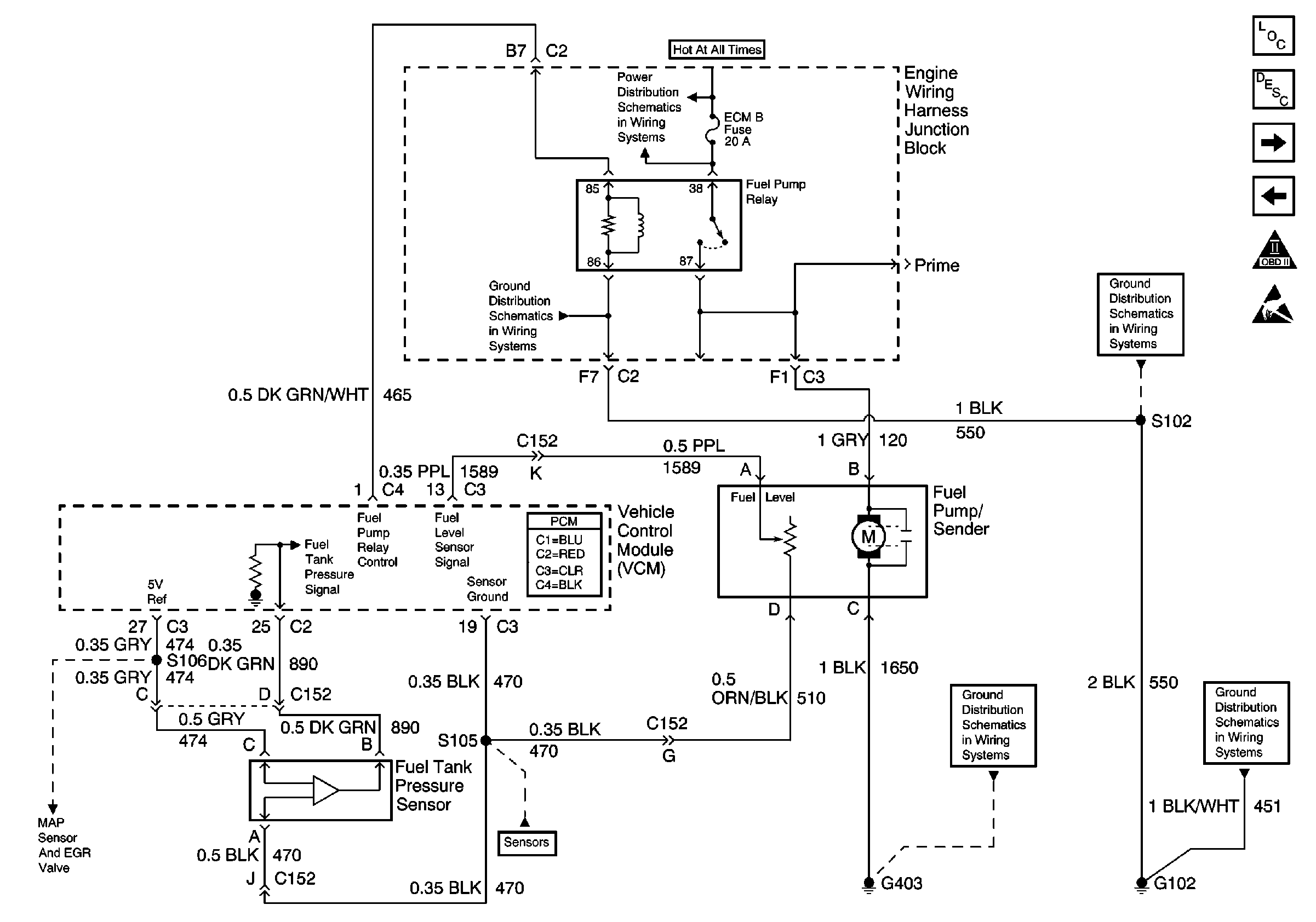
FPR, Fuel Pump/Sender, G403, G102, G104
ENG1, INJ B, INJ A Fuses, ICM, CKP, CMP, IPC
OBD II Symbol Description Notice
Handling ESD Sensitive Parts Notice
Figure 5:

FPR, Fuel Pump/Sender, G403, G102, G104


Object Number: 488939  Size: FS
Ground Distribution Schematics
Power Distribution Schematics
Ground Distribution Schematics
Ground Distribution Schematics
Ground Distribution Schematics
Engine Controls Components
Evaporative Emission Control System Operation Description Enhanced
IAC, ECT, TPS, MAF, G103, MAP, IAT, VCM
Fuel Injectors, VCM, INJ A, INJ B Fuses
OBD II Symbol Description Notice
Handling ESD Sensitive Parts Notice
Figure 6:

IAC, ECT, TPS, MAF, G103, MAP, IAT, VCM


Object Number: 488940  Size: FS
Power Distribution Schematics
Power Distribution Schematics
Ground Distribution Schematics
Engine Controls Components
Evaporative Emission Control System Operation Description Enhanced
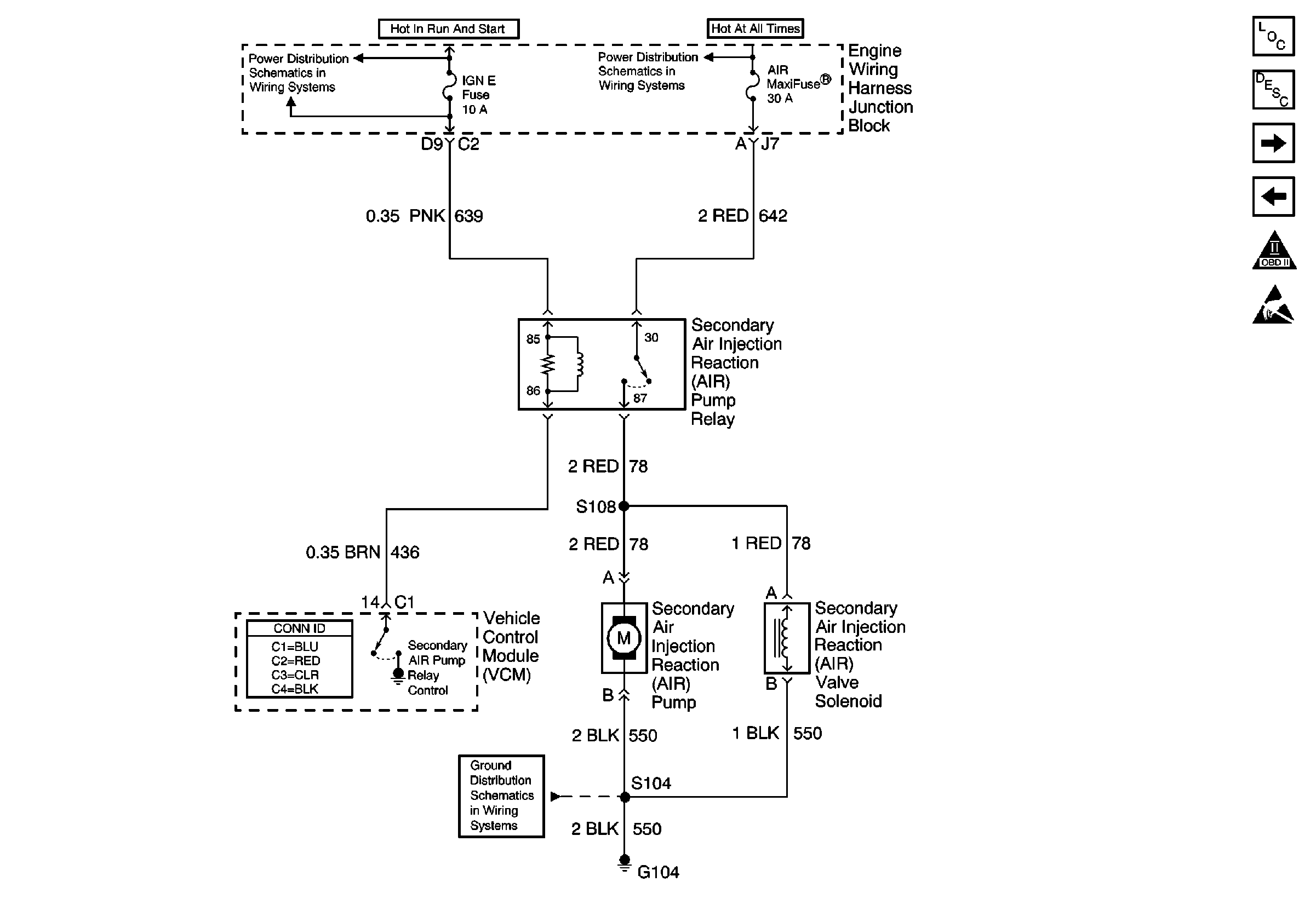
AIR Relay, AIR Pump, G104, VCM, IGN E Fuse
FPR, Fuel Pump/Sender, G403, G102, G104
OBD II Symbol Description Notice
Handling ESD Sensitive Parts Notice
Figure 7:

AIR Relay, AIR Pump, G104, VCM, IGN E Fuse


Object Number: 488948  Size: FS
Power Distribution Schematics
Power Distribution Schematics
Ground Distribution Schematics
Engine Controls Components
Evaporative Emission Control System Operation Description Enhanced
VSS Circuit, EBCM, VCM
IAC, ECT, TPS, MAF, G103, MAP, IAT, VCM
OBD II Symbol Description Notice
Handling ESD Sensitive Parts Notice
Figure 8:

VSS Circuit, EBCM, VCM


Object Number: 488955  Size: FS
Ground Distribution Schematics
Engine Controls Components
Evaporative Emission Control System Operation Description Enhanced
VCM, HO2 Sensors, G104
AIR Relay, AIR Pump, G104, VCM, IGN E Fuse
OBD II Symbol Description Notice
Handling ESD Sensitive Parts Notice
Figure 9:

VCM, HO2 Sensors, G104


Object Number: 488969  Size: FS
Power Distribution Schematics
Ground Distribution Schematics
Engine Controls Components
Evaporative Emission Control System Operation Description Enhanced
EGR Valve, EVAP Purge Valve, EVAP Vent Solenoid, VCM
VSS Circuit, EBCM, VCM
OBD II Symbol Description Notice
Handling ESD Sensitive Parts Notice
Figure 10:

EGR Valve, EVAP Purge Valve, EVAP Vent Solenoid, VCM


Object Number: 488972  Size: FS
Engine Controls Components
Evaporative Emission Control System Operation Description Enhanced
EBCM, Oil Level Switch, ATC Module, Coolant Level Switch, G102, G104
VCM, HO2 Sensors, G104
OBD II Symbol Description Notice
Handling ESD Sensitive Parts Notice
Power Distribution Schematics
Figure 11:

EBCM, Oil Level Switch, ATC Module, Coolant Level Switch, G102, G104


Object Number: 488974  Size: FS
Ground Distribution Schematics
Power Distribution Schematics
Antilock Brake System Schematics ABS
Cruise Control Schematics
Engine Controls Components
Evaporative Emission Control System Operation Description Enhanced
CPP Switch, Stoplamp Switch, Auto Trans Solenoids
EGR Valve, EVAP Purge Valve, EVAP Vent Solenoid, VCM
OBD II Symbol Description Notice
Handling ESD Sensitive Parts Notice
Figure 12:

CPP Switch, Stoplamp Switch, Auto Trans Solenoids


Object Number: 488976  Size: FS
Engine Controls Components
Evaporative Emission Control System Operation Description Enhanced
Auto Trans Switches, TFT Sensor, PC SOL Valve
EBCM, Oil Level Switch, ATC Module, Coolant Level Switch, G102, G104
OBD II Symbol Description Notice
Handling ESD Sensitive Parts Notice
Handling ESD Sensitive Parts Notice
Power Distribution Schematics
Antilock Brake System Schematics ABS
Cruise Control Schematics
Power Distribution Schematics
Figure 13:

Auto Trans Switches, TFT Sensor, PC SOL Valve


Object Number: 488977  Size: FS
Handling ESD Sensitive Parts Notice
Handling ESD Sensitive Parts Notice
Handling ESD Sensitive Parts Notice
OBD II Symbol Description Notice
Engine Controls Components
Evaporative Emission Control System Operation Description Enhanced
Tow/Haul Switch, BCM, Park/Neutral Switch
CPP Switch, Stoplamp Switch, Auto Trans Solenoids
Figure 14:

Tow/Haul Switch, BCM, Park/Neutral Switch


Object Number: 489017  Size: FS
Ground Distribution Schematics
Ground Distribution Schematics
Ground Distribution Schematics
Data Link Connector Schematics
Engine Controls Components
Evaporative Emission Control System Operation Description Enhanced
HVAC Module, A/C Pressure Switches, G100, G102
Auto Trans Switches, TFT Sensor, PC SOL Valve
OBD II Symbol Description Notice
Handling ESD Sensitive Parts Notice
Figure 15:

HVAC Module, A/C Pressure Switchs, G100, G102


Object Number: 489048  Size: FS
Ground Distribution Schematics
Engine Controls Components
Evaporative Emission Control System Operation Description Enhanced
Tow/Haul Switch, BCM, Park/Neutral Switch
OBD II Symbol Description Notice
Handling ESD Sensitive Parts Notice