GM Service Manual Online
For 1990-2009 cars only

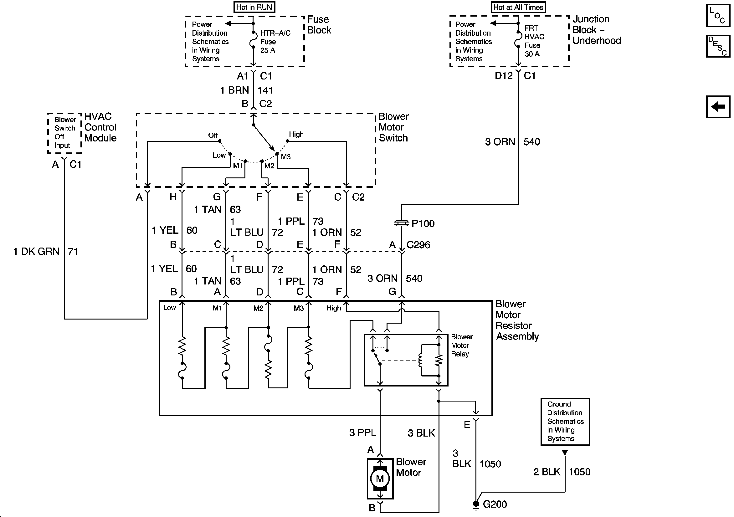
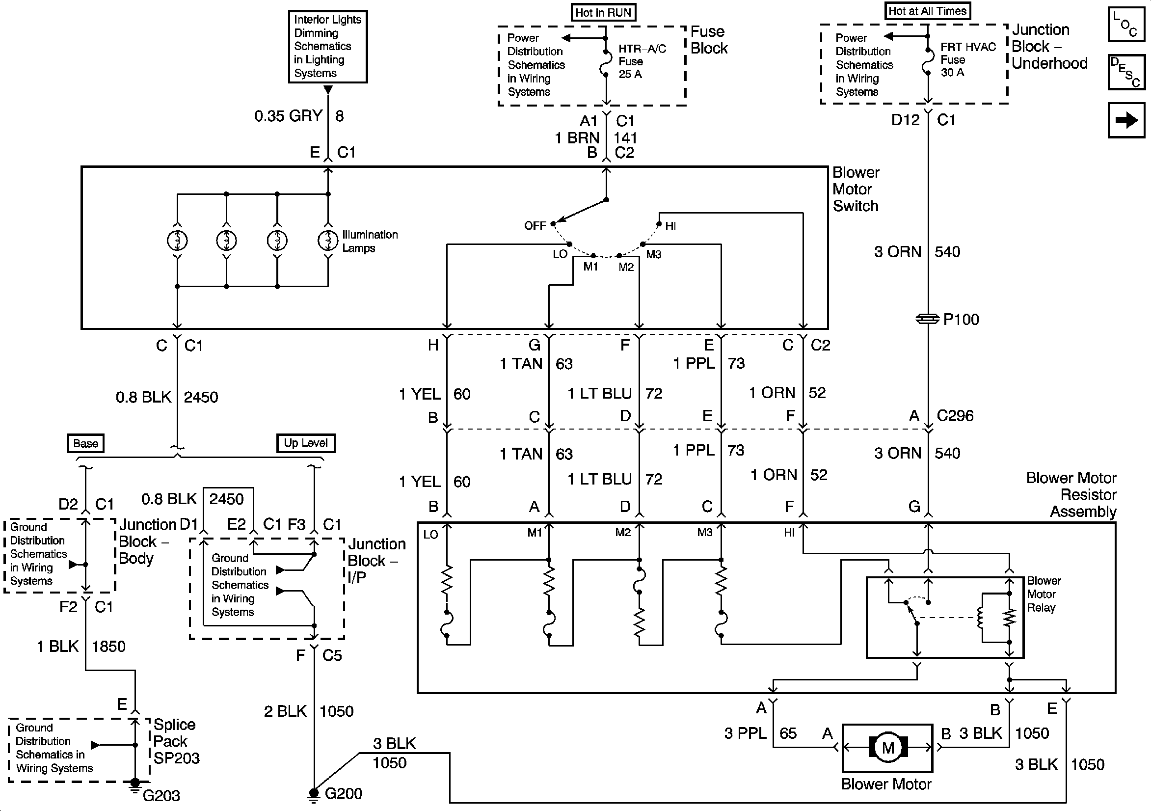
HVAC Schematics Blower Controls - Primary

Figure 1:

(w/o A/C)


Object Number: 663028  Size: FS
Master Electrical Component List
Air Delivery Description and Operation
Interior Lights Dimming Schematics Pick Up
Power Distribution Schematics
Power Distribution Schematics
Ground Distribution Schematics
Ground Distribution Schematics
Ground Distribution Schematics
Figure 2:

w/Heat and A/C


Object Number: 663063  Size: FS
Master Electrical Component List
Air Delivery Description and Operation
Handling ESD Sensitive Parts Notice
Power Distribution Schematics
Power Distribution Schematics
Ground Distribution Schematics

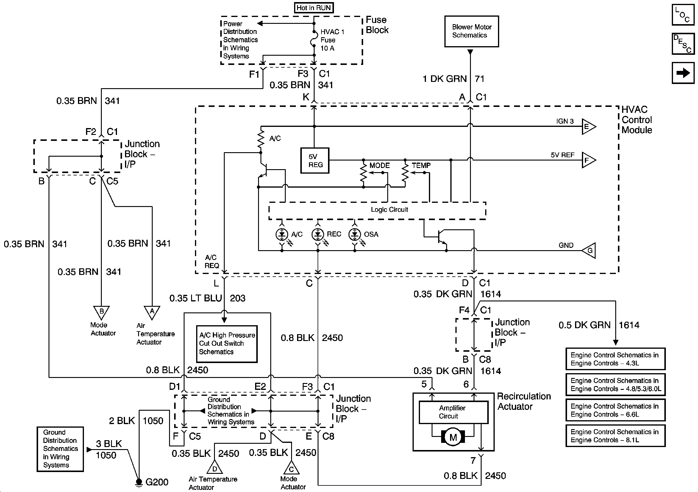
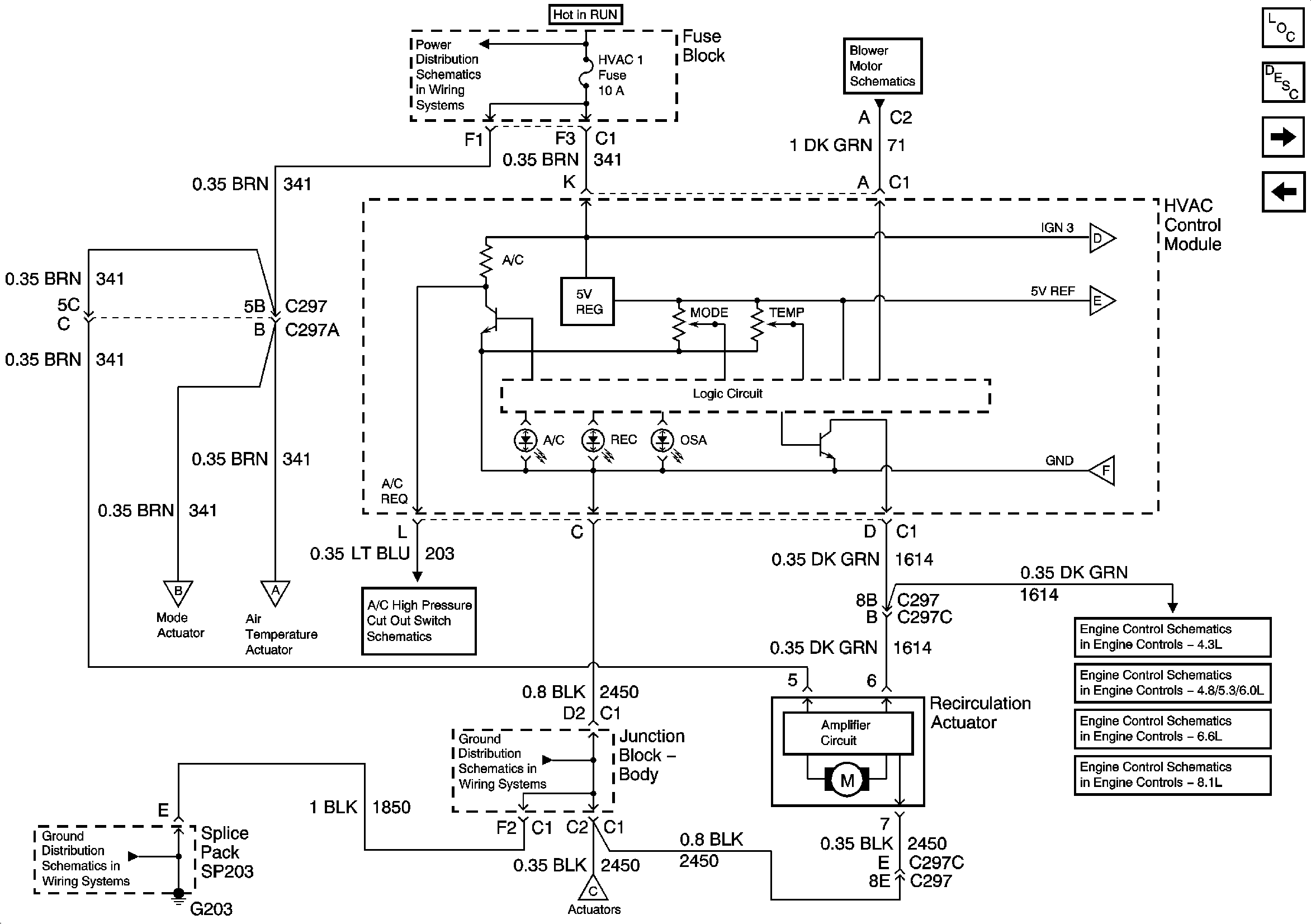
HVAC Schematics Compressor Controls - All Models


Object Number: 663082  Size: FS
Master Electrical Component List
Air Temperature Description and Operation
Power Distribution Schematics
Power Distribution Schematics
Ground Distribution Schematics
Ground Distribution Schematics

HVAC Schematics Air Delivery Controls - Primary

Figure 1:

Recirculation Actuator (Uplevel Pickup and All Utilities)


Object Number: 663165  Size: FS
Master Electrical Component List
Air Delivery Description and Operation
Primary Air Delivery Controls - Mode and Air Temperature Actuators(Uplevel Pickup and All Utilities)
Power Distribution Schematics
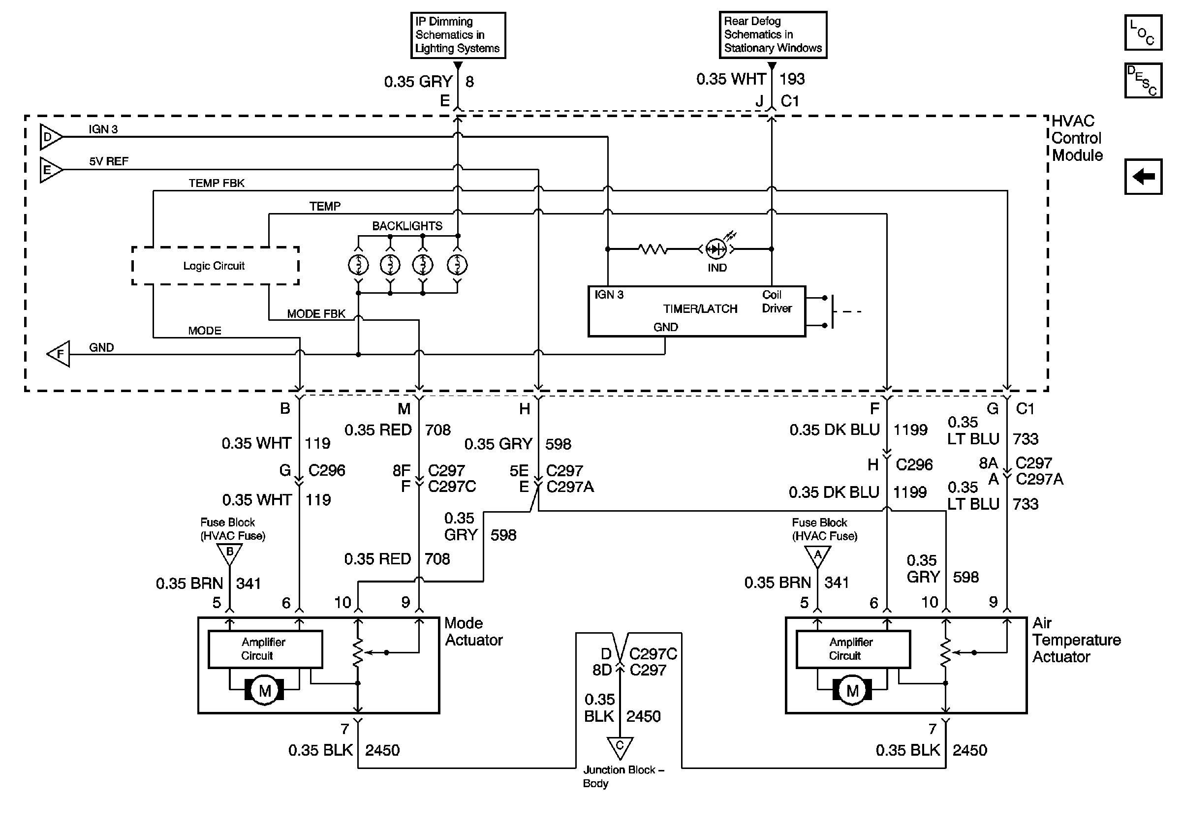
HVAC Schematics Air Delivery Controls - Primary
Primary Air Delivery Controls - Mode and Air Temperature Actuators(Uplevel Pickup and All Utilities)
Primary Air Delivery Controls - Mode and Air Temperature Actuators(Uplevel Pickup and All Utilities)
Primary Air Delivery Controls - Mode and Air Temperature Actuators(Uplevel Pickup and All Utilities)
Primary Air Delivery Controls - Mode and Air Temperature Actuators(Uplevel Pickup and All Utilities)
Primary Air Delivery Controls - Mode and Air Temperature Actuators(Uplevel Pickup and All Utilities)
Ground Distribution Schematics
Primary Air Delivery Controls - Mode and Air Temperature Actuators(Uplevel Pickup and All Utilities)
Ground Distribution Schematics
Primary Air Delivery Controls - Mode and Air Temperature Actuators(Uplevel Pickup and All Utilities)
Figure 2:

Mode and Air Temperature Actuators (Uplevel Pickup and All Utilities)


Object Number: 663167  Size: FS
Master Electrical Component List
Air Delivery Description and Operation
Primary Air Delivery Controls - Recirculation Actuator (Uplevel Pickup and All Utilities)
Interior Lights Dimming Schematics Utilities
Defogger Schematics Uplevel Pickup and Utilities
Primary Air Delivery Controls - Recirculation Actuator (Uplevel Pickup and All Utilities)
Primary Air Delivery Controls - Recirculation Actuator (Uplevel Pickup and All Utilities)
Primary Air Delivery Controls - Recirculation Actuator (Uplevel Pickup and All Utilities)
Primary Air Delivery Controls - Recirculation Actuator (Uplevel Pickup and All Utilities)
Primary Air Delivery Controls - Recirculation Actuator (Uplevel Pickup and All Utilities)
Primary Air Delivery Controls - Recirculation Actuator (Uplevel Pickup and All Utilities)
Primary Air Delivery Controls - Recirculation Actuator (Uplevel Pickup and All Utilities)
Figure 3:

Recirculation Actuator (Base Pickup)


Object Number: 663168  Size: FS
Master Electrical Component List
Air Delivery Description and Operation
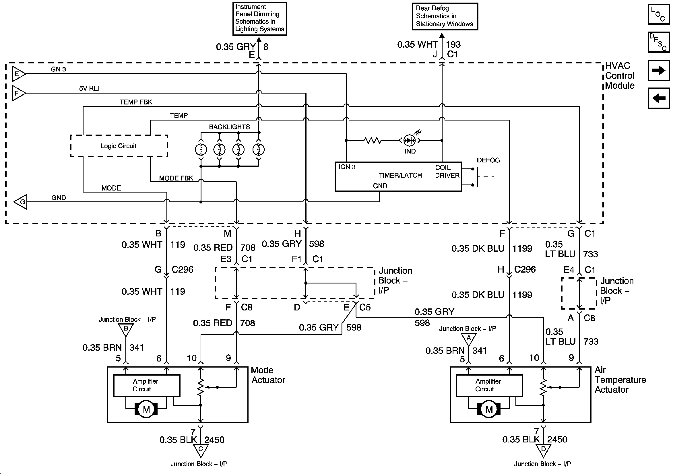
Primary Air Delivery Controls - Mode and Air Temperature Actuators(Base Pickup)
Power Distribution Schematics
HVAC Schematics Blower Controls - Primary
Primary Air Delivery Controls - Mode and Air Temperature Actuators(Base Pickup)
Primary Air Delivery Controls - Mode and Air Temperature Actuators(Base Pickup)
Primary Air Delivery Controls - Mode and Air Temperature Actuators(Base Pickup)
Primary Air Delivery Controls - Mode and Air Temperature Actuators(Base Pickup)
Primary Air Delivery Controls - Mode and Air Temperature Actuators(Base Pickup)
Ground Distribution Schematics
Ground Distribution Schematics
Primary Air Delivery Controls - Mode and Air Temperature Actuators(Base Pickup)
Figure 4:

Mode and Air Temperature Actuators (Base Pickup)


Object Number: 663171  Size: FS
Master Electrical Component List
Air Delivery Description and Operation
Primary Air Delivery Controls - Mode and Air Temperature Actuators(Uplevel Pickup and All Utilities)
Interior Lights Dimming Schematics Pick Up
Defogger Schematics Uplevel Pickup and Utilities
Primary Air Delivery Controls - Recirculation Actuator (Base Pickup)
Primary Air Delivery Controls - Recirculation Actuator (Base Pickup)
Primary Air Delivery Controls - Recirculation Actuator (Base Pickup)
Primary Air Delivery Controls - Recirculation Actuator (Base Pickup)
Primary Air Delivery Controls - Recirculation Actuator (Base Pickup)
Primary Air Delivery Controls - Recirculation Actuator (Base Pickup)

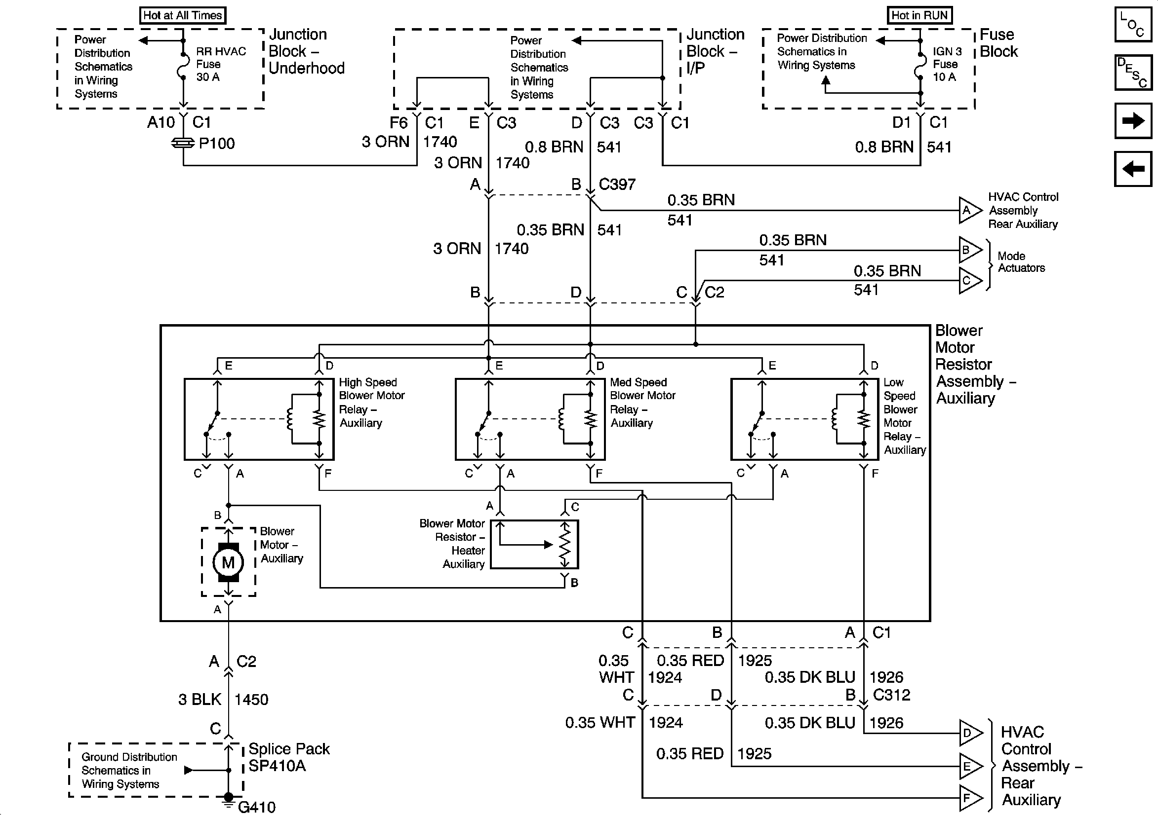
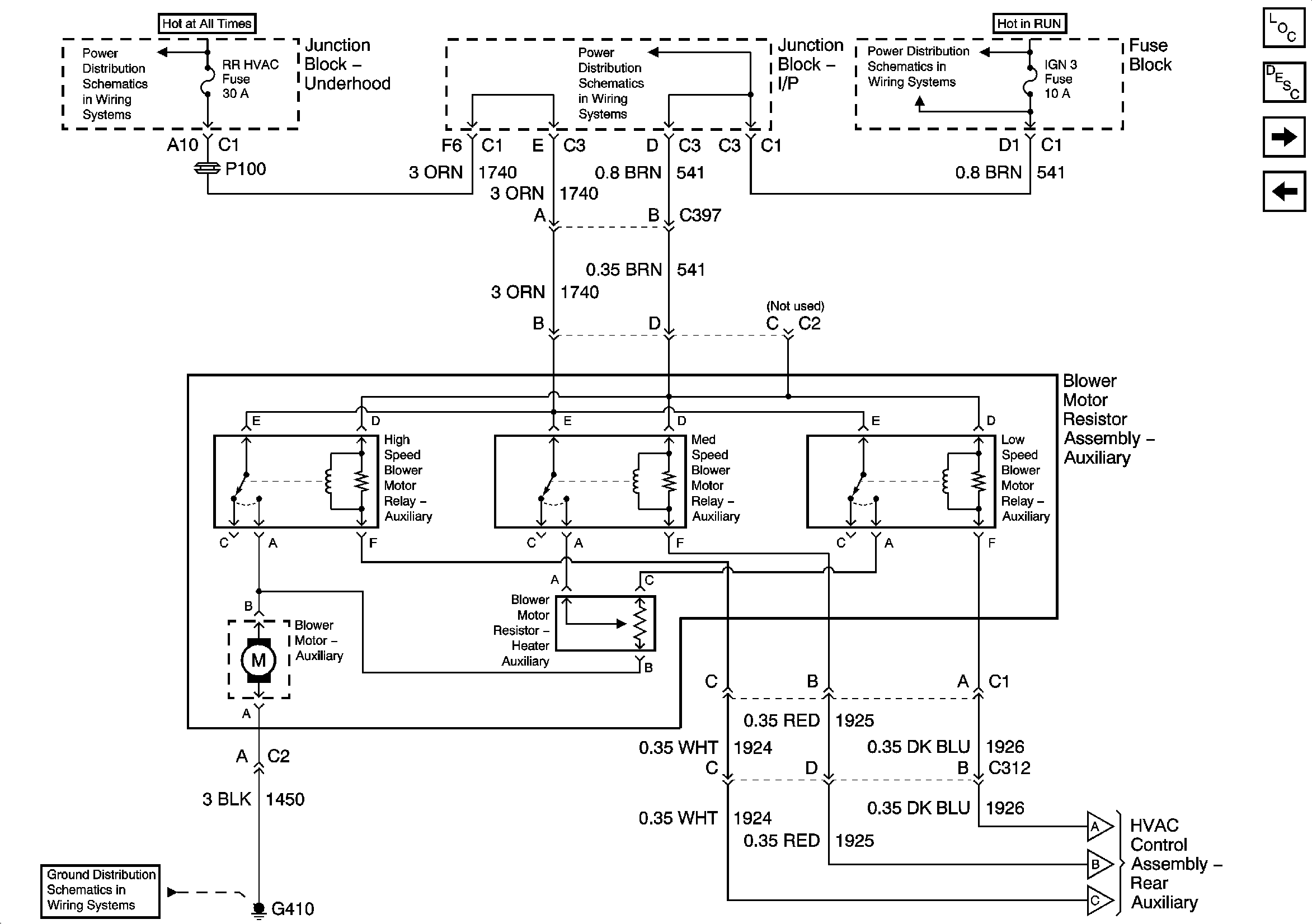
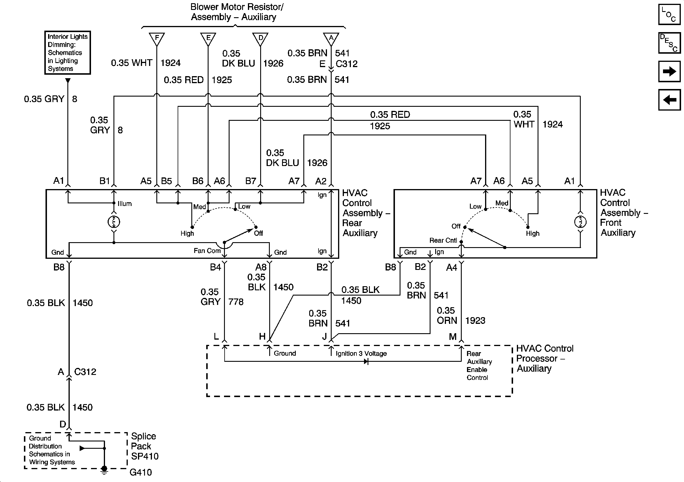
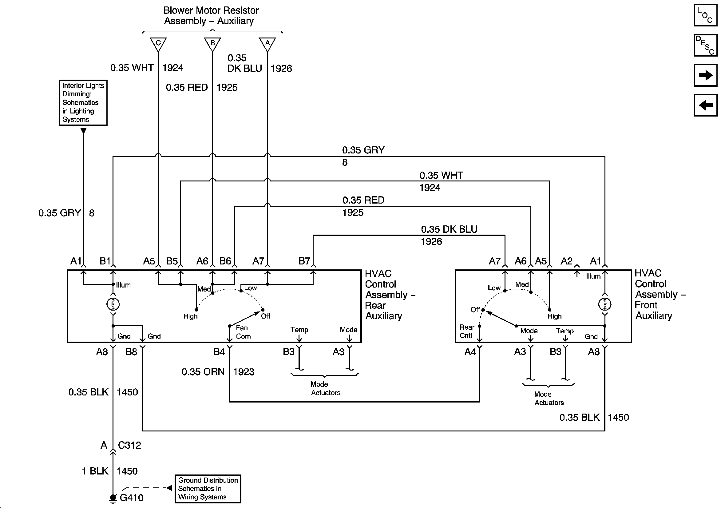
HVAC Schematics Blower Controls - Auxiliary

Figure 1:

w/Sunroof (w/Heat or A/C only)


Object Number: 663066  Size: FS
Master Electrical Component List
Air Delivery Description and Operation
Auxiliary Blower Controls w/Sunroof (w/ Heat and A/C)
Auxiliary Blower Controls - w/o Sunroof (Suburban/Yukon XL)
Interior Lights Dimming Schematics Utilities
Power Distribution Schematics
Power Distribution Schematics
Power Distribution Schematics
Figure 2:

w/o Sunroof -- Relays and Motor (A/C Only)


Object Number: 663057  Size: FS
Master Electrical Component List
Air Delivery Description and Operation
Auxiliary Blower Controls w/o Sunroof - Device Controls (A/C Only)
Power Distribution Schematics
Power Distribution Schematics
Power Distribution Schematics
Ground Distribution Schematics
Auxiliary Blower Controls w/o Sunroof - Device Controls (A/C Only)
Auxiliary Blower Controls w/o Sunroof - Device Controls (A/C Only)
Auxiliary Blower Controls w/o Sunroof - Device Controls (A/C Only)
Figure 3:

w/o Sunroof -- Device Controls (A/C Only)


Object Number: 663061  Size: FS
Master Electrical Component List
Air Delivery Description and Operation
Interior Lights Dimming Schematics Utilities
Auxiliary Blower Controls w/o Sunroof - Relays and Motor (A/C Only)
Auxiliary Blower Controls w/o Sunroof - Relays and Motor (A/C Only)
Auxiliary Blower Controls w/o Sunroof - Relays and Motor (A/C Only)
Auxiliary Blower Controls w/o Sunroof - Relays and Motor (A/C Only)
Ground Distribution Schematics
Figure 4:

w/o Sunroof -- Relays and Motor (w/Heat and A/C)


Object Number: 663047  Size: FS
Master Electrical Component List
Air Delivery Description and Operation
Auxiliary Blower Controls w/o Sunroof - Device Controls (w/Heat and A/C)
Power Distribution Schematics
Power Distribution Schematics
Power Distribution Schematics
Auxiliary Blower Controls w/o Sunroof - Device Controls (w/Heat and A/C)
Auxiliary Blower Controls w/o Sunroof - Device Controls (w/Heat and A/C)
Auxiliary Blower Controls w/o Sunroof - Device Controls (w/Heat and A/C)
Ground Distribution Schematics
Auxiliary Blower Controls w/o Sunroof - Device Controls (w/Heat and A/C)
Auxiliary Blower Controls w/o Sunroof - Device Controls (w/Heat and A/C)
Auxiliary Blower Controls w/o Sunroof - Device Controls (w/Heat and A/C)
Figure 5:

w/o Sunroof -- Device Controls (w/Heat and A/C)


Object Number: 663051  Size: FS
Master Electrical Component List
Air Delivery Description and Operation
Auxiliary Blower Controls w/o Sunroof - Relays and Motor (w/Heat and A/C)
Auxiliary Blower Controls w/o Sunroof - Relays and Motor (w/Heat and A/C)
Auxiliary Blower Controls w/o Sunroof - Relays and Motor (w/Heat and A/C)
Auxiliary Blower Controls w/o Sunroof - Relays and Motor (w/Heat and A/C)
Auxiliary Blower Controls w/o Sunroof - Relays and Motor (w/Heat and A/C)
Ground Distribution Schematics
Auxiliary Blower Controls w/o Sunroof - Relays and Motor (w/Heat and A/C)
Auxiliary Blower Controls w/o Sunroof - Relays and Motor (w/Heat and A/C)
Figure 6:

w/Sunroof (Heat and A/C)


Object Number: 663056  Size: FS
Master Electrical Component List
Air Delivery Description and Operation
Interior Lights Dimming Schematics Utilities
Power Distribution Schematics
Power Distribution Schematics
Power Distribution Schematics
Ground Distribution Schematics
Ground Distribution Schematics

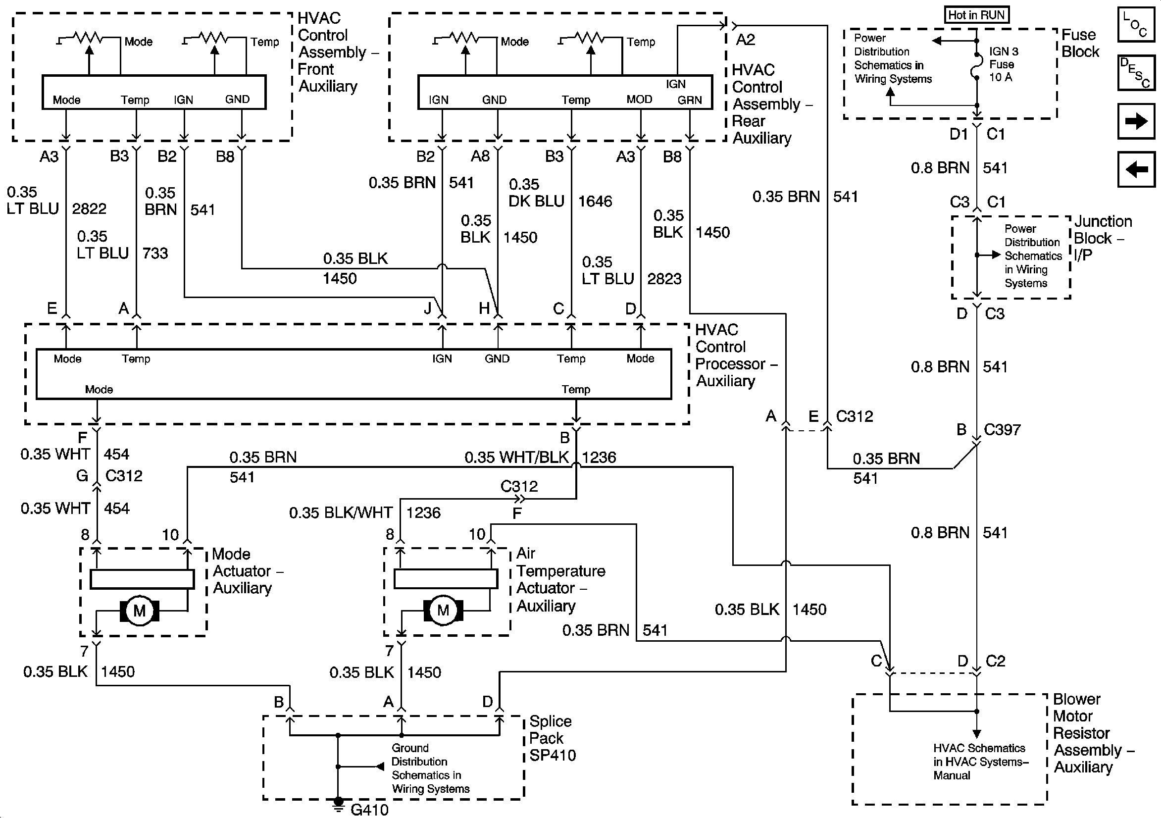
HVAC Schematics Air Delivery Controls - Auxiliary

Figure 1:

w/o Sunroof


Object Number: 772917  Size: FS
Figure 2:

w/Sunroof


Object Number: 772914  Size: FS