GM Service Manual Online
For 1990-2009 cars only
Figure 1:

Turn Signal/Multifunction Switch and Stop Lamp Switch Controls


Object Number: 773753  Size: FS
Master Electrical Component List
Exterior Lighting Systems Description and Operation
Park/Turn Signal Lamps
Stop, Turn, and Hazard Bus Bars
Stop, Turn, and Hazard Bus Bars
Rear Lamps - Sierra Denali
Rear Lamps - Except Sierra Denali
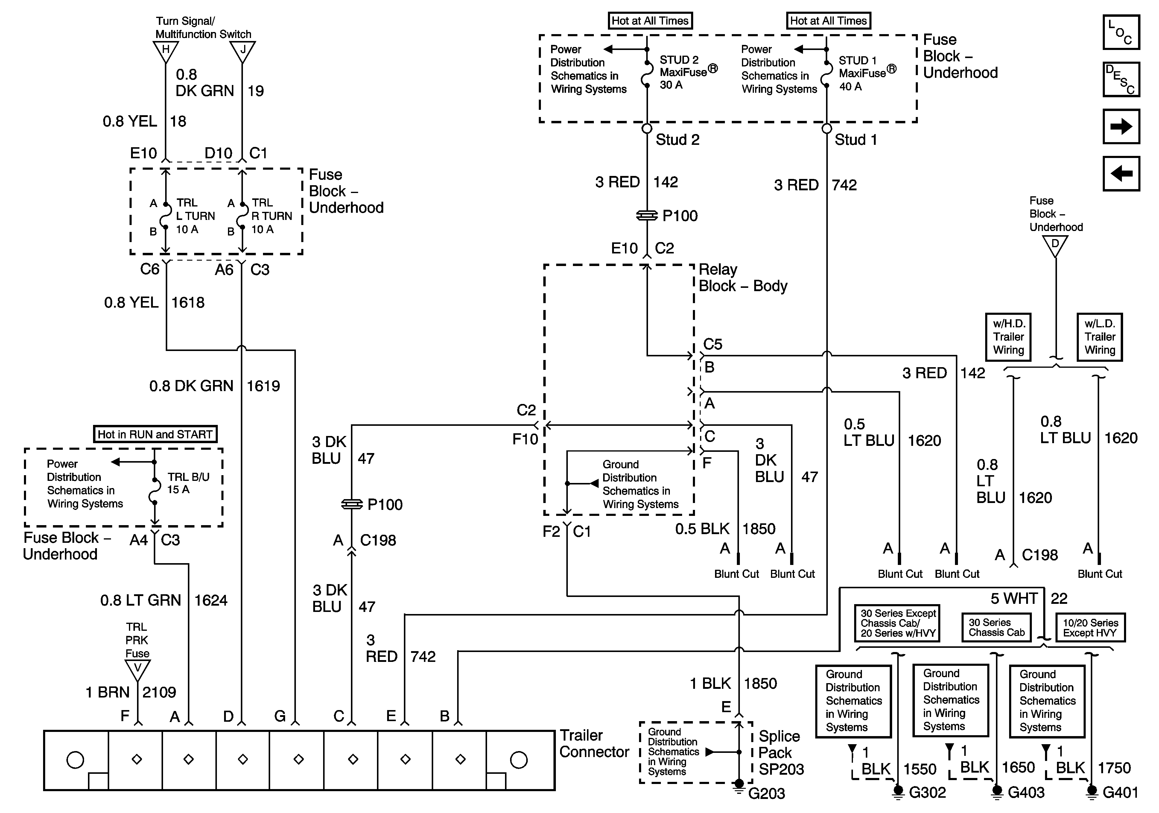
CHMSL and Light Duty Trailer Wiring
Heavy Duty Trailer Wiring
G203 - 1 of 3
G203 - 1 of 3
Park/Turn Signal Lamps
Park/Turn Signal Lamps
CHMSL and Light Duty Trailer Wiring
Heavy Duty Trailer Wiring
CHMSL and Light Duty Trailer Wiring
Heavy Duty Trailer Wiring
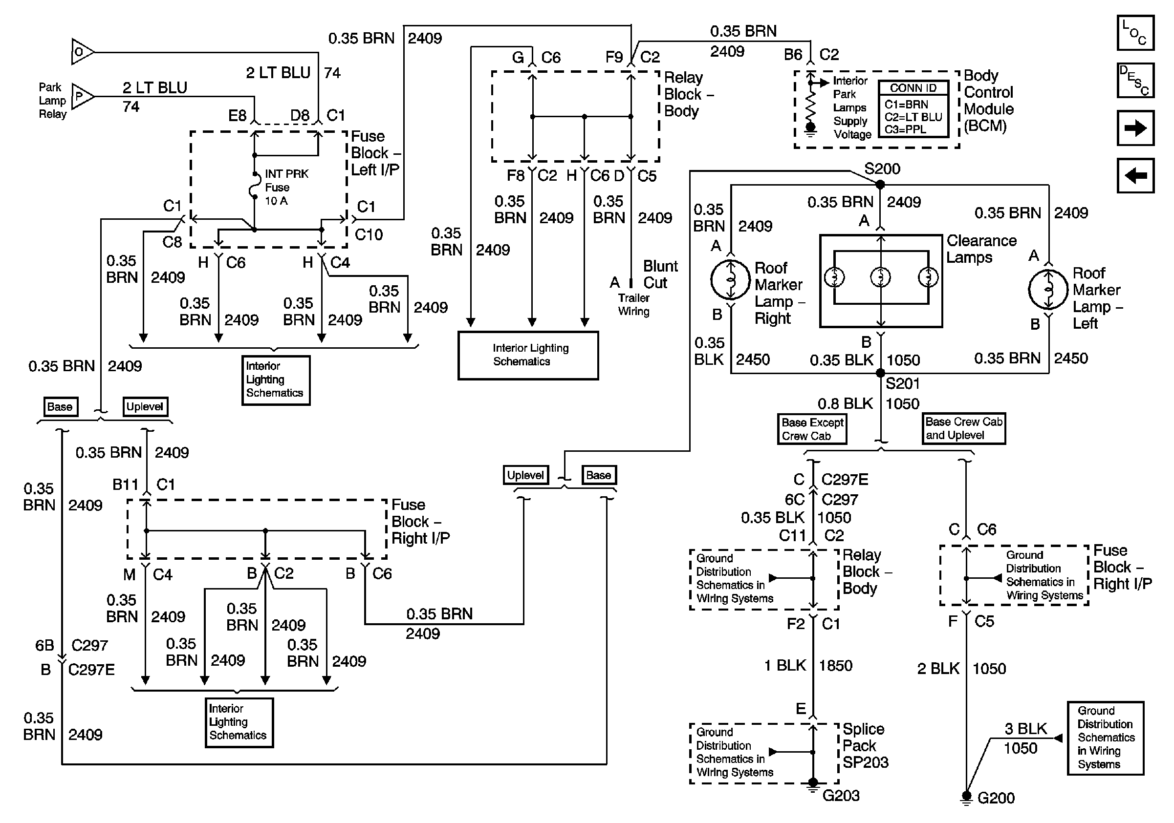
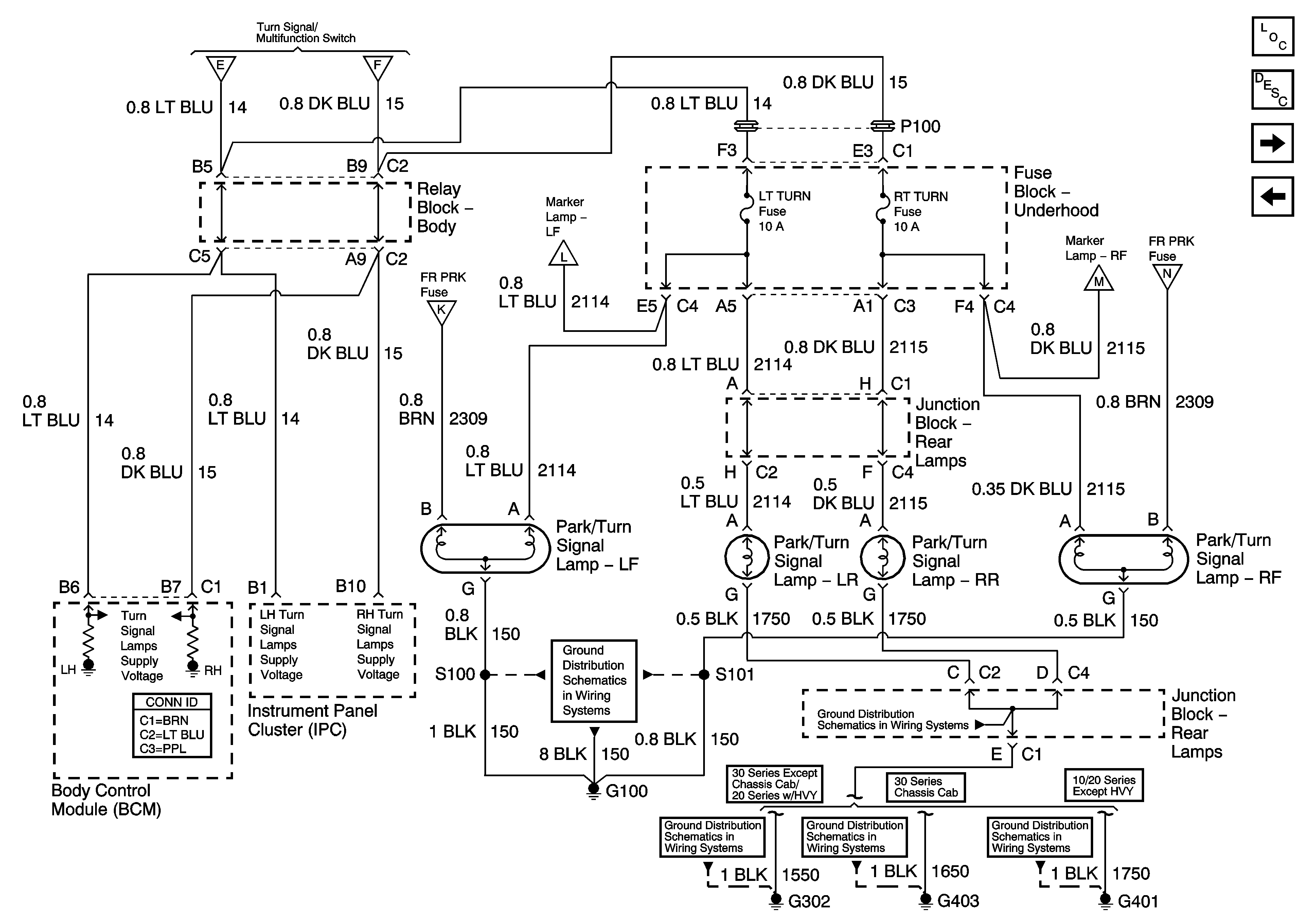
Figure 2:

Park/Turn Signal Lamps


Object Number: 773754  Size: FS
Master Electrical Component List
Exterior Lighting Systems Description and Operation
Park Lamp Control
Turn Signal/Multifunction Switch and Stop Lamp Switch Controls
Turn Signal/Multifunction Switch and Stop Lamp Switch Controls
Turn Signal/Multifunction Switch and Stop Lamp Switch Controls
Park Lamp Control
Park Lamp Control
Park Lamp Control
Park Lamp Control
G100 and G110
G401
G401
Figure 3:

Park Lamp Control


Object Number: 773755  Size: FS
Master Electrical Component List
Exterior Lighting Systems Description and Operation
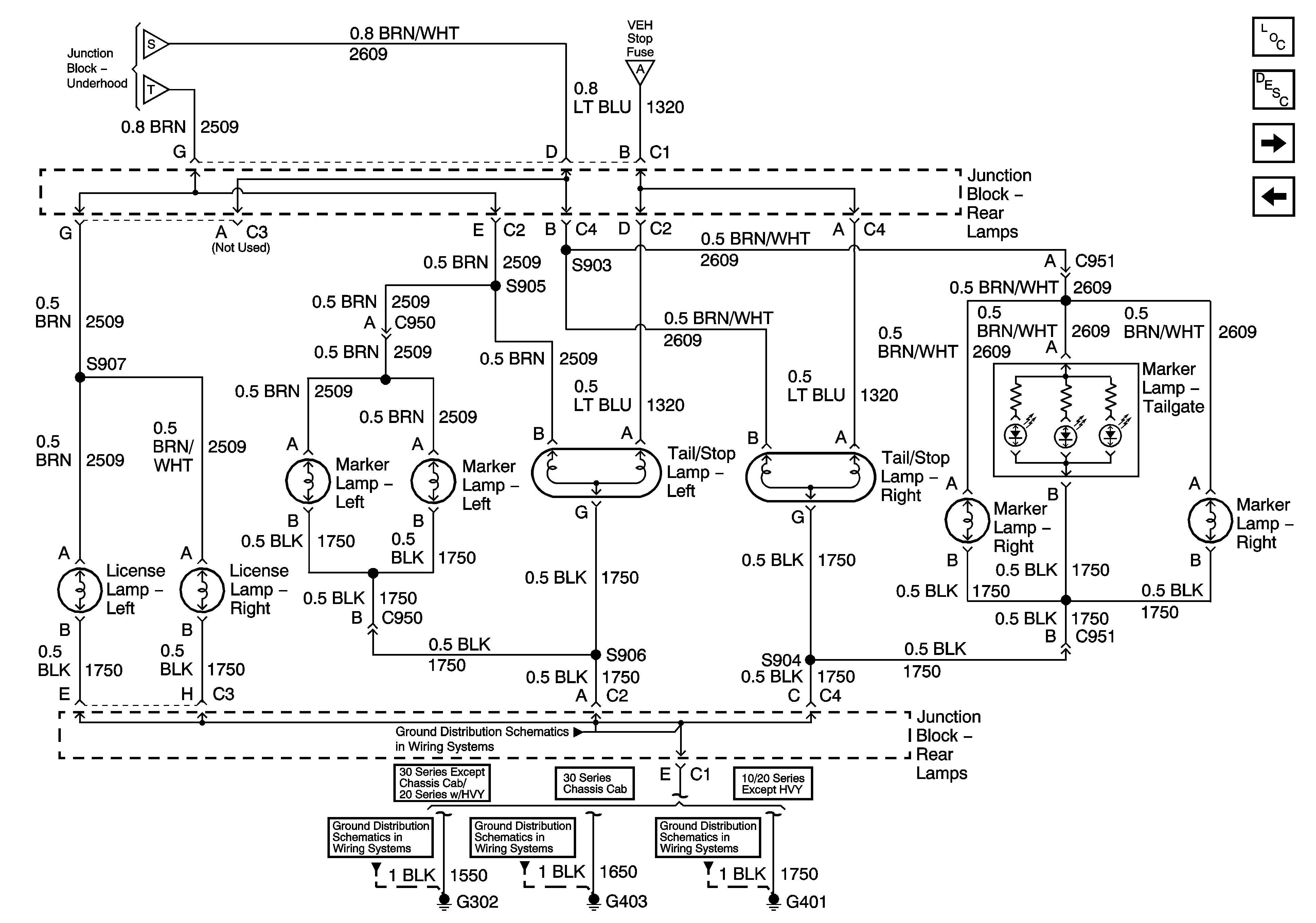
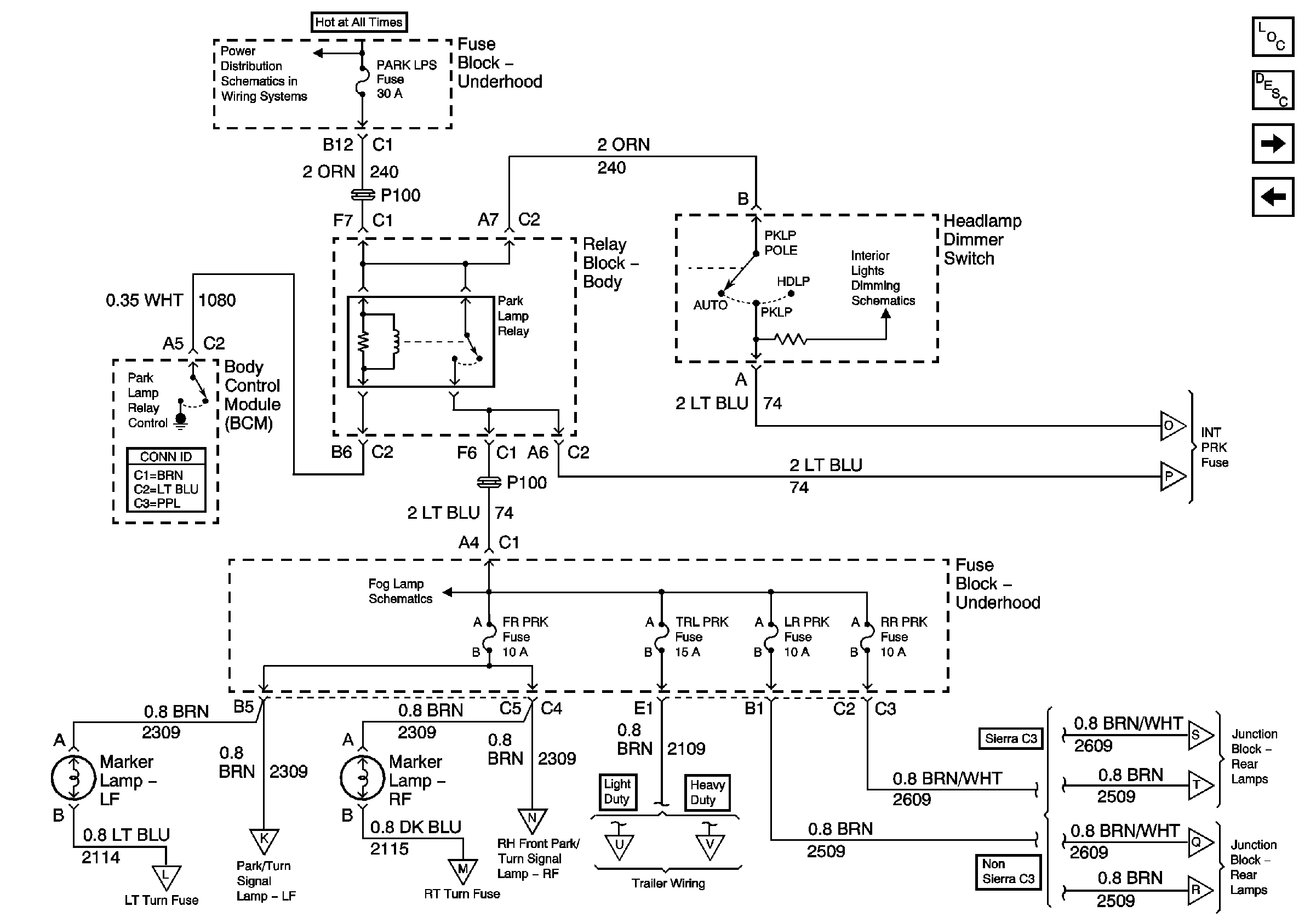
Park Lamp Supply and Clearance Lamps
Park/Turn Signal Lamps
ABS, HAZ LP, STUD 1, HTD MIR, RR DEFOG, STUD 2, CTSY LP, and PARK LP Fuses
PARK LPS Fuse, Headlamp Switch and BCM
02 GMT800 Fog Lamps Schematics
Park Lamp Supply and Clearance Lamps
Park Lamp Supply and Clearance Lamps
Park/Turn Signal Lamps
Park/Turn Signal Lamps
Park/Turn Signal Lamps
Park/Turn Signal Lamps
CHMSL and Light Duty Trailer Wiring
Heavy Duty Trailer Wiring
Rear Lamps - Sierra Denali
Rear Lamps - Sierra Denali
Rear Lamps - Except Sierra Denali
Rear Lamps - Except Sierra Denali
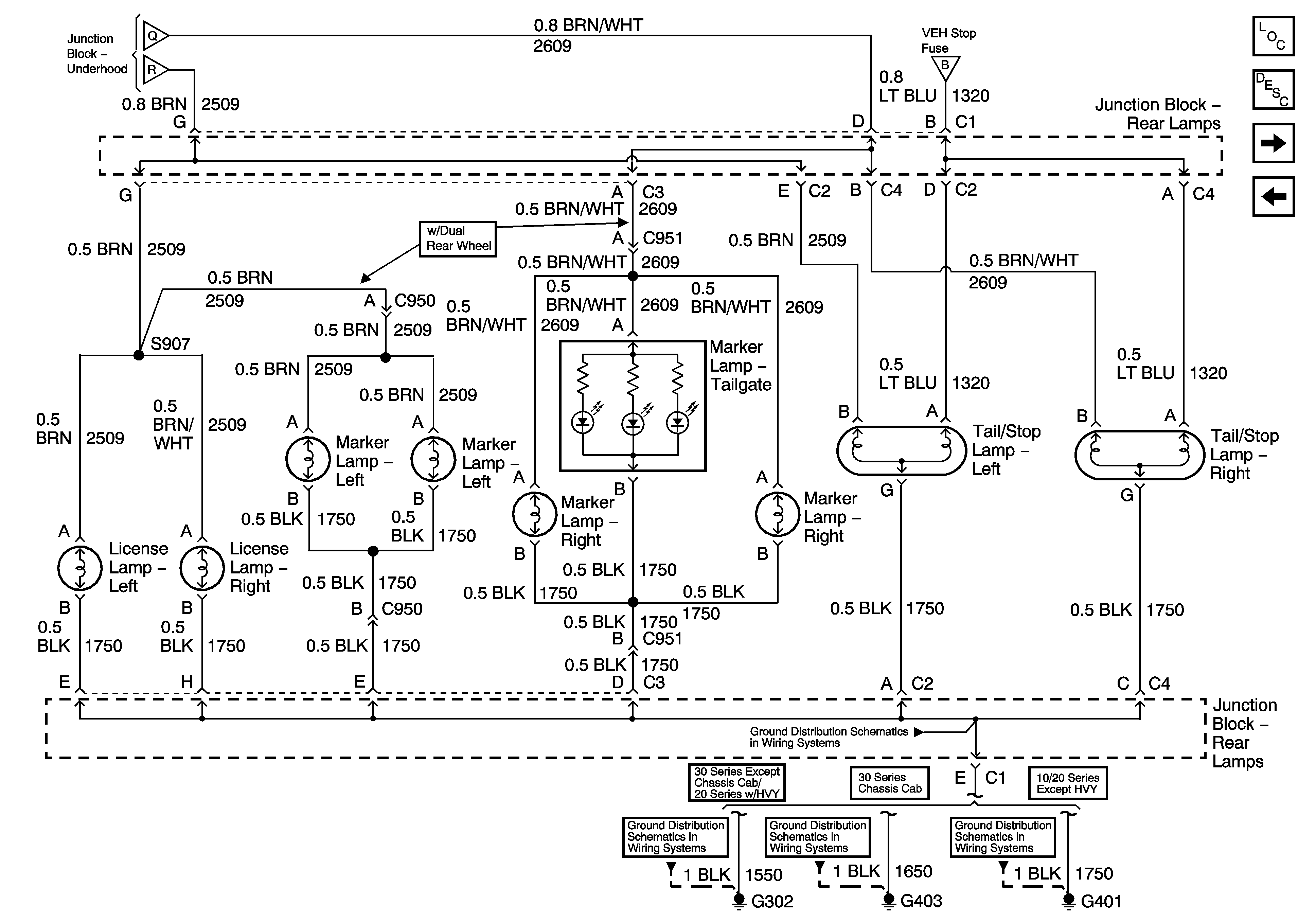
Figure 4:

Park Lamp Supply and Clearance Lamps


Object Number: 773756  Size: FS
Master Electrical Component List
Exterior Lighting Systems Description and Operation
Rear Lamps - Sierra Denali
Park Lamp Control
Park Lamp Control
Park Lamp Control
Parklamp Controls - 1 of 3
Parklamp Controls - 1 of 3
Parklamp Controls - 2 of 3
G203 - 2 of 3 - Base Except Crew Cab
G203 - 1 of 3
G200
G200
Figure 5:

Rear Lamps - Sierra Denali


Object Number: 795599  Size: FS
Master Electrical Component List
Exterior Lighting Systems Description and Operation
Rear Lamps - Except Sierra Denali
Park Lamp Supply and Clearance Lamps
Park Lamp Control
Park Lamp Control
Turn Signal/Multifunction Switch and Stop Lamp Switch Controls
G401
G401
Figure 6:

Rear Lamps - Except Sierra Denali


Object Number: 795600  Size: FS
Master Electrical Component List
Exterior Lighting Systems Description and Operation
CHMSL and Light Duty Trailer Wiring
Rear Lamps - Sierra Denali
Park Lamp Control
Park Lamp Control
Turn Signal/Multifunction Switch and Stop Lamp Switch Controls
G401
G401
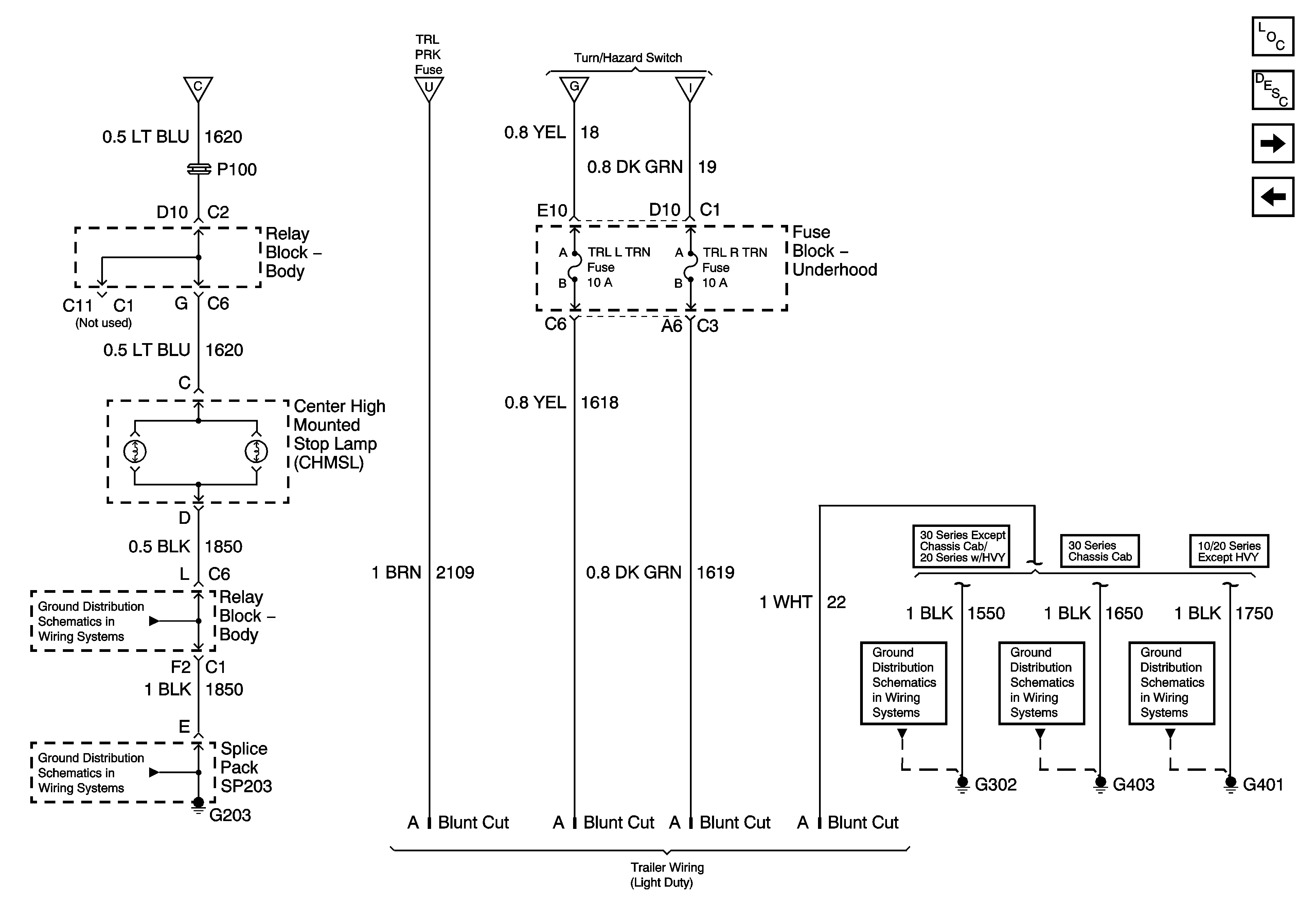
Figure 7:

CHMSL and Light Duty Trailer Wiring


Object Number: 795601  Size: FS
Master Electrical Component List
Exterior Lighting Systems Description and Operation
Heavy Duty Trailer Wiring
Rear Lamps - Except Sierra Denali
Turn Signal/Multifunction Switch and Stop Lamp Switch Controls
Park Lamp Control
Turn Signal/Multifunction Switch and Stop Lamp Switch Controls
Turn Signal/Multifunction Switch and Stop Lamp Switch Controls
G401
G203 - 2 of 3 - Base Except Crew Cab
G203 - 1 of 3
Figure 8:

Heavy Duty Trailer Wiring


Object Number: 773760  Size: FS
Master Electrical Component List
Exterior Lighting Systems Description and Operation
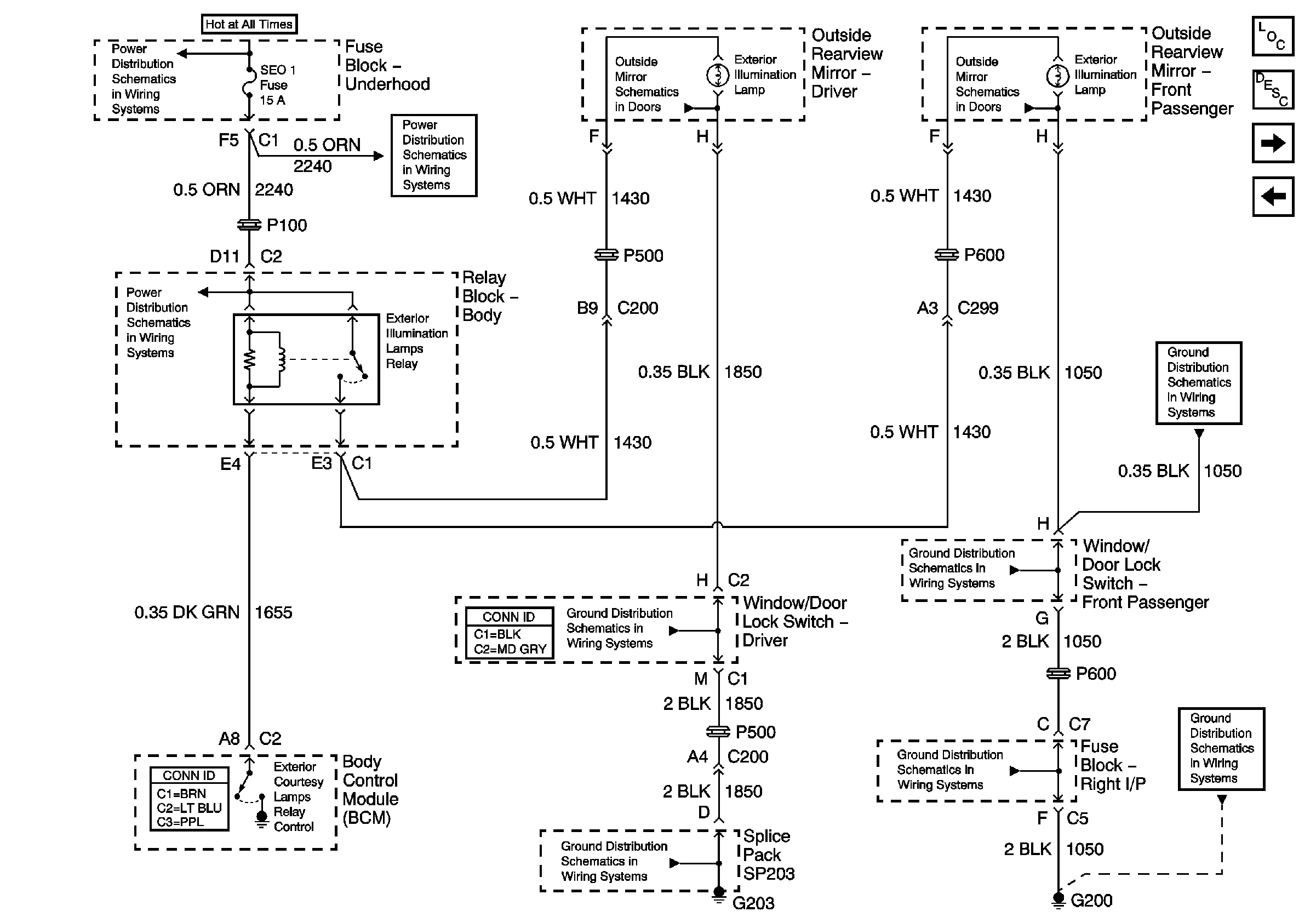
Exterior Illumination Control
CHMSL and Light Duty Trailer Wiring
Turn Signal/Multifunction Switch and Stop Lamp Switch Controls
Turn Signal/Multifunction Switch and Stop Lamp Switch Controls
ABS, HAZ LP, STUD 1, HTD MIR, RR DEFOG, STUD 2, CTSY LP, and PARK LP Fuses
ABS, HAZ LP, STUD 1, HTD MIR, RR DEFOG, STUD 2, CTSY LP, and PARK LP Fuses
B/U LAMP, BTSI, VEH B/U and TRL B/U Fuses
Park Lamp Control
G203 - 2 of 3 - Base Except Crew Cab
Turn Signal/Multifunction Switch and Stop Lamp Switch Controls
G203 - 1 of 3
G401
Figure 9:

Exterior Illumination Control


Object Number: 773758  Size: FS
Master Electrical Component List
Exterior Lighting Systems Description and Operation
Emergency Lights w/TRW
Heavy Duty Trailer Wiring
SEO 1, SEO 2, RR HVAC, EXP LPS, ATC, and RR WPR
Heated Mirror Controls
Heated Mirror Controls
SEO 1, SEO 2, RR HVAC, EXP LPS, ATC, and RR WPR
SEO 1, SEO 2, RR HVAC, EXP LPS, ATC, and RR WPR
G200
G203 - 1 of 3
G203 - 1 of 3
G200
G200
G200
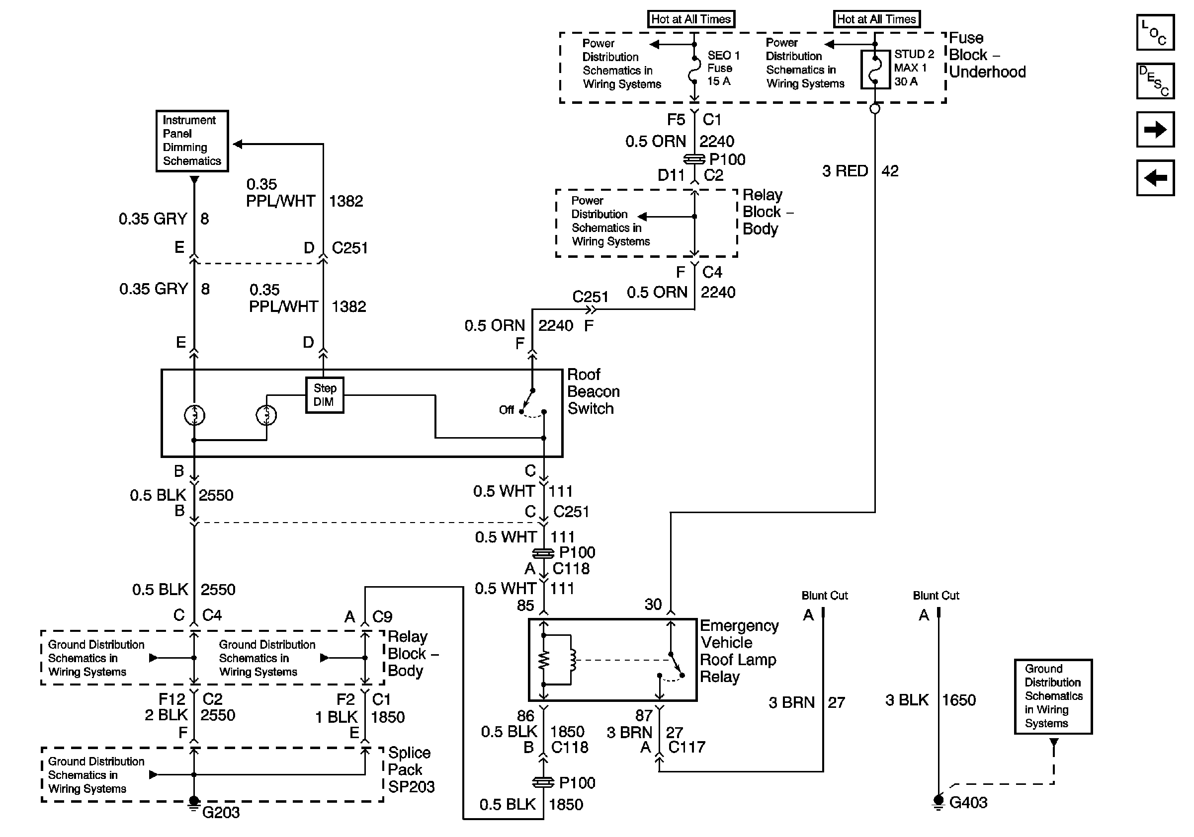
Figure 10:

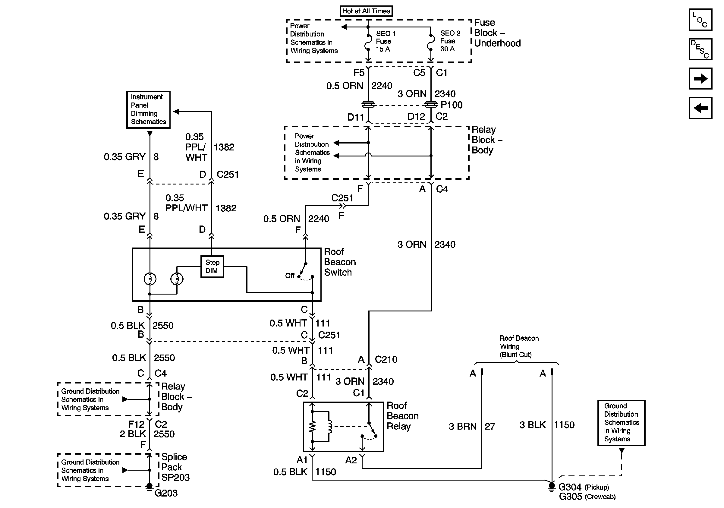
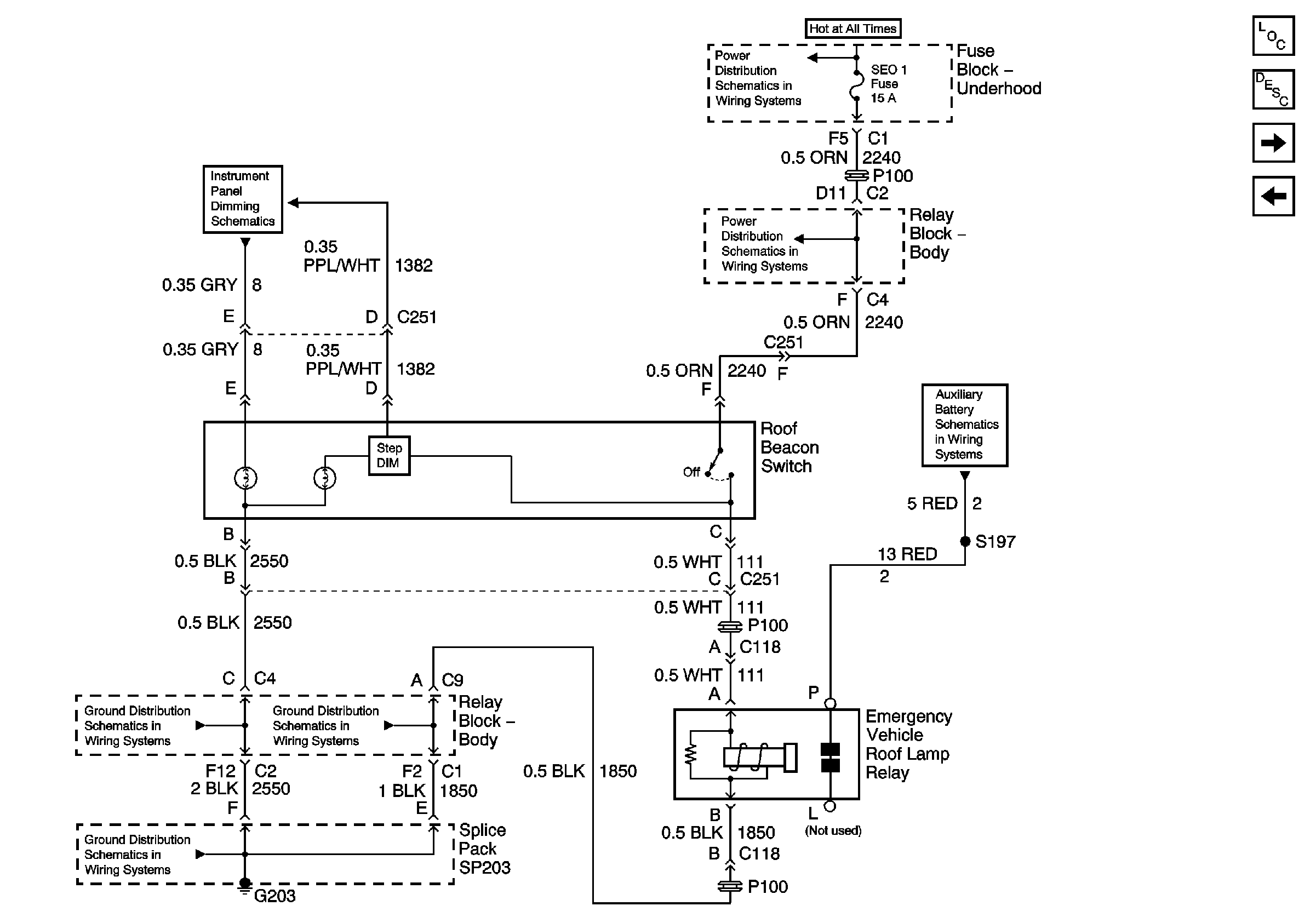
Emergency Lights w/TRW


Object Number: 773763  Size: FS
Master Electrical Component List
Exterior Lighting Systems Description and Operation
Emergency Lights w/5X7
Exterior Illumination Control
SEO 1, SEO 2, RR HVAC, EXP LPS, ATC, and RR WPR
Selectable Ride/Roof Beacon Switch
SEO 1, SEO 2, RR HVAC, EXP LPS, ATC, and RR WPR
G203 - 1 of 3
G203 - 1 of 3
G304
Figure 11:

Emergency Lights w/5X7


Object Number: 802360  Size: FS
Master Electrical Component List
Exterior Lighting Systems Description and Operation
Emergency Lights w/5Y0
Emergency Lights w/TRW
Selectable Ride/Roof Beacon Switch
SEO 1, SEO 2, RR HVAC, EXP LPS, ATC, and RR WPR
SEO 1, SEO 2, RR HVAC, EXP LPS, ATC, and RR WPR
02 GMT800 G100, G105, G106, G104 , Auxiliary Battery Relay
G203 - 1 of 3
G203 - 2 of 3 - Base Except Crew Cab
G203 - 1 of 3
Figure 12:

Emergency Lights w/5X7


Object Number: 802363  Size: FS
Master Electrical Component List
Exterior Lighting Systems Description and Operation
Camper Wiring
Emergency Lights w/5X7
SEO 1, SEO 2, RR HVAC, EXP LPS, ATC, and RR WPR
ABS, HAZ LP, STUD 1, HTD MIR, RR DEFOG, STUD 2, CTSY LP, and PARK LP Fuses
SEO 1, SEO 2, RR HVAC, EXP LPS, ATC, and RR WPR
Selectable Ride/Roof Beacon Switch
G203 - 1 of 3
G203 - 1 of 3
G203 - 2 of 3 - Base Except Crew Cab
G401
Figure 13:

Camper Wiring


Object Number: 795602  Size: FS
Master Electrical Component List
Exterior Lighting Systems Description and Operation
Backup Lamps
Emergency Lights w/5Y0
Figure 14:

Backup Lamps


Object Number: 775522  Size: FS
Master Electrical Component List
Exterior Lighting Systems Description and Operation
Camper Wiring
B/U LAMP, BTSI, VEH B/U and TRL B/U Fuses
G401
G401