GM Service Manual Online
For 1990-2009 cars only
Makes
🢒
Chevrolet
🢒
2002
🢒
Chevy C Silverado - 2WD
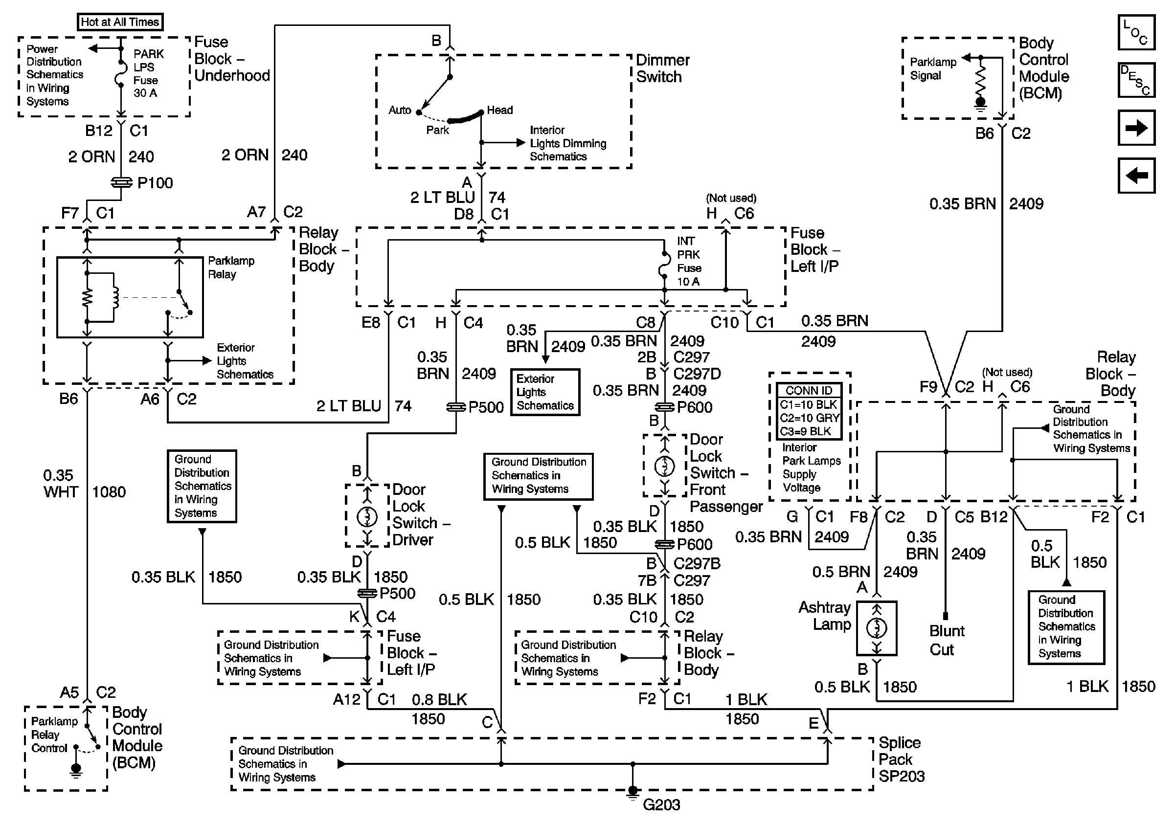
🢒 Parklamp Control
Parklamp Control
Park Lamp Relay Control
Master Electrical Component List
Interior Lighting Systems Description and Operation
Door Jamb Switch Signals
Courtesy Lamp Control - 2 of 2
ABS, HAZ LP, STUD 1, HTD MIR, RR DEFOG, STUD 2, CTSY LP, and PARK LP Fuses
PARK LPS Fuse, Headlamp Switch and BCM
Park Lamp Control
G203 - 1 of 3
G203 - 1 of 3
G203 - 1 of 3
Park Lamp Supply and Clearance Lamps
G203 - 2 of 3 - Base Except Crew Cab
G203 - 2 of 3 - Base Except Crew Cab
G203 - 2 of 3 - Base Except Crew Cab
G203 - 2 of 3 - Base Except Crew Cab