GM Service Manual Online
For 1990-2009 cars only
Makes
🢒
Chevrolet
🢒
1999
🢒
Chevy P12 Chassis
🢒
Engine
🢒
Engine Electrical
🢒 Starting and Charging Schematics
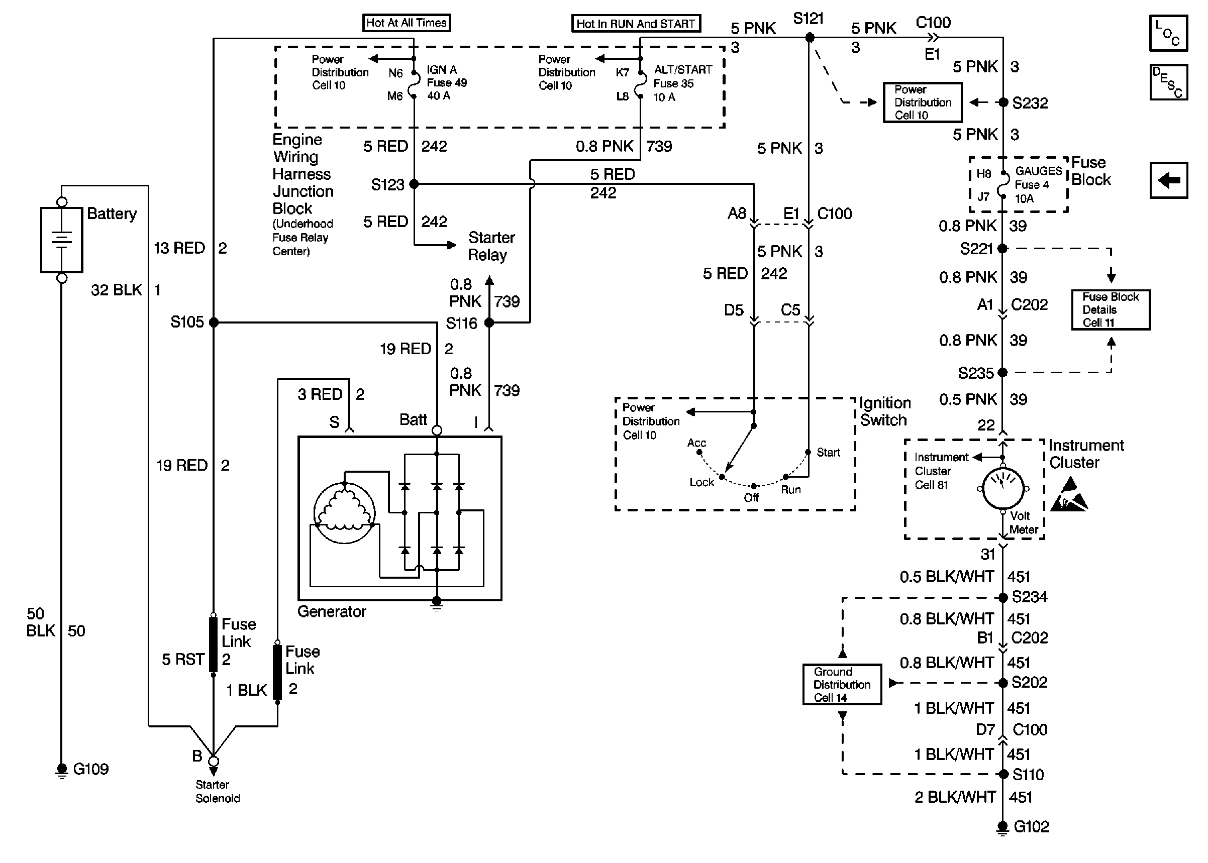
Figure
1:
Cell 30: Starting System
Engine Electrical Components
Starting System Circuit Description
Cell 30: Charging System
Cell 10: Battery, Starter, Junction Block
Cell 30: Charging System
Cell 10: Junction Block
Cell 14: G104
Cell 10: Ignition Switch, Fuse Block
Handling ESD Sensitive Parts Notice
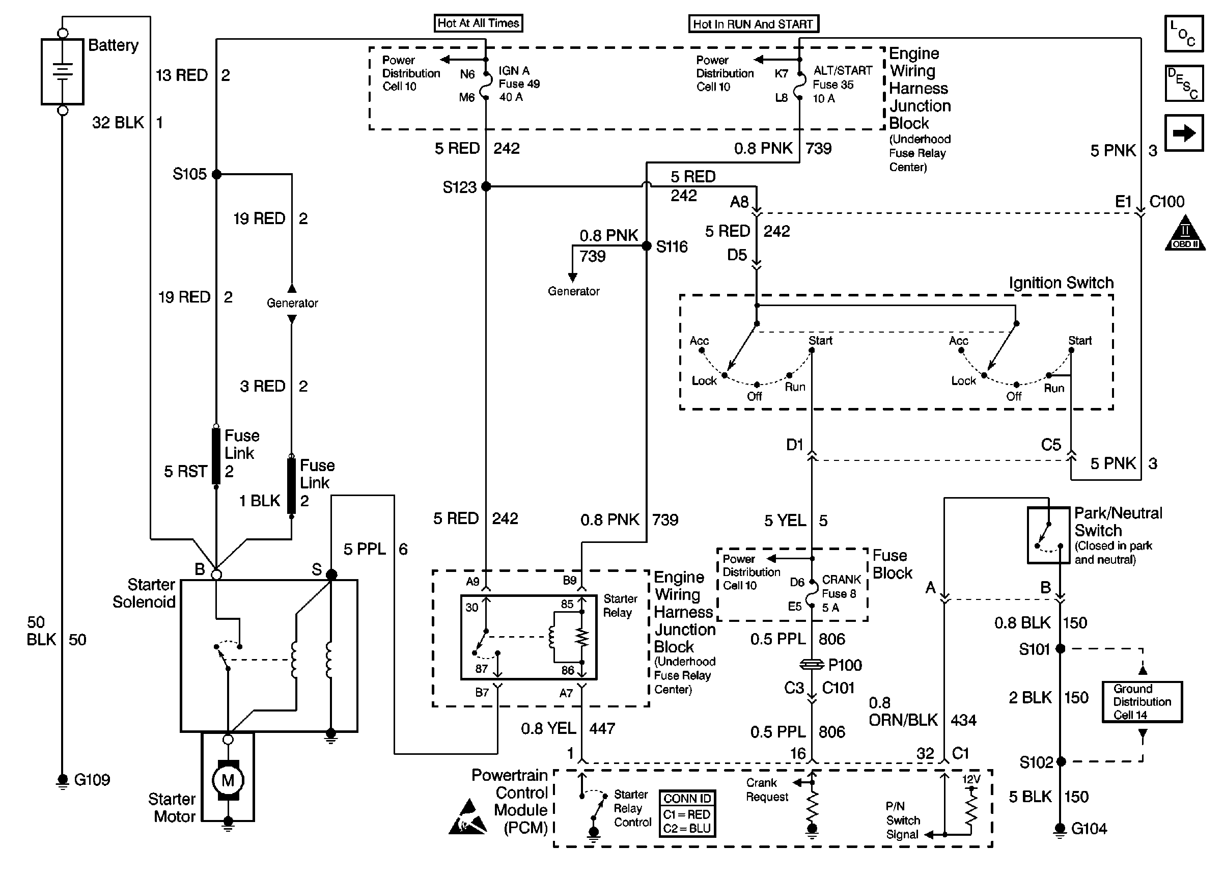
Figure
2:
Cell 30: Charging System
Engine Electrical Components
Charging System Circuit Description
Cell 30: Starting System
Cell 10: Battery, Starter, Junction Block
Cell 30: Starting System
Cell 10: Junction Block
Cell 10: Junction Block
Cell 11: GAUGES, TURN/BU, and TAC fuses
Handling ESD Sensitive Parts Notice
Cell 81: Gauges
Cell 14: G102
Cell 10: Ignition Switch, Fuse Block
Cell 30: Starting System