GM Service Manual Online
For 1990-2009 cars only
Makes
🢒
Chevrolet
🢒
1999
🢒
Chevy P12 Chassis
🢒 Cell 76
Cell 76
Cell 76
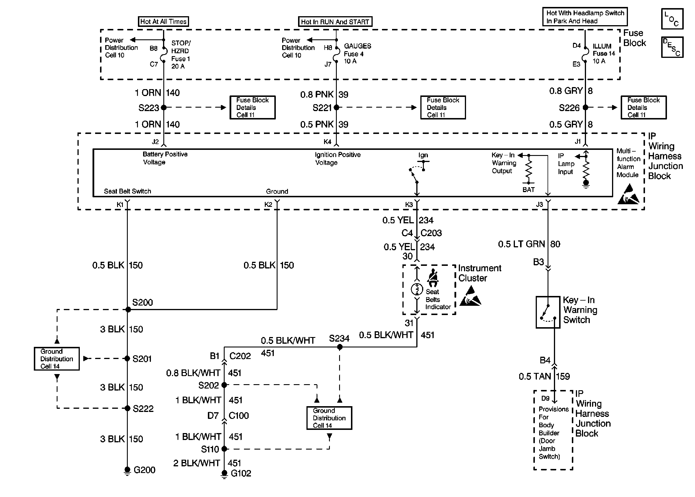
Audible Warnings Components
Audible Warnings Circuit Description
Cell 10: Fuse Block, Headlamp Switch
Cell 10: Junction Block
Cell 11: ILLUM, RADIO BATT, CIG LTR, AUX PWR, and STOP HZRD fuses, PWR ACCY 1 CKT BRKR
Cell 11: GAUGES, TURN/BU, and TAC fuses
Cell 11: ILLUM, RADIO BATT, CIG LTR, AUX PWR, and STOP HZRD fuses, PWR ACCY 1 CKT BRKR
Handling ESD Sensitive Parts Notice
Cell 14: G200
Cell 14: G102
Handling ESD Sensitive Parts Notice