GM Service Manual Online
For 1990-2009 cars only
Makes
🢒
Chevrolet
🢒
2007
🢒
Chevy Suburban - 4WD
🢒
Diagnostic Navigation
🢒
Vehicle Diagnostic Information
🢒 Interior Lights Schematics
Figure
1:
Inadvertent Lamp Controls
Master Electrical Component List
Interior Lighting Systems Description and Operation
Control Module References
Courtesy Lamp Control
B+ Bus - 1 of 3
Headlamp and Daytime Running Lamp Controls
G201
G200 - 1 of 2
Figure
2:
Courtesy Lamp Controls
Master Electrical Component List
Interior Lighting Systems Description and Operation
Control Module References
Door Jamb Switches
Inadvertent Lamp Control
Low Speed Bus - SP 200 - 2 of 3
Low Speed Bus - SP200 - 1 of 3
G200 - 1 of 2
G402 - E52
G303, G304, and G305
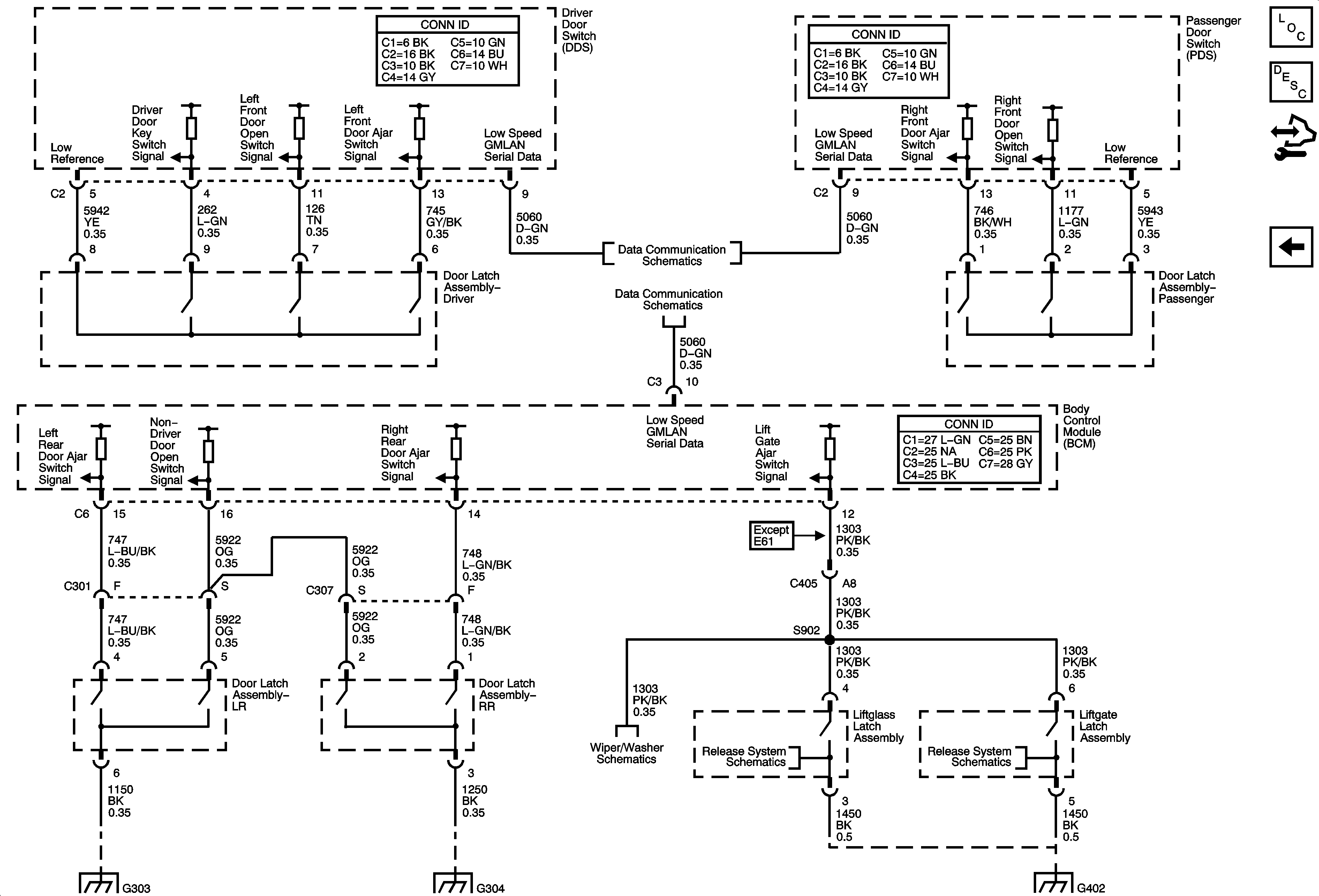
Figure
3:
Door Jamb Switches
Master Electrical Component List
Interior Lighting Systems Description and Operation
Control Module References
Courtesy Lamp Control
G303, G304, and G305
G303, G304, and G305
Rear
Liftglass - E52
Low Speed Bus - SP200 - 1 of 3
Low Speed Bus - SP 200 - 2 of 3
Liftgate - E52 Except E61
G402 - E52