GM Service Manual Online
For 1990-2009 cars only
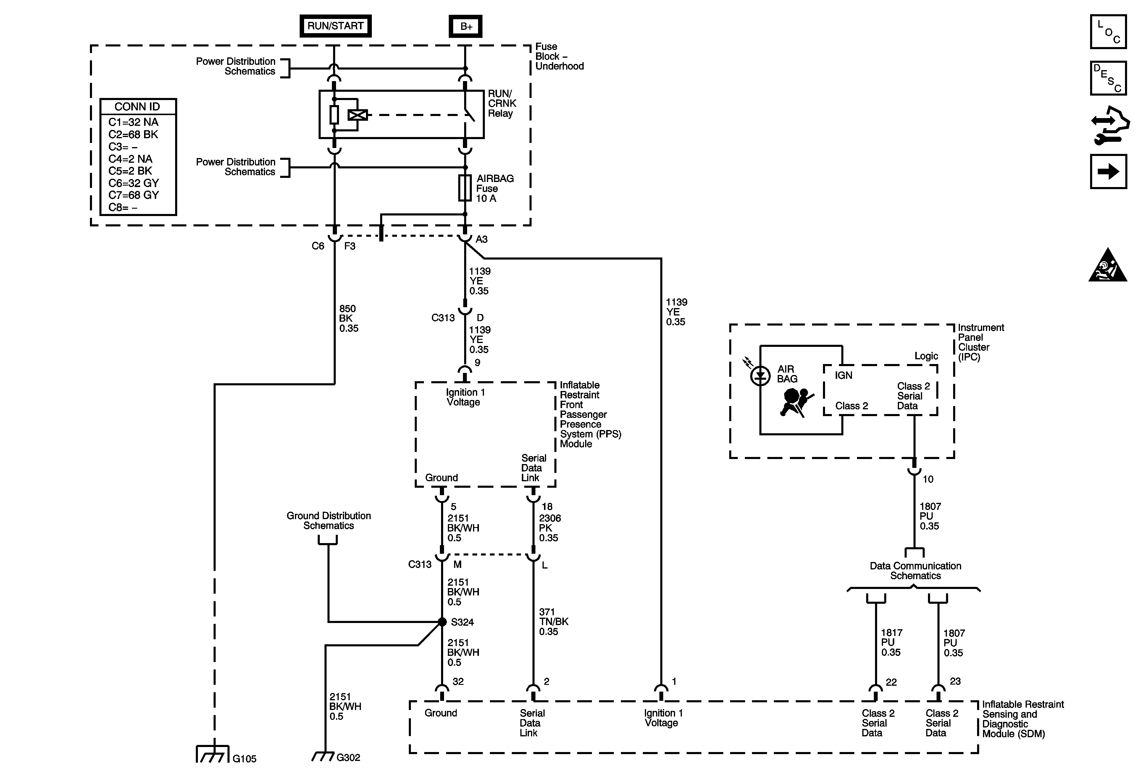
Figure 1:

Power, Ground, Serial Data, and Disable Switch


Object Number: 1775557  Size: FS
Master Electrical Component List
SIR System Description and Operation
Body Control Module Programming and Setup
Side Impact Sensors, Front End Sensors, and Modules
SIR Schematic Icons
B+ Bus - Underhood Fuse Block
RUN/CRANK RELAY BUS - 1 of 3, CRUISE, SIR, and TRANS Fuses
G300, G301, and G302
Splice Pack SP105 and G105 - 1 of 2
Data Communication Schematics
Figure 2:

Front End Sensors, Side Impact Sensors, and Modules


Object Number: 1775570  Size: FS
Master Electrical Component List
SIR System Description and Operation
Body Control Module Programming and Setup
PPS Sensors and Indicators
Power, Ground, Serial Data, and Disable Switch
SIR Schematic Icons
SIR Schematic Icons
SIR Schematic Icons
SIR Schematic Icons
SIR Schematic Icons
SIR Schematic Icons
SIR Schematic Icons
SIR Schematic Icons
SIR Schematic Icons
Figure 3:

PPS Sensors and Indicators


Object Number: 1775577  Size: FS
Master Electrical Component List
SIR System Description and Operation
Body Control Module Programming and Setup
Seat Position Sensors, and Seat Belt Pretensioners
Side Impact Sensors, Front End Sensors, and Modules
SIR Schematic Icons
RUN/CRANK RELAY BUS - 1 of 3, CRUISE, SIR, and TRANS Fuses
RUN/CRANK RELAY BUS - 1 of 3, CRUISE, SIR, and TRANS Fuses
RUN/CRANK RELAY BUS - 1 of 3, CRUISE, SIR, and TRANS Fuses
Shift Control Switch Inputs
Seat Belt Schematics
Splice Pack SP105 and G105 - 1 of 2
Splice Pack SP105 and G105 - 1 of 2
Figure 4:

Seat Position Sensors, and Seat Belt Pretensioners


Object Number: 1775583  Size: FS
Master Electrical Component List
SIR System Description and Operation
Body Control Module Programming and Setup
PPS Sensors and Indicators
SIR Schematic Icons
SIR Schematic Icons
Seat Belt Schematics