GM Service Manual Online
For 1990-2009 cars only
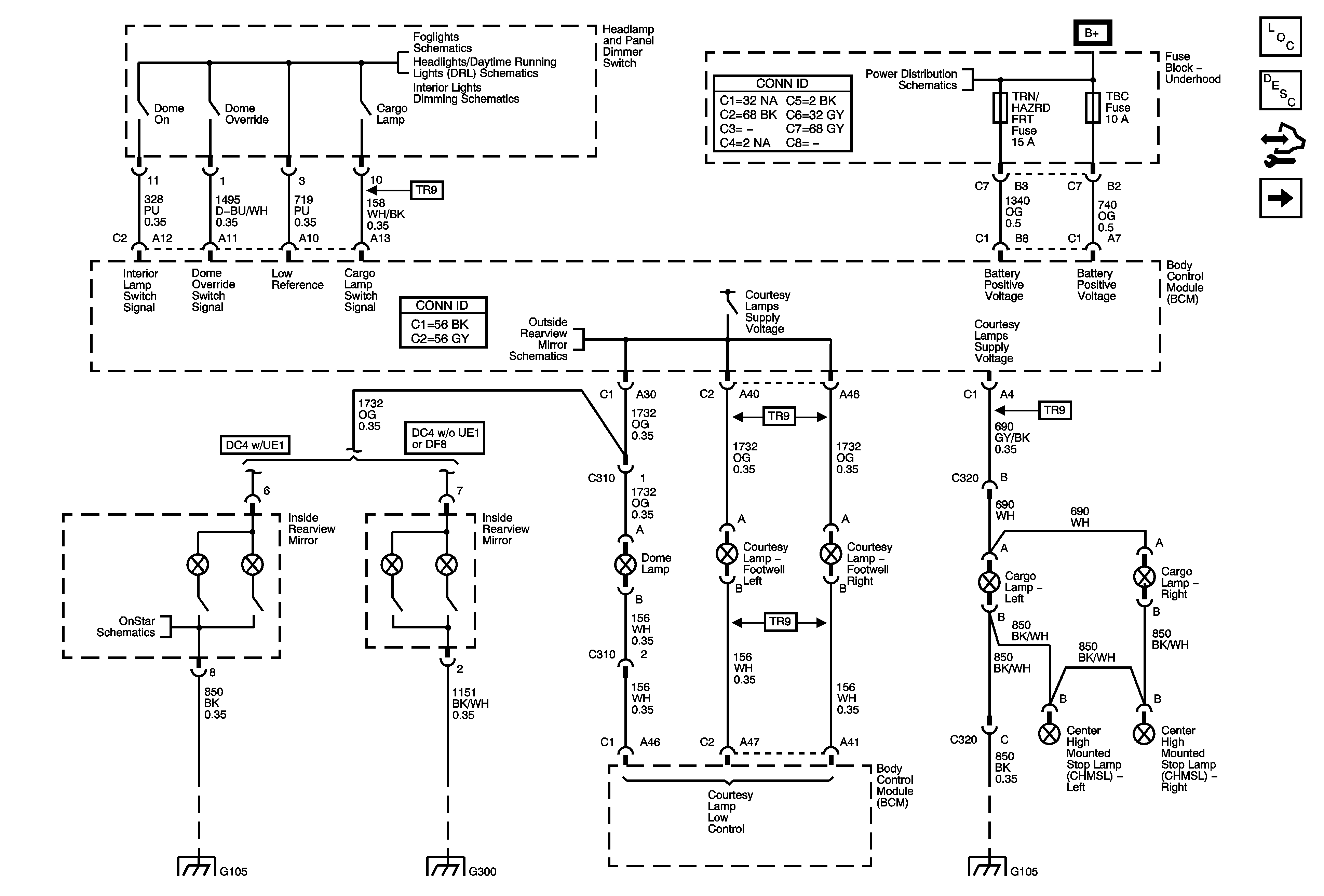
Figure 1:

Inside Rearview Mirror, Dome Lamp, Footwell Courtesy Lamps, and Cargo Lamp


Object Number: 1775242  Size: FS
Master Electrical Component List
Interior Lighting Systems Description and Operation
Body Control Module (BCM) Programming/RPO Configuration
Door Lock, Window Switches, and Outside Rearview Mirror Switch
Fog Lights
w/TT5
w/o TT5
Interior Lights Dimming Schematics
B+ Bus - Underhood Fuse Block
Outside Rearview Mirror Schematics
OnStar Schematics
Splice Pack SP105 and G105 - 1 of 2
G300, G301, and G302
Splice Pack SP105 and G105 - 1 of 2
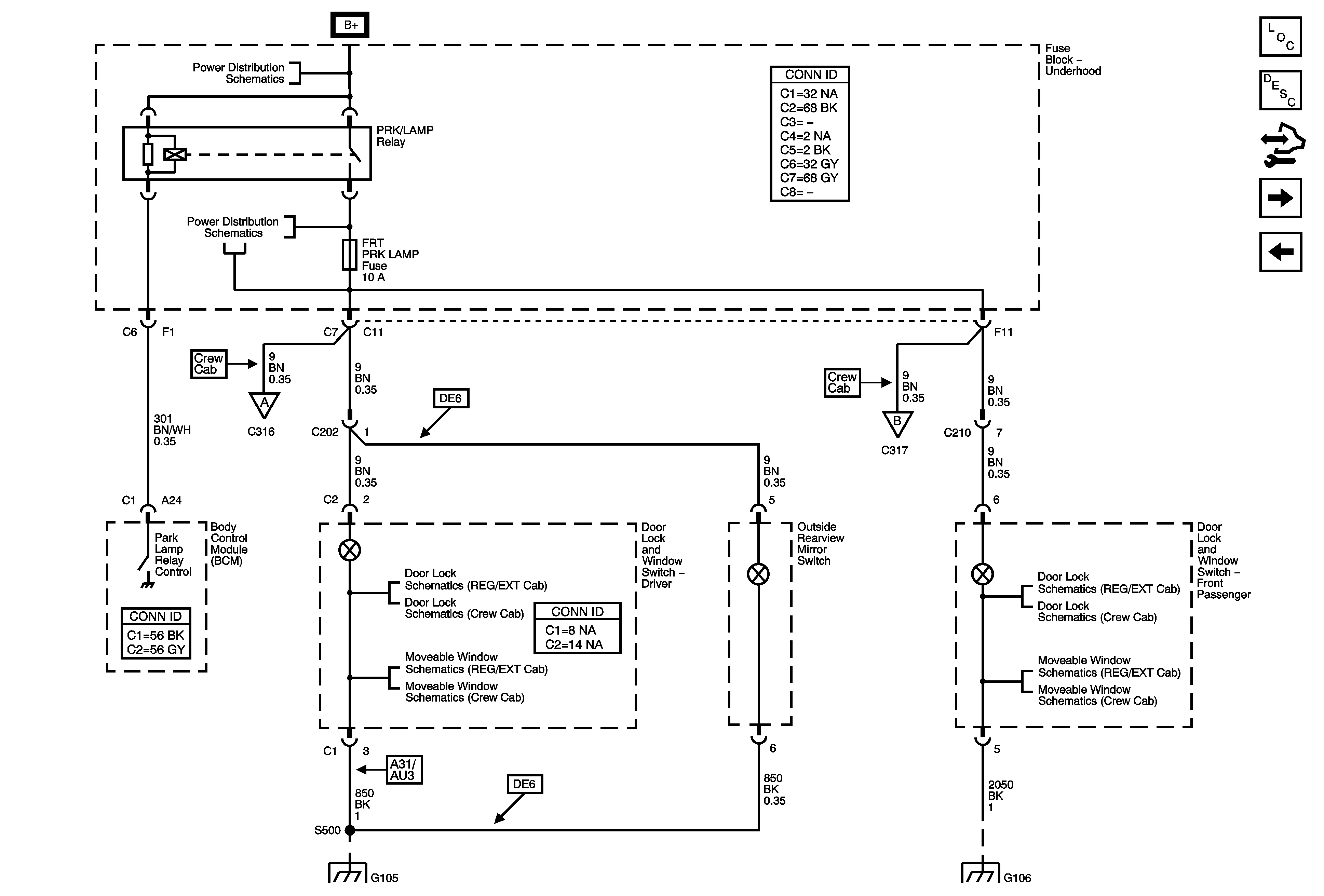
Figure 2:

Door Lock, Window Switches, and Outside Rearview Mirror Switch


Object Number: 1775265  Size: FS
Master Electrical Component List
Interior Lighting Systems Description and Operation
Body Control Module (BCM) Programming/RPO Configuration
Door Jamb Switches
Inside Rearview Mirror, Dome Lamp, Footwell Lamps, and Cargo Lamp
B+ Bus - Underhood Fuse Block
FR PK LP, RR PK LP, and RR PK LP2 Fuses
Door Jamb Switches
Door Jamb Switches
Power Door Locks, Regular and Extended Cab
Power Door Locks - Crew Cab
Left Door Regular and Extended Cab
Rear Doors Crew Cab
Power Door Locks, Regular and Extended Cab
Power Door Locks - Crew Cab
Right Door Regular and Extended Cab
Right Door Crew Cab
Splice Pack SP105 and G105 - 1 of 2
Splice Pack SP106 and G106 - 1 of 2
Figure 3:

Door Jamb Switches


Object Number: 1775275  Size: FS
Master Electrical Component List
Interior Lighting Systems Description and Operation
Body Control Module (BCM) Programming/RPO Configuration
Door Lock, Window Switches, and Outside Rearview Mirror Switch
B+ Bus - Underhood Fuse Block
Door Lock, Window Switches, and Outside Rearview Mirror Switch
Rear Doors Crew Cab
Splice Pack SP105 and G105 - 1 of 2
Rear Doors Crew Cab
Splice Pack SP106 and G106 - 1 of 2
G300, G301, and G302
G300, G301, and G302