GM Service Manual Online
For 1990-2009 cars only
Figure 1:

Cell 20: Power, Ground, DLC and MIL


Object Number: 429976  Size: FS
Engine Controls Components
Powertrain Control Module Description
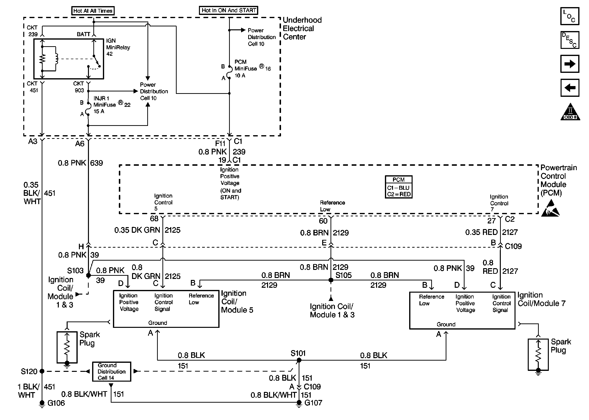
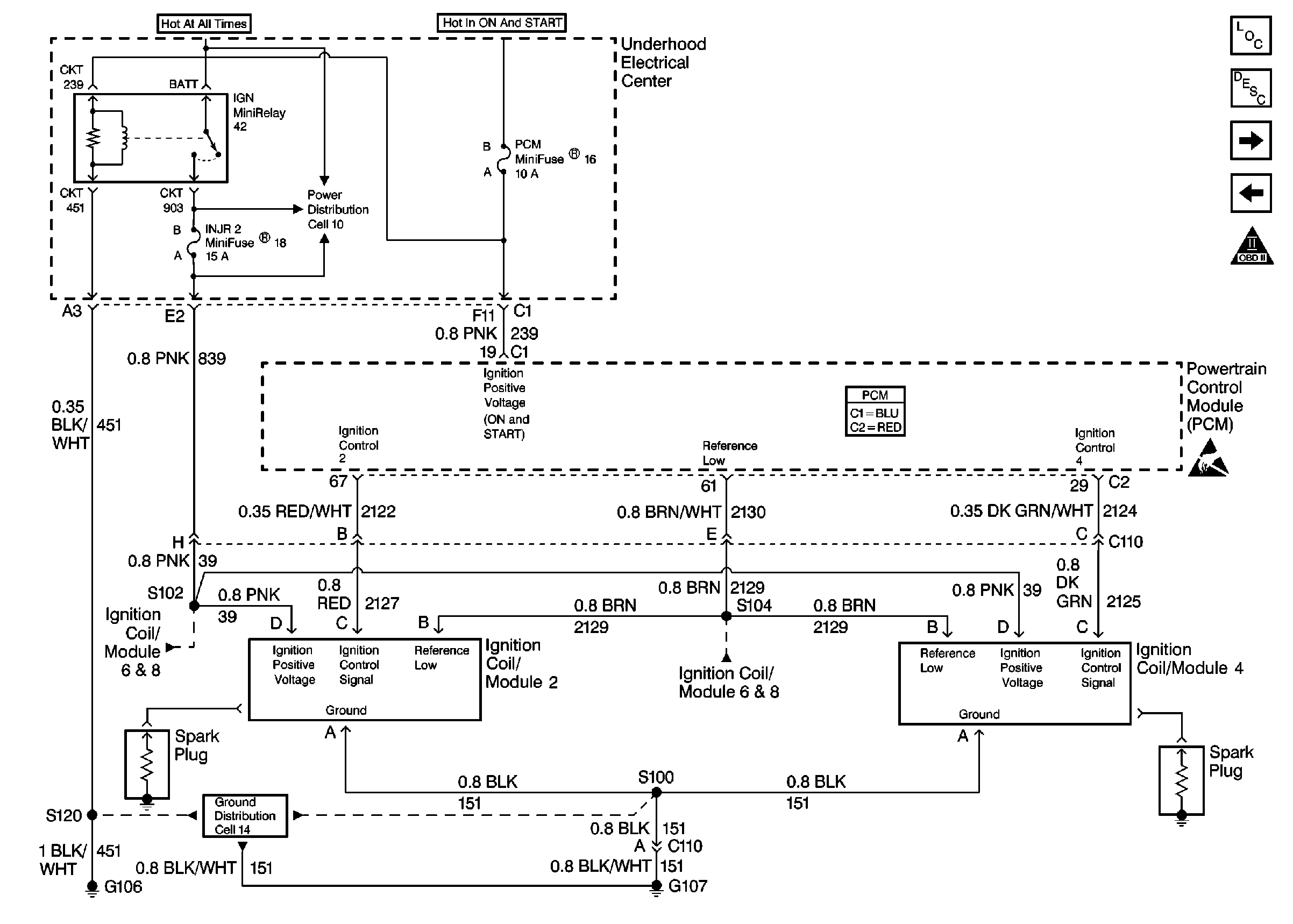
Cell 20: Ignition Coil/Module Cylinders 1 and 3
OBD II Symbol Description Notice
Handling ESD Sensitive Parts Notice
Class 2 Serial Data Cell 50
Class 2 Serial Data Cell 50
Cell 10: I/P Fuses 25, 23, 29, Relay 42
Cell 10: I/P Fuses 25, 23, 29, Relay 42
Cell 14: SP102, SP208, G104
Handling ESD Sensitive Parts Notice
Powertrain Control Module Connector End Views
Cell 14: SP201, SP203, G201
Ground Distribution Schematics
Handling ESD Sensitive Parts Notice
Cell 10: U/H Fuses 16, 19, Relay 42
Cell 10: U/H Fuses 52, 53, 4, 3, 23
Figure 2:

Cell 20: Ignition Coil/Module Cylinders 1 and 3


Object Number: 430025  Size: FS
Engine Controls Components
Electronic Ignition (EI) System Description
Cell 20: Ignition Coil/Module Cylinders 5 and 7
Cell 20: Power, Ground, DLC and MIL
OBD II Symbol Description Notice
Handling ESD Sensitive Parts Notice
Powertrain Control Module Connector End Views
Cell 20: Ignition Coil/Module Cylinders 5 and 7
Cell 10: U/H Fuses 16, 19, Relay 42
Cell 10: U/H Fuses 22, 17
Cell 20: Ignition Coil/Module Cylinders 5 and 7
Ground Distribution Schematics
Figure 3:

Cell 20: Ignition Coil/Module Cylinders 5 and 7


Object Number: 430031  Size: FS
Engine Controls Components
Electronic Ignition (EI) System Description
Cell 20: Ignition Coil/Module Cylinders 2 and 4
Cell 20: Ignition Coil/Module Cylinders 1 and 3
OBD II Symbol Description Notice
Handling ESD Sensitive Parts Notice
Powertrain Control Module Connector End Views
Cell 10: U/H Fuses 16, 19, Relay 42
Cell 10: U/H Fuses 22, 17
Cell 20: Ignition Coil/Module Cylinders 1 and 3
Ground Distribution Schematics
Cell 20: Ignition Coil/Module Cylinders 1 and 3
Figure 4:

Cell 20: Ignition Coil/Module Cylinders 2 and 4


Object Number: 430033  Size: FS
Engine Controls Components
Electronic Ignition (EI) System Description
Cell 20: Ignition Coil/Module Cylinders 6 and 8
Cell 20: Ignition Coil/Module Cylinders 5 and 7
OBD II Symbol Description Notice
Handling ESD Sensitive Parts Notice
Powertrain Control Module Connector End Views
Cell 10: U/H Fuses 18, 24, Relay 34
Cell 20: Ignition Coil/Module Cylinders 6 and 8
Ground Distribution Schematics
Cell 20: Ignition Coil/Module Cylinders 6 and 8
Figure 5:

Cell 20: Ignition Coil/Module Cylinders 6 and 8


Object Number: 430036  Size: FS
Engine Controls Components
Electronic Ignition (EI) System Description
Cell 20: CKP, CMP, KS and Traction Control System
Cell 20: Ignition Coil/Module Cylinders 2 and 4
OBD II Symbol Description Notice
Handling ESD Sensitive Parts Notice
Powertrain Control Module Connector End Views
Cell 10: U/H Fuses 18, 24, Relay 34
Cell 20: Ignition Coil/Module Cylinders 2 and 4
Ground Distribution Schematics
Cell 20: Ignition Coil/Module Cylinders 2 and 4
Figure 6:

Cell 20: CKP, CMP, KS and Traction Control System


Object Number: 430037  Size: FS
Engine Controls Components
Knock Sensor (KS) System Description
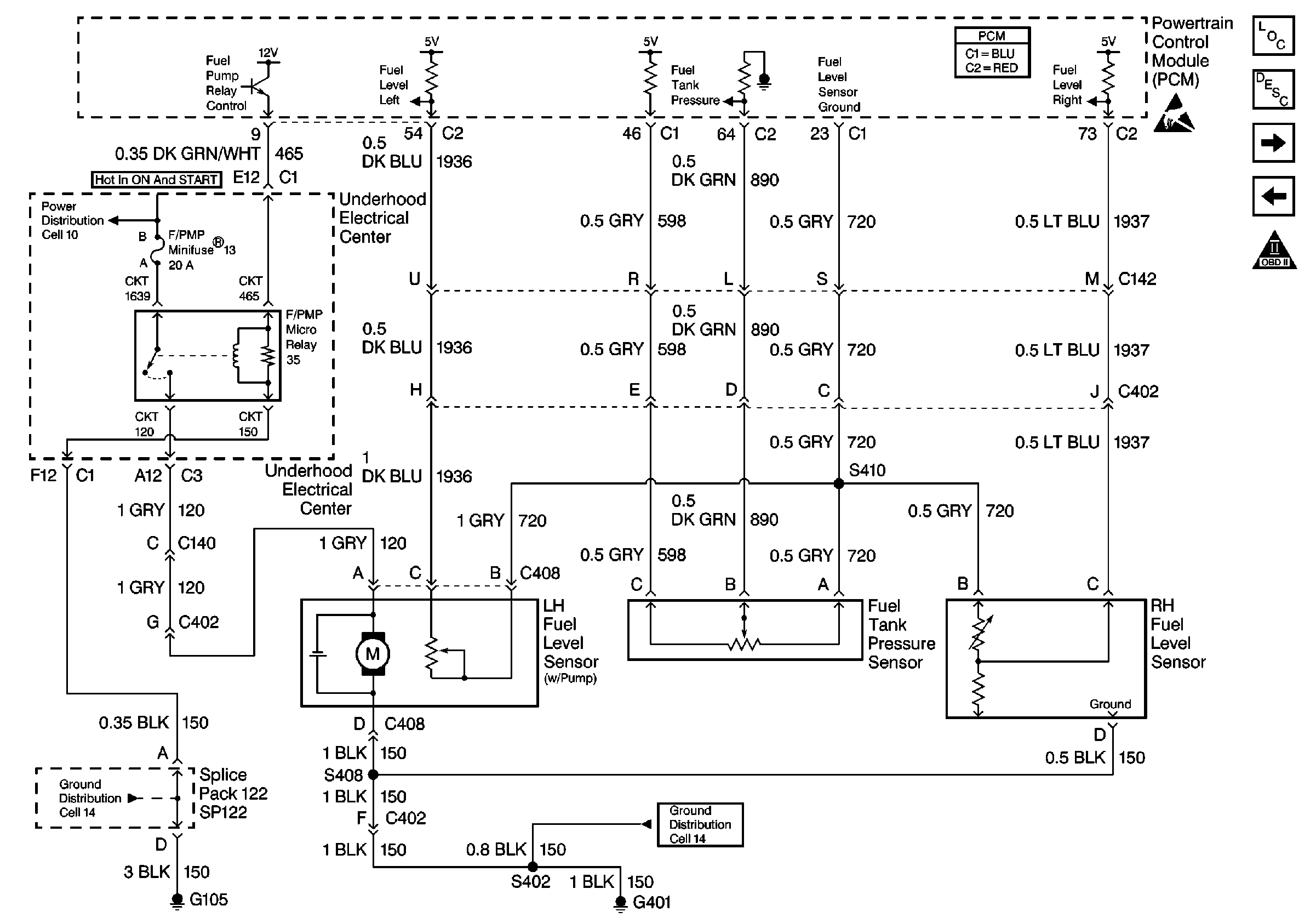
Cell 20: Fuel Pump, Fuel Level Sensors and Fuel Tank Pressure Sensor
Cell 20: Ignition Coil/Module Cylinders 6 and 8
OBD II Symbol Description Notice
Powertrain Control Module Connector End Views
Handling ESD Sensitive Parts Notice
Handling ESD Sensitive Parts Notice
Figure 7:

Cell 20: Fuel Pump, Fuel Level Sensors and Fuel Tank Pressure Sensor


Object Number: 430047  Size: FS
Engine Controls Components
Information Sensors/Switches Description
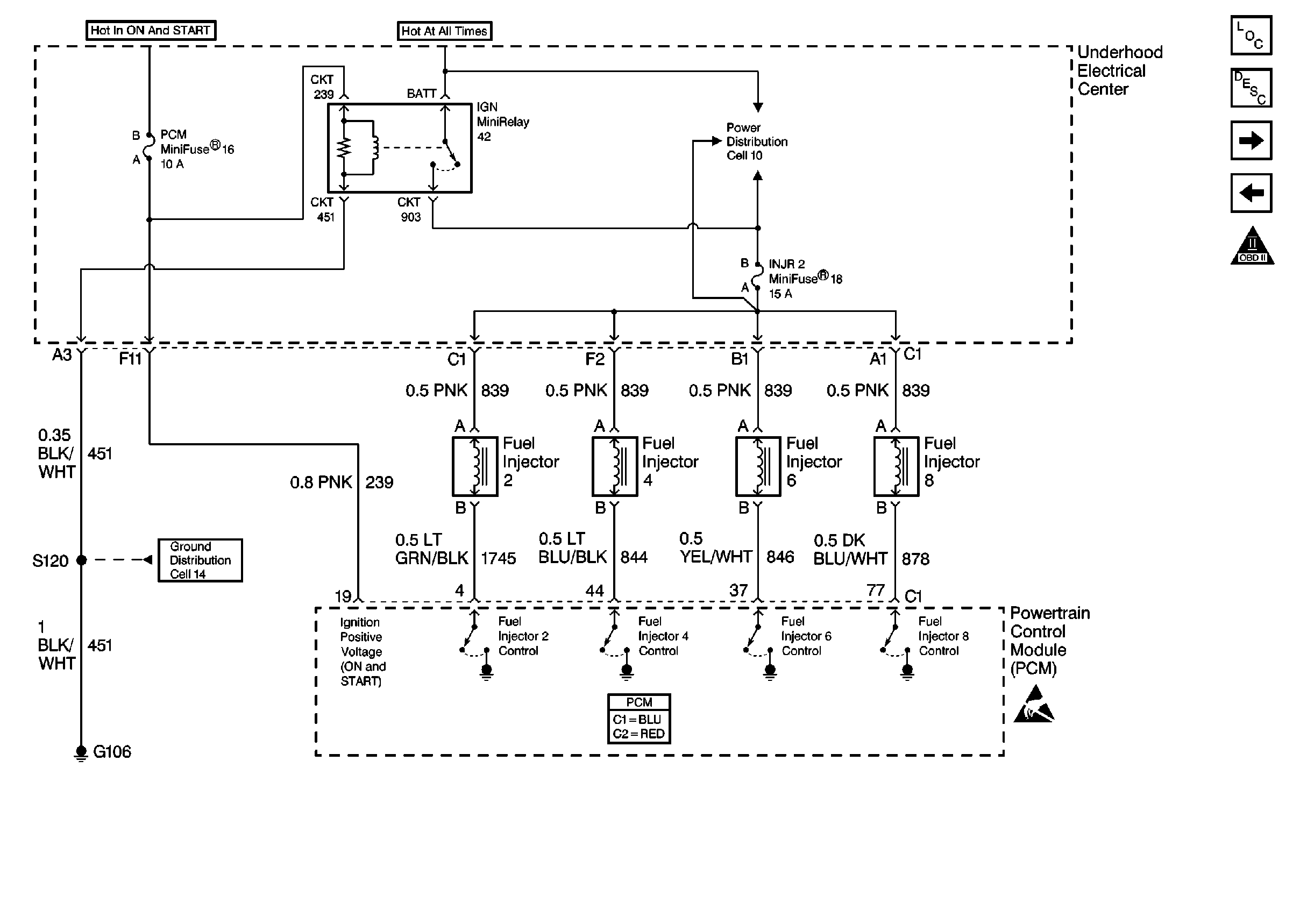
Cell 20: Fuel Injectors 2, 4, 6 and 8
Cell 20: CKP, CMP, KS and Traction Control System
OBD II Symbol Description Notice
Handling ESD Sensitive Parts Notice
Powertrain Control Module Connector End Views
Cell 14: SP400, G401
Cell 14: SP122, G106, G105
Cell 10: U/H Fuses 7, 46, 14, 13, Relays 41, 43, 44, 35
Figure 8:

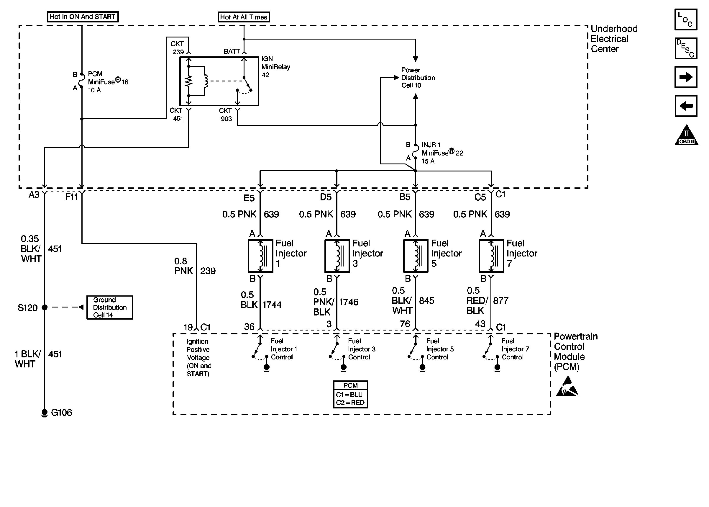
Cell 20: Fuel Injectors 2, 4, 6 and 8


Object Number: 430051  Size: FS
Engine Controls Components
Fuel Metering System Component Description
Cell 20: Fuel Injectors 1, 3, 5 and 7
Cell 20: Fuel Pump, Fuel Level Sensors and Fuel Tank Pressure Sensor
OBD II Symbol Description Notice
Handling ESD Sensitive Parts Notice
Cell 10: U/H Fuses 16, 19, Relay 42
Powertrain Control Module Connector End Views
Cell 14: SP122, G106, G105
Figure 9:

Cell 20: Fuel Injectors 1, 3, 5 and 7


Object Number: 430053  Size: FS
Engine Controls Components
Fuel Metering System Component Description
Cell 20: Cruise Control Switch
Cell 20: Fuel Injectors 2, 4, 6 and 8
OBD II Symbol Description Notice
Cell 10: U/H Fuses 16, 19, Relay 42
Handling ESD Sensitive Parts Notice
Powertrain Control Module Connector End Views
Cell 14: SP122, G106, G105
Figure 10:

Cell 20: Cruise Control Switch


Object Number: 430055  Size: FS
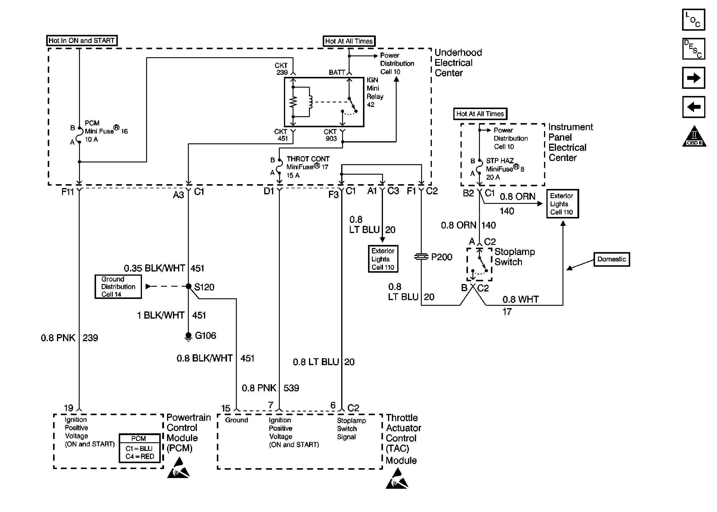
Engine Controls Components
Throttle Actuator Control (TAC) System Description
Cell 20: Stop Lamp Switch
Cell 20: Fuel Injectors 1, 3, 5 and 7
OBD II Symbol Description Notice
Powertrain Control Module Connector End Views
Handling ESD Sensitive Parts Notice
Handling ESD Sensitive Parts Notice
Cell 10: I/P Fuses 15, 16, 13, 20, 19
Figure 11:

Cell 20: Stop Lamp Switch


Object Number: 430058  Size: FS
Engine Controls Components
Throttle Actuator Control (TAC) System Description
Cell 20: TP and APP Sensors
Cell 20: Cruise Control Switch
OBD II Symbol Description Notice
Cell 10: I/P Fuses 28, 8, 1, 7, Relay 45
Cell 10: U/H Fuses 16, 19, Relay 42
Cell 14: SP122, G106, G105
Powertrain Control Module Connector End Views
Handling ESD Sensitive Parts Notice
Handling ESD Sensitive Parts Notice
Cell 110: Hazard Warning and Turn Signal Switches
Cell 110: Stoplamp Switch
Figure 12:

Cell 20: TP and APP Sensors


Object Number: 430062  Size: FS
Engine Controls Components
Throttle Actuator Control (TAC) System Description
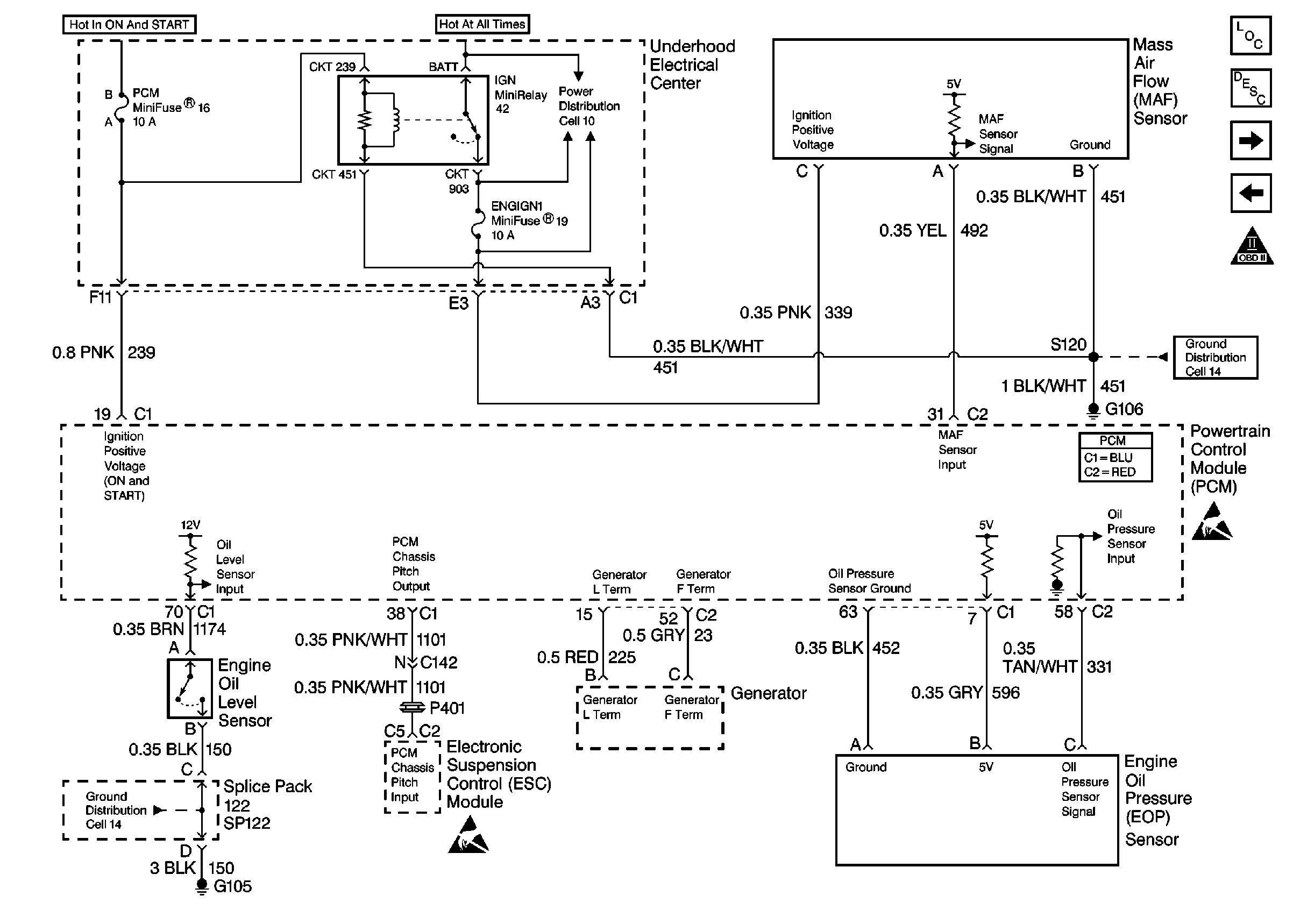
Cell 20: Engine Data Sensors
Cell 20: Stop Lamp Switch
OBD II Symbol Description Notice
Handling ESD Sensitive Parts Notice
Handling ESD Sensitive Parts Notice
Figure 13:

Cell 20: Engine Data Sensors


Object Number: 430313  Size: FS
Engine Controls Components
Information Sensors/Switches Description
Cell 20: Heated Oxygen Sensors (HO2S)
Cell 20: TP and APP Sensors
OBD II Symbol Description Notice
Handling ESD Sensitive Parts Notice
Powertrain Control Module Connector End Views
Powertrain Control Module Connector End Views
Handling ESD Sensitive Parts Notice
Figure 14:

Cell 20: Heated Oxygen Sensors (HO2S)


Object Number: 430318  Size: FS
Engine Controls Components
Information Sensors/Switches Description
Cell 20: EVAP and AIR
Cell 20: Engine Data Sensors
OBD II Symbol Description Notice
Cell 10: U/H Fuses 1, 15, 5, Relay 37
Powertrain Control Module Connector End Views
Handling ESD Sensitive Parts Notice
Cell 14: SP122, G106, G105
Figure 15:

Cell 20: EVAP and AIR


Object Number: 430320  Size: FS
Engine Controls Components
Evaporative Emission Control System Operation Description
Cell 20: Evaporative Emissions Vent Valve Solenoid
Cell 20: Heated Oxygen Sensors (HO2S)
OBD II Symbol Description Notice
Cell 10: U/H Fuses 7, 46, 14, 13, Relays 41, 43, 44, 35
Cell 14: SP122, G106, G105
Handling ESD Sensitive Parts Notice
Powertrain Control Module Connector End Views
Cell 20: Evaporative Emissions Vent Valve Solenoid
Cell 10: U/H Fuses 16, 19, Relay 42
Cell 10: U/H Fuses 16, 19, Relay 42
Cell 10: U/H Fuses 16, 19, Relay 42
Cell 14: SP101, SP100, G101, G102
Figure 16:

Cell 20: Evaporative Emissions Vent Valve Solenoid


Object Number: 430323  Size: FS
Engine Controls Components
Evaporative Emission Control System Operation Description
Cell 20: Manual Transmission Controls
Cell 20: EVAP and AIR
OBD II Symbol Description Notice
Cell 20: EVAP and AIR
Handling ESD Sensitive Parts Notice
Figure 17:

Cell 20: Manual Transmission Controls


Object Number: 430325  Size: FS
Engine Controls Components
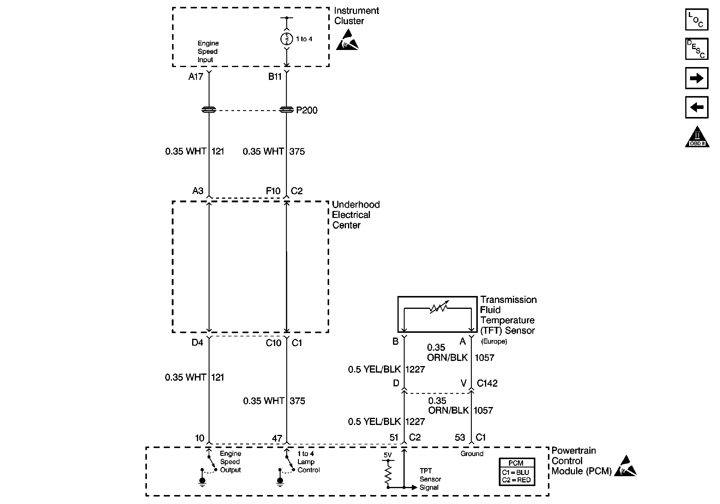
Cell 20: TFT Sensor ((Europe) Manual Transmission)
Cell 20: Evaporative Emissions Vent Valve Solenoid
OBD II Symbol Description Notice
Cell 14: SP122, G106, G105
Handling ESD Sensitive Parts Notice
Powertrain Control Module Connector End Views
Cell 10: U/H Fuses 7, 46, 14, 13, Relays 41, 43, 44, 35
Cell 10: U/H Fuses 16, 19, Relay 42
Figure 18:

Cell 20: TFT Sensor ((Europe) Manual Transmission)


Object Number: 430331  Size: FS
Engine Controls Components
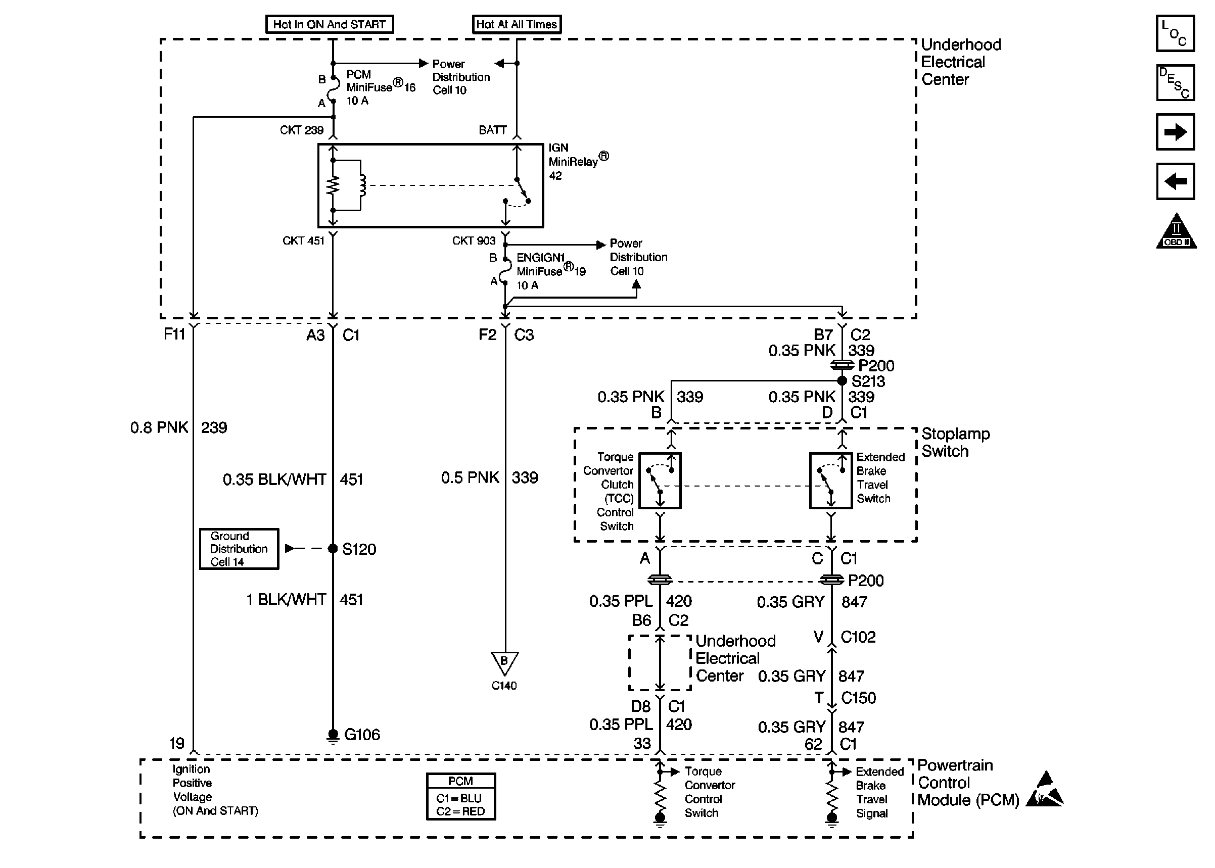
Cell 20: TCC Switch
Cell 20: Manual Transmission Controls
OBD II Symbol Description Notice
Handling ESD Sensitive Parts Notice
Powertrain Control Module Connector End Views
Handling ESD Sensitive Parts Notice
Figure 19:

Cell 20: TCC Switch


Object Number: 430335  Size: FS
Engine Controls Components
Information Sensors/Switches Description
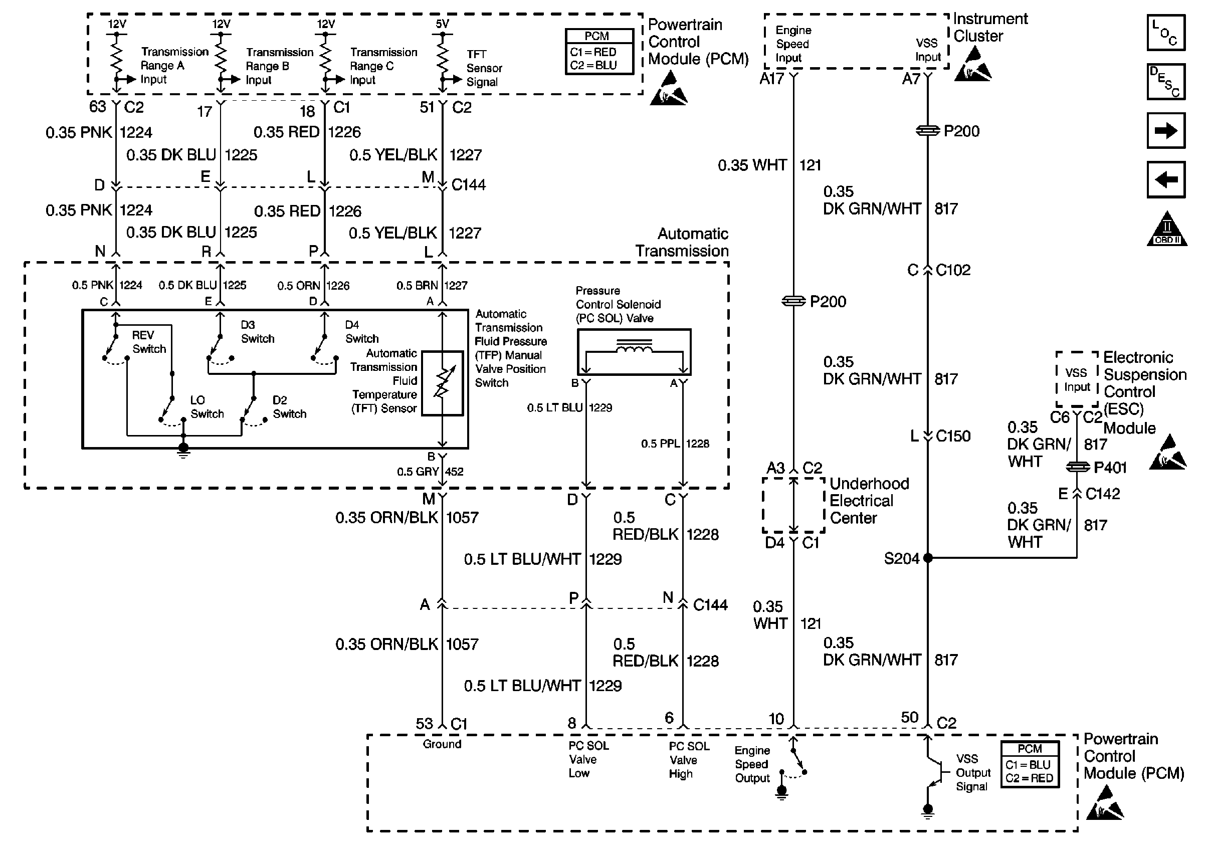
Cell 20: Automatic Transmission Controls
Cell 20: TFT Sensor ((Europe) Manual Transmission)
OBD II Symbol Description Notice
Cell 10: U/H Fuses 7, 46, 14, 13, Relays 41, 43, 44, 35
Cell 10: U/H Fuses 16, 19, Relay 42
Cell 14: SP122, G106, G105
Cell 20: Automatic Transmission Controls
Powertrain Control Module Connector End Views
Handling ESD Sensitive Parts Notice
Figure 20:

Cell 20: Automatic Transmission Controls


Object Number: 430345  Size: FS
Engine Controls Components
Cell 20: Automatic Transmission Controls and VSS Output
Cell 20: TCC Switch
OBD II Symbol Description Notice
Cell 20: TCC Switch
Powertrain Control Module Connector End Views
Handling ESD Sensitive Parts Notice
Figure 21:

Cell 20: Automatic Transmission Controls and VSS Output


Object Number: 430348  Size: FS
Engine Controls Components
Cell 20: Park Neutral Position Switch
Cell 20: Automatic Transmission Controls
OBD II Symbol Description Notice
Handling ESD Sensitive Parts Notice
Handling ESD Sensitive Parts Notice
Handling ESD Sensitive Parts Notice
Powertrain Control Module Connector End Views
Handling ESD Sensitive Parts Notice
Powertrain Control Module Connector End Views
Figure 22:

Cell 20: Park Neutral Position Switch


Object Number: 430351  Size: FS
Figure 23:

Cell 20: Miscellaneous


Object Number: 430368  Size: FS
Engine Controls Components
Information Sensors/Switches Description
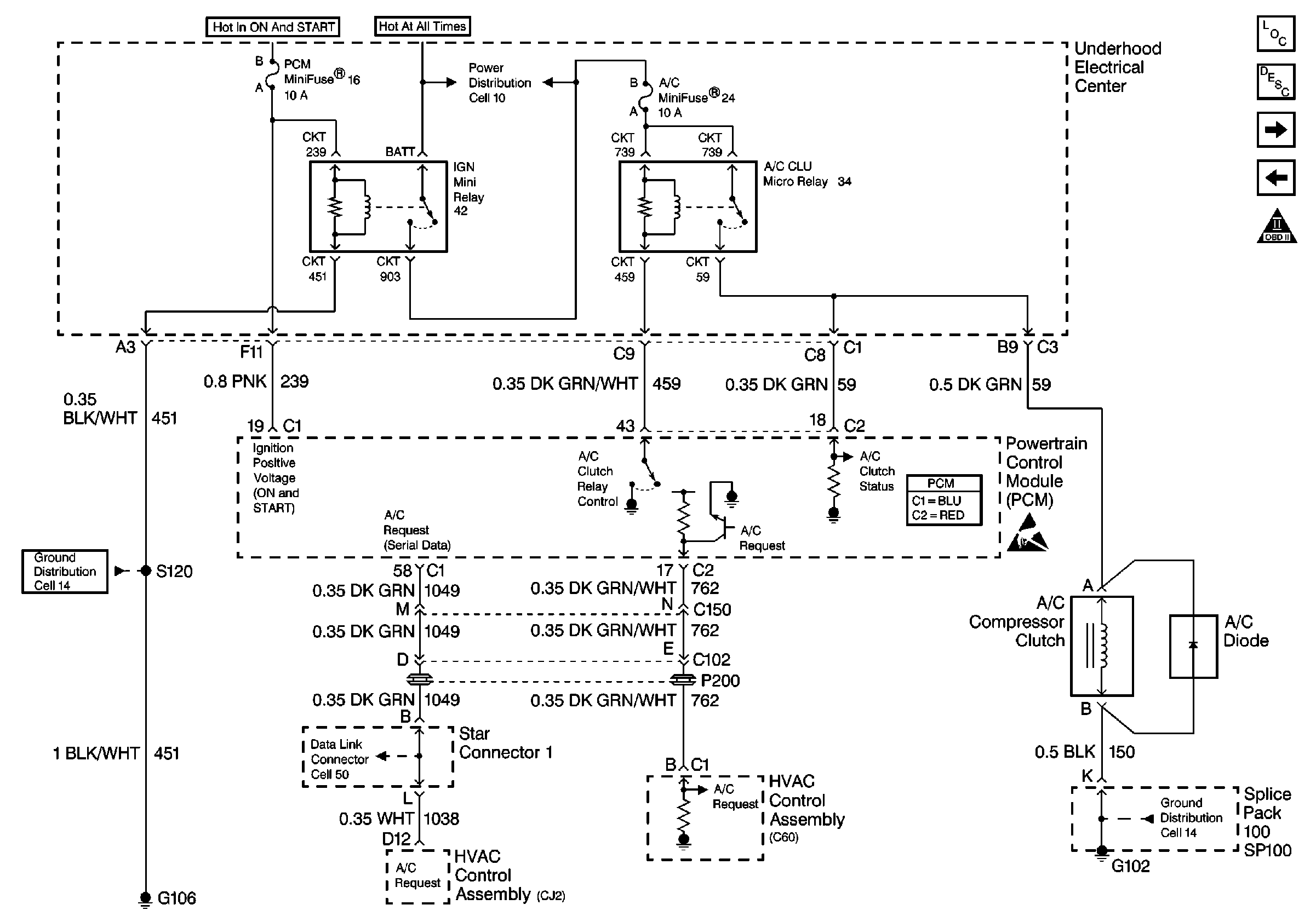
Cell 20: A/C Compressor Controls
Cell 20: Park Neutral Position Switch
OBD II Symbol Description Notice
Cell 14: SP122, G106, G105
Handling ESD Sensitive Parts Notice
Powertrain Control Module Connector End Views
Handling ESD Sensitive Parts Notice
Cell 10: U/H Fuses 16, 19, Relay 42
Cell 14: SP122, G106, G105
Figure 24:

Cell 20: A/C Compressor Controls


Object Number: 430370  Size: FS
Engine Controls Components
Powertrain Control Module Controlled Air Conditioning Description
Cell 20: Engine Cooling Fans
Cell 20: Miscellaneous
OBD II Symbol Description Notice
Cell 14: SP101, SP100, G101, G102
Handling ESD Sensitive Parts Notice
Powertrain Control Module Connector End Views
Class 2 Serial Data Cell 50
Cell 14: SP122, G106, G105
Cell 10: U/H Fuses 16, 19, Relay 42
Figure 25:

Cell 20: Engine Cooling Fans


Object Number: 430373  Size: FS
Engine Controls Components
Engine Cooling Fan Description - Electric
Cell 20: A/C Compressor Controls
OBD II Symbol Description Notice
Cell 10: U/H Fuses 7, 46, 14, 13, Relays 41, 43, 44, 35
Handling ESD Sensitive Parts Notice
Powertrain Control Module Connector End Views