GM Service Manual Online
For 1990-2009 cars only
Figure 1:

Cell 51: Power, Ground and DLC


Object Number: 471580  Size: FS
Body Control Module Components
Body Control System Description
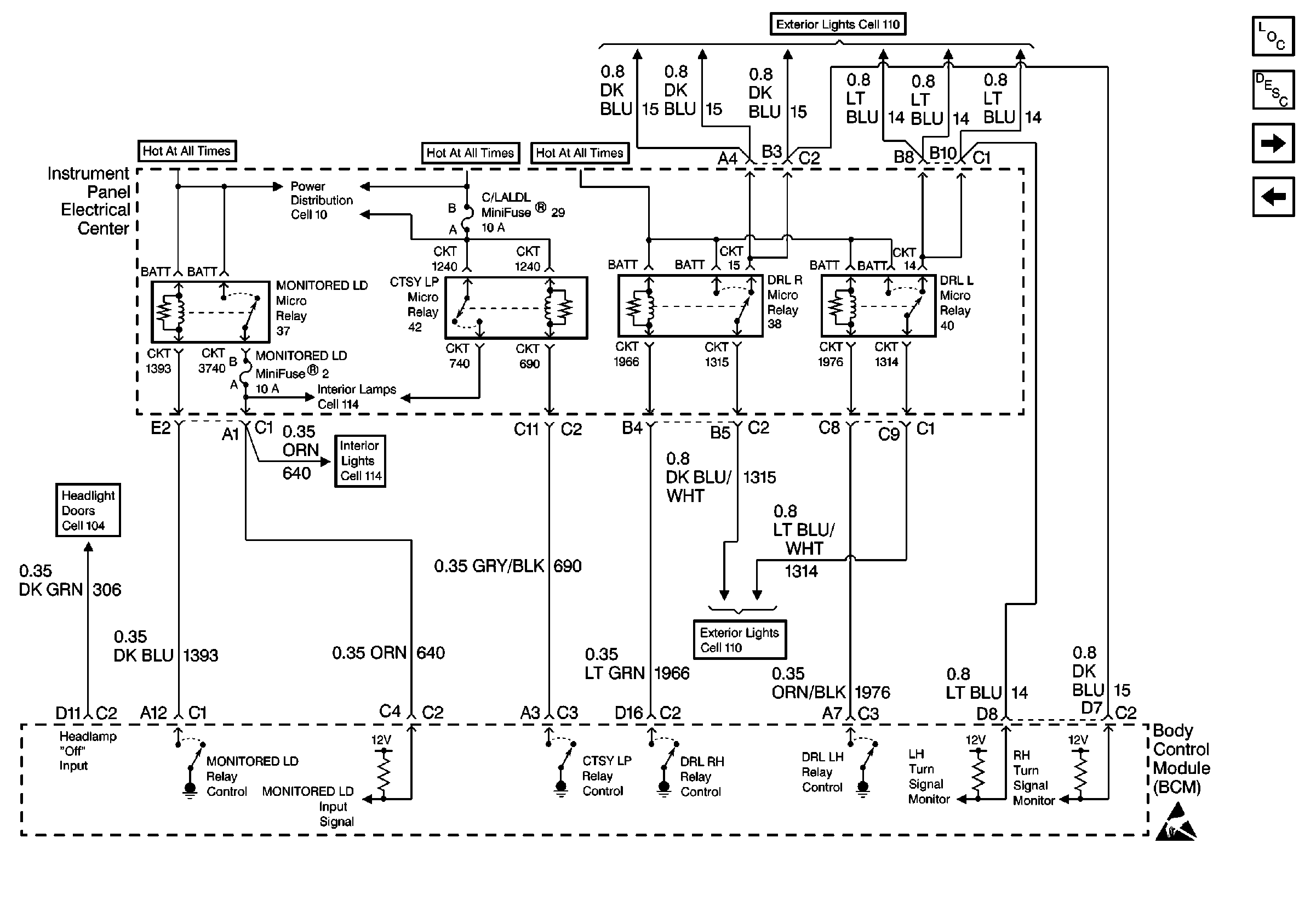
Cell 51: DRL Relays, CTSY LP Relay and MONITORED LD Relay
Cell 10: I/P Fuses 25, 23, 29, Relay 42
Cell 10: I/P Fuses 10, 9, 11
Class 2 Serial Data Cell 50
Cell 81: Power, Ground and DLC
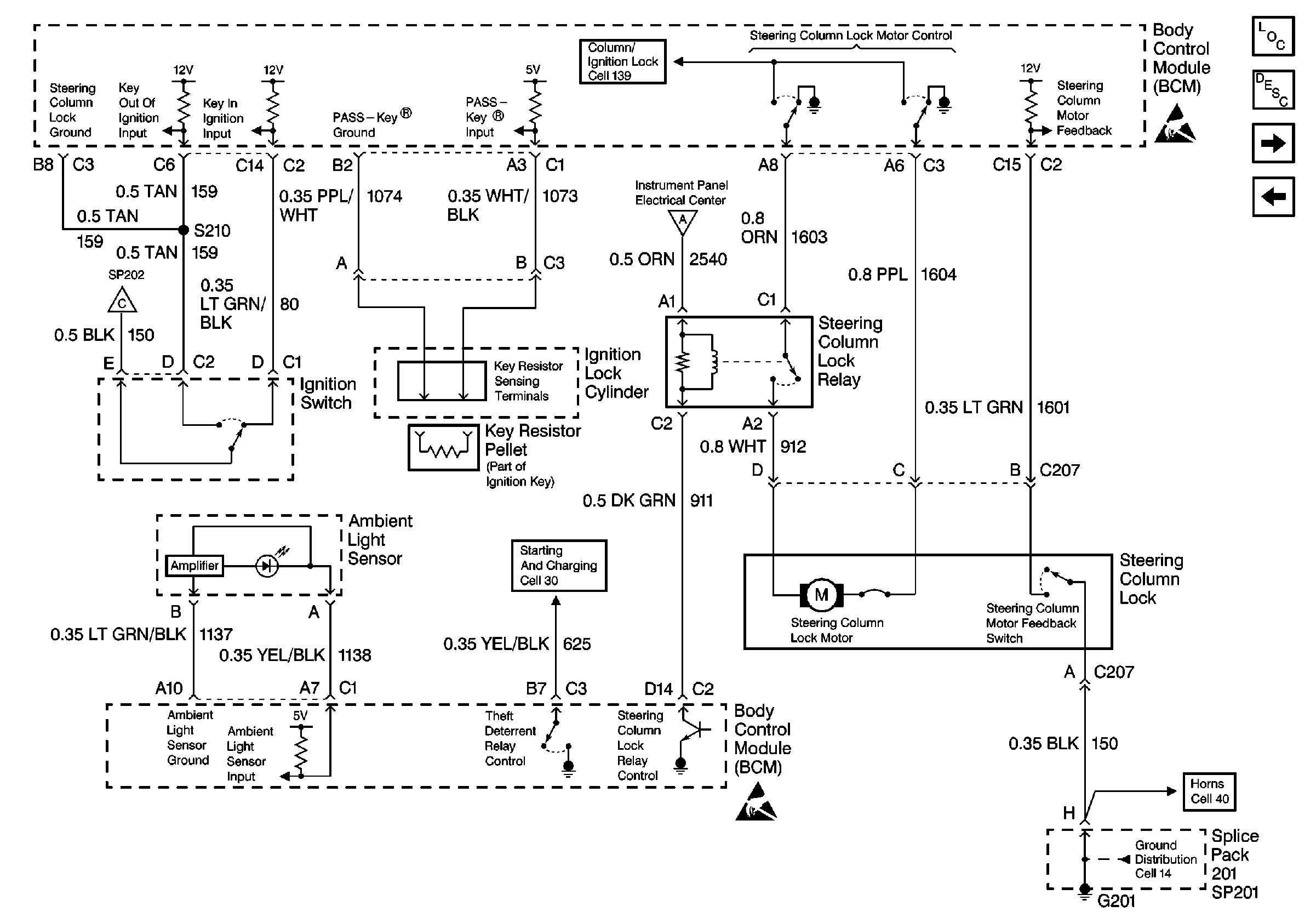
Cell 51: Ignition Switch, Steering Column Lock Control and Ambient LiGht Sensor
Class 2 Serial Data Cell 50
Cell 51: Ignition Switch, Steering Column Lock Control and Ambient LiGht Sensor
Handling ESD Sensitive Parts Notice
Cell 14: SP102, SP208, G104
Cell 14: SP202, G202
Cell 14: SP201, SP203, G201
Figure 2:

Cell 51: DRL Relays, CTSY LP Relay and MONITORED LD Relay


Object Number: 471605  Size: FS
Body Control Module Components
Body Control System Description
Cell 51: Horn, Backup and Rear Defogger System
Cell 51: Power, Ground and DLC
Cell 10: I/P Fuse 2, Relay 37
Cell 114: MONITORED LD Relay Control
Cell 114: MONITORED LD Relay Control
Cell 104: Power and Ground
Cell 110: DRL Control
Handling ESD Sensitive Parts Notice
Figure 3:

Cell 51: Horn, Backup and Rear Defogger System


Object Number: 471609  Size: FS
Body Control Module Components
Body Control System Description
Cell 51: Folding Top and Rear Fog Lamp Control
Cell 51: DRL Relays, CTSY LP Relay and MONITORED LD Relay
Cell 10: U/H Fuses 49, 11, 6, 2, Relays 45, 36, 39, 38
Cell 10: I/P Fuses 21, 18, 48, Relay 44
Cell 40
Cell 112
Cell 61
Handling ESD Sensitive Parts Notice
Figure 4:

Cell 51: Folding Top and Rear Fog Lamp Control


Object Number: 471622  Size: FS
Body Control Module Components
Body Control System Description
Cell 51: Hood Ajar Indicator Switch
Cell 51: Horn, Backup and Rear Defogger System
Handling ESD Sensitive Parts Notice
Cell 103: Front Fog Lamps
Cell 14: SP302, G302
Handling ESD Sensitive Parts Notice
Figure 5:

Cell 51: Hood Ajar Indicator Switch


Object Number: 471625  Size: FS
Body Control Module Components
Body Control System Description
Cell 51: Fog Lamp Circuit and ALC PRK LP Relay
Cell 51: Folding Top and Rear Fog Lamp Control
Cell 14: SP202, G202
Cell 14: SP202, G202
Cell 14: SP302, G302
Handling ESD Sensitive Parts Notice
Figure 6:

Cell 51: Fog Lamp Circuit and ALC PRK LP Relay


Object Number: 471626  Size: FS
Body Control Module Components
Body Control System Description
Cell 51: Fuel Door and Hatch Control
Cell 51: Hood Ajar Indicator Switch
Cell 10: U/H Fuses 49, 11, 6, 2, Relays 45, 36, 39, 38
Cell 10: U/H Fuses 49, 11, 6, 2, Relays 45, 36, 39, 38
Cell 10: I/P Fuses 32, 26, Relay 39
Cell 10: I/P Fuses 52, 6, Relays 43, 44, Circuit Breaker 54
Cell 110: ALC PRK LP Relay
Cell 114: MONITORED LD Relay Control
Cell 117: Miscellaneous Dimming Control
Handling ESD Sensitive Parts Notice
Cell 14: SP202, G202
Figure 7:

Cell 51: Fuel Door and Hatch Control


Object Number: 471628  Size: FS
Body Control Module Components
Body Control System Description
Cell 51: Ignition Switch, Steering Column Lock Control and Ambient LiGht Sensor
Cell 51: Fog Lamp Circuit and ALC PRK LP Relay
Cell 10: I/P Fuses 32, 26, Relay 39
Cell 134: Rear Compartment Lid Release (Hardtop/Convertible)
Cell 10: I/P Fuses 32, 26, Relay 39
Cell 14: SP302, G302
Handling ESD Sensitive Parts Notice
Figure 8:

Cell 51: Ignition Switch, Steering Column Lock Control and Ambient Light Sensor


Object Number: 471633  Size: FS
Body Control Module Components
Body Control System Description
Cell 51: Door Ajar Switches
Cell 51: Fuel Door and Hatch Control
Cell 139: Steering Column Lock (Late Production)
Handling ESD Sensitive Parts Notice
Cell 51: Power, Ground and DLC
Cell 51: Power, Ground and DLC
Cell 30: Starting System
Handling ESD Sensitive Parts Notice
Cell 14: SP201, SP203, G201
Cell 40
Figure 9:

Cell 51: Door Ajar Switches


Object Number: 471634  Size: FS
Body Control Module Components
Body Control System Description
Cell 51: Ignition Switch, Steering Column Lock Control and Ambient LiGht Sensor
Handling ESD Sensitive Parts Notice
Handling ESD Sensitive Parts Notice
Handling ESD Sensitive Parts Notice