GM Service Manual Online
For 1990-2009 cars only
Makes
🢒
Chevrolet
🢒
2000
🢒
Corvette
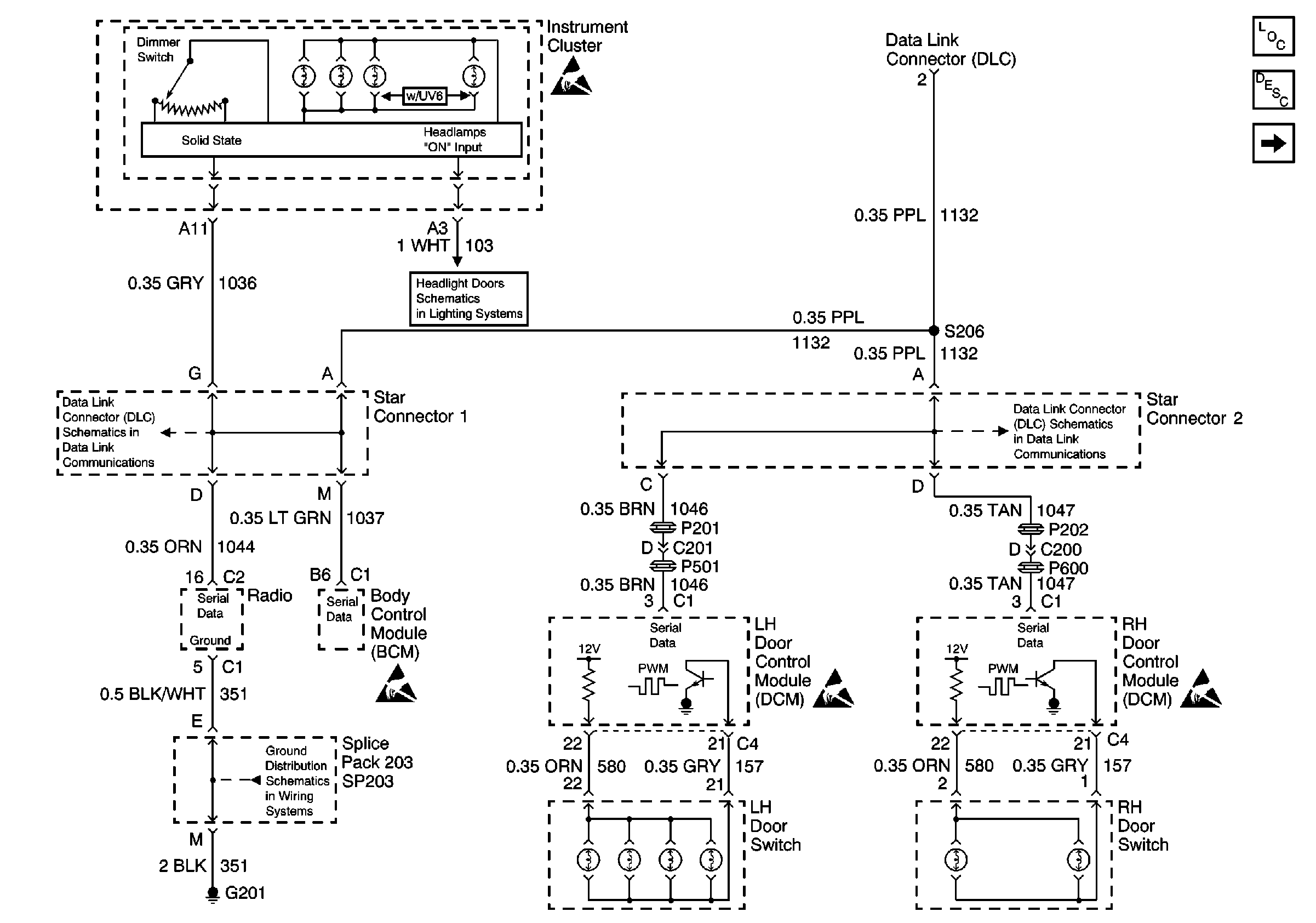
🢒 Door and Radio Dimming Control
Door and Radio Dimming Control
Door and Radio Dimming Control
Lighting Systems Components
Interior Lights Dimming Circuit Description
ALC PRK LP Relay
Ground Distribution Schematics
Data Link Connector Schematics
Data Link Connector Schematics
Headlight Doors Schematics
Handling ESD Sensitive Parts Notice
Handling ESD Sensitive Parts Notice
Handling ESD Sensitive Parts Notice
Handling ESD Sensitive Parts Notice