GM Service Manual Online
For 1990-2009 cars only
Makes
🢒
Chevrolet
🢒
2004
🢒
Corvette
🢒
Restraints
🢒
SIR
🢒 SIR Schematics
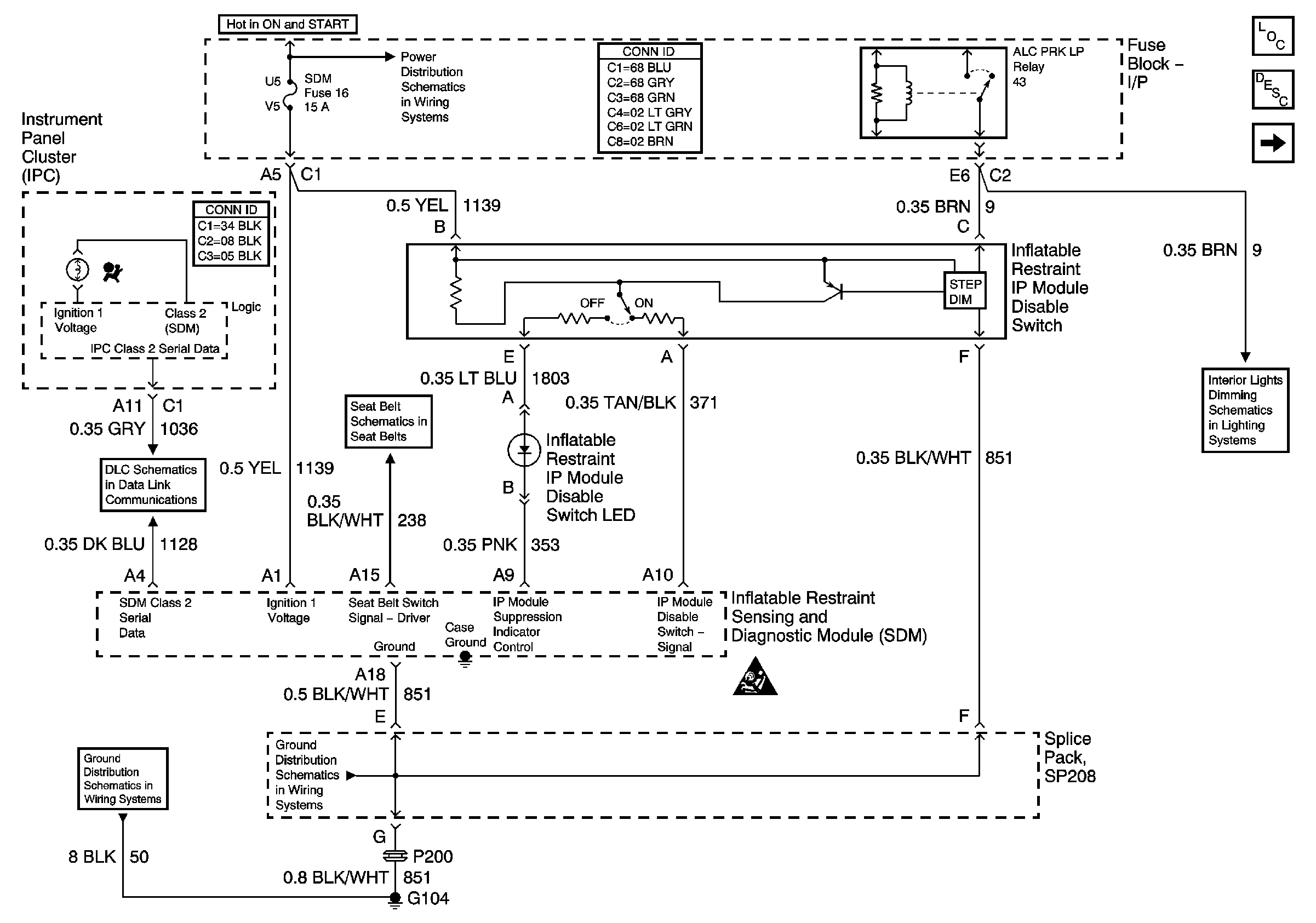
Figure
1:
Passenger Side Inflatable Restraint (PSIR) I/P Module Switch
Master Electrical Component List
SIR System Description and Operation
Inflatable Restraint Modules
Fuse Block-I/P Fuses 15, 16, 13, 20 and 19
Seat Belts Schematics
Star Connectors
G104
G104
SIR Schematic Icons
Fog Lamp Switch
Figure
2:
Inflatable Restraint Modules
Master Electrical Component List
SIR System Description and Operation
Passenger Side Inflatable Restraint (PSIR) IP Module Switch
SIR Schematic Icons
SIR Schematic Icons
SIR Schematic Icons
SIR Schematic Icons
SIR Schematic Icons
SIR Schematic Icons
SIR Schematic Icons