GM Service Manual Online
For 1990-2009 cars only
Makes
🢒
Chevrolet
🢒
2006
🢒
Epica
🢒
Accessories
🢒
Cruise Control
🢒 Cruise Control Schematics
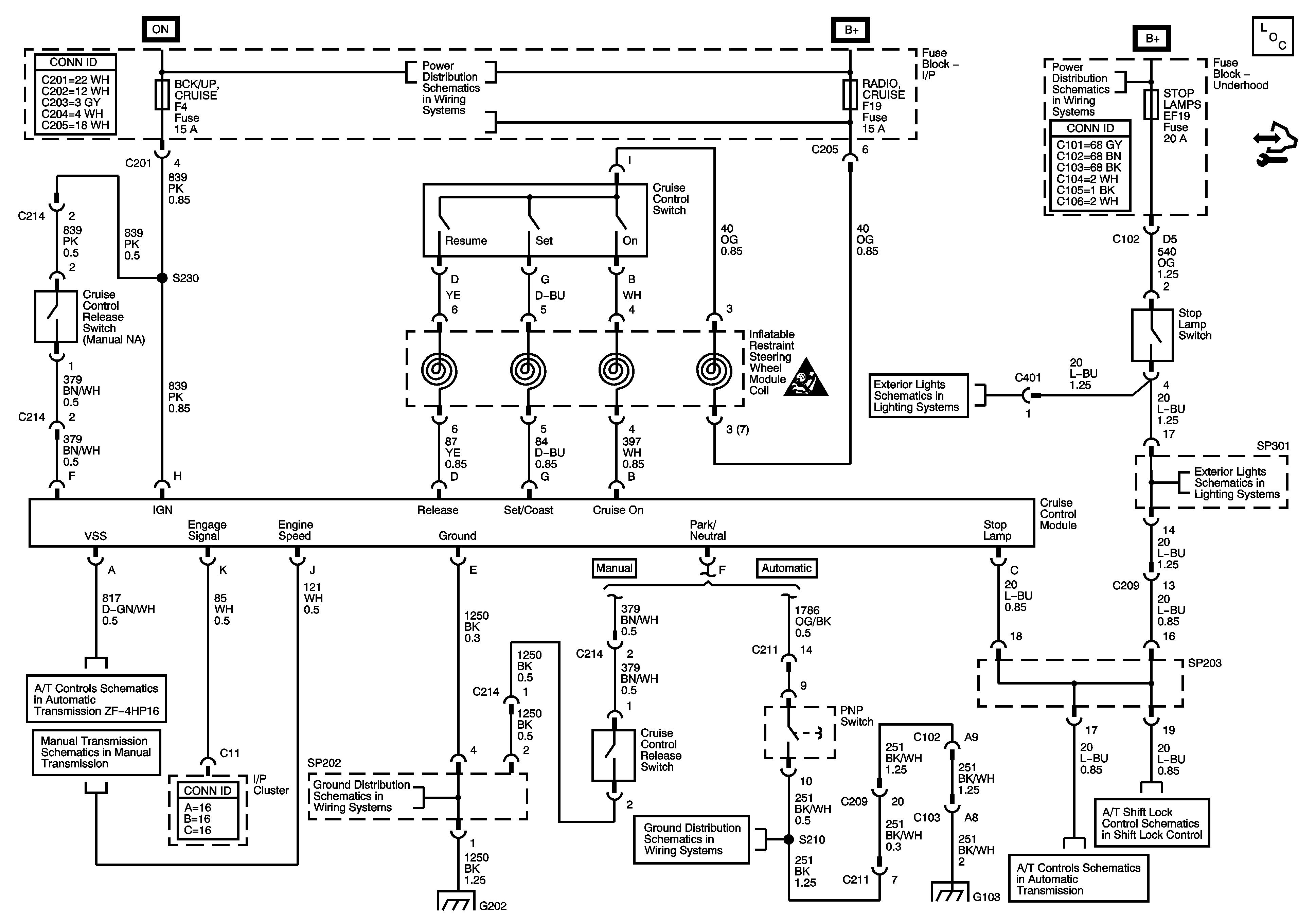
Cruise Control Schematics Sirius D6 W/O Throttle Actuator Contr
Master Electrical Component List
IGN 1, Fuse, Ignition Switch, I/P Fuse Block, - LTR, HTD SEAT, CLK, RADIO, AIR BAG, BCK/UP, CRUISE, ECM Fuses
STOP LAMPS, HI BEAM PASSING, ECM Fuses
Stop Lamps
Stop Lamps
G202, SP202
G103 (2.0L MR140)
Automatic Transmission Shift Lock Control 2.0L
G202, SP202
G103 (2.0L MR140)
Transmission Control Module (TCM) Power, Ground, Serial Data, Hold Mode Indicator Control
Vehicle Speed Signal
Manual Transmission - 2.0L MR 140
Manual Transmission Schematics - ITMS-6F
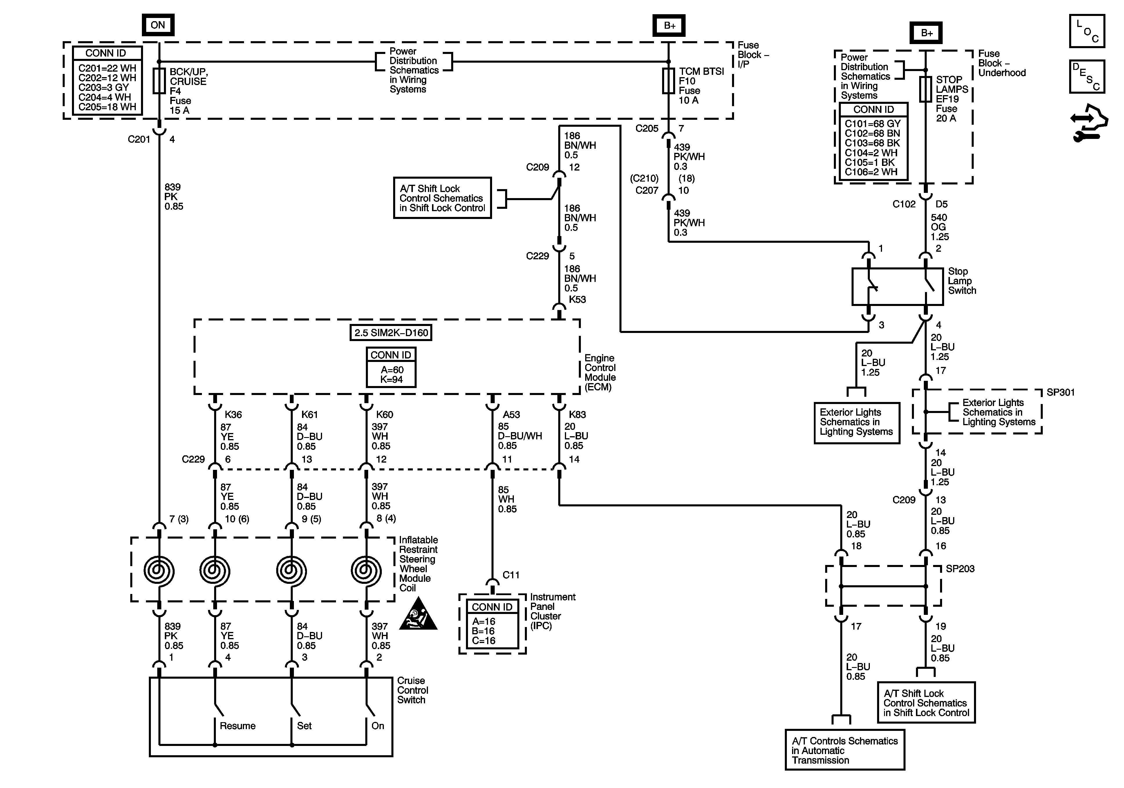
Cruise Control Schematics D160 W/Throttle Actuator Control
Master Electrical Component List
Cruise Control Description and Operation
IGN 1, Fuse, Ignition Switch, I/P Fuse Block, - LTR, HTD SEAT, CLK, RADIO, AIR BAG, BCK/UP, CRUISE, ECM Fuses
Automatic Transmission Shift Lock Control 2.0L
STOP LAMPS, HI BEAM PASSING, ECM Fuses
Stop Lamps
Stop Lamps
SIR Caution for Zoning
Automatic Transmission Shift Lock Control 2.0L
Transmission Control Module (TCM) Power, Ground, Serial Data, Hold Mode Indicator Control