GM Service Manual Online
For 1990-2009 cars only
Figure 1:

Park Lamps


Object Number: 1861369  Size: FS
Master Electrical Component List
Control Module References
Turn and Hazard Lamps
Alternator, EF1, EF3, EF5, EF18, EF19, EF27, EF30, EF33 Fuses
G202 (1 of 2)
G101, G106, G107
G303
G102
G101, G106, G107
G401
Figure 2:

Turn and Hazard Lamps


Object Number: 1861370  Size: FS
Master Electrical Component List
Control Module References
Stop Lamps
Park Lamps
Alternator, EF1, EF3, EF5, EF18, EF19, EF27, EF30, EF33 Fuses
Alternator, EF1, EF3, EF5, EF18, EF19, EF27, EF30, EF33 Fuses
G202 (1 of 2)
G101, G106, G107
G301
G401
G202 (1 of 2)
G102
G302
G401
Figure 3:

Stop Lamps


Object Number: 1861373  Size: FS
Master Electrical Component List
Control Module References
Backup Lamps
Turn and Hazard Lamps
Alternator, EF1, EF3, EF5, EF18, EF19, EF27, EF30, EF33 Fuses
G401
G303
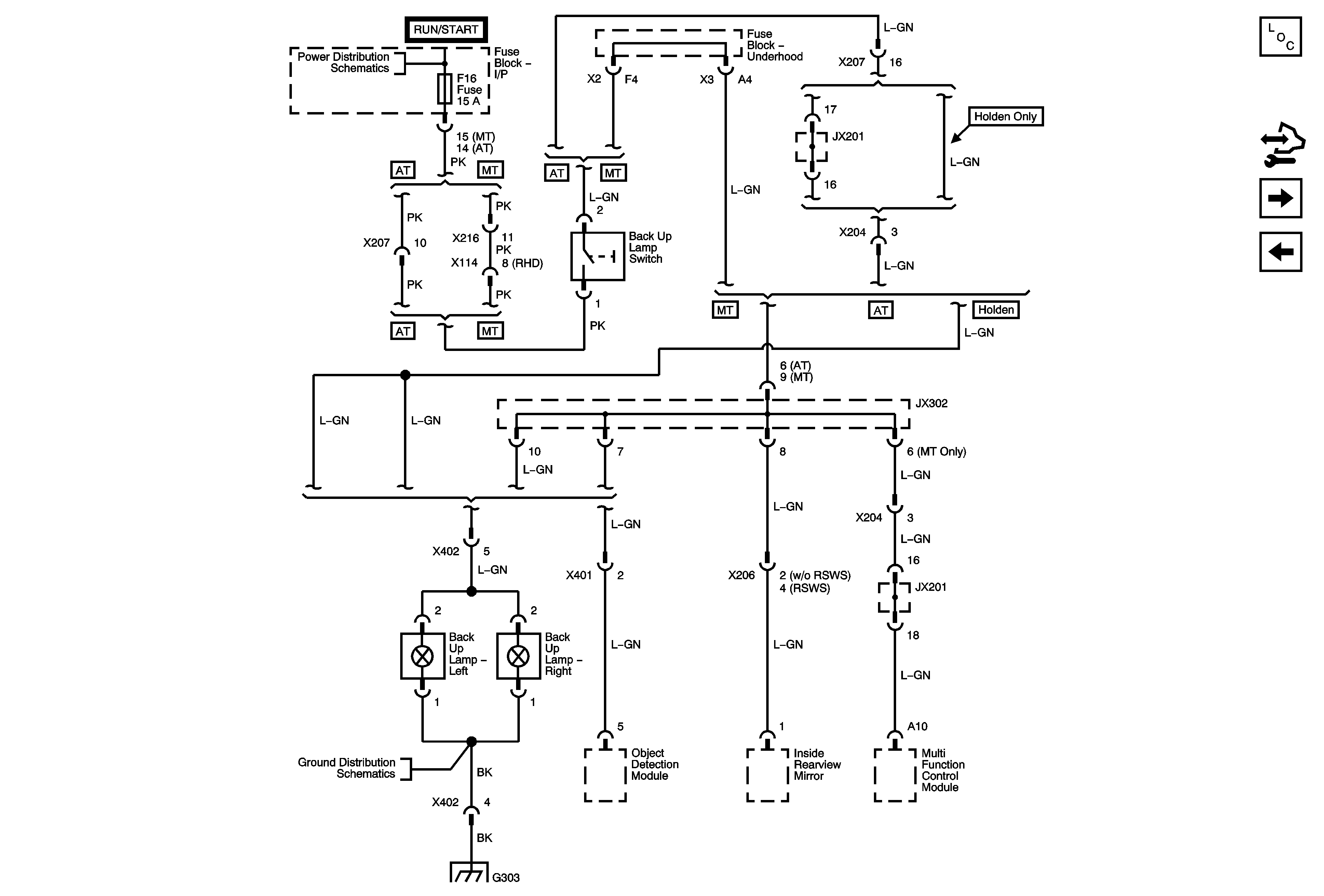
Figure 4:

Backup Lamps


Object Number: 1861376  Size: FS
Master Electrical Component List
Control Module References
Battery Saver
Stop Lamps
Alternator, EF1, EF3, EF5, EF18, EF19, EF27, EF30, EF33 Fuses
G101, G106, G107
G303
Figure 5:

Battery Saver


Object Number: 1861380  Size: FS
Master Electrical Component List
Control Module References
Backup Lamps
Alternator, EF1, EF3, EF5, EF18, EF19, EF27, EF30, EF33 Fuses
Park Lamps
Interior Lights Dimming Control
Courtesy Lamps
Release Systems Schematics
G202 (1 of 2)
G301
G302
G302
G301
G301
G302
G303