GM Service Manual Online
For 1990-2009 cars only
Figure 1:

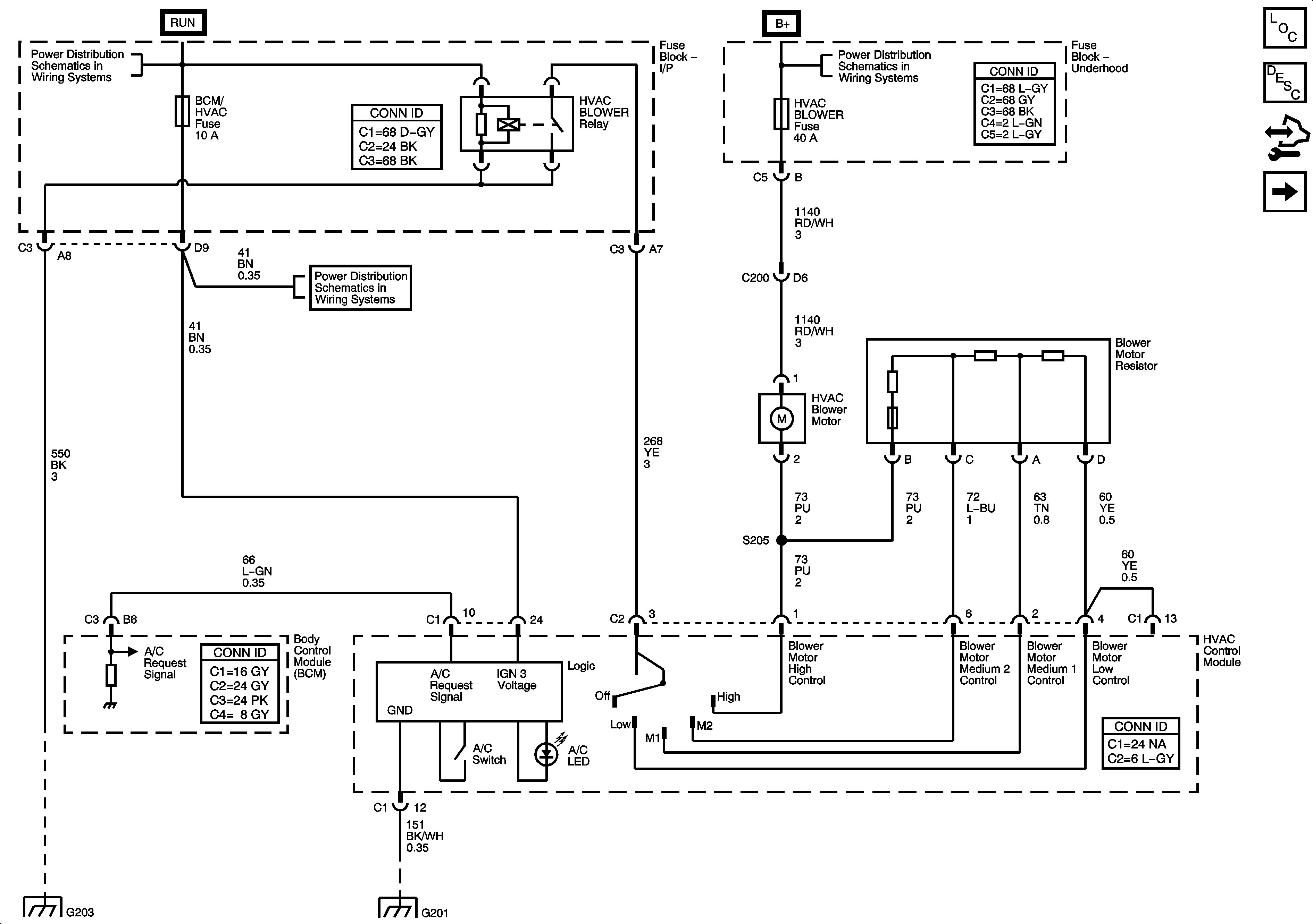
Blower Controls


Object Number: 1380874  Size: FS
Master Electrical Component List
Air Temperature Description and Operation
Control Module References
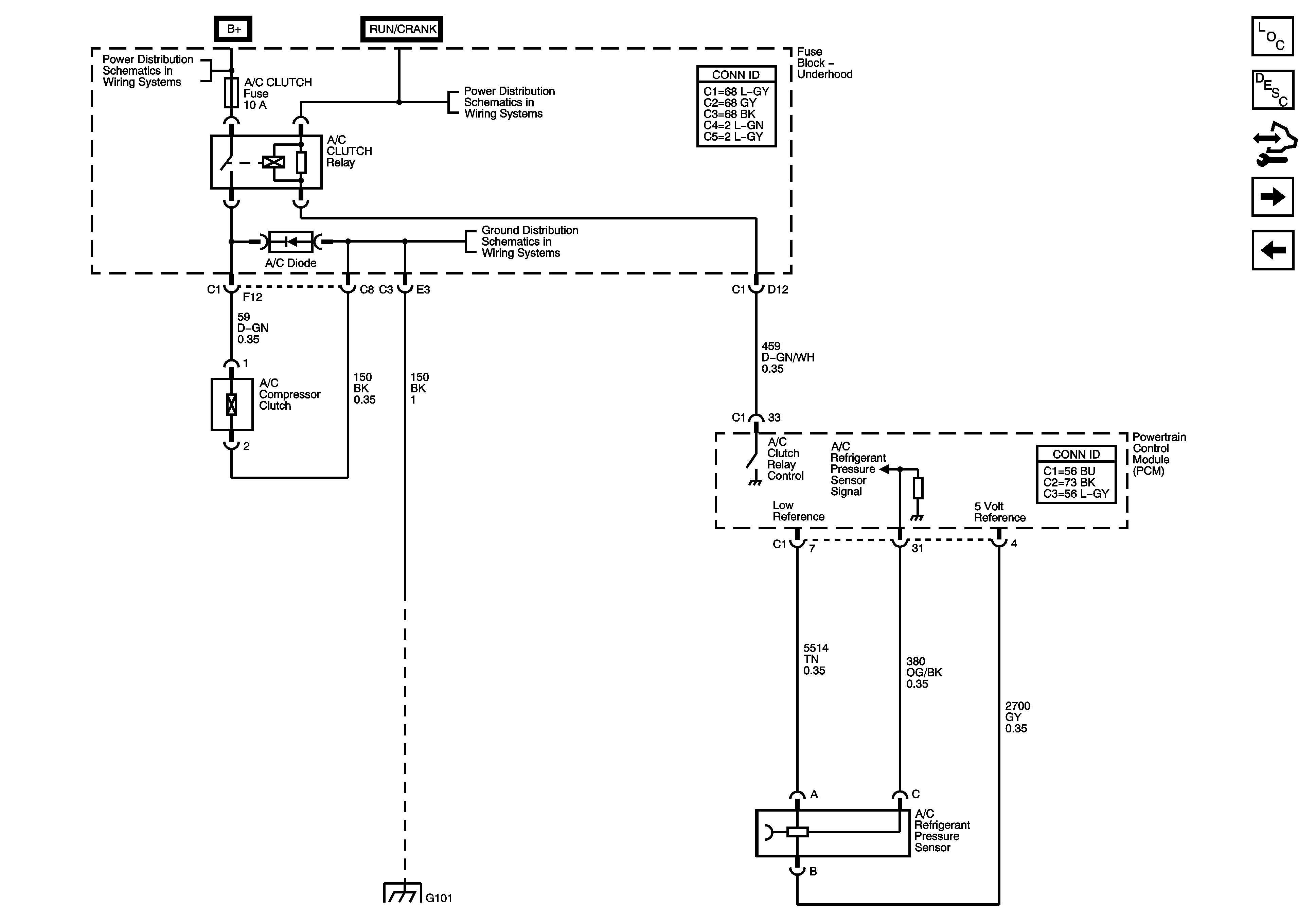
Compressor and Pressure Sensor Signals
Ignition Circuits
TURN, BCM, RADIO(IGN), HVAC, and HTD SEATS Fuses
B+ Bussing
G203 and G205
G201
Figure 2:

Compressor and Pressure Sensor Signals


Object Number: 1380875  Size: FS
Master Electrical Component List
Air Temperature Description and Operation
Control Module References
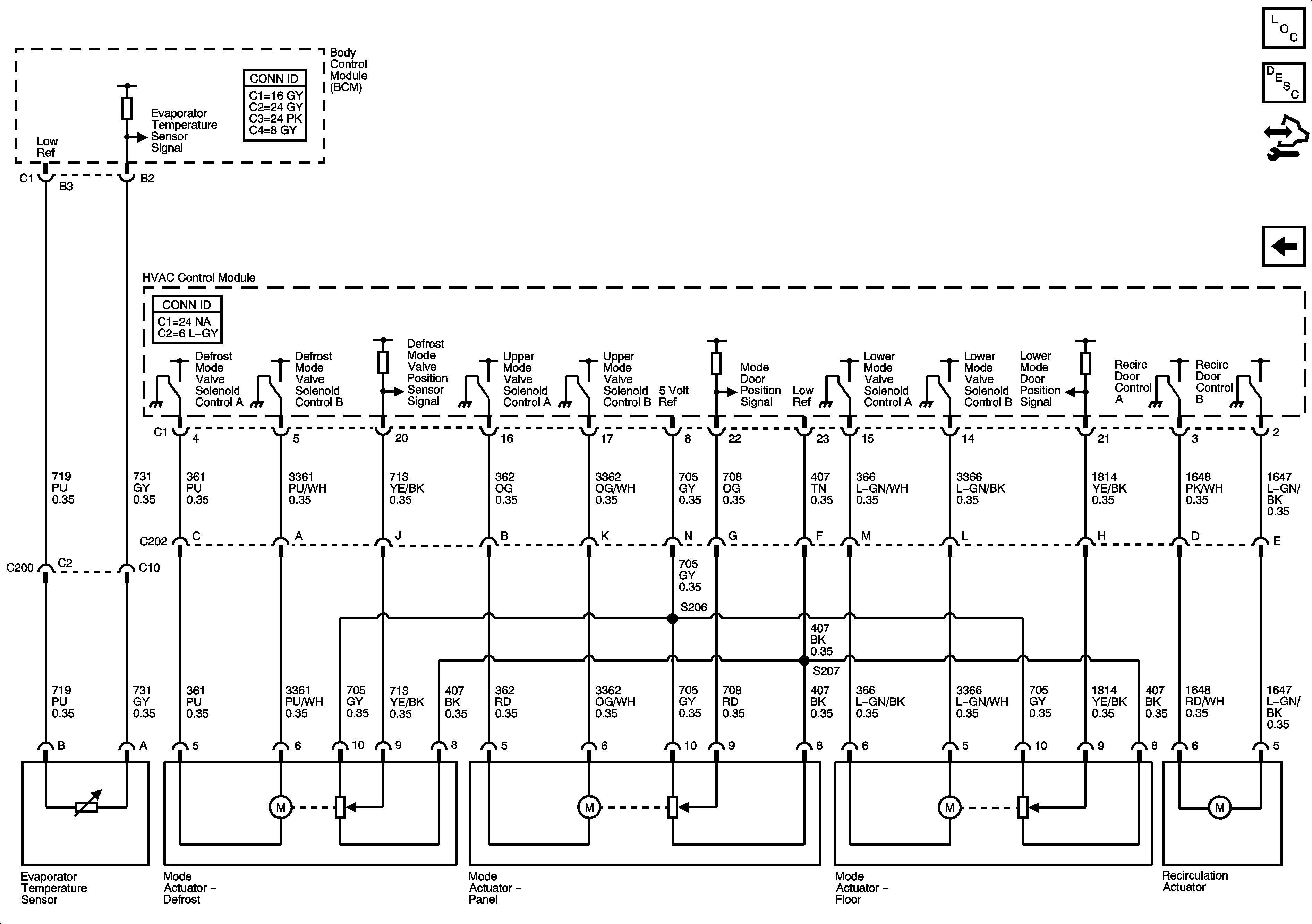
Actuators and Evaporator Temp Sensor
Blower Controls
Ignition Circuits
B+ Bussing
G101
G101
Figure 3:

Actuators and Evaporator Temperature Sensor


Object Number: 1380876  Size: FS
Master Electrical Component List
Air Temperature Description and Operation
Control Module References
Compressor and Pressure Sensor Signals