GM Service Manual Online
For 1990-2009 cars only
Makes
🢒
Chevrolet
🢒
2005
🢒
Equinox
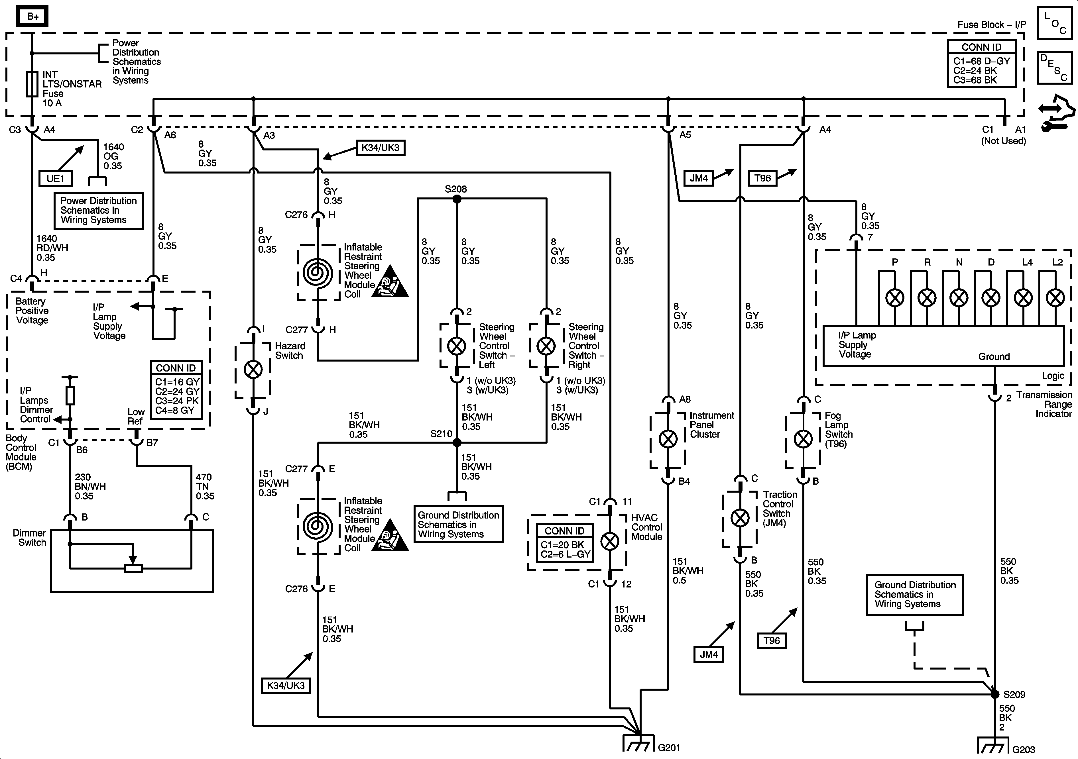
🢒 Interior Lights Dimming Schematic
Interior Lights Dimming Schematic
Master Electrical Component List
Interior Lighting Systems Description and Operation
Control Module References
B+ Bussing
RADIO, BCM/CLUSTER, INT LTS, PARK, HZRD, and LOCK/MIRROR Fuses
SIR Caution for Zoning
SIR Caution for Zoning
G201
G201
G203 and G205
G203 and G205