GM Service Manual Online
For 1990-2009 cars only
Makes
🢒
Chevrolet
🢒
1998
🢒
Express
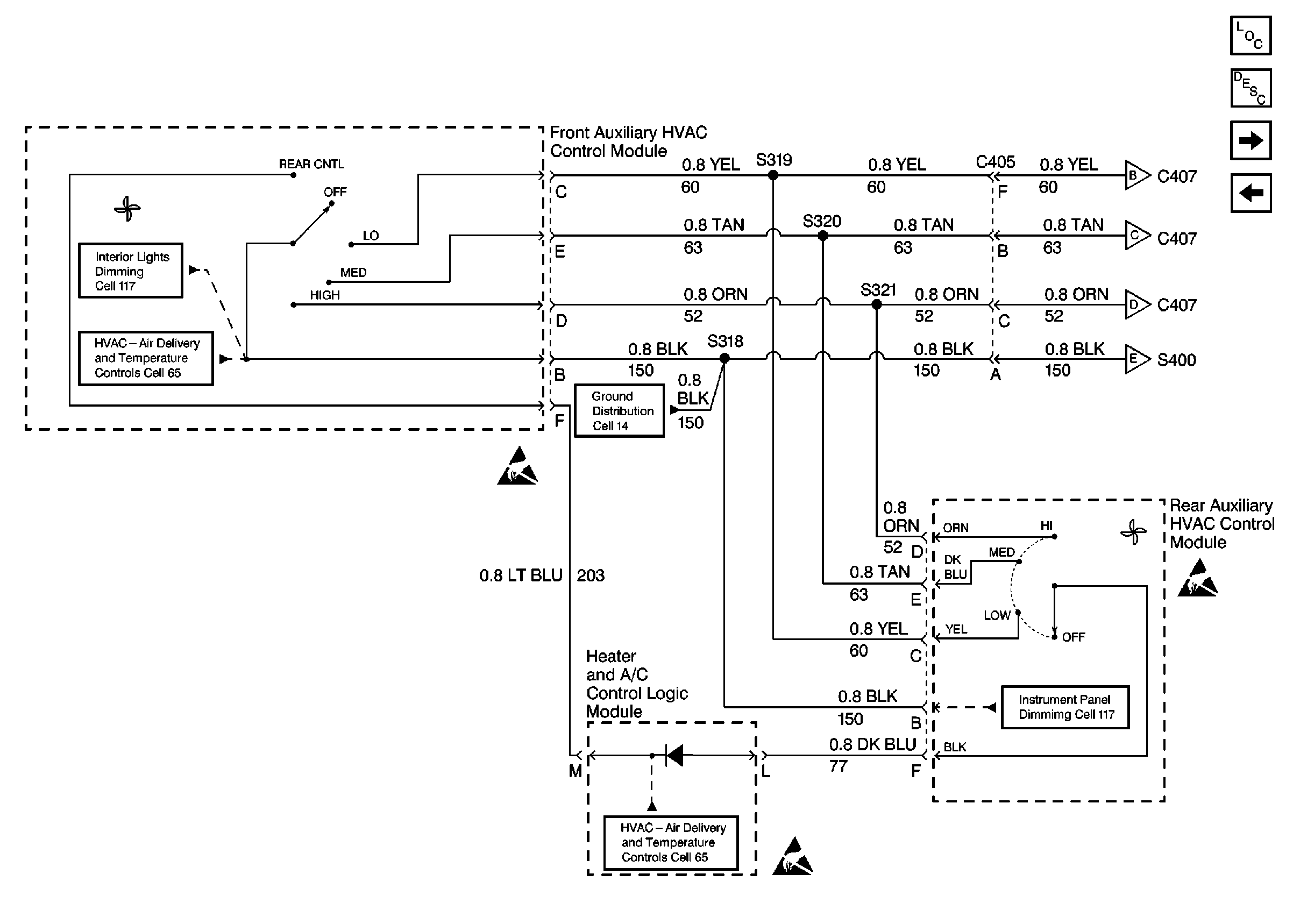
🢒 Cell 63: Front and Rear Auxiliary HVAC Control Modules
Cell 63: Front and Rear Auxiliary HVAC Control Modules
Cell 63: Front and Rear Auxiliary HVAC Control Modules
HVAC Components
HVAC Blower Controls Circuit Description
Cell 63: Front Auxiliary HVAC Control Module
Cell 63: BLOWER and HTR-A/C Fuses, Blower Controls, Blower Motor, G103
Cell 63: RR BLOWER and RR HVAC Fuses, Auxiliary Blower Motor, G400
Cell 63: RR BLOWER and RR HVAC Fuses, Auxiliary Blower Motor, G400
Cell 63: RR BLOWER and RR HVAC Fuses, Auxiliary Blower Motor, G400
Cell 63: RR BLOWER and RR HVAC Fuses, Auxiliary Blower Motor, G400
Cell 117: ILLUM and PARK LPS Fuses, G400
Cell 117: ILLUM and PARK LPS Fuses, G400
Cell 65: HTR-A/C Fuse, Front Heater and A/C Controller, G201
Handling ESD Sensitive Parts Notice
Ground Distribution Schematics Domestic
Cell 65: RR HVAC Fuse, Front and Rear Auxiliary HVAC Control Modules, Heater and A/C Control Logic Module
Handling ESD Sensitive Parts Notice
Handling ESD Sensitive Parts Notice