GM Service Manual Online
For 1990-2009 cars only
Figure 1:

Power, Ground, MIL, and DLC


Object Number: 1769225  Size: FS
Master Electrical Component List
Engine Control Module Description
Control Module References
Engine Data Sensors - 5-Volt and Low Reference
Engine Controls Schematic Icons
Underhood Fuse Block - B+ Bus
Body Control Module - BCM2, HVAC/PK3, CLUSTER, IGN SW, STOP LPS, and AMP Fuses
Body Control Module - BCM2, HVAC/PK3, CLUSTER, IGN SW, STOP LPS, and AMP Fuses
High Speed GMLAN
Body Control Module - BCM2, HVAC/PK3, CLUSTER, IGN SW, STOP LPS, and AMP Fuses
TCM Power and Ground
Underhood Fuse Block - B+ Bus
Underhood Fuse Block - B+ Bus
G109
G103, G105, G107, G108
G109
Body Control Module - RAP, DRIVER DOOR UNLOCK PCB, DOOR UNLOCK PCB, DOOR LOCK PCB, and INTERIOR LAMPS PCB Relays, RDO, PWR WINDW, DR LCK, INT LIGHT, ECM/TCM, SDM, S ROOF and SPARE Fuses
Body Control Module - RAP, DRIVER DOOR UNLOCK PCB, DOOR UNLOCK PCB, DOOR LOCK PCB, and INTERIOR LAMPS PCB Relays, RDO, PWR WINDW, DR LCK, INT LIGHT, ECM/TCM, SDM, S ROOF and SPARE Fuses
Figure 2:

Engine Data Sensors - 5-Volt and Low References


Object Number: 1769227  Size: FS
Master Electrical Component List
Engine Control Module Description
Control Module References
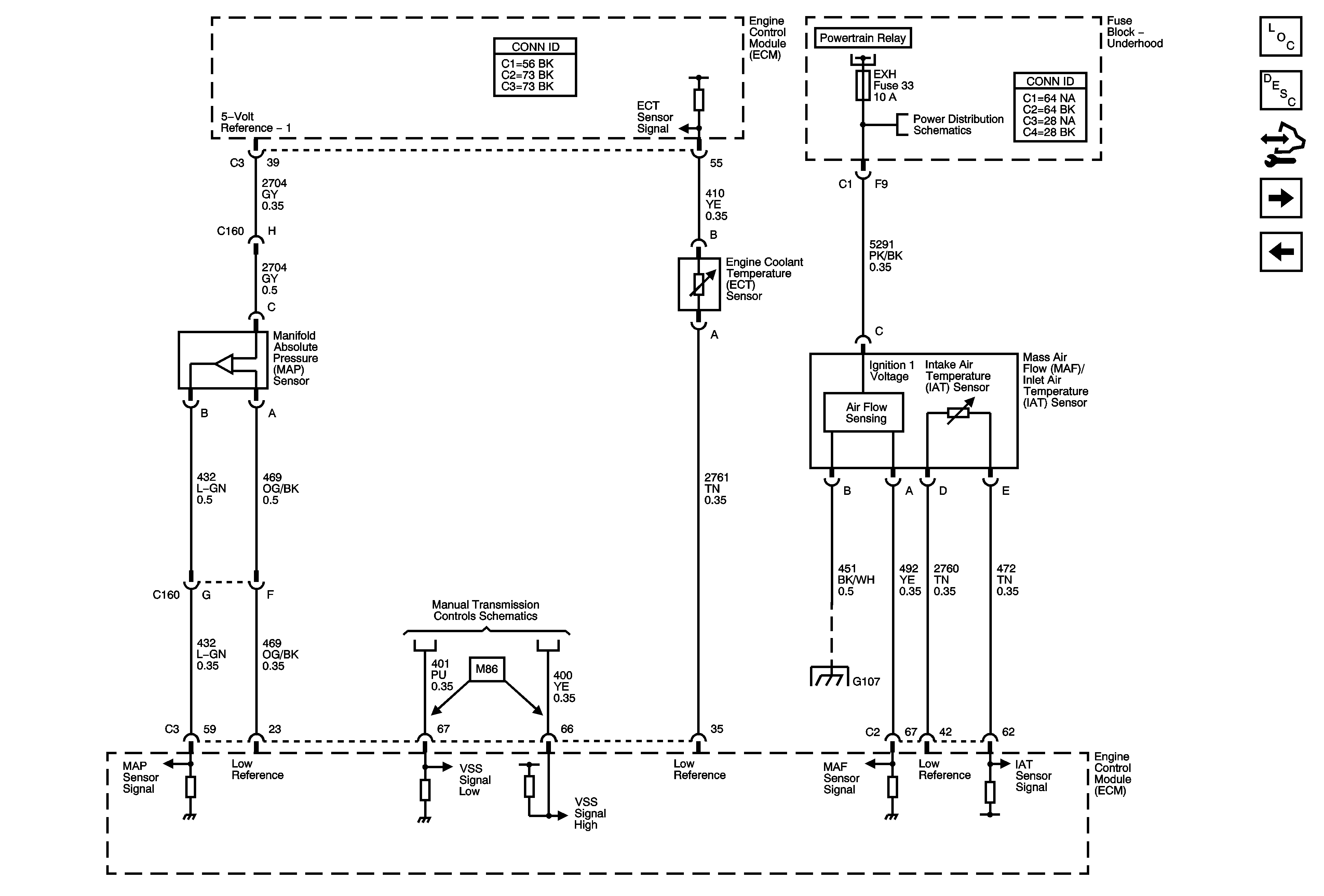
Engine Data Sensors Pressure, Temp, and MAF/IAT
Power, Ground, MIL and DLC
Figure 3:

Engine Data Sensors - Pressure, Temp, and MAF/IAT


Object Number: 1769231  Size: FS
Master Electrical Component List
Engine Control Module Description
Control Module References
Engine Data Sensors, HO2S
Engine Data Sensors 5-Volt and Low Reference
Power, Ground, MIL and DLC
Underhood Fuse Block - L/GATE RELEASE, PWR/TRN Relays, L/GATE/S ROOF, EXH, INJ IGN MOD, and ECM Fuses
Getrag 5-Speed
G103, G105, G107, G108
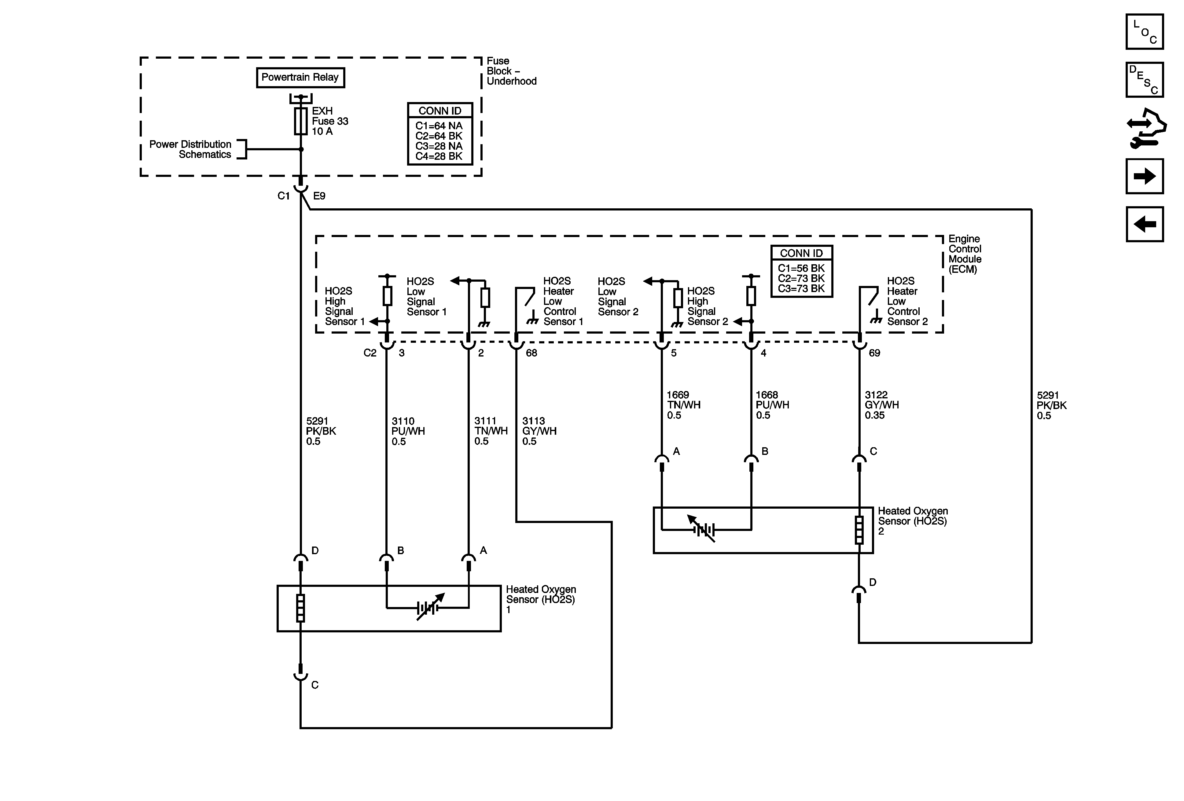
Figure 4:

Engine Data Sensors - HO2S


Object Number: 1769233  Size: FS
Master Electrical Component List
Engine Control Module Description
Control Module References
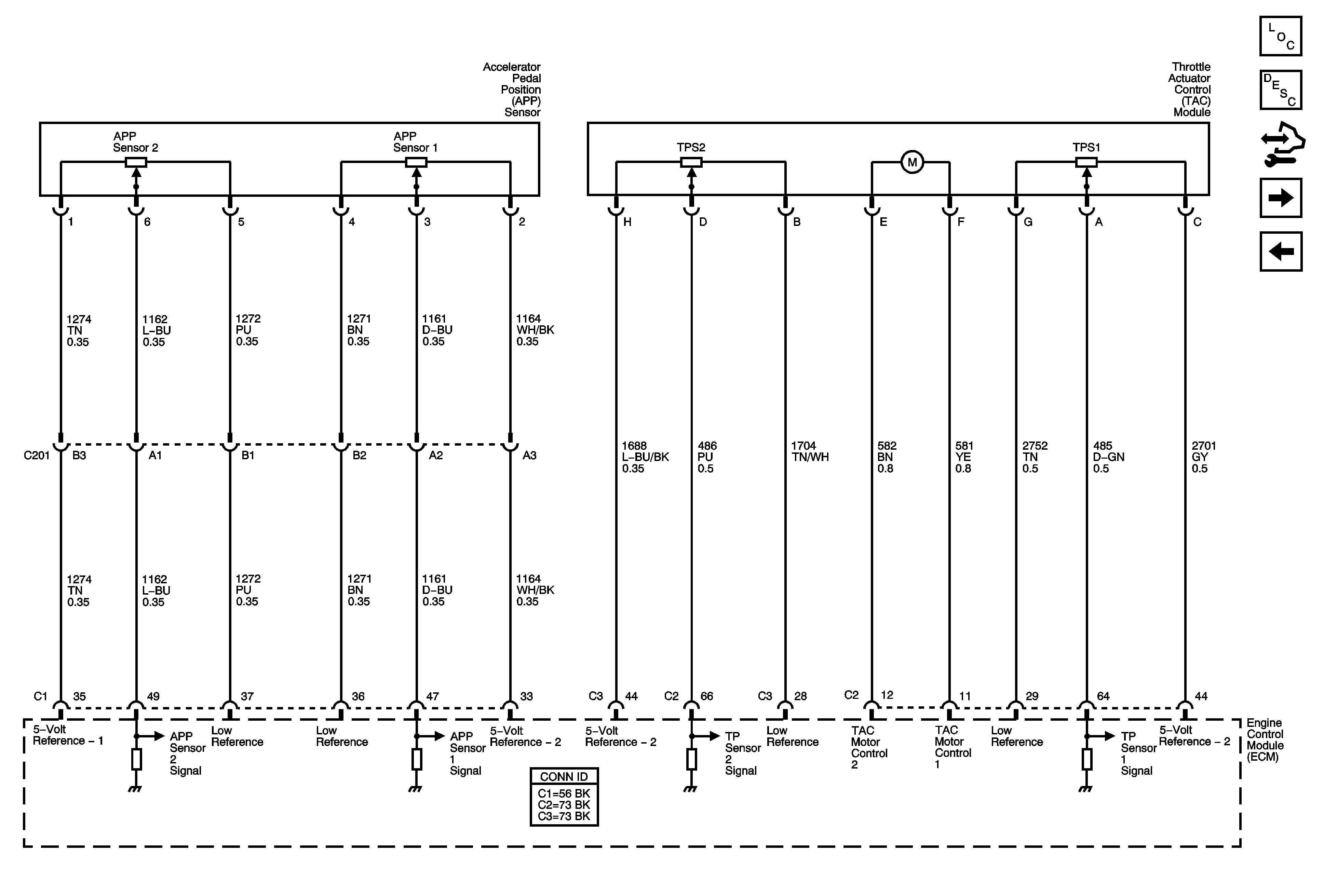
Engine Data Sensors, APP and TAC
Engine Data Sensors Pressure, Temp, and MAF/IAT
Underhood Fuse Block - L/GATE RELEASE, PWR/TRN Relays, L/GATE/S ROOF, EXH, INJ IGN MOD, and ECM Fuses
Power, Ground, MIL and DLC
Figure 5:

Engine Data Sensors - APP and TAC


Object Number: 1769235  Size: FS
Master Electrical Component List
Throttle Actuator Control (TAC) System Description
Control Module References
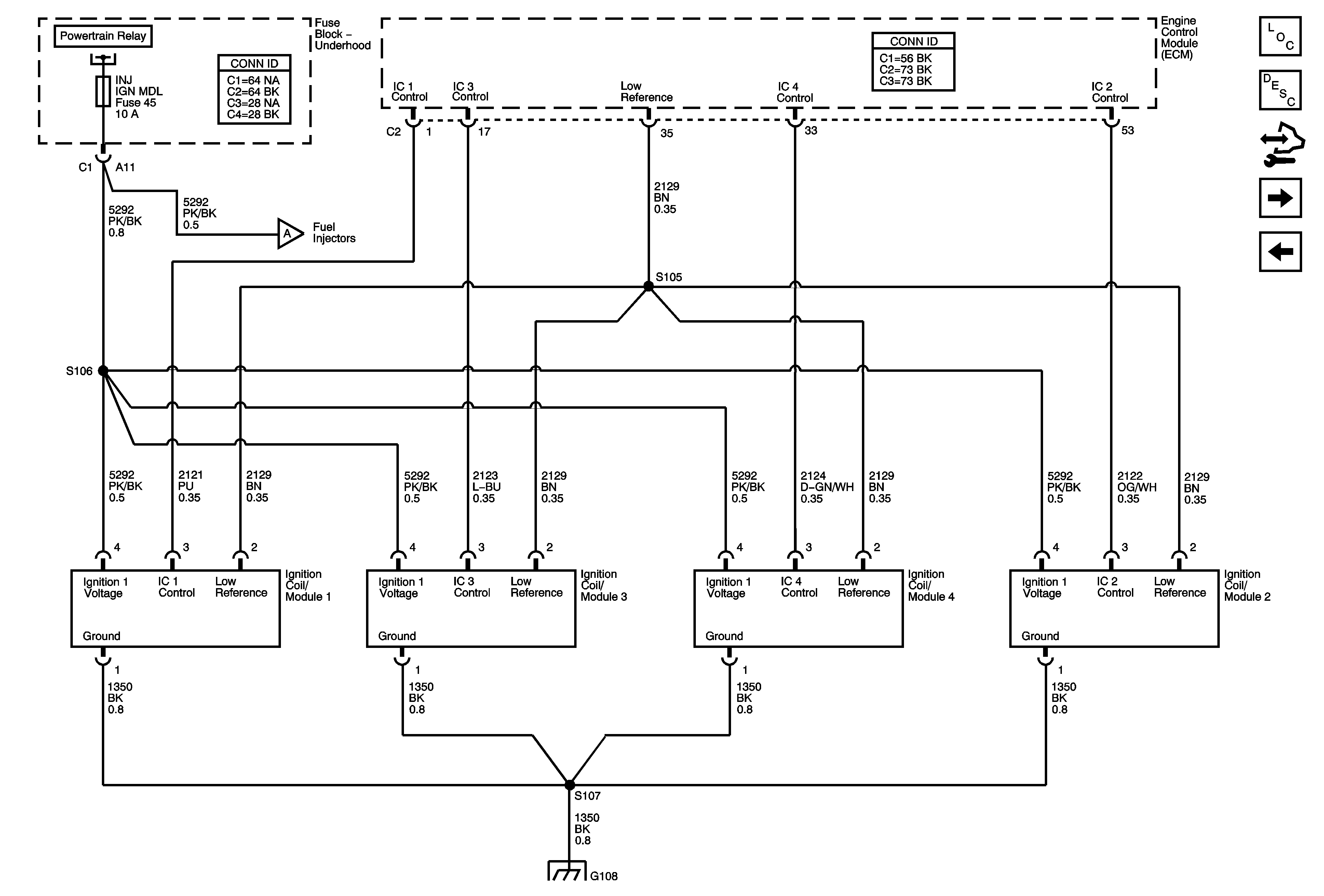
Ignition Controls - Ignition System
Engine Data Sensors, HO2S
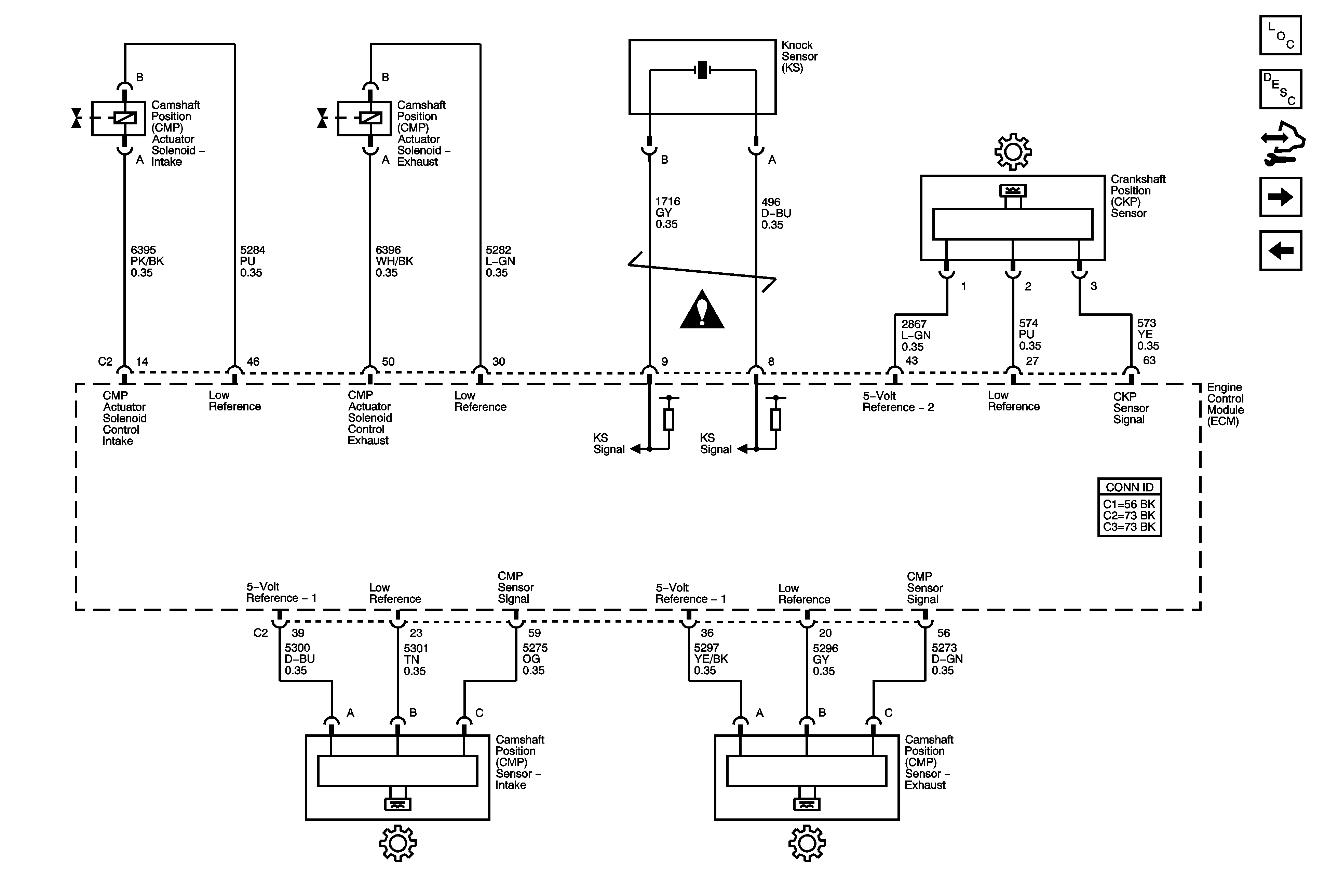
Figure 6:

Ignition Controls - Ignition System


Object Number: 1769241  Size: FS
Master Electrical Component List
Electronic Ignition (EI) System Description
Control Module References
Ignition Controls - Sensors
Engine Data Sensors, APP and TAC
Power, Ground, MIL and DLC
Fuel Controls
G103, G105, G107, G108
Figure 7:

Ignition Controls - Sensors


Object Number: 1769271  Size: FS
Master Electrical Component List
Engine Control Module Description
Control Module References
Fuel Controls
Ignition Controls - Ignition System
Engine Controls Schematic Icons
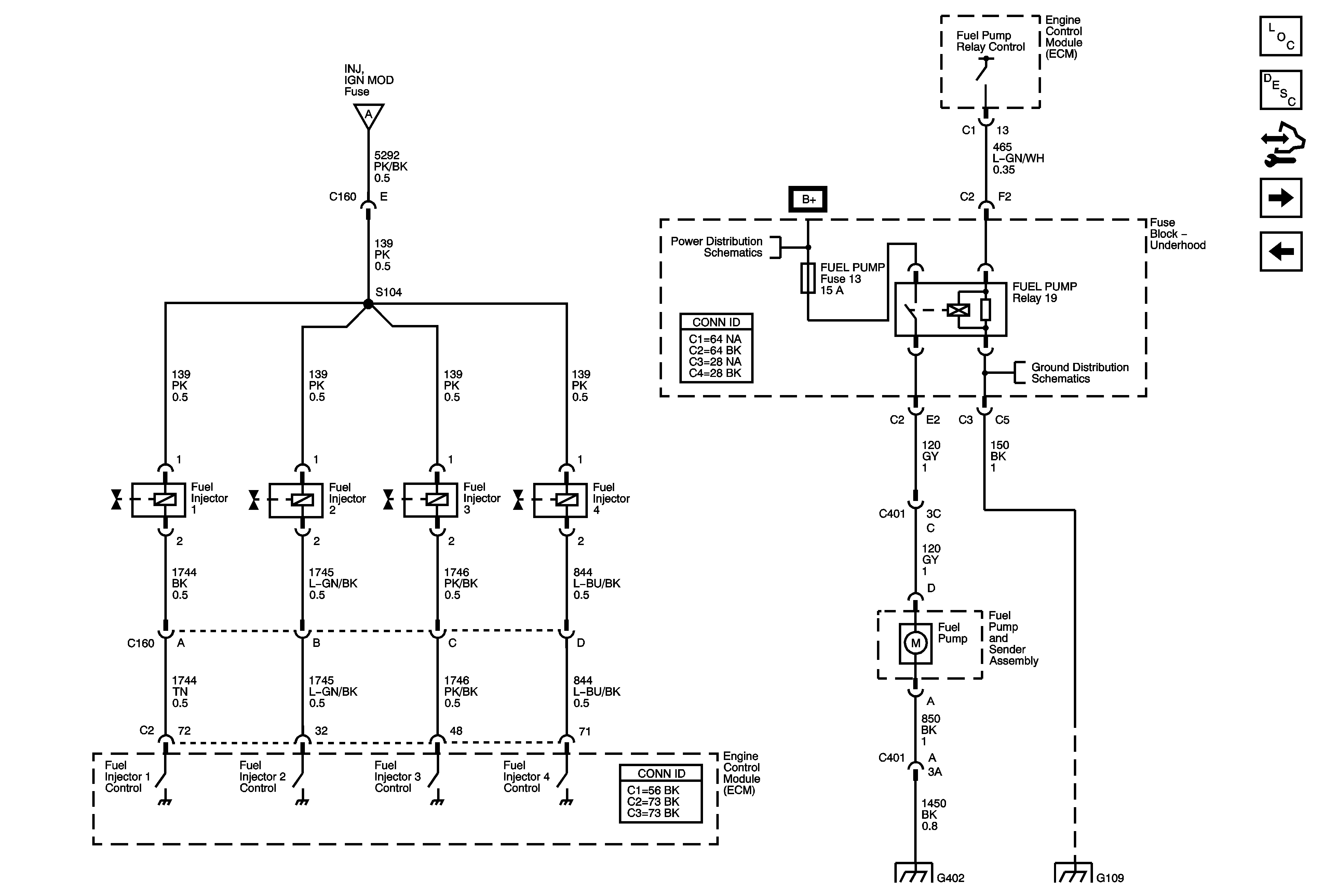
Figure 8:

Fuel Controls


Object Number: 1769280  Size: FS
Master Electrical Component List
Fuel System Description
Control Module References
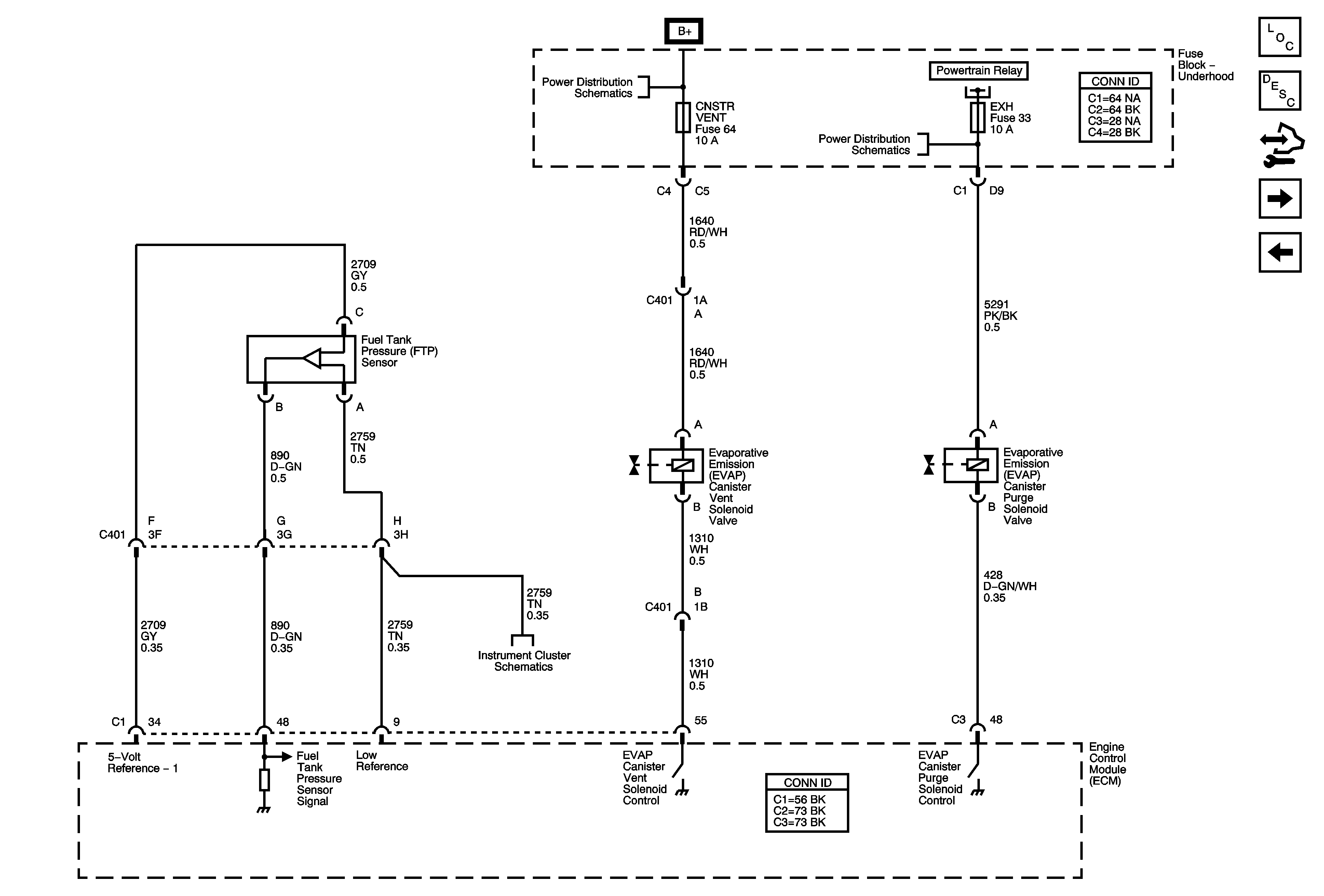
EVAP Controls
Ignition Controls - Sensors
Ignition Controls - Ignition System
Underhood Fuse Block - B+ Bus
G109
G402
G109
Figure 9:

EVAP Controls


Object Number: 1769283  Size: FS
Master Electrical Component List
Evaporative Emission Control System Description
Control Module References
Controlled/Monitored Subsystem References
Controlled/Monitored Subsystem References
Underhood Fuse Block - ABS (20A), CNSTR VENT, PWR OUTLET, REAR POWER PLUG, REAR AUX PWR OUTLET and MIR Fuses, PWR SEATS Circuit Breaker
Underhood Fuse Block - L/GATE RELEASE, PWR/TRN Relays, L/GATE/S ROOF, EXH, INJ IGN MOD, and ECM Fuses
Power, Ground, MIL and DLC
Ambient Air Temperature Sensor, EOP Sensor, Fuel Level Sensor, and Indicators
Figure 10:

Controlled/Monitored Subsystem References


Object Number: 1769288  Size: FS
Master Electrical Component List
Engine Control Module Description
Control Module References
EVAP Controls
Ambient Air Temperature Sensor, EOP Sensor, Fuel Level Sensor, and Indicators
Getrag 5-Speed
Clutch Pedal Position Switch, Stop Lamp Switch
Cooling Fan and Indicators
Compressor Controls
Charging
Starting