GM Service Manual Online
For 1990-2009 cars only
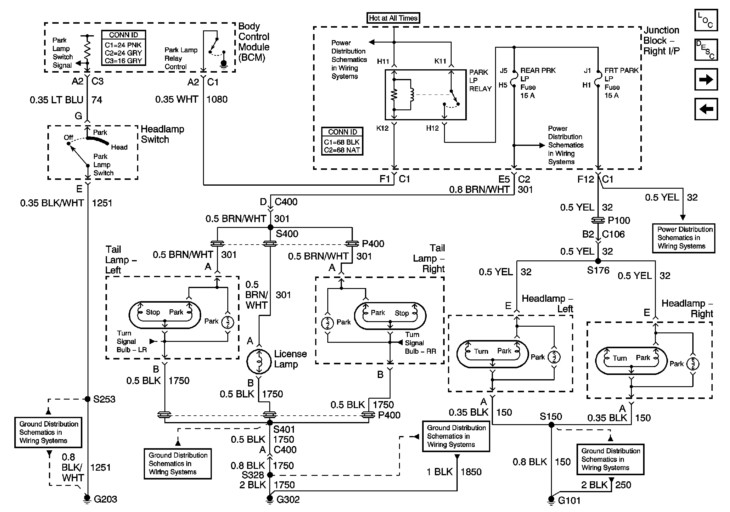
Figure 1:

Park Lamps (Impala)


Object Number: 1318849  Size: FS
Master Electrical Component List
Exterior Lighting Systems Description and Operation
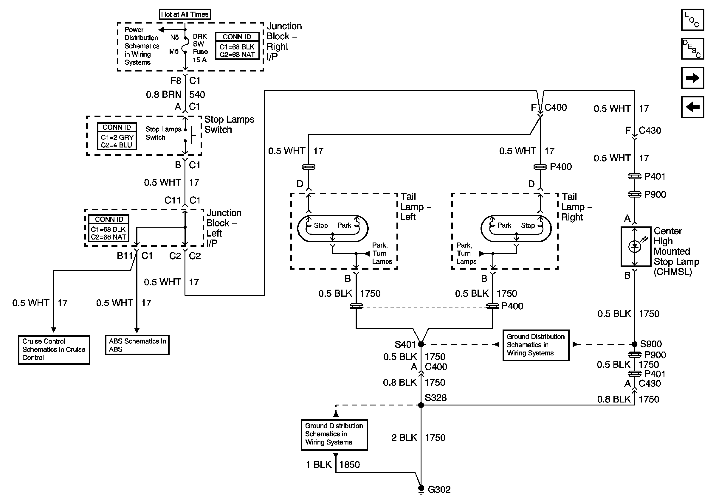
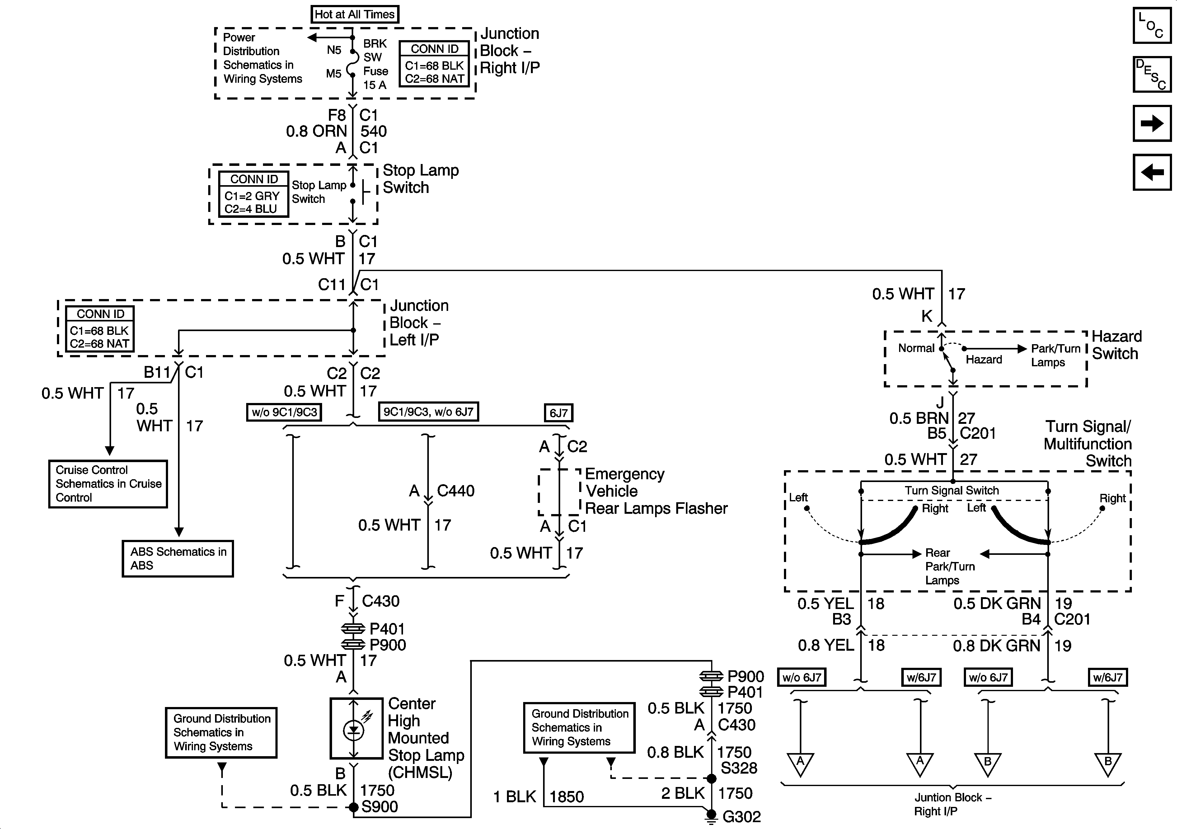
Stop Lamps Control and CHMSL (Impala)
FRT PARK LP and REAR PK LP Fuses
FRT PARK LP and REAR PK LP Fuses
FRT PARK LP and REAR PK LP Fuses
G203 - 1 of 3
G302 - 2 of 2 and G309
G302 - 1 of 2
G101
Figure 2:

Stop Lamps Control and CHMSL (Impala)


Object Number: 1318851  Size: FS
Master Electrical Component List
Exterior Lighting Systems Description and Operation
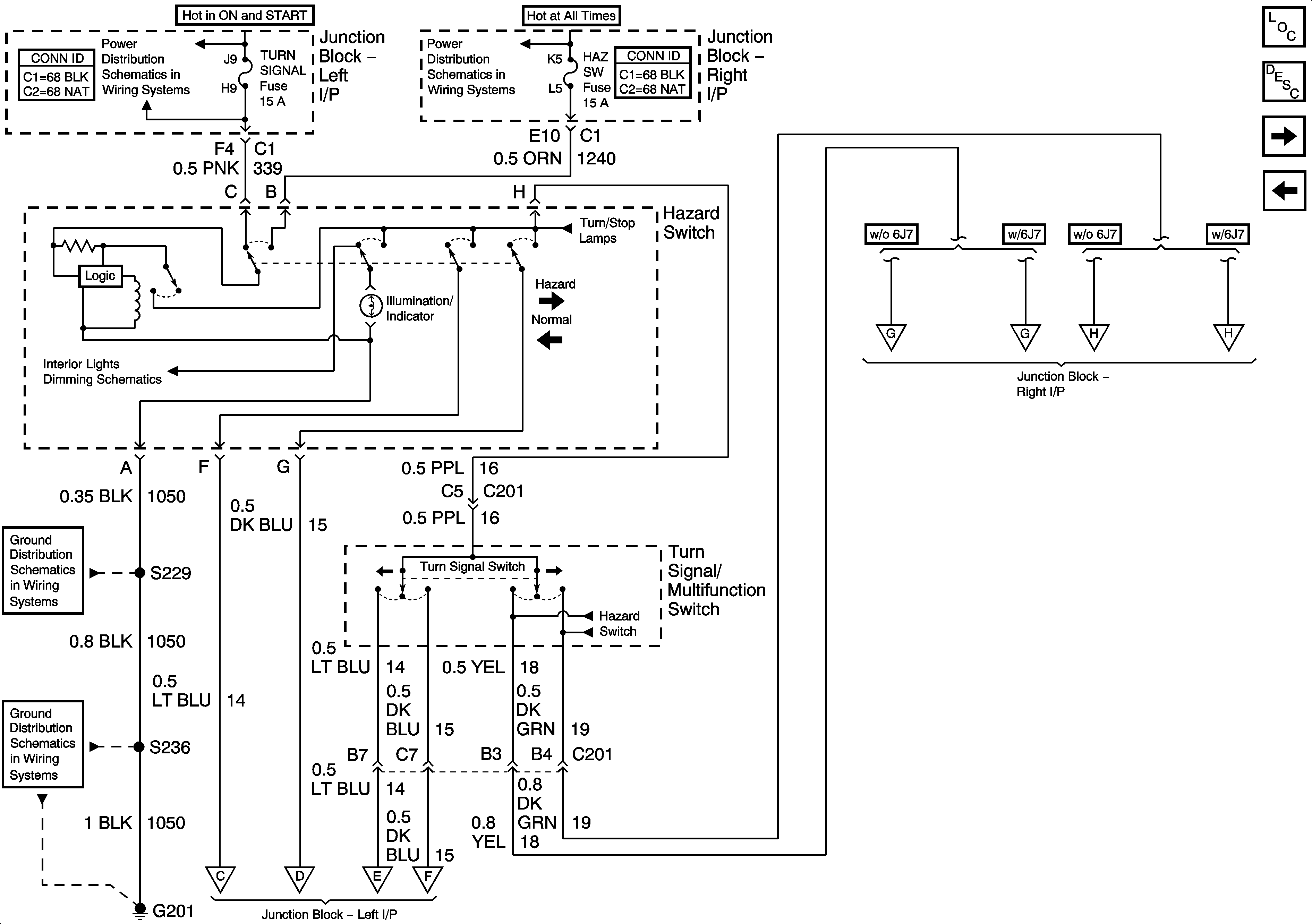
Turn/Hazard Lamps Control (Impala)
Park Lamps (Impala)
AUX PWR, BRK SW, C/LTR, DRL/EXT LTS, HAZ SW, RT I/P #2, SPOTLAMP-L, and SPOTLAMP-R Fuses, DRL RLY Relay
Turn/Hazard Lamps Control (Impala)
Impala
Stop Lamps and Torque Signals
Turn/Hazard Lamps Control (Impala)
G302 - 2 of 2 and G309
G302 - 1 of 2
Rear Turn/Stop/Hazard Lamps (Impala w/o 6J7)
Rear Turn/Stop/Hazard Lamps (Impala 6J7)
Rear Turn/Stop/Hazard Lamps (Impala w/o 6J7)
Rear Turn/Stop/Hazard Lamps (Impala 6J7)
Figure 3:

Turn/Hazard Lamps Control (Impala)


Object Number: 791134  Size: FS
Master Electrical Component List
Exterior Lighting Systems Description and Operation
Front Park and Turn/Hazard Lamps (Impala)
Stop Lamps Control and CHMSL (Impala)
ABS/PCM, SRS, STOP, and TURN SIGNAL Fuses
AUX PWR, BRK SW, C/LTR, DRL/EXT LTS, HAZ SW, RT I/P #2, SPOTLAMP-L, and SPOTLAMP-R Fuses, DRL RLY Relay
Stop Lamps Control and CHMSL (Impala)
Rear Turn/Stop/Hazard Lamps (Impala w/o 6J7)
Rear Turn/Stop/Hazard Lamps (Impala 6J7)
Rear Turn/Stop/Hazard Lamps (Impala w/o 6J7)
Rear Turn/Stop/Hazard Lamps (Impala 6J7)
I/P
G201 - 2 of 2
G201 - 1 of 2
Front Park and Turn/Hazard Lamps (Impala)
Front Park and Turn/Hazard Lamps (Impala)
Front Park and Turn/Hazard Lamps (Impala)
Front Park and Turn/Hazard Lamps (Impala)
Figure 4:

Front Park, and Turn/Hazard Lamps (Impala)


Object Number: 798555  Size: FS
Master Electrical Component List
Exterior Lighting Systems Description and Operation
Rear Turn/Stop/Hazard Lamps (Impala w/o 6J7)
Turn/Hazard Lamps Control (Impala)
Turn/Hazard Lamps Control (Impala)
Turn/Hazard Lamps Control (Impala)
Turn/Hazard Lamps Control (Impala)
Turn/Hazard Lamps Control (Impala)
G101
Figure 5:

Rear Turn/Stop/Hazard Lamps (Impala w/o 6J7)


Object Number: 1318853  Size: FS
Master Electrical Component List
Exterior Lighting Systems Description and Operation
Rear Turn/Stop/Hazard Lamps (Impala 6J7)
Front Park and Turn/Hazard Lamps (Impala)
Stop Lamps Control and CHMSL (Impala)
Turn/Hazard Lamps Control (Impala)
Stop Lamps Control and CHMSL (Impala)
Turn/Hazard Lamps Control (Impala)
G302 - 2 of 2 and G309
G302 - 1 of 2
Figure 6:

Rear Turn/Stop/Hazard Lamps (Impala w/6J7)


Object Number: 1318854  Size: FS
Master Electrical Component List
Exterior Lighting Systems Description and Operation
Park Lamps (Monte Carlo)
Rear Turn/Stop/Hazard Lamps (Impala w/o 6J7)
AUX PWR, BRK SW, C/LTR, DRL/EXT LTS, HAZ SW, RT I/P #2, SPOTLAMP-L, and SPOTLAMP-R Fuses, DRL RLY Relay
Stop Lamps Control and CHMSL (Impala)
Turn/Hazard Lamps Control (Impala)
Stop Lamps Control and CHMSL (Impala)
Turn/Hazard Lamps Control (Impala)
Backup Lamps (9C1/9C3)
G302 - 1 of 2
G302 - 2 of 2 and G309
Figure 7:

Park Lamps (Monte Carlo)


Object Number: 798556  Size: FS
Master Electrical Component List
Exterior Lighting Systems Description and Operation
Stop Lamps (Monte Carlo)
Rear Turn/Stop/Hazard Lamps (Impala 6J7)
FRT PARK LP and REAR PK LP Fuses
FRT PARK LP and REAR PK LP Fuses
FRT PARK LP and REAR PK LP Fuses
Turn Lamps (Monte Carlo)
Turn Lamps (Monte Carlo)
G203 - 1 of 3
G302 - 2 of 2 and G309
G302 - 1 of 2
G101
Figure 8:

Stop Lamps (Monte Carlo)


Object Number: 798557  Size: FS
Master Electrical Component List
Exterior Lighting Systems Description and Operation
Turn/Hazard Lamps Control (Monte Carlo)
Park Lamps (Monte Carlo)
AUX PWR, BRK SW, C/LTR, DRL/EXT LTS, HAZ SW, RT I/P #2, SPOTLAMP-L, and SPOTLAMP-R Fuses, DRL RLY Relay
Turn Lamps (Monte Carlo)
Turn Lamps (Monte Carlo)
Monte Carlo
Stop Lamps and Torque Signals
G302 - 1 of 2
G302 - 2 of 2 and G309
Figure 9:

Turn/Hazard Lamps Control (Monte Carlo)


Object Number: 791135  Size: FS
Master Electrical Component List
Exterior Lighting Systems Description and Operation
Turn Lamps (Monte Carlo)
Stop Lamps (Monte Carlo)
ABS/PCM, SRS, STOP, and TURN SIGNAL Fuses
AUX PWR, BRK SW, C/LTR, DRL/EXT LTS, HAZ SW, RT I/P #2, SPOTLAMP-L, and SPOTLAMP-R Fuses, DRL RLY Relay
I/P
G201 - 2 of 2
G201 - 1 of 2
Turn Lamps (Monte Carlo)
Turn Lamps (Monte Carlo)
Turn Lamps (Monte Carlo)
Turn Lamps (Monte Carlo)
Figure 10:

Turn Lamps (Monte Carlo)


Object Number: 798559  Size: FS
Master Electrical Component List
Exterior Lighting Systems Description and Operation
Backup Lamps (w/o 9C1/9C3)
Turn/Hazard Lamps Control (Monte Carlo)
Turn/Hazard Lamps Control (Monte Carlo)
Turn/Hazard Lamps Control (Monte Carlo)
Turn/Hazard Lamps Control (Monte Carlo)
Turn/Hazard Lamps Control (Monte Carlo)
Park Lamps (Monte Carlo)
Park Lamps (Monte Carlo)
Park Lamps (Monte Carlo)
Park Lamps (Monte Carlo)
G101
G302 - 2 of 2 and G309
G302 - 1 of 2
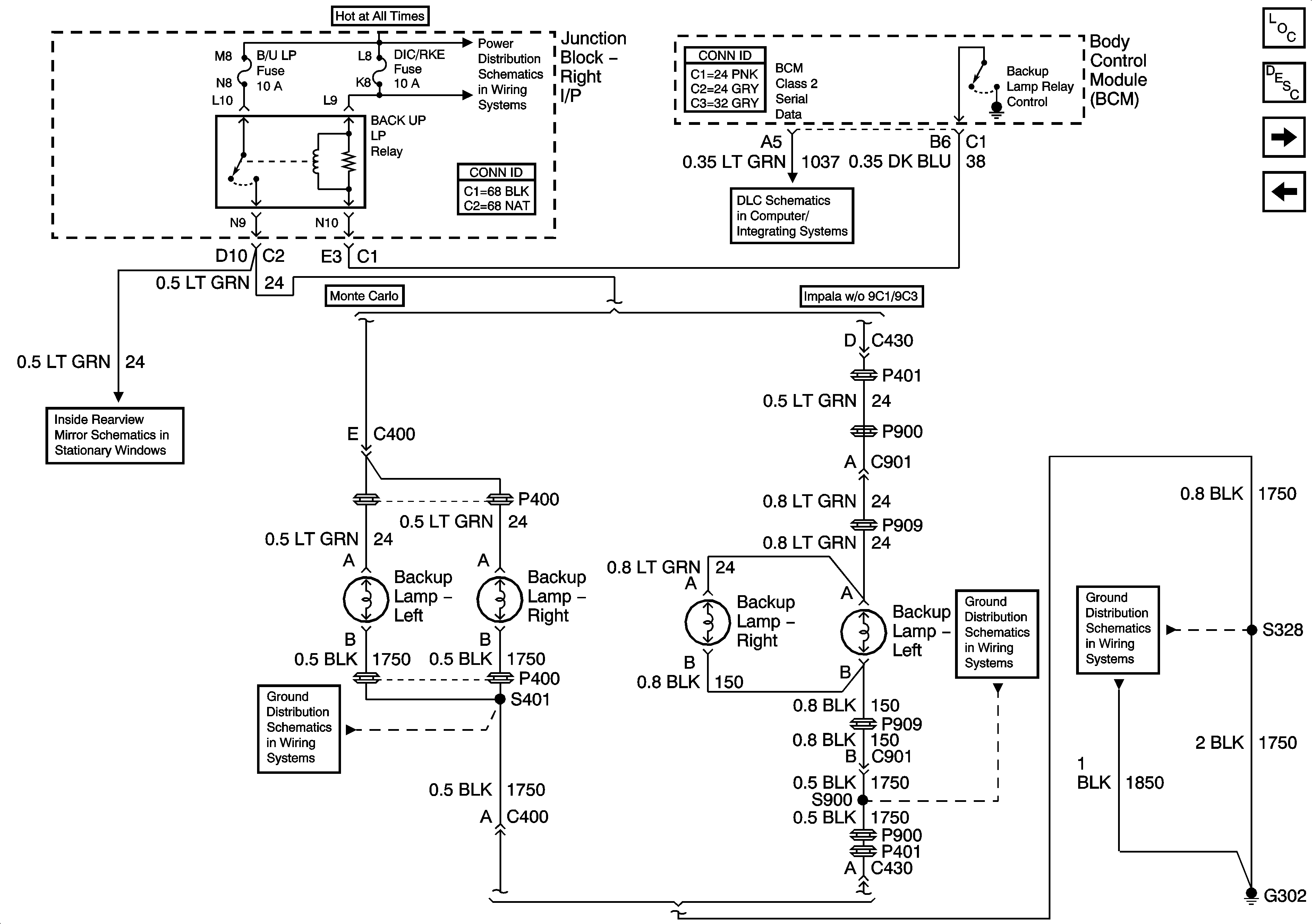
Figure 11:

Backup Lamps (w/o 9C1/9C3)


Object Number: 1551544  Size: FS
Master Electrical Component List
Exterior Lighting Systems Description and Operation
Backup Lamps (9C1/9C3)
Turn Lamps (Monte Carlo)
B/U LP, DIC/RKE, PWR DROP and RT HTD ST Fuses, PWR SEATS BRKR Circuit Breaker
DLC
Heat Controls (Monte Carlo)
G302 - 2 of 2 and G309
G302 - 2 of 2 and G309
G302 - 1 of 2
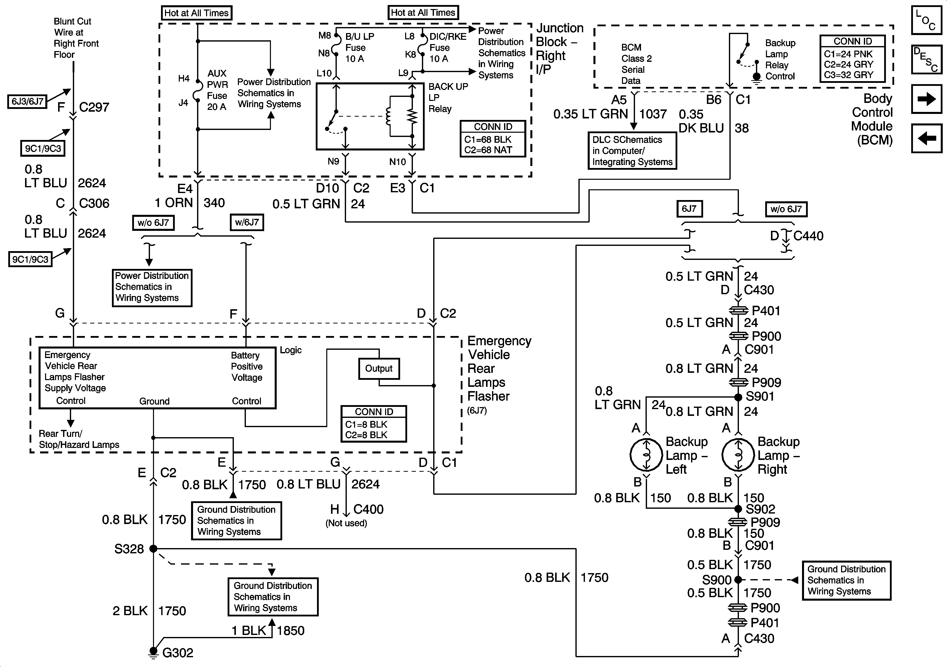
Figure 12:

Backup Lamps (9C1/9C3)


Object Number: 1551546  Size: FS
Master Electrical Component List
Exterior Lighting Systems Description and Operation
Emergency Vehicle Rear Compartment Lid Lamps and Spot Lamps (9C1/9C3)
Backup Lamps (w/o 9C1/9C3)
AUX PWR, BRK SW, C/LTR, DRL/EXT LTS, HAZ SW, RT I/P #2, SPOTLAMP-L, and SPOTLAMP-R Fuses, DRL RLY Relay
B/U LP, DIC/RKE, PWR DROP and RT HTD ST Fuses, PWR SEATS BRKR Circuit Breaker
DLC
AUX PWR, BRK SW, C/LTR, DRL/EXT LTS, HAZ SW, RT I/P #2, SPOTLAMP-L, and SPOTLAMP-R Fuses, DRL RLY Relay
Rear Turn/Stop/Hazard Lamps (Impala 6J7)
G302 - 1 of 2
G302 - 1 of 2
G302 - 2 of 2 and G309
Figure 13:

Emergency Vehicle Rear Compartment Lid Lamps, and Spot Lamps (9C1/9C3)


Object Number: 1318857  Size: FS
Master Electrical Component List
Exterior Lighting Systems Description and Operation
Backup Lamps (9C1/9C3)
Body Rear End Schematics
Rear Compartment
B/U LP, DIC/RKE, PWR DROP and RT HTD ST Fuses, PWR SEATS BRKR Circuit Breaker
B/U LP, DIC/RKE, PWR DROP and RT HTD ST Fuses, PWR SEATS BRKR Circuit Breaker
G302 - 2 of 2 and G309
G302 - 1 of 2