GM Service Manual Online
For 1990-2009 cars only
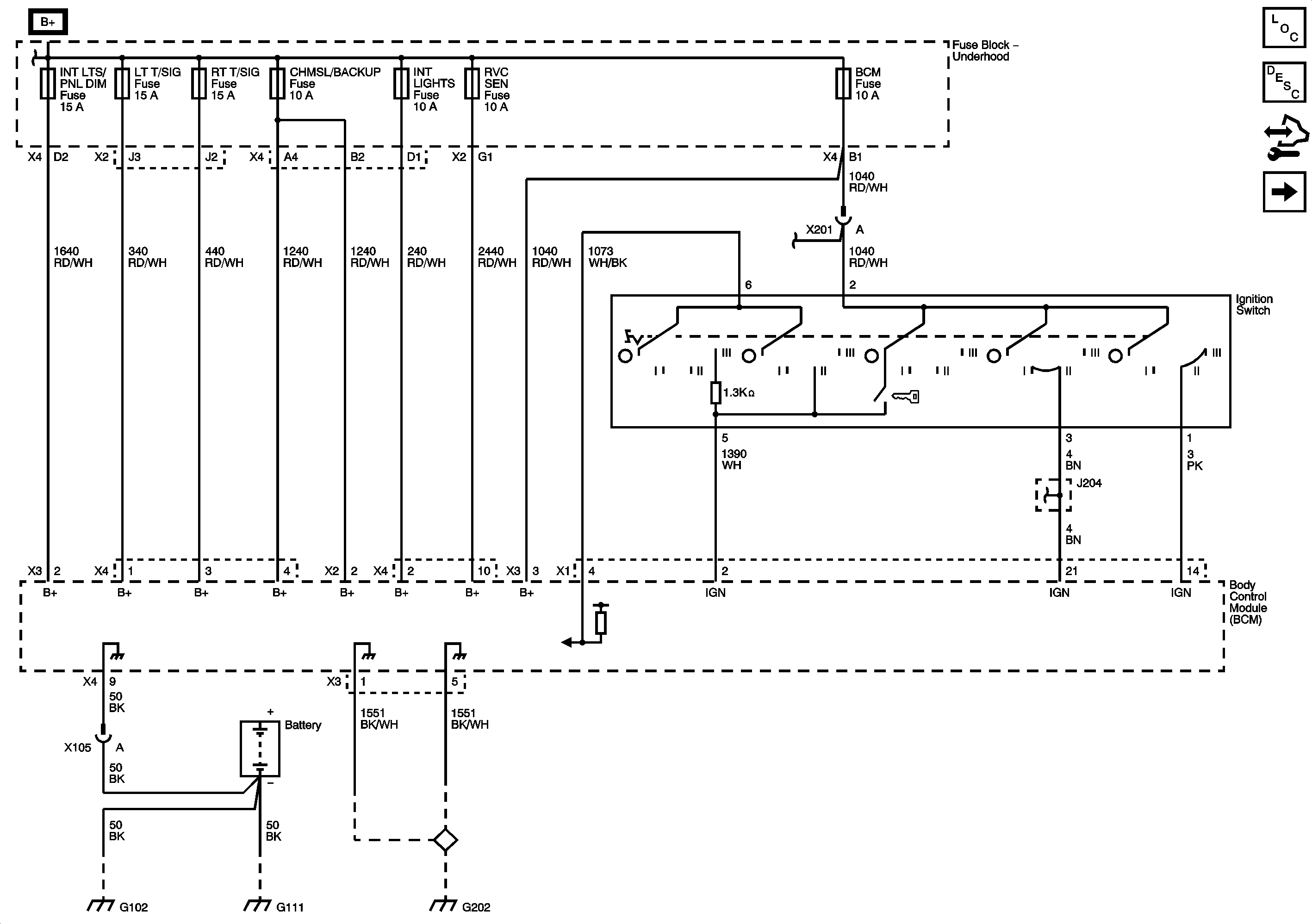
Figure 1:

Power and Ground


Object Number: 1888538  Size: FS
Master Electrical Component List
Body Control System Description and Operation
Control Module References
Data Link, Starting and Charging, Engine Controls, AT Shift Lock Controls, Cruise Control, ABS, Brake Warning, Headlights/DRL and Fog Lights References
Fuse Block - Underhood Bussing
ONSTAR, INT LTS/PNL DIM, LT T/SIG, RT T/SIG, CHMSL/BCK-UP, INT LIGHTS, RVC SEN, and ECM/TCM Fuses
Ignition Switch
Ignition Switch
G101, G102, and G111
G101, G102, and G111
G202, and G204
Figure 2:

Data Link, Starting and Charging, Engine Controls, AT Shift Lock Controls, Cruise Control, ABS, Brake Warning, Headlights/DRL, and Fog Lights References


Object Number: 1888544  Size: FS
Master Electrical Component List
Body Control System Description and Operation
Control Module References
Exterior Lights, Interior Lights, Interior Lights Dimming, Power Moding, and Door Lock/Indicator References
Power and Ground
Power, Ground, and Low Speed GMLAN Serial Data
Generator
ECM Power, Ground, MIL, and Serial Data
Shift Lock Control Schematics
Cruise Control Schematics
Power, Ground, and Brake Pressure Modulator Valves
Hydraulic Brake Schematics
Switches
Fog Lights Schematics
Figure 3:

Exterior Lights, Interior Lights, Interior Lights Dimming, Power Moding, and Door Lock/Indicator References


Object Number: 1888555  Size: FS
Master Electrical Component List
Body Control System Description and Operation
Control Module References
Door lock/Indicator Cont, Theft Deterrent, Horns, Steering Wheel, Upfitter Provisions, Wiper/Washer, and Release System References
Data Link, Starting and Charging, Engine Controls, AT Shift Lock Controls, Cruise Control, ABS, Brake Warning, Headlights/DRL and Fog Lights References
Turn Signal, Hazard, and Stop Lamps Inputs
Park Lamps (1 of 2)
Switches
Headlamp Switch, Instrument Panel Cluster (IPC) and Doors
Radio, HVAC Control Module, Driver Information Center (DIC) Switch, and Steering Wheel Controls
RAP Fuse Circuits
Door Lock Switches
Figure 4:

Door Lock/Indicator Continued, Theft Deterrent, Horns, Steering Wheel, Upfitter Provisions, Wiper/Washer, and Release System References


Object Number: 1888557  Size: FS
Master Electrical Component List
Body Control System Description and Operation
Control Module References
Exterior Lights, Interior Lights, Interior Lights Dimming, Power Moding, and Door Lock/Indicator References
Door Ajar Indicators
Theft Deterrent System Schematics
Horn Schematics
Steering Wheel Secondary/Configurable Control Schematics
6J1
Wiper/Washer Schematics
Release Systems Schematics