GM Service Manual Online
For 1990-2009 cars only
Makes
🢒
Chevrolet
🢒
2005
🢒
Kodiak C-Series Motorhome (Cutaway) C4/C5
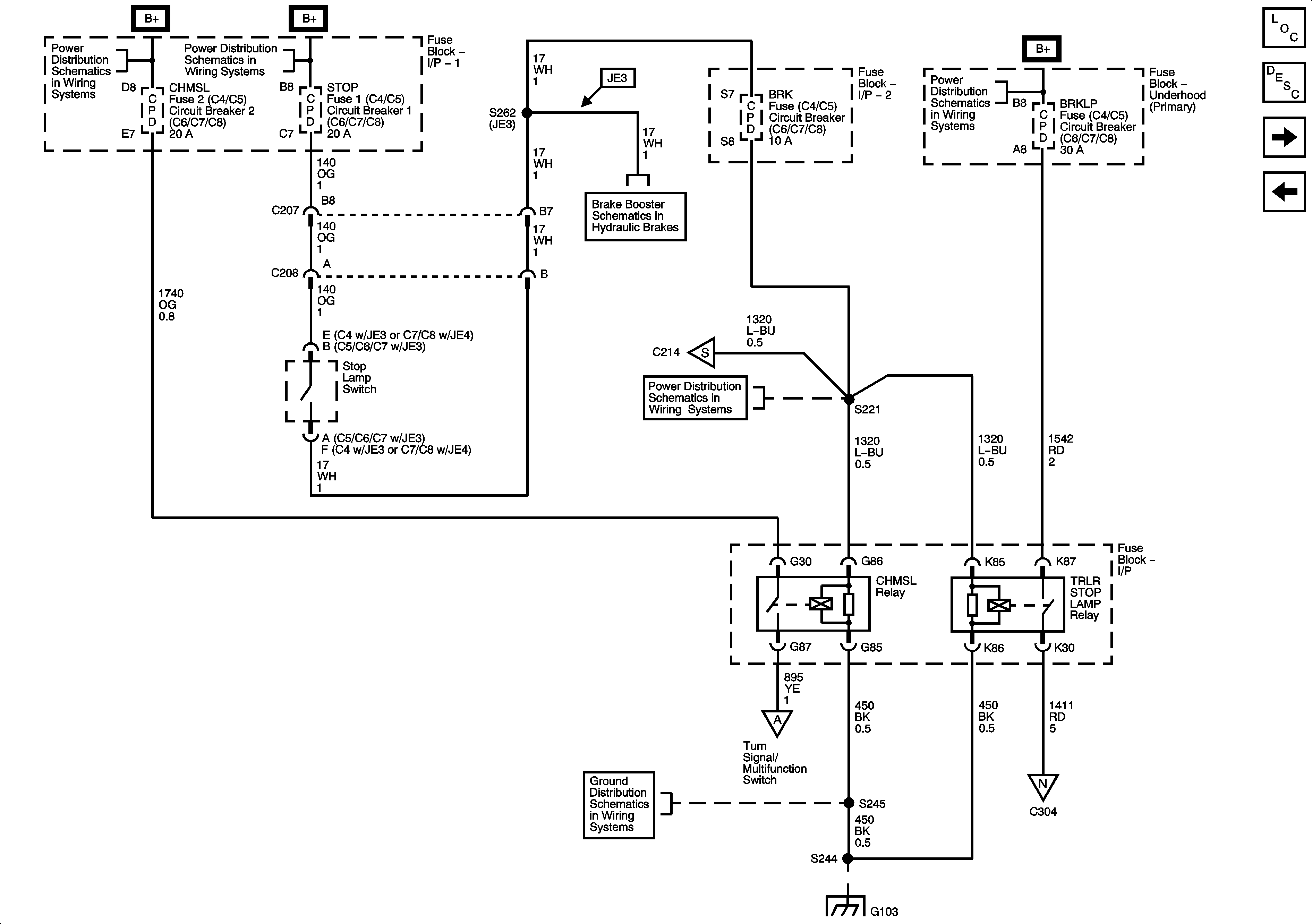
🢒 Stop Lamp Switch
Stop Lamp Switch
Stop Lamp Switch
Master Electrical Component List
Exterior Lighting Systems Description and Operation
Backup Lamps
Park Lamps, Roof Marker Lamps
RADIO/CHIME, CHMSL, and PWR POST Fuses/Circuit Breakers
Upfitter Connector
I/P Fuse Block, BRAKE ISO Fuse/Circuit Breaker
IGN 4 and HDLP Fuses, ELECTRIC BRAKE (C4/C5), BRAKE LAMP (C6/C7/C8), AND PWR WINDOW Circuit Breakers, RADIO, DRL, and MARKER Fuses/Circuit Breakers
Hazard and Turn Signal
G103 - 1 of 2, G105, and G106
G103 - 1 of 2, G105, and G106
Trailer Tow Connector (C4/C5)