GM Service Manual Online
For 1990-2009 cars only
Makes
🢒
Chevrolet
🢒
2006
🢒
Kodiak C-Series (Conventional) C4/C5
🢒
Brakes
🢒
Hydraulic Brakes
🢒 Brake Warning System Schematics
Figure
1:
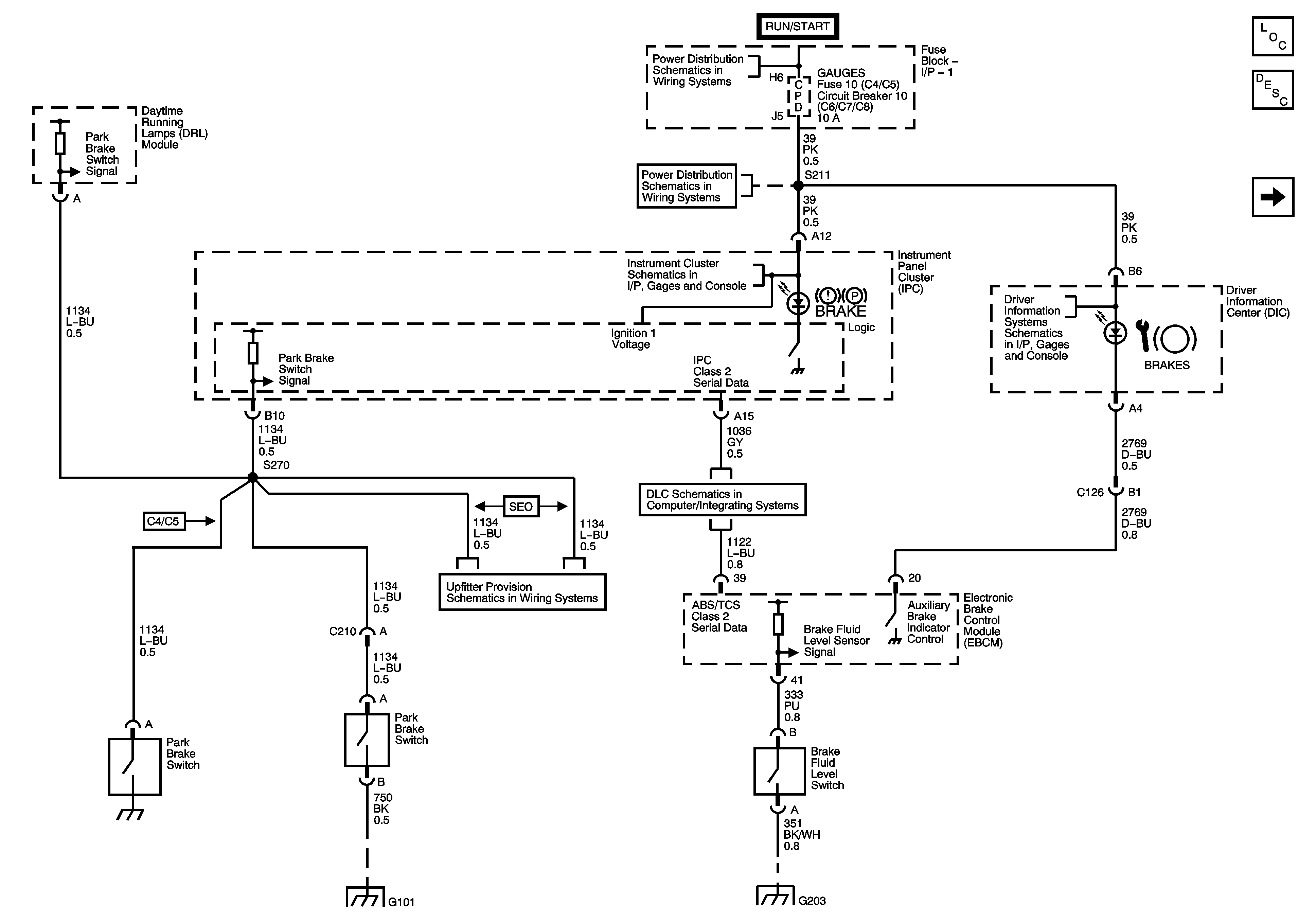
Brake Warning Indicators
Master Electrical Component List
Brake Warning System Description and Operation
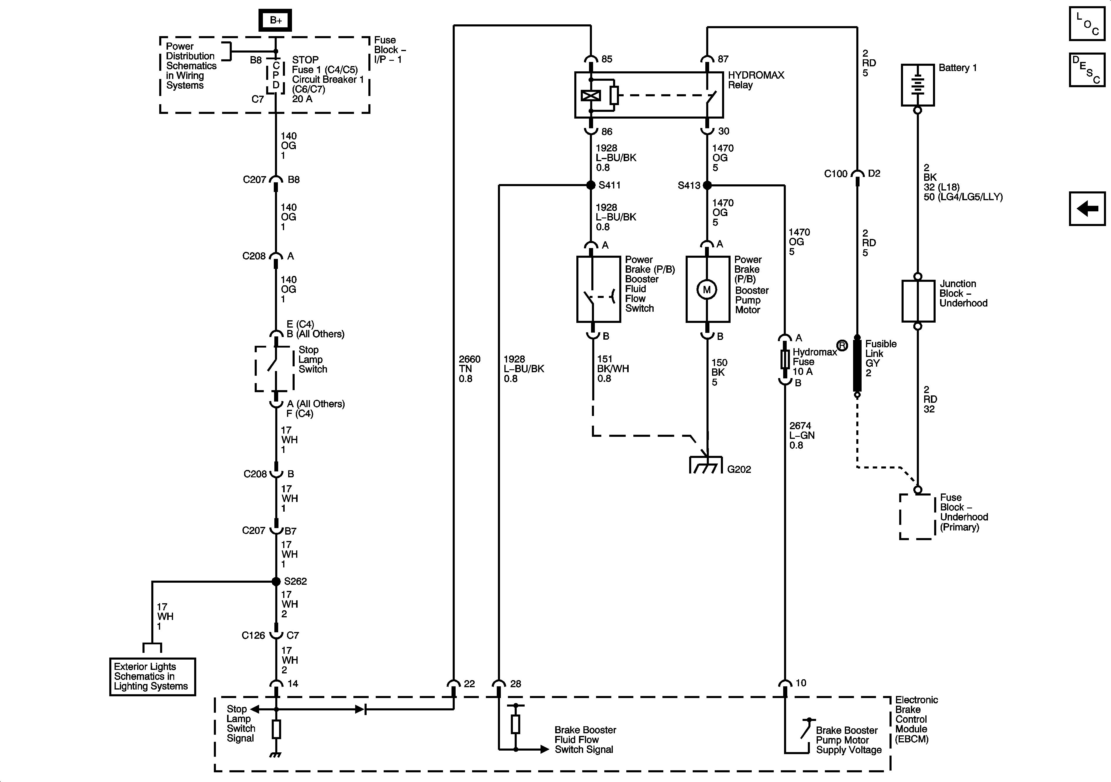
Power Brake (P/B) Booster Pump Controls and Stop Lamp Switch
Ignition Switch - OFF/RUN/START, RUN/START, and START Bus Bars
AIRBAG, GAUGES, LT REAR TURN/STOP, and RT REAR TURN/STOP Fuses/Circuit Breakers
DIC
Splice Pack SP203
Transmission and Lighting Connectors
G101 - 1 of 2
G203 - 2 of 4
Figure
2:
Power Brake (P/B) Booster Pump Controls and Stop Lamp Switch
Master Electrical Component List
Brake Assist System Description and Operation
Brake Warning Indicators
BAT/HAZ, HAZRD, PWR/ACCY, STOP, and TRLR Fuses/Circuit Breakers
G200 and G202
Stop Lamp Switch