GM Service Manual Online
For 1990-2009 cars only
Makes
🢒
Chevrolet
🢒
2006
🢒
Kodiak C-Series (Conventional) C4/C5
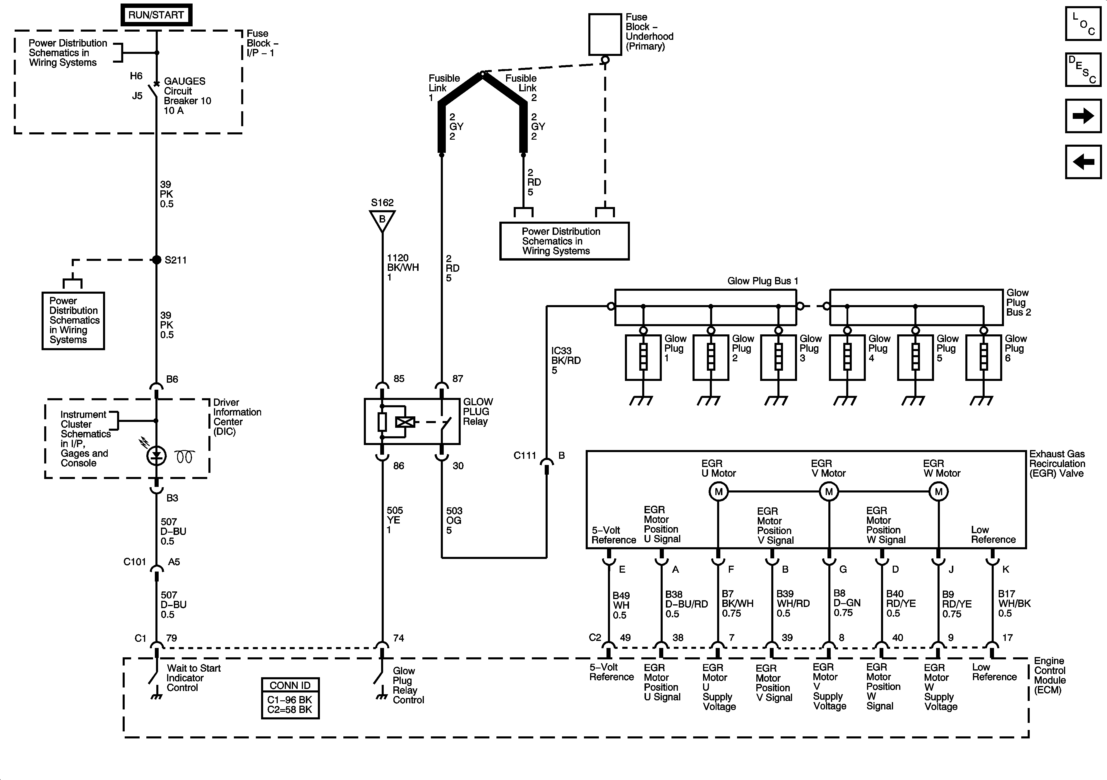
🢒 Engine Data Sensors - EGR Valve and Glow Plug Controls
Engine Data Sensors - EGR Valve and Glow Plug Controls
Engine Data Sensors - EGR Valve and Glow Plug Controls
Master Electrical Component List
Glow Plug System Description
Fuel Controls - Fuel Sensors and Suction Control Valve (SCV)
Engine Data Sensors - VSS and Injector Timing Controls
Ignition Switch - OFF/RUN/START, RUN/START, and START Bus Bars
AIRBAG, GAUGES, LT REAR TURN/STOP, and RT REAR TURN/STOP Fuses/Circuit Breakers
DIC
Module Power, Ground, Serial Data and MIL
Batteries - LG4/LG5 and B+ Bus