GM Service Manual Online
For 1990-2009 cars only
Makes
🢒
Chevrolet
🢒
2006
🢒
Kodiak C-Series (Conventional) C4/C5
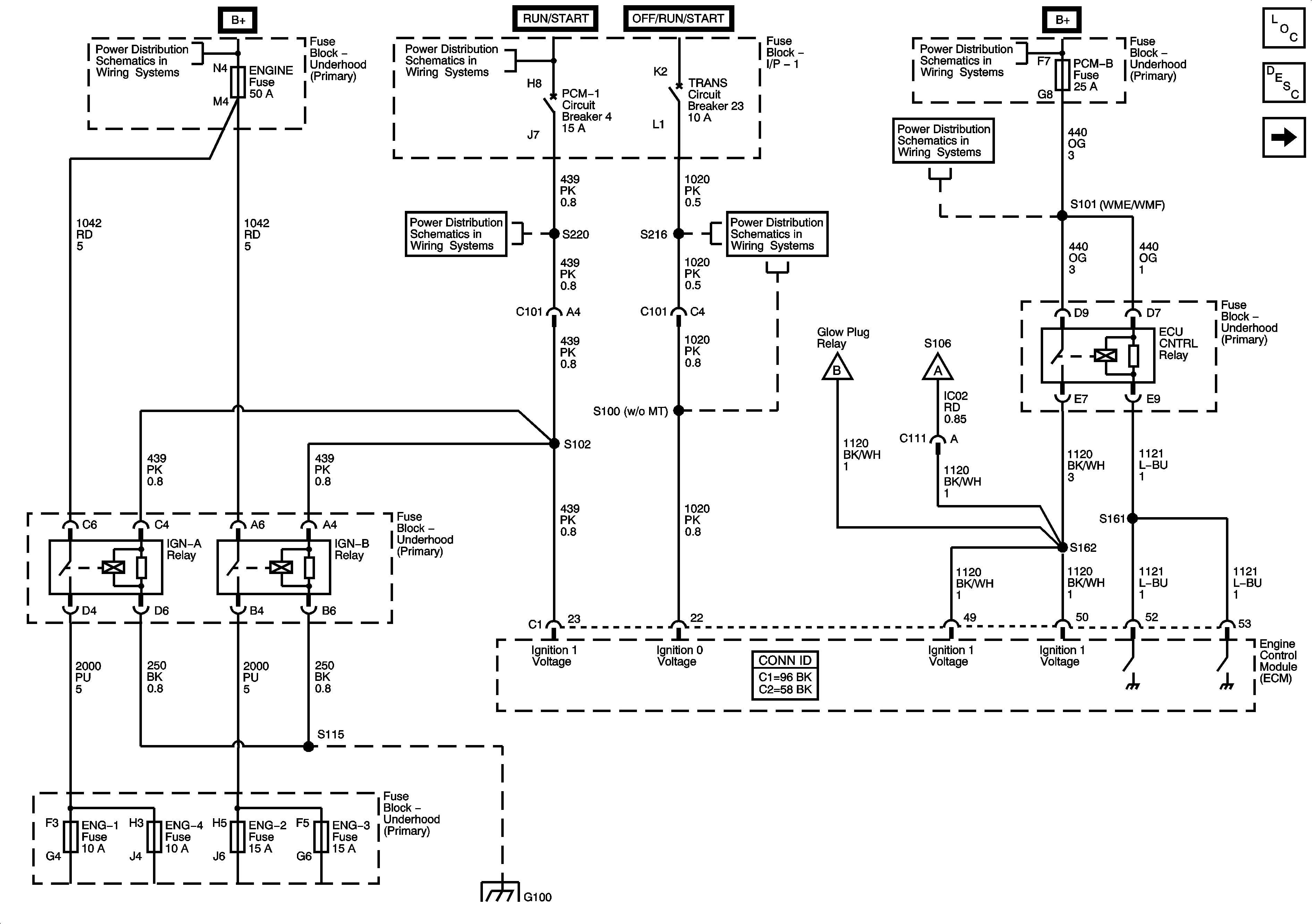
🢒 Module Power, Ground, Serial Data and MIL
Module Power, Ground, Serial Data and MIL
Module Power, Ground, Serial Data and MIL
Master Electrical Component List
Engine Control Component Description
Module Ground, Serial Data and MIL
Batteries - LG4/LG5 and B+ Bus
Ignition Switch - OFF/RUN/START, RUN/START, and START Bus Bars
ENGINE and PCM-1 Fuses/Circuit Breakers
TRANS Fuse/Circuit Breaker
A/C COMP, HTD FUEL, PCM-B, and RR DEFOG Fuses
Batteries - LG4/LG5 and B+ Bus
Engine Data Sensors - EGR Valve and Glow Plug Controls
Engine Data Sensors - Pressure and Temperature 2 of 2
G100 - LG4