GM Service Manual Online
For 1990-2009 cars only
Makes
🢒
Chevrolet
🢒
2006
🢒
Kodiak C-Series (Conventional) C4/C5
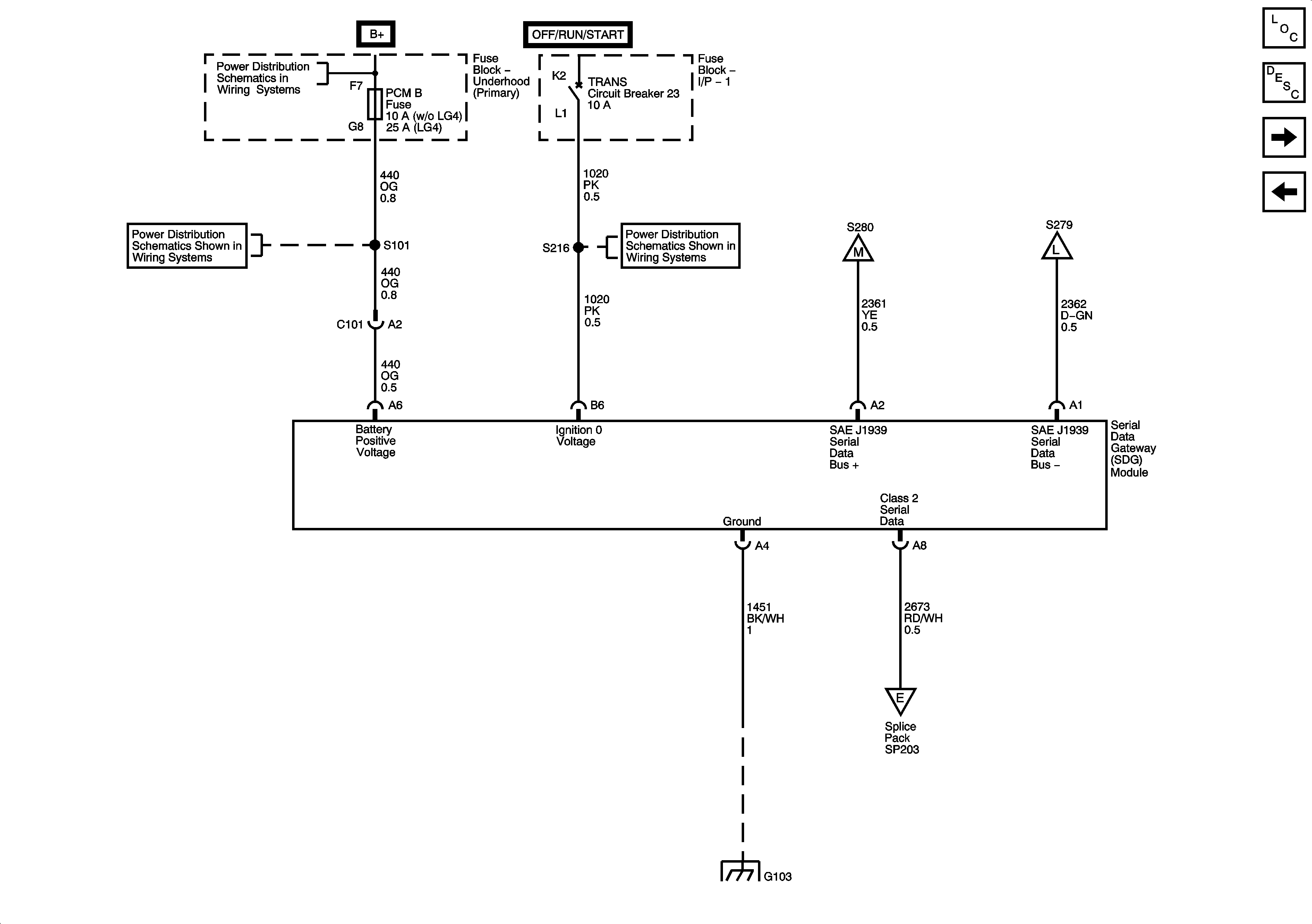
🢒 Serial Data Gateway (SDG) Module - L18 w/JE4, LG4, LG5
Serial Data Gateway (SDG) Module - L18 w/JE4, LG4, LG5
Serial Data Gateway (SDG) - L18 w/JE4, LG4, LG5
Master Electrical Component List
Data Link Communications Description and Operation
J1939 Serial Data, 1 of 2 - L18 w/JE4, LG4, LG5
CAN Connector Power and Ground - L18 w/JE4, LG4, LG5
Batteries - LG4/LG5 and B+ Bus
A/C COMP, HTD FUEL, PCM-B, and RR DEFOG Fuses
TRANS Fuse/Circuit Breaker
J1939 Serial Data, 1 of 2 - L18 w/JE4, LG4, LG5
J1939 Serial Data, 1 of 2 - L18 w/JE4, LG4, LG5
G103, G105, and G106
Splice Pack SP203