GM Service Manual Online
For 1990-2009 cars only
Figure 1:

Hazard, Stop, and Turn Signal Control


Object Number: 1841395  Size: FS
Master Electrical Component List
Exterior Lighting Systems Description and Operation
Control Module References
Park and Marker Lamps
BAT/HAZ, HAZRD, PWR/ACCY, STOP, and TRLR Fuses/Circuit Breakers
Ignition Switch - OFF/RUN/START, RUN/START, and START Busses
BAT/HAZ, HAZRD, PWR/ACCY, STOP, and TRLR Fuses/Circuit Breakers
TRN/BCK/UP Fuse/Circuit Breaker
G101 - 1 of 2
Power Brake Booster Pump Controls and Stop Lamp Switch
IGN-4, ELEC BRK/BRKLP, HDLP, MKR LTS, PWR WNDW, DRL, and RADIO Fuses/Circuit Breakers
C305 (Upfitter Lighting Connector)
BRK Fuse/Circuit Breaker
Park and Marker Lamps
Park and Marker Lamps
Park and Marker Lamps
Park and Marker Lamps
G103 - 1 of 2, G105, and G106
Trailer Tow Connector (C6/C7/C8)
G103 - 1 of 2, G105, and G106
Figure 2:

Park and Marker Lamps


Object Number: 1841402  Size: FS
Master Electrical Component List
Exterior Lighting Systems Description and Operation
Control Module References
Park and Stop Lamps
Hazard, Stop, and Turn Signal Controls
Hazard, Stop, and Turn Signal Controls
Trailer Tow Connector (C6/C7/C8)
G112, G113, G203 - 4 of 4, G204, G205, and G400
G112, G113, G203 - 4 of 4, G204, G205, and G400
Hazard, Stop, and Turn Signal Controls
Trailer Tow Connector (C6/C7/C8)
Backup Lamps and Backup Alarm
G200, G202, and G203 - 1 of 4
Hazard, Stop, and Turn Signal Controls
Trailer Tow Connector (C6/C7/C8)
Hazard, Stop, and Turn Signal Controls
Trailer Tow Connector (C6/C7/C8)
Backup Lamps and Backup Alarm
Figure 3:

Park and Stop Lamps


Object Number: 1843813  Size: FS
Master Electrical Component List
Exterior Lighting Systems Description and Operation
Control Module References
Clearance, ID, and Marker Lamps
Park and Marker Lamps
LIGHTING, CTSY LAMPS, PRK LAMPS, HVAC, ILLUM, LT PARK, and RT PARK Fuses/Circuit Breakers - 1 of 2
Dome/Reading Lamps
Trailer Tow Connector (C4/C5)
Trailer Tow Connector (C6/C7/C8)
C305 (Upfitter Lighting Connector)
LIGHTING, CTSY LAMPS, PRK LAMPS, HVAC, ILLUM, LT PARK, and RT PARK Fuses/Circuit Breakers - 1 of 2
Clearance, ID, and Marker Lamps
C305 (Upfitter Lighting Connector)
G112, G113, G203 - 4 of 4, G204, G205, and G400
G112, G113, G203 - 4 of 4, G204, G205, and G400
G200, G202, and G203 - 1 of 4
Backup Lamps and Backup Alarm
Backup Lamps and Backup Alarm
Figure 4:

Clearance, ID, and Marker Lamps


Object Number: 1841419  Size: FS
Master Electrical Component List
Exterior Lighting Systems Description and Operation
Control Module References
Backup Lamp Control
Park and Stop Lamps
IGN-4, ELEC BRK/BRKLP, HDLP, MKR LTS, PWR WNDW, DRL, and RADIO Fuses/Circuit Breakers
Park and Stop Lamps
G101 - 2 of 2
Trailer Tow Connector (C6/C7/C8)
G101 - 1 of 2
C305 (Upfitter Lighting Connector)
G102 - 1 of 2
G102 - 1 of 2
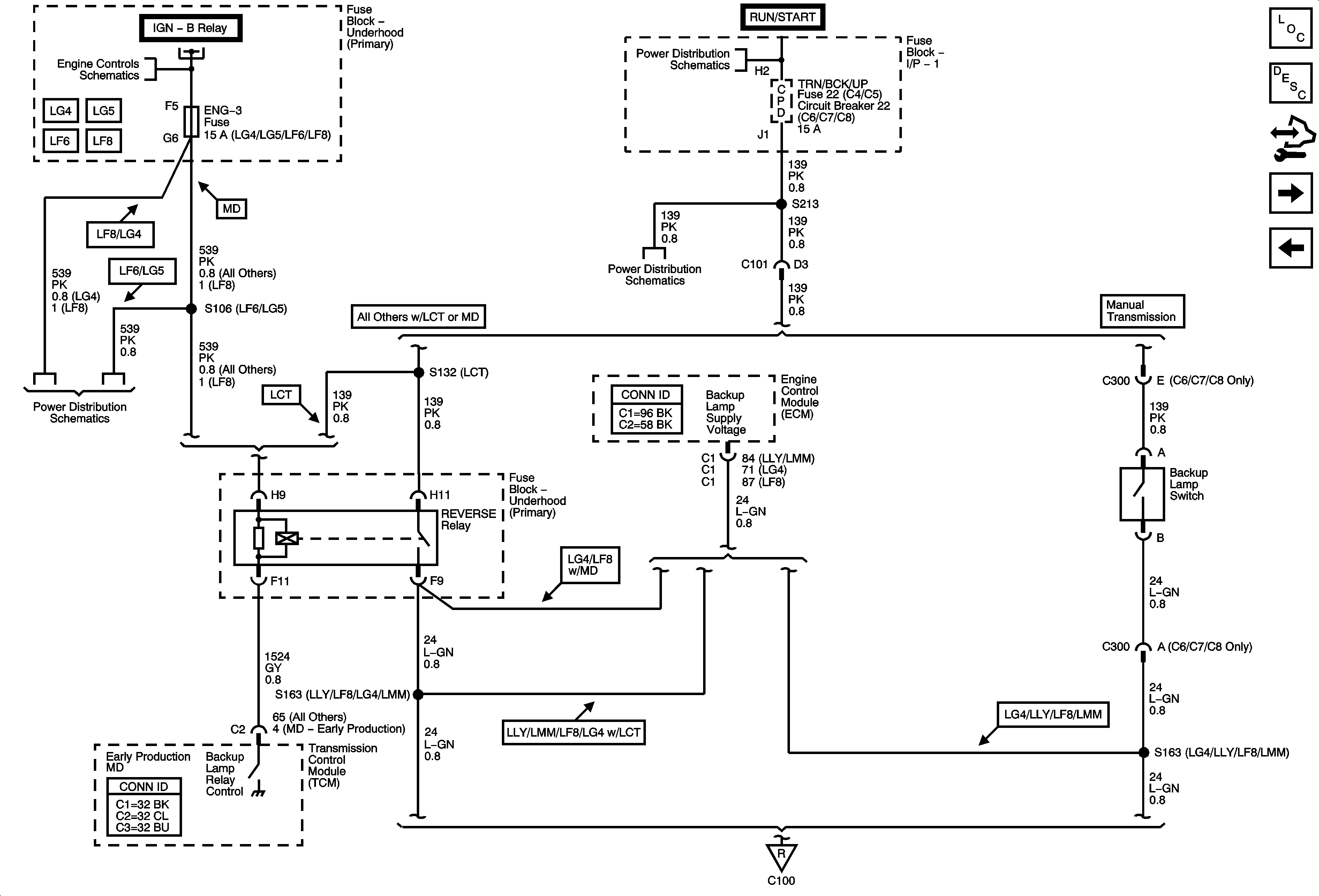
Figure 5:

Backup Lamp Control


Object Number: 1841438  Size: FS
Master Electrical Component List
Exterior Lighting Systems Description and Operation
Control Module References
Backup Lamps and Backup Alarm
Clearance, ID, and Marker Lamps
ENG-2, and ENG-3 Fuses - LG4
ENG-2 and ENG-3 Fuses - LG5/LLY
ENG-2, and ENG-3 Fuses - LG4
ENG-2 and ENG-3 Fuses - LG5/LLY
Ignition Switch - OFF/RUN/START, RUN/START, and START Busses
TRN/BCK/UP Fuse/Circuit Breaker
Backup Lamps and Backup Alarm
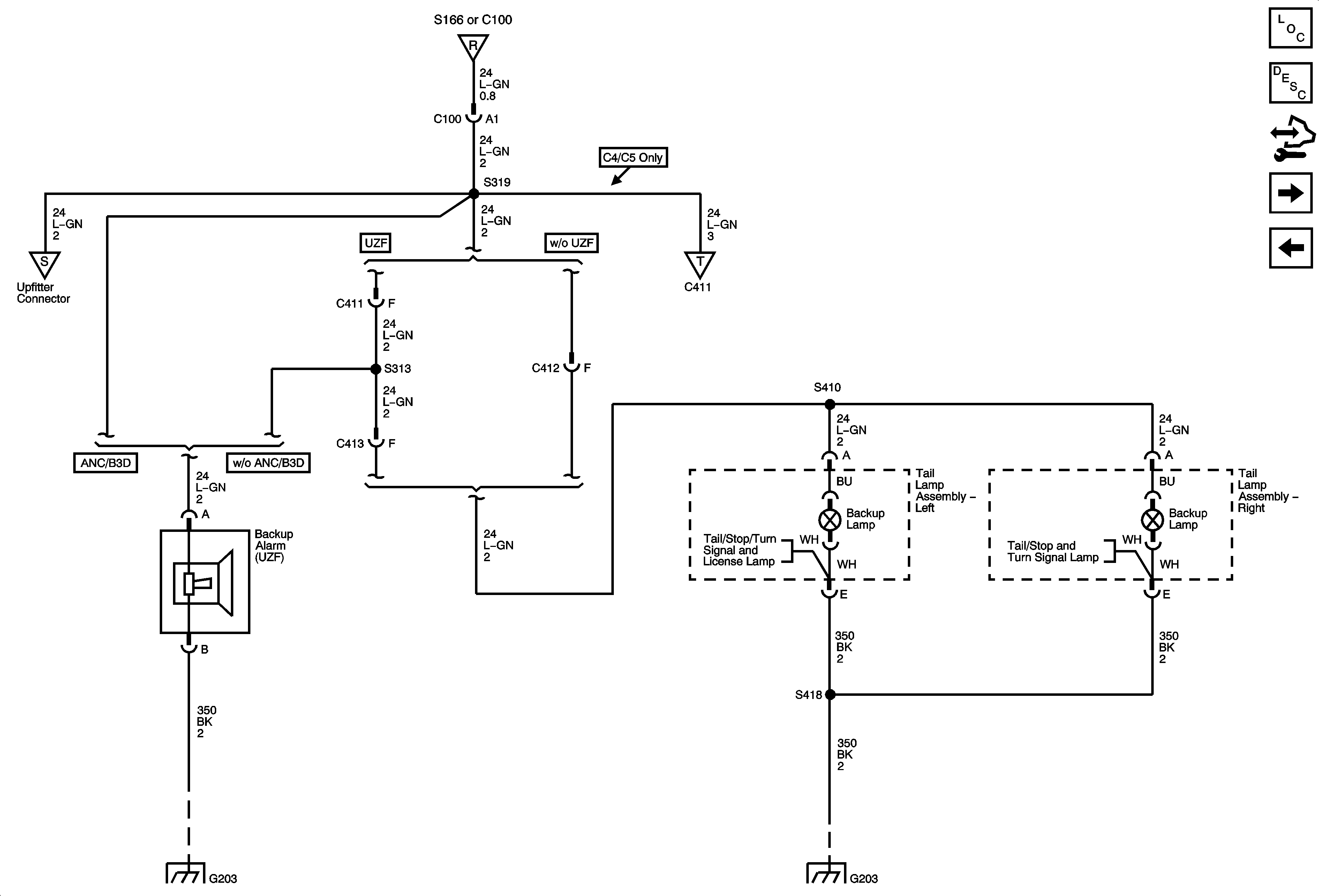
Figure 6:

Backup Lamps and Backup Alarm


Object Number: 1841465  Size: FS
Master Electrical Component List
Exterior Lighting Systems Description and Operation
Control Module References
Trailer Tow Connector (C4/C5)
Backup Lamp Control
C305 (Upfitter Lighting Connector)
G200, G202, and G203 - 1 of 4
Backup Lamp Control
Trailer Tow Connector (C4/C5)
Park and Marker Lamps
Park and Marker Lamps
G200, G202, and G203 - 1 of 4
Figure 7:

Trailer Tow Connector (C4/C5)


Object Number: 1841476  Size: FS
Master Electrical Component List
Exterior Lighting Systems Description and Operation
Control Module References
Trailer Tow Connector (C6/C7/C8)
Backup Lamps and Backup Alarm
BAT/HAZ, HAZRD, PWR/ACCY, STOP, and TRLR Fuses/Circuit Breakers
Park and Marker Lamps
C305 (Upfitter Lighting Connector)
C305 (Upfitter Lighting Connector)
G103 - 1 of 2, G105, and G106
Park and Marker Lamps
IGN-4, ELEC BRK/BRKLP, HDLP, MKR LTS, PWR WNDW, DRL, and RADIO Fuses/Circuit Breakers
Park and Stop Lamps
Backup Lamps and Backup Alarm
G112, G113, G203 - 4 of 4, G204, G205, and G400
Figure 8:

Trailer Tow Connector (C6/C7/C8)


Object Number: 1841487  Size: FS
Master Electrical Component List
Exterior Lighting Systems Description and Operation
Control Module References
C305 (Upfitter Lighting Connector)
Trailer Tow Connector (C4/C5)
BAT/HAZ, HAZRD, PWR/ACCY, STOP, and TRLR Fuses/Circuit Breakers
Park and Marker Lamps
C305 (Upfitter Lighting Connector)
C305 (Upfitter Lighting Connector)
G103 - 1 of 2, G105, and G106
Park and Marker Lamps
IGN-4, ELEC BRK/BRKLP, HDLP, MKR LTS, PWR WNDW, DRL, and RADIO Fuses/Circuit Breakers
Park and Stop Lamps
Backup Lamps and Backup Alarm
G112, G113, G203 - 4 of 4, G204, G205, and G400
Figure 9:

C305 - Upfitter Lighting Connector


Object Number: 1841521  Size: FS
Master Electrical Component List
Exterior Lighting Systems Description and Operation
Control Module References
Trailer Tow Connector (C6/C7/C8)
AUX WIRE and IGN 4 - Fuses/Circuit Breakers
Trailer Tow Connector (C4/C5)
Trailer Tow Connector (C6/C7/C8)
Trailer Tow Connector (C4/C5)
Trailer Tow Connector (C6/C7/C8)
Clearance, ID, and Marker Lamps
Hazard, Stop, and Turn Signal Controls
Park and Stop Lamps
Park and Stop Lamps
Backup Lamps and Backup Alarm
G200, G202, and G203 - 1 of 4
Instrument Panel Cluster - 2 of 2