GM Service Manual Online
For 1990-2009 cars only
Makes
🢒
Chevrolet
🢒
2006
🢒
Malibu
🢒 Power, Ground and Illumination
Power, Ground and Illumination
Power, Ground, and Illumination
Master Electrical Component List
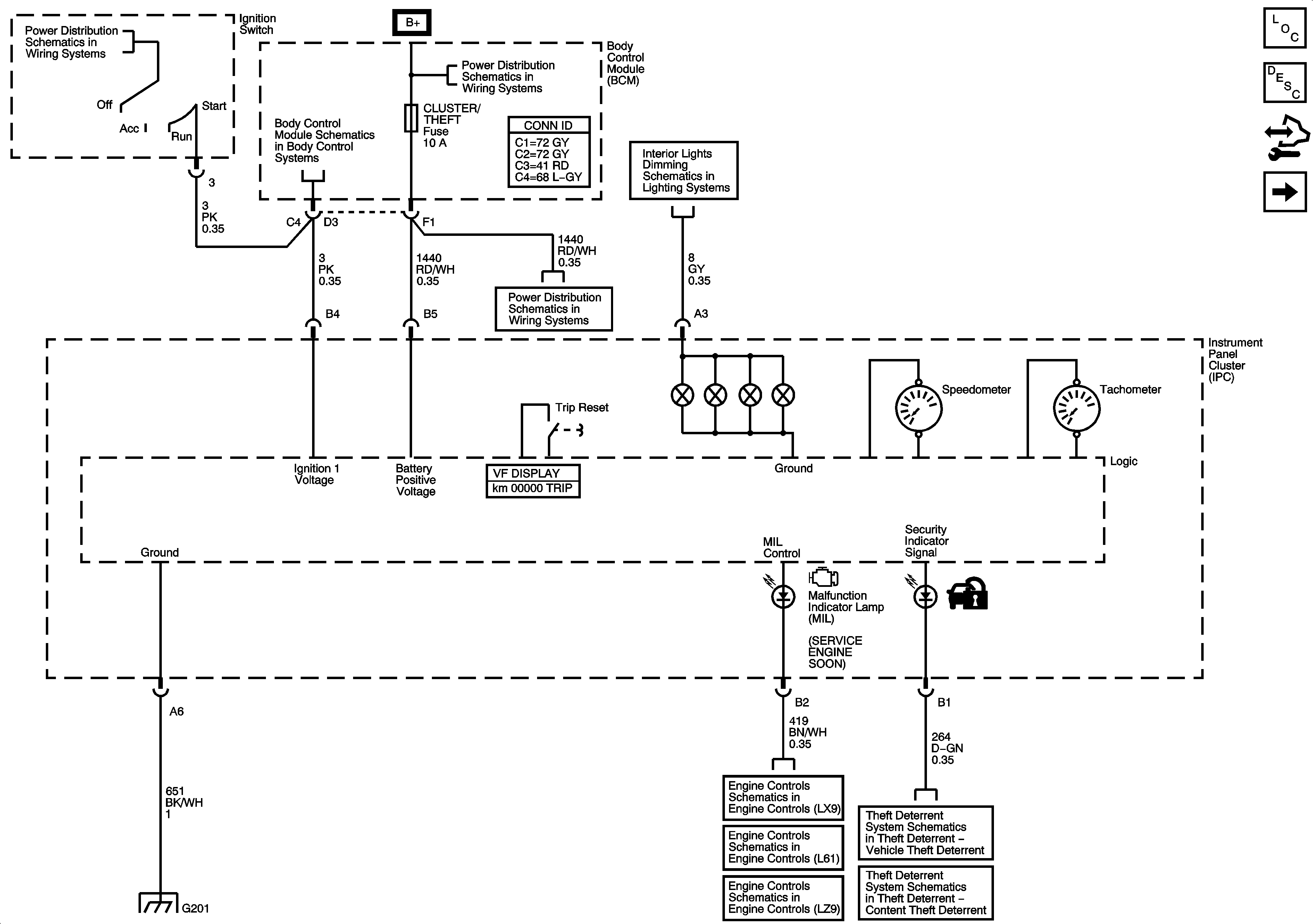
Instrument Cluster Description and Operation
Control Module References
Indicators
Underhood Fuse Block - IBCM 1, Body Control Module (BCM), AIR BAG (BATT), CLUSTER/THEFT, HVAC CTRL (BATT), IGN SENSOR, and RADIO Fuses
Underhood Fuse Block - IBCM 1, Body Control Module (BCM), AIR BAG (BATT), CLUSTER/THEFT, HVAC CTRL (BATT), IGN SENSOR, and RADIO Fuses
Displays
Underhood Fuse Block - IBCM 1, Body Control Module (BCM), AIR BAG (BATT), CLUSTER/THEFT, HVAC CTRL (BATT), IGN SENSOR, and RADIO Fuses
G201
Power, Ground, Serial Data and MIL
Power, Ground, Serial Data and MIL
Ground, MIL, Power and Serial Data
Vehicle Theft Deterrent (VTD) System
Content Theft Deterrent (CTD) System