GM Service Manual Online
For 1990-2009 cars only
Makes
🢒
Chevrolet
🢒
2006
🢒
Malibu
🢒 Outputs
Outputs
Outputs
Master Electrical Component List
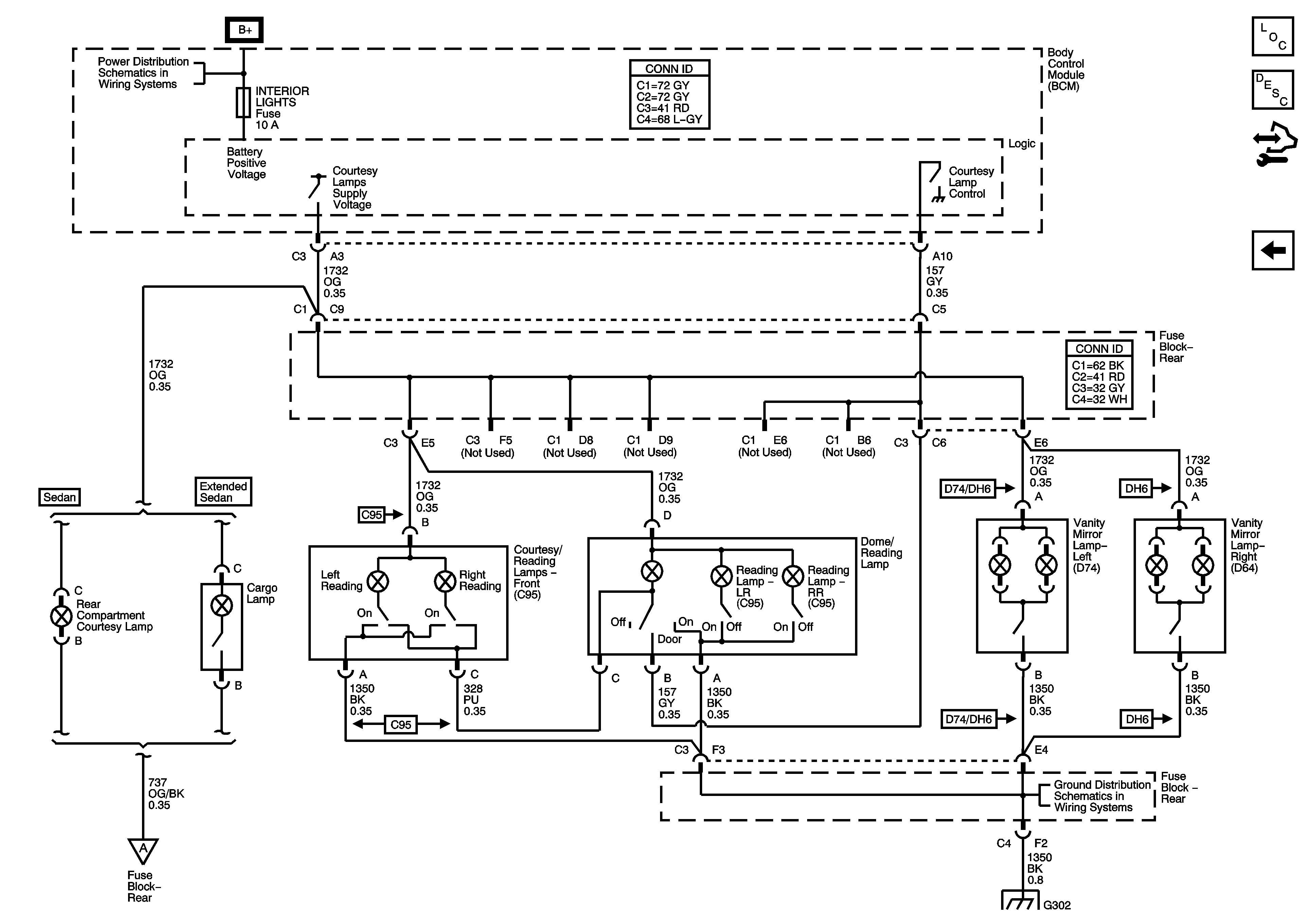
Interior Lighting Systems Description and Operation
Control Module References
Inputs
Underhood Fuse Block, ICBM 2, Body Control Module (BCM), ACCESSORY Relay, DOOR LOCK, INTERIOR LIGHTS, POWER WINDOWS, REAR WIPER, ROOF/HEAT SEAT and WIPER SW Fuses
Inputs
G302
G302