GM Service Manual Online
For 1990-2009 cars only
Figure 1:

Power and Ground


Object Number: 624325  Size: FS
Engine Controls Components
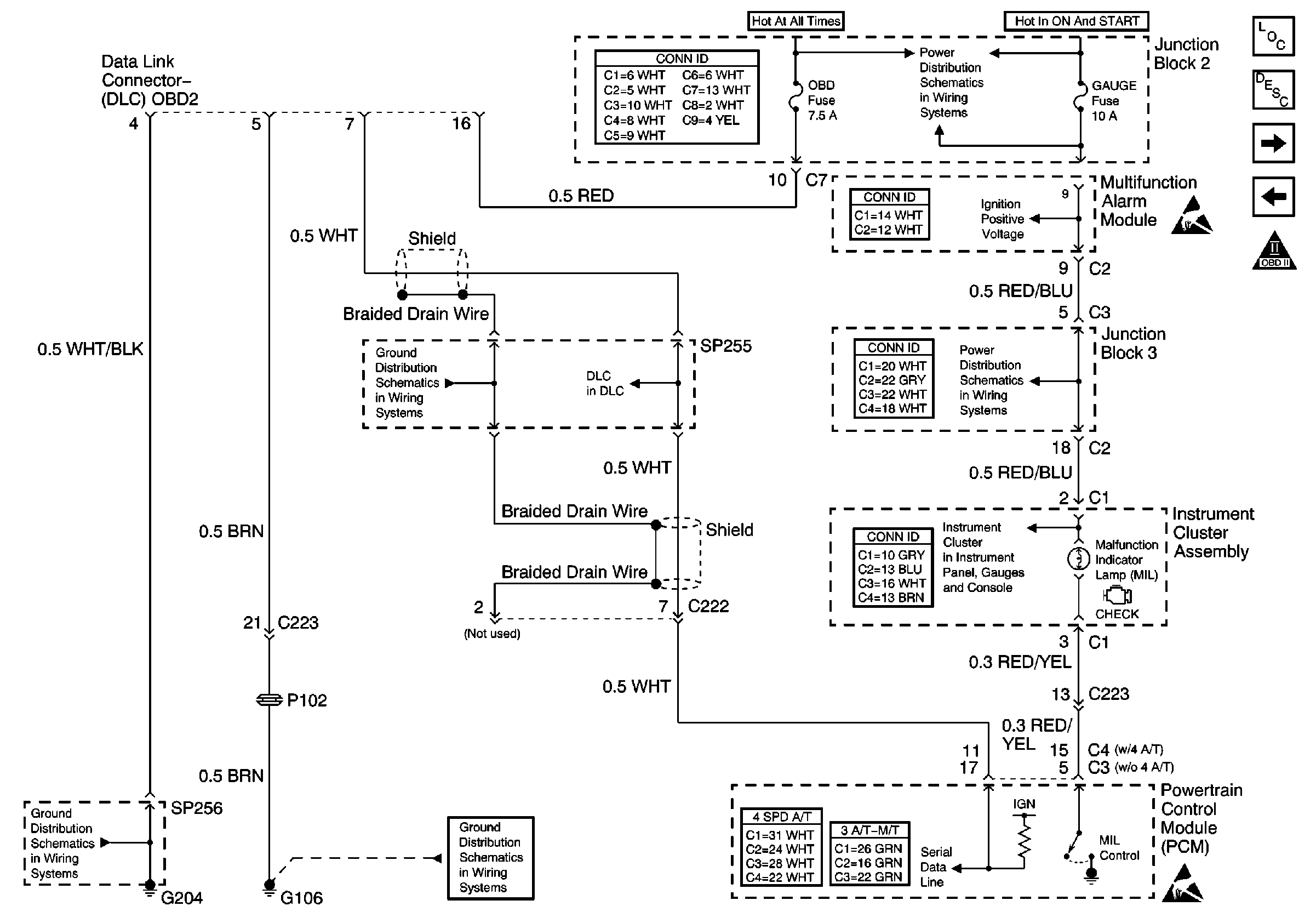
MIL and DLC
OBD II Symbol Description Notice
Handling ESD Sensitive Parts Notice
Cell 14: G105 and G106 (1 of 2)
Cell 14: SP254 and SP261
Cell 10: Ignition Switch, IGN Fuse, and ST Fuse
Cell 10: Ignition Switch, IGN Fuse, and ST Fuse
Cell 10: Alt-S, AM2, Dome, EFI, Hazard, Horn, and Main Fuses
Figure 2:

MIL and DLC


Object Number: 624327  Size: FS
Engine Controls Components
Main Power Feed
Power and Ground
OBD II Symbol Description Notice
Handling ESD Sensitive Parts Notice
Handling ESD Sensitive Parts Notice
Cell 10: Gauge Fuse
Cell 10: ABS, Alt, AMI, Def, D/L, ECU-B, HTR, ODB, Power, and Stop Fuses
Cell 14: G106 (2 of 2)
Cell 14: G106 (2 of 2)
Cell 14: G105 and G106 (1 of 2)
Cell 14: G204 and SP256
Cell 81: ABS, Oil Pressure, MIL, O/D OFF, and Cruise Indicators
Cell 50: OBD II Connector
Figure 3:

Main Power Feed


Object Number: 624328  Size: FS
Engine Controls Components
Ignition System
MIL and DLC
OBD II Symbol Description Notice
Handling ESD Sensitive Parts Notice
Cell 10: Ignition Switch, IGN Fuse, and ST Fuse
Cell 10: Alt-S, AM2, Dome, EFI, Hazard, Horn, and Main Fuses
Cell 14: Battery, G100, G101, G102, G103, and G104
Cell 14: SP254 and SP261
Cell 14: SP254 and SP261
Cell 14: G105 and G106 (1 of 2)
Figure 4:

Ignition System


Object Number: 624329  Size: FS
Engine Controls Components
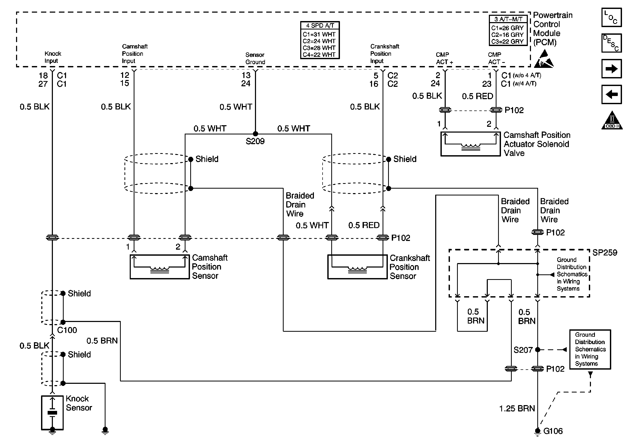
CMP and CKP Sensors
Main Power Feed
OBD II Symbol Description Notice
Handling ESD Sensitive Parts Notice
Cell 10: Ignition Switch, IGN Fuse, and ST Fuse
Cell 14: G105 and G106 (1 of 2)
Figure 5:

CMP and CKP Sensors


Object Number: 624330  Size: FS
Engine Controls Components
Tachometer
Ignition System
OBD II Symbol Description Notice
Handling ESD Sensitive Parts Notice
Cell 14: G105 and G106 (1 of 2)
Cell 14: G106 (2 of 2)
Figure 6:

Tachometer


Object Number: 624331  Size: FS
Engine Controls Components
Fuel Supply System
CMP and CKP Sensors
OBD II Symbol Description Notice
Handling ESD Sensitive Parts Notice
Handling ESD Sensitive Parts Notice
Cell 10: ABS, Alt, AMI, Def, D/L, ECU-B, HTR, ODB, Power, and Stop Fuses
Cell 10: Gauge Fuse
Cell 14: G105 and G106 (1 of 2)
Cell 81: ABS, Oil Pressure, MIL, O/D OFF, and Cruise Indicators
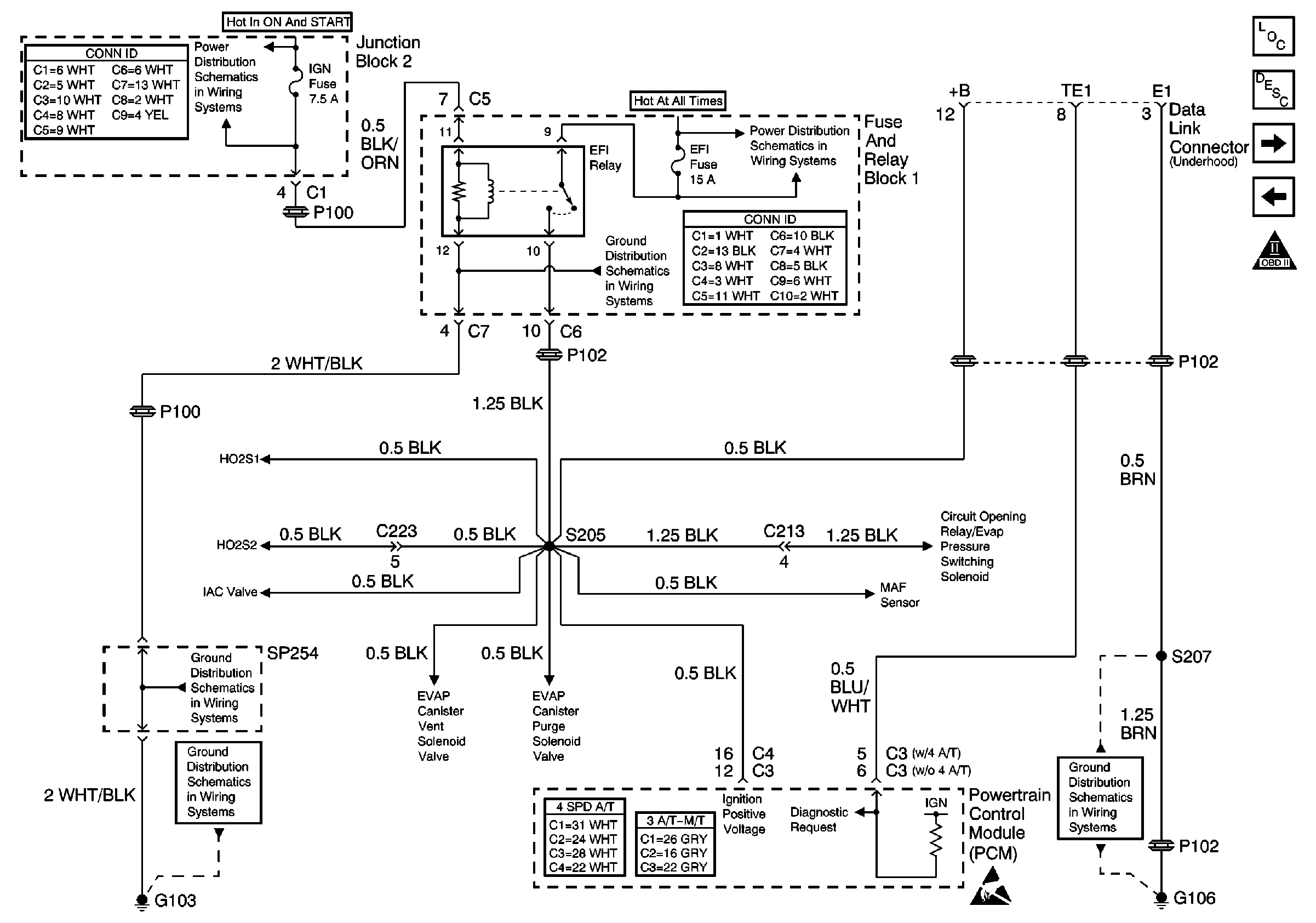
Figure 7:

Fuel Supply System


Object Number: 624332  Size: FS
Engine Controls Components
Fuel Injectors
Tachometer
OBD II Symbol Description Notice
Handling ESD Sensitive Parts Notice
Cell 14: SP254 and SP261
Cell 14: SP254 and SP261
Cell 14: Battery, G100, G101, G102, G103, and G104
Cell 10: Ignition Switch, IGN Fuse, and ST Fuse
Cell 10: Alt-S, AM2, Dome, EFI, Hazard, Horn, and Main Fuses
Figure 8:

Fuel Injectors


Object Number: 624333  Size: FS
Engine Controls Components
Engine Data Sensors (1 of 2)
Fuel Supply System
OBD II Symbol Description Notice
Handling ESD Sensitive Parts Notice
Cell 10: Ignition Switch, IGN Fuse, and ST Fuse
Figure 9:

Engine Data Sensors (1 of 2)


Object Number: 624335  Size: FS
Engine Controls Components
Engine Data Sensors (2 of 2)
Fuel Injectors
OBD II Symbol Description Notice
Handling ESD Sensitive Parts Notice
Figure 10:

Engine Data Sensors (2 of 2)


Object Number: 624336  Size: FS
Engine Controls Components
HO2S
Engine Data Sensors (1 of 2)
OBD II Symbol Description Notice
Handling ESD Sensitive Parts Notice
Figure 11:

HO2S


Object Number: 624337  Size: FS
Engine Controls Components
VSS Output
Engine Data Sensors (2 of 2)
OBD II Symbol Description Notice
Handling ESD Sensitive Parts Notice
Cell 10: Ignition Switch, IGN Fuse, and ST Fuse
Cell 10: Alt-S, AM2, Dome, EFI, Hazard, Horn, and Main Fuses
Cell 14: SP254 and SP261
Cell 14: SP254 and SP261
Cell 14: G105 and G106 (1 of 2)
Cell 14: SP254 and SP261
Cell 14: Battery, G100, G101, G102, G103, and G104
Figure 12:

VSS Output


Object Number: 624339  Size: FS
HO2S
Engine Controls Components
EVAP Controls, and IAC Valve
OBD II Symbol Description Notice
Handling ESD Sensitive Parts Notice
Handling ESD Sensitive Parts Notice
Cell 10: Gauge Fuse
Cell 10: Gauge Fuse
Cell 10: Gauge Fuse
Cell 34: Vehicle Speed Sensor
Cell 81: Gages, Speedometer, and Low Fuel Indicator
Cell 81: Gages, Speedometer, and Low Fuel Indicator
Cell 14: G201 and G202
Figure 13:

EVAP Controls,and IAC Valve


Object Number: 624340  Size: FS
Engine Controls Components
Idle Up signals
VSS Output
OBD II Symbol Description Notice
Handling ESD Sensitive Parts Notice
Cell 10: Ignition Switch, IGN Fuse, and ST Fuse
Cell 10: Alt-S, AM2, Dome, EFI, Hazard, Horn, and Main Fuses
Cell 14: SP254 and SP261
Cell 14: SP254 and SP261
Cell 14: Battery, G100, G101, G102, G103, and G104
Figure 14:

Idle Up signals


Object Number: 624342  Size: FS
Engine Controls Components
A/T Controls Inputs
EVAP Controls, and IAC Valve
OBD II Symbol Description Notice
Handling ESD Sensitive Parts Notice
Handling ESD Sensitive Parts Notice
Handling ESD Sensitive Parts Notice
Cell 10: Gauge Fuse
Cell 10: Gauge Fuse
Cell 132: Ignition Key Alarm Switch, Remote Control Door Lock Receiver, and TAIL Relay
Cell 14: G200, G203, SP250 and SP650
Cell 14: Junction Block 3
Cell 14: G204 and SP256
Cell 110: DRL Control Module, Remote Control Door Lock Reciever, Tail, and Light
Cell 110: Cruise Control Module and Stoplamp Switch
Cell 61
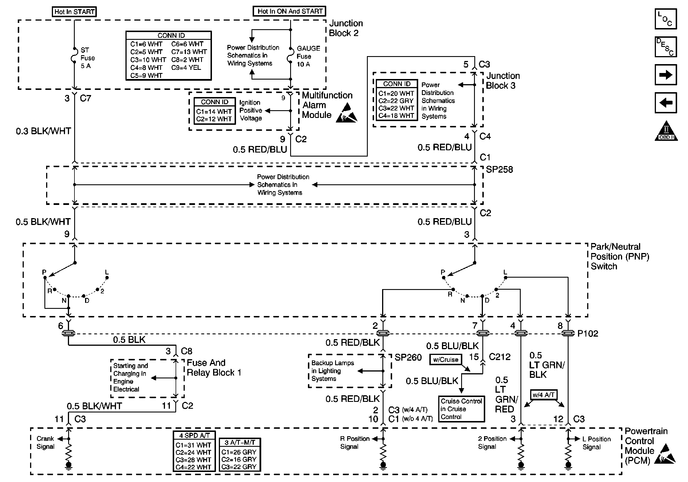
Figure 15:

A/T Controls Inputs


Object Number: 624343  Size: FS
Engine Controls Components
A/C Controls
Idle Up signals
OBD II Symbol Description Notice
Handling ESD Sensitive Parts Notice
Handling ESD Sensitive Parts Notice
Cell 10: Gauge Fuse
Cell 10: Gauge Fuse
Cell 10: Gauge Fuse
Cell 30: Battery, Fusible Link, and Generator
Cell 112
Cell 34: Cruise Control Servo, PNP Switch, CPP Interrupt Switch, and Stoplamp Switch
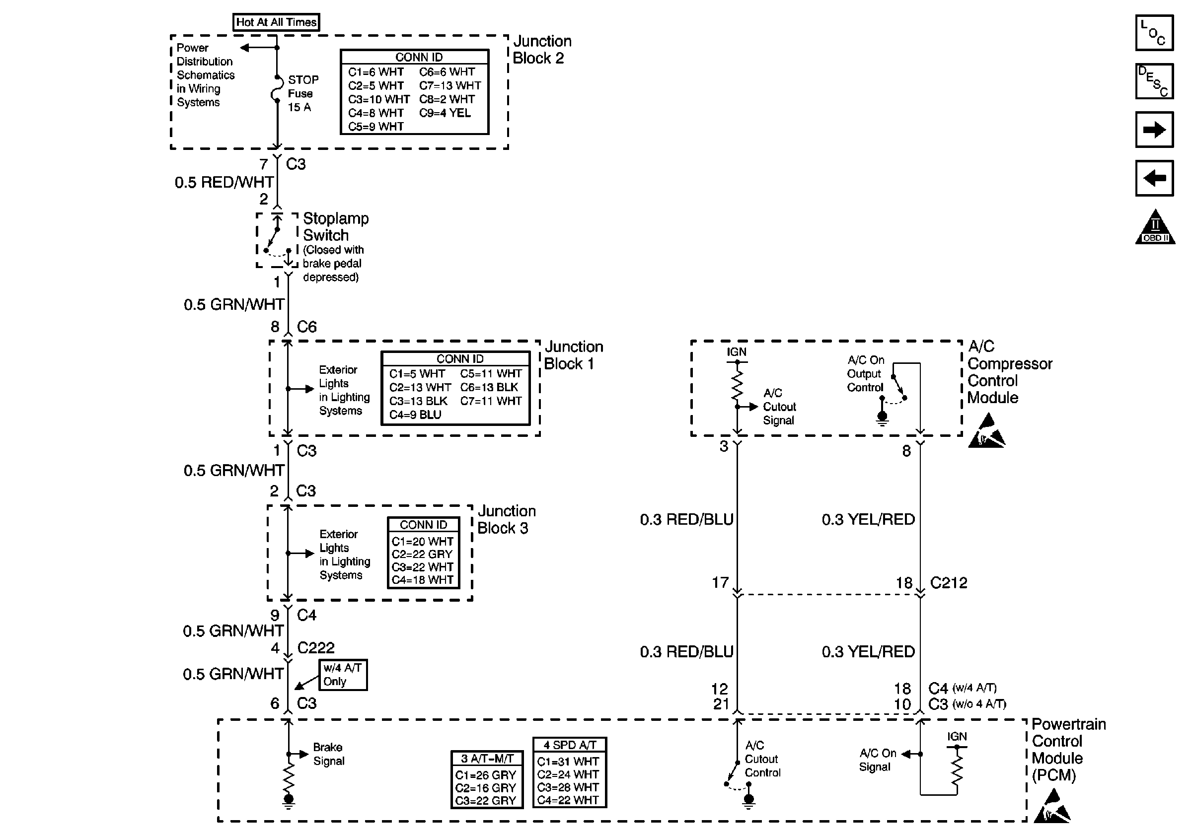
Figure 16:

A/C Controls


Object Number: 624341  Size: FS
Engine Controls Components
A/T Control Outputs
A/T Controls Inputs
OBD II Symbol Description Notice
Handling ESD Sensitive Parts Notice
Handling ESD Sensitive Parts Notice
Cell 10: Ignition Switch, IGN Fuse, and ST Fuse
Cell 10: Ignition Switch, IGN Fuse, and ST Fuse
Cell 10: Ignition Switch, IGN Fuse, and ST Fuse
Figure 17:

A/T Control Outputs


Object Number: 624344  Size: FS
Engine Controls Components
A/C Controls
OBD II Symbol Description Notice
Handling ESD Sensitive Parts Notice
Handling ESD Sensitive Parts Notice
Handling ESD Sensitive Parts Notice
Cell 14: G204 and SP256
Cell 10: Gauge Fuse
Cell 10: Gauge Fuse
Cell 81: ABS, Oil Pressure, MIL, O/D OFF, and Cruise Indicators